BOSCH B7000 - 0603307035

Artikelnummer: EB-0603307035

Position:

Marke: BOSCH


Bitte Kompatibilität prüfen!

Bitte prüfen Sie unbedingt die 10-stellige Typennummer Ihrer Maschine / Ihres Gerätes. Das Ersatzteil ist nur kompatibel, wenn Sie die Typennummer Ihrer Maschine in der unten stehenden Produktbeschreibung finden.

Bitte prüfen Sie ebenfalls detailliert die Explosionszeichnung mit Ihrem Artikelwunsch und der jeweiligen Pos-Nummer.

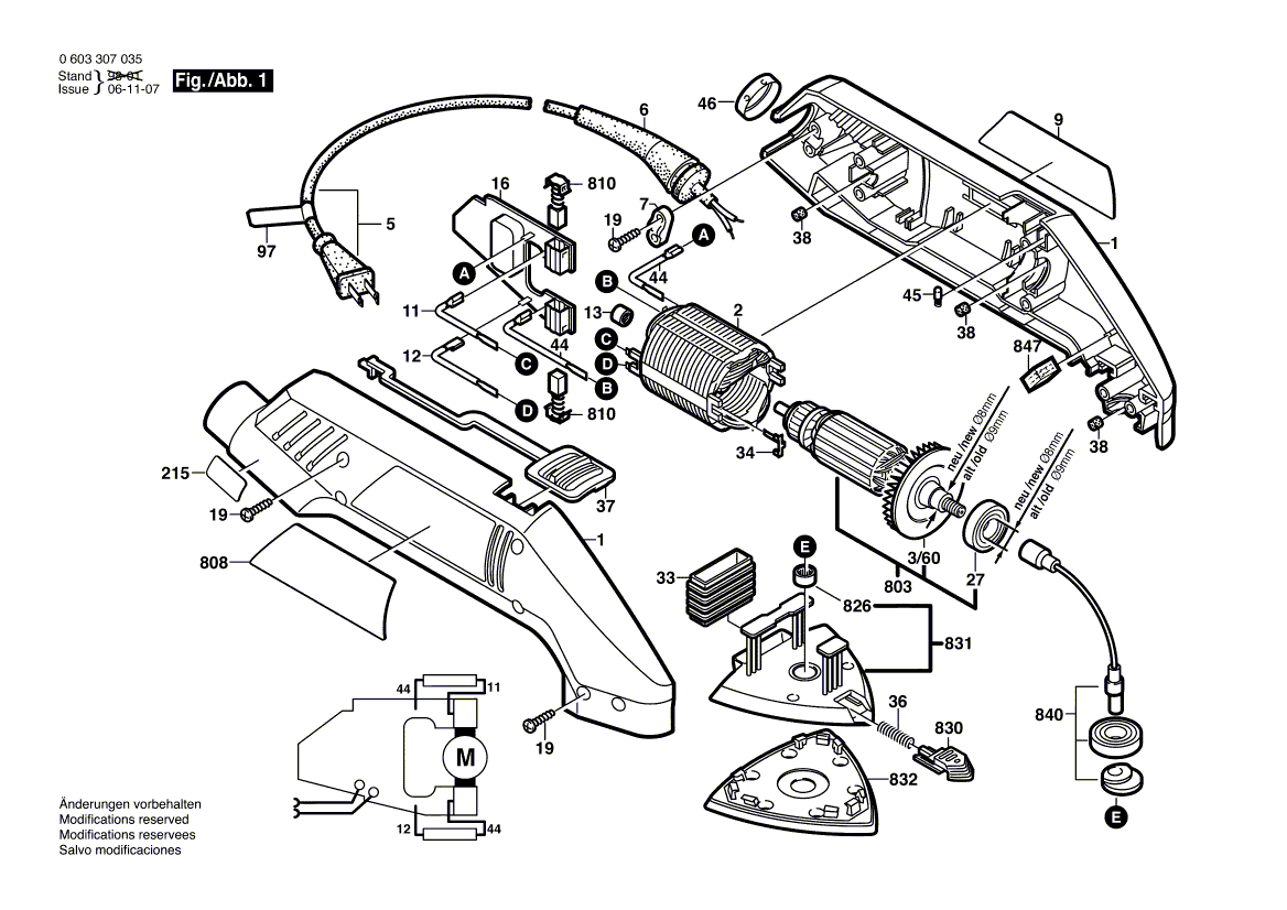
Alle Elemente, welche vom schwarzen Strich der Pos-Nummer ausgehend berührt / erfasst werden, gehören zu dieser Pos-Nummer und somit zu diesem Artikel. Jede Pos-Nummer ist ein eigenständiger Artikel, welchen Sie in der Auflistung finden.

Sie erhalten stets die aktuellste, neueste Produktversion zu der gewählten Pos-Nummer seitens des Herstellers. Es kann daher je nach Gerätealter vorkommen, dass Sie ggf. weitere, zugehörige Elemente, welche an diese Pos-Nummer grenzen, ebenfalls mittauschen müssen.

Nähere Informationen finden Sie unter dem Link
Hinweise zu Ihrer BOSCH Ersatzteilsuche

Beschreibung

Die aufgelisteten BOSCH Ersatzteile sind mit folgendem Gerät und Modell kompatibel:

BOSCH Gerätename:B7000
BOSCH Typennummer:0603307035
alternative Schreibweisen:0 603 307 035, 0603 307 035, 0.603.307.035, 0-603-307-035

Bitte prüfen Sie die Typennummer auf Ihrem Gerät um die Kompatibilität des BOSCH Ersatzteils zu gewährleisten.

Die passenden Ersatzteile des BOSCH B7000 (Deltaschleifer) mit der Typennummer 0603307035 finden Sie in der nachfolgenden Darstellung geordnet nach der Positionsnummern aus der Explosionszeichnung:

Pos.
1
BOSCH Gehäuseschale BLAU | Ersatzteile für B7000 | 2605104453
Hersteller: BOSCH
Artikelnummer: EB-0603307035-2605104453
nur Informationsartikel
Nie mehr lieferbar
keine Alternativen
Pos.
3/60
BOSCH Lüfter | Ersatzteile für B7000 | 2606610084
Hersteller: BOSCH
Artikelnummer: EB-0603307035-2606610084
nur Informationsartikel
Nie mehr lieferbar
keine Alternativen
Pos.
2
BOSCH Polschuh 115V | Ersatzteile für B7000 | 2604220517
Hersteller: BOSCH
Artikelnummer: EB-0603307035-2604220517
nur Informationsartikel
Nie mehr lieferbar
keine Alternativen
Pos.
5
BOSCH Netzanschlussleitung USA/CDN 2,68m 2 x 082mm SJ 18/2 | Ersatzteile für B7000 | 2604460187
Hersteller: BOSCH
Artikelnummer: EB-0603307035-2604460187
Netto: 12,50 € zzgl. MwSt.
zzgl. 6,90 € Versand (brutto)
einmalig pro Bestellung

Lieferzeit: 5 Werktage

Stück
Pos.
6
BOSCH Tülle Ø7,3-Ø8,6x76 MM | Ersatzteile für B7000 | 2600703018
Hersteller: BOSCH
Artikelnummer: EB-0603307035-2600703018
nur Informationsartikel
Nie mehr lieferbar
keine Alternativen
Pos.
7
BOSCH Leitungshalter | Ersatzteile für B7000 | 2601035001
Hersteller: BOSCH
Artikelnummer: EB-0603307035-2601035001
Netto: 3,94 € zzgl. MwSt.
zzgl. 6,90 € Versand (brutto)
einmalig pro Bestellung

Lieferzeit: 5 Werktage

Stück
Pos.
9
BOSCH Firmenschild SONNENSEITE | Ersatzteile für B7000 | 2601118502
Hersteller: BOSCH
Artikelnummer: EB-0603307035-2601118502
nur Informationsartikel
Nie mehr lieferbar
keine Alternativen
Pos.
11
BOSCH Verbindungsleitung L = 37 MM WEISS | Ersatzteile für B7000 | 2604448178
Hersteller: BOSCH
Artikelnummer: EB-0603307035-2604448178
nur Informationsartikel
Nie mehr lieferbar
keine Alternativen
Pos.
12
BOSCH Verbindungsleitung L=52MM WEISS | Ersatzteile für B7000 | 2604448016
Hersteller: BOSCH
Artikelnummer: EB-0603307035-2604448016
Netto: 3,94 € zzgl. MwSt.
zzgl. 6,90 € Versand (brutto)
einmalig pro Bestellung

Lieferzeit: 5 Werktage

Stück
Pos.
13
BOSCH Nadelhülse | Ersatzteile für B7000 | 2600917002
Hersteller: BOSCH
Artikelnummer: EB-0603307035-2600917002
Netto: 5,17 € zzgl. MwSt.
zzgl. 6,90 € Versand (brutto)
einmalig pro Bestellung

Lieferzeit: 5 Werktage

Stück
Pos.
16
BOSCH El-Anschlussplatte 120V | Ersatzteile für B7000 | 1607233096
Hersteller: BOSCH
Artikelnummer: EB-0603307035-1607233096
nur Informationsartikel
Nie mehr lieferbar
keine Alternativen
Pos.
19
BOSCH Schraube 4x16 | Ersatzteile für B7000 | 2603490022
Hersteller: BOSCH
Artikelnummer: EB-0603307035-2603490022
Netto: 3,60 € zzgl. MwSt.
zzgl. 6,90 € Versand (brutto)
einmalig pro Bestellung

Lieferzeit: 5 Werktage

Stück
Pos.
27
BOSCH Rillenkugellager 8x24x7 | Ersatzteile für B7000 | 2600905060
Hersteller: BOSCH
Artikelnummer: EB-0603307035-2600905060
nur Informationsartikel
Nie mehr lieferbar
keine Alternativen
Pos.
33
BOSCH Verbindungsschlauch | Ersatzteile für B7000 | 2600712003
Hersteller: BOSCH
Artikelnummer: EB-0603307035-2600712003
nur Informationsartikel
Nie mehr lieferbar
keine Alternativen
Pos.
34
BOSCH Kontaktfeder | Ersatzteile für B7000 | 2601329037
Hersteller: BOSCH
Artikelnummer: EB-0603307035-2601329037
Netto: 3,94 € zzgl. MwSt.
zzgl. 6,90 € Versand (brutto)
einmalig pro Bestellung

Lieferzeit: 5 Werktage

Stück
Pos.
36
BOSCH Druckfeder | Ersatzteile für B7000 | 2604610034
Hersteller: BOSCH
Artikelnummer: EB-0603307035-2604610034
nur Informationsartikel
Nie mehr lieferbar
keine Alternativen
Pos.
37
BOSCH Schaltschieber | Ersatzteile für B7000 | 2602319008
Hersteller: BOSCH
Artikelnummer: EB-0603307035-2602319008
nur Informationsartikel
Nie mehr lieferbar
keine Alternativen
Pos.
38
BOSCH Dämpfungsgummi | Ersatzteile für B7000 | 2603100056
Hersteller: BOSCH
Artikelnummer: EB-0603307035-2603100056
Netto: 3,94 € zzgl. MwSt.
zzgl. 6,90 € Versand (brutto)
einmalig pro Bestellung

Lieferzeit: 5 Werktage

Stück
Pos.
44
BOSCH Verbindungsleitung L=88 MM WEISS | Ersatzteile für B7000 | 2604448034
Hersteller: BOSCH
Artikelnummer: EB-0603307035-2604448034
Netto: 3,94 € zzgl. MwSt.
zzgl. 6,90 € Versand (brutto)
einmalig pro Bestellung

Lieferzeit: 5 Werktage

Stück
Pos.
45
BOSCH Druckstück | Ersatzteile für B7000 | 2600590010
Hersteller: BOSCH
Artikelnummer: EB-0603307035-2600590010
nur Informationsartikel
Nie mehr lieferbar
keine Alternativen
Pos.
46
BOSCH Spannring | Ersatzteile für B7000 | 2600290025
Hersteller: BOSCH
Artikelnummer: EB-0603307035-2600290025
nur Informationsartikel
Nie mehr lieferbar
keine Alternativen
Pos.
97
BOSCH Hinweisschild ACHTUNG | Ersatzteile für B7000 | 2610904501
Hersteller: BOSCH
Artikelnummer: EB-0603307035-2610904501
Netto: 1,61 € zzgl. MwSt.
zzgl. 6,90 € Versand (brutto)
einmalig pro Bestellung

Lieferzeit: 5 Werktage

Stück
Pos.
215
BOSCH Hinweisschild | Ersatzteile für B7000 | 2601118558
Hersteller: BOSCH
Artikelnummer: EB-0603307035-2601118558
nur Informationsartikel
Nie mehr lieferbar
keine Alternativen
Pos.
803
BOSCH Anker 115V | Ersatzteile für B7000 | 2604010930
Hersteller: BOSCH
Artikelnummer: EB-0603307035-2604010930
nur Informationsartikel
Nie mehr lieferbar
keine Alternativen
Pos.
808
BOSCH Typschild | Ersatzteile für B7000 | 160111A3H3
Hersteller: BOSCH
Artikelnummer: EB-0603307035-160111A3H3
Netto: 4,56 € zzgl. MwSt.
zzgl. 6,90 € Versand (brutto)
einmalig pro Bestellung

Lieferzeit: 5 Werktage

Stück
Pos.
810
BOSCH Kohlebürstensatz | Ersatzteile für B7000 | 2607014010
Hersteller: BOSCH
Artikelnummer: EB-0603307035-2607014010
nur Informationsartikel
Nie mehr lieferbar
keine Alternativen
Pos.
826
BOSCH Nadellager | Ersatzteile für B7000 | 2600917007
Hersteller: BOSCH
Artikelnummer: EB-0603307035-2600917007
nur Informationsartikel
Nie mehr lieferbar
keine Alternativen
Pos.
830
BOSCH Rastenscheibe | Ersatzteile für B7000 | 2608000152
Hersteller: BOSCH
Artikelnummer: EB-0603307035-2608000152
nur Informationsartikel
Nie mehr lieferbar
keine Alternativen
Pos.
831
BOSCH Grundplatte | Ersatzteile für B7000 | 2601098901
Hersteller: BOSCH
Artikelnummer: EB-0603307035-2601098901
nur Informationsartikel
Nie mehr lieferbar
keine Alternativen
Pos.
832
BOSCH Schleifplatte SCHWARZ | Ersatzteile für B7000 | 2608000143
Hersteller: BOSCH
Artikelnummer: EB-0603307035-2608000143
nur Informationsartikel
Nie mehr lieferbar
keine Alternativen
Pos.
840
BOSCH Biegsame Welle | Ersatzteile für B7000 | 2603010002
Hersteller: BOSCH
Artikelnummer: EB-0603307035-2603010002
nur Informationsartikel
Nie mehr lieferbar
keine Alternativen
Pos.
847
BOSCH Stützring | Ersatzteile für B7000 | 2608005068
Hersteller: BOSCH
Artikelnummer: EB-0603307035-2608005068
nur Informationsartikel
Nie mehr lieferbar
keine Alternativen

Angaben zur Produktsicherheit

Hersteller:
Robert Bosch Power Tools GmbH
Postfach 30 02 20
70442 Stuttgart

E-Mail:
kontakt@bosch.de