BOSCH Bandschleifer - 0600270142

Artikelnummer: EB-0600270142

Position:

Marke: BOSCH


Bitte Kompatibilität prüfen!

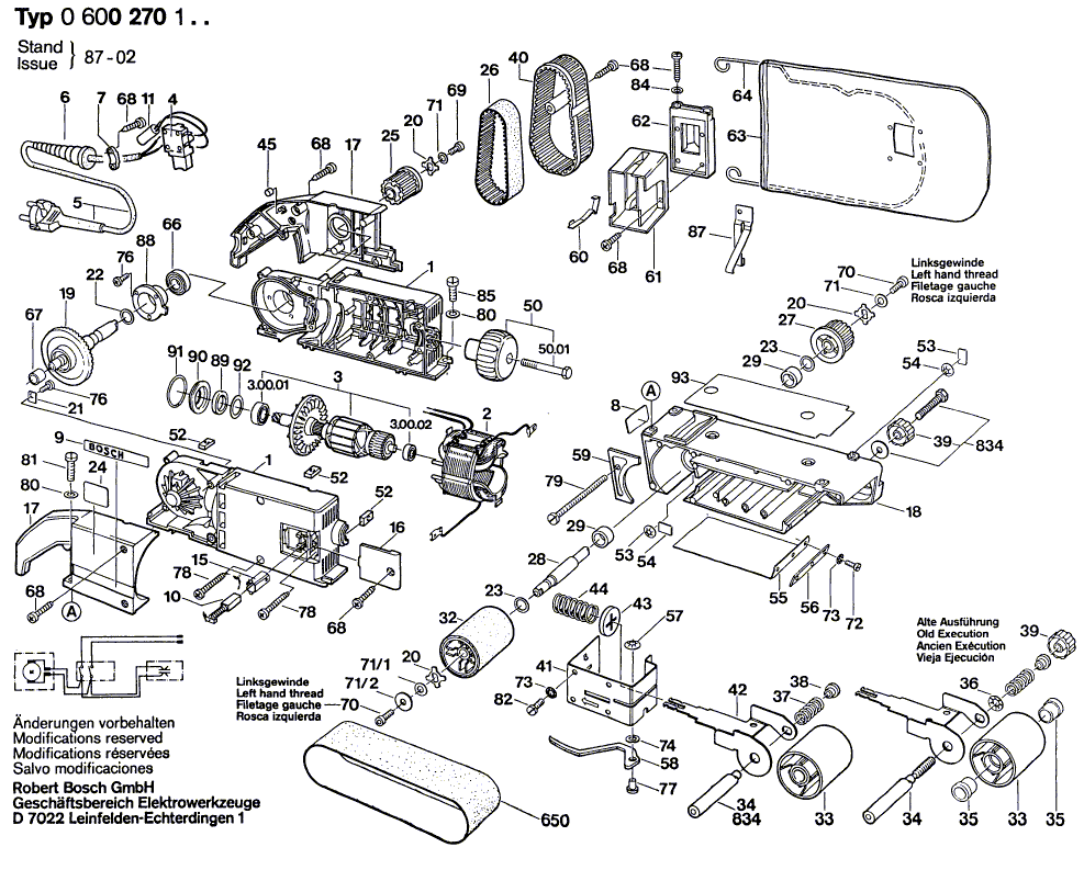
Bitte prüfen Sie unbedingt die 10-stellige Typennummer Ihrer Maschine / Ihres Gerätes. Das Ersatzteil ist nur kompatibel, wenn Sie die Typennummer Ihrer Maschine in der unten stehenden Produktbeschreibung finden.

Bitte prüfen Sie ebenfalls detailliert die Explosionszeichnung mit Ihrem Artikelwunsch und der jeweiligen Pos-Nummer.

Alle Elemente, welche vom schwarzen Strich der Pos-Nummer ausgehend berührt / erfasst werden, gehören zu dieser Pos-Nummer und somit zu diesem Artikel. Jede Pos-Nummer ist ein eigenständiger Artikel, welchen Sie in der Auflistung finden.

Sie erhalten stets die aktuellste, neueste Produktversion zu der gewählten Pos-Nummer seitens des Herstellers. Es kann daher je nach Gerätealter vorkommen, dass Sie ggf. weitere, zugehörige Elemente, welche an diese Pos-Nummer grenzen, ebenfalls mittauschen müssen.

Nähere Informationen finden Sie unter dem Link
Hinweise zu Ihrer BOSCH Ersatzteilsuche

Beschreibung

Die aufgelisteten BOSCH Ersatzteile sind mit folgendem Gerät und Modell kompatibel:

BOSCH Gerätename:Bandschleifer
BOSCH Typennummer:0600270142
alternative Schreibweisen:0 600 270 142, 0600 270 142, 0.600.270.142, 0-600-270-142

Bitte prüfen Sie die Typennummer auf Ihrem Gerät um die Kompatibilität des BOSCH Ersatzteils zu gewährleisten.

Die passenden Ersatzteile des BOSCH Bandschleifer mit der Typennummer 0600270142 finden Sie in der nachfolgenden Darstellung geordnet nach der Positionsnummern aus der Explosionszeichnung:

Pos.
1
BOSCH Motorgehäuse | Ersatzteile für Bandschleifer | 1609200700
Hersteller: BOSCH
Artikelnummer: EB-0600270142-1609200700
nur Informationsartikel
Nie mehr lieferbar
keine Alternativen
Pos.
2
BOSCH Polschuh 240V | Ersatzteile für Bandschleifer | 1609200779
Hersteller: BOSCH
Artikelnummer: EB-0600270142-1609200779
nur Informationsartikel
Nie mehr lieferbar
keine Alternativen
Pos.
3
BOSCH Anker Mit Lüfter 240V | Ersatzteile für Bandschleifer | 1609200780
Hersteller: BOSCH
Artikelnummer: EB-0600270142-1609200780
nur Informationsartikel
Nie mehr lieferbar
keine Alternativen
Pos.
3/00/01
BOSCH Kugellager 7x19x6 | Ersatzteile für Bandschleifer | 2600905032
Hersteller: BOSCH
Artikelnummer: EB-0600270142-2600905032
Netto: 6,15 € zzgl. MwSt.
zzgl. 6,90 € Versand (brutto)
einmalig pro Bestellung

Lieferzeit: 31 Werktage

Stück
Pos.
4
BOSCH Ein/Aus-Schalter | Ersatzteile für Bandschleifer | 1609200748
Hersteller: BOSCH
Artikelnummer: EB-0600270142-1609200748
nur Informationsartikel
Nie mehr lieferbar
keine Alternativen
Pos.
6
BOSCH Tülle Ø9x90 MM | Ersatzteile für Bandschleifer | 1609207001
Hersteller: BOSCH
Artikelnummer: EB-0600270142-1609207001
nur Informationsartikel
Nie mehr lieferbar
keine Alternativen
Pos.
7
BOSCH Befestigungsschelle | Ersatzteile für Bandschleifer | 1609213000
Hersteller: BOSCH
Artikelnummer: EB-0600270142-1609213000
nur Informationsartikel
Nie mehr lieferbar
keine Alternativen
Pos.
9
BOSCH Klebeschild | Ersatzteile für Bandschleifer | 1601110046
Hersteller: BOSCH
Artikelnummer: EB-0600270142-1601110046
nur Informationsartikel
Nie mehr lieferbar
keine Alternativen
Pos.
10
BOSCH Kohlebürstensatz | Ersatzteile für Bandschleifer | 1609202417
Hersteller: BOSCH
Artikelnummer: EB-0600270142-1609202417
nur Informationsartikel
Nie mehr lieferbar
keine Alternativen
Pos.
11
BOSCH Entstörkondensator | Ersatzteile für Bandschleifer | 1609200887
Hersteller: BOSCH
Artikelnummer: EB-0600270142-1609200887
nur Informationsartikel
Nie mehr lieferbar
keine Alternativen
Pos.
15
BOSCH Bürstenhalter | Ersatzteile für Bandschleifer | 1609200032
Hersteller: BOSCH
Artikelnummer: EB-0600270142-1609200032
nur Informationsartikel
Nie mehr lieferbar
keine Alternativen
Pos.
16
BOSCH Verschlussdeckel | Ersatzteile für Bandschleifer | 1609200570
Hersteller: BOSCH
Artikelnummer: EB-0600270142-1609200570
nur Informationsartikel
Nie mehr lieferbar
keine Alternativen
Pos.
17
BOSCH Handgriff | Ersatzteile für Bandschleifer | 1609200701
Hersteller: BOSCH
Artikelnummer: EB-0600270142-1609200701
nur Informationsartikel
Nie mehr lieferbar
keine Alternativen
Pos.
18
BOSCH Gehäuseunterteil | Ersatzteile für Bandschleifer | 1609330104
Hersteller: BOSCH
Artikelnummer: EB-0600270142-1609330104
nur Informationsartikel
Nie mehr lieferbar
keine Alternativen
Pos.
19
BOSCH Welle Mit Zahnrad Z=51 | Ersatzteile für Bandschleifer | 1609200702
Hersteller: BOSCH
Artikelnummer: EB-0600270142-1609200702
nur Informationsartikel
Nie mehr lieferbar
keine Alternativen
Pos.
20
BOSCH Mitnehmerscheibe | Ersatzteile für Bandschleifer | 1609200574
Hersteller: BOSCH
Artikelnummer: EB-0600270142-1609200574
nur Informationsartikel
Nie mehr lieferbar
keine Alternativen
Pos.
21
BOSCH Spannplatte | Ersatzteile für Bandschleifer | 1609200039
Hersteller: BOSCH
Artikelnummer: EB-0600270142-1609200039
nur Informationsartikel
Nie mehr lieferbar
keine Alternativen
Pos.
22
BOSCH Distanzscheibe | Ersatzteile für Bandschleifer | 1609200773
Hersteller: BOSCH
Artikelnummer: EB-0600270142-1609200773
nur Informationsartikel
Nie mehr lieferbar
keine Alternativen
Pos.
22
BOSCH Distanzscheibe Ø12xØ18x0,1 MM | Ersatzteile für Bandschleifer | 1609200705
Hersteller: BOSCH
Artikelnummer: EB-0600270142-1609200705
nur Informationsartikel
Nie mehr lieferbar
keine Alternativen
Pos.
22
BOSCH Distanzscheibe Ø12xØ18x1 MM | Ersatzteile für Bandschleifer | 1609200703
Hersteller: BOSCH
Artikelnummer: EB-0600270142-1609200703
nur Informationsartikel
Nie mehr lieferbar
keine Alternativen
Pos.
22
BOSCH Distanzscheibe Ø12xØ18x1,05 MM | Ersatzteile für Bandschleifer | 1609200704
Hersteller: BOSCH
Artikelnummer: EB-0600270142-1609200704
nur Informationsartikel
Nie mehr lieferbar
keine Alternativen
Pos.
23
BOSCH Stützscheibe Ø21xØ12,1x1,0 MM | Ersatzteile für Bandschleifer | 1609200578
Hersteller: BOSCH
Artikelnummer: EB-0600270142-1609200578
nur Informationsartikel
Nie mehr lieferbar
keine Alternativen
Pos.
25
BOSCH Riemenscheibe Z=19 | Ersatzteile für Bandschleifer | 1609200706
Hersteller: BOSCH
Artikelnummer: EB-0600270142-1609200706
nur Informationsartikel
Nie mehr lieferbar
keine Alternativen
Pos.
26
BOSCH Zahnriemen Z=55 | Ersatzteile für Bandschleifer | 1609200581
Hersteller: BOSCH
Artikelnummer: EB-0600270142-1609200581
nur Informationsartikel
Nie mehr lieferbar
keine Alternativen
Pos.
27
BOSCH Riemenscheibe Z=26 | Ersatzteile für Bandschleifer | 1609200582
Hersteller: BOSCH
Artikelnummer: EB-0600270142-1609200582
nur Informationsartikel
Nie mehr lieferbar
keine Alternativen
Pos.
28
BOSCH Antriebswelle | Ersatzteile für Bandschleifer | 1609200583
Hersteller: BOSCH
Artikelnummer: EB-0600270142-1609200583
nur Informationsartikel
Nie mehr lieferbar
keine Alternativen
Pos.
29
BOSCH Sinterbuchse | Ersatzteile für Bandschleifer | 1609200584
Hersteller: BOSCH
Artikelnummer: EB-0600270142-1609200584
nur Informationsartikel
Nie mehr lieferbar
keine Alternativen
Pos.
32
BOSCH Laufrolle | Ersatzteile für Bandschleifer | 1609330107
Hersteller: BOSCH
Artikelnummer: EB-0600270142-1609330107
nur Informationsartikel
Nie mehr lieferbar
keine Alternativen
Pos.
33
BOSCH Teilesatz | Ersatzteile für Bandschleifer | 1609201770
Hersteller: BOSCH
Artikelnummer: EB-0600270142-1609201770
nur Informationsartikel
Nie mehr lieferbar
keine Alternativen
Pos.
34
BOSCH Teilesatz | Ersatzteile für Bandschleifer | 1609201771
Hersteller: BOSCH
Artikelnummer: EB-0600270142-1609201771
nur Informationsartikel
Nie mehr lieferbar
keine Alternativen
Pos.
37
BOSCH Druckfeder | Ersatzteile für Bandschleifer | 1609200590
Hersteller: BOSCH
Artikelnummer: EB-0600270142-1609200590
nur Informationsartikel
Nie mehr lieferbar
keine Alternativen
Pos.
38
BOSCH Druckstück | Ersatzteile für Bandschleifer | 1609200591
Hersteller: BOSCH
Artikelnummer: EB-0600270142-1609200591
nur Informationsartikel
Nie mehr lieferbar
keine Alternativen
Pos.
39
BOSCH Einstellschraube | Ersatzteile für Bandschleifer | 1609200592
Hersteller: BOSCH
Artikelnummer: EB-0600270142-1609200592
nur Informationsartikel
Nie mehr lieferbar
keine Alternativen
Pos.
40
BOSCH Schutzhaube | Ersatzteile für Bandschleifer | 1609200593
Hersteller: BOSCH
Artikelnummer: EB-0600270142-1609200593
nur Informationsartikel
Nie mehr lieferbar
keine Alternativen
Pos.
41
BOSCH Befestigungswinkel | Ersatzteile für Bandschleifer | 1609330105
Hersteller: BOSCH
Artikelnummer: EB-0600270142-1609330105
nur Informationsartikel
Nie mehr lieferbar
keine Alternativen
Pos.
42
BOSCH Lagerbrücke 3 MM | Ersatzteile für Bandschleifer | 1609200891
Hersteller: BOSCH
Artikelnummer: EB-0600270142-1609200891
nur Informationsartikel
Nie mehr lieferbar
keine Alternativen
Pos.
42/1
BOSCH Lagerbrücke 2,5 MM | Ersatzteile für Bandschleifer | 1609330106
Hersteller: BOSCH
Artikelnummer: EB-0600270142-1609330106
nur Informationsartikel
Nie mehr lieferbar
keine Alternativen
Pos.
43
BOSCH Federteller | Ersatzteile für Bandschleifer | 1609200596
Hersteller: BOSCH
Artikelnummer: EB-0600270142-1609200596
nur Informationsartikel
Nie mehr lieferbar
keine Alternativen
Pos.
44
BOSCH Druckfeder | Ersatzteile für Bandschleifer | 1609200597
Hersteller: BOSCH
Artikelnummer: EB-0600270142-1609200597
nur Informationsartikel
Nie mehr lieferbar
keine Alternativen
Pos.
45
BOSCH Verschlussstopfen | Ersatzteile für Bandschleifer | 1609200048
Hersteller: BOSCH
Artikelnummer: EB-0600270142-1609200048
nur Informationsartikel
Nie mehr lieferbar
keine Alternativen
Pos.
50
BOSCH Handgriff | Ersatzteile für Bandschleifer | 1609200598
Hersteller: BOSCH
Artikelnummer: EB-0600270142-1609200598
nur Informationsartikel
Nie mehr lieferbar
keine Alternativen
Pos.
50/01
BOSCH Innensechskantschraube DIN 912-M6x50-8.8 | Ersatzteile für Bandschleifer | 2910141213
Hersteller: BOSCH
Artikelnummer: EB-0600270142-2910141213
nur Informationsartikel
Nie mehr lieferbar
keine Alternativen
Pos.
52
BOSCH Lochplatte M6-20x10x5 MM | Ersatzteile für Bandschleifer | 1601030025
Hersteller: BOSCH
Artikelnummer: EB-0600270142-1601030025
nur Informationsartikel
Nie mehr lieferbar
keine Alternativen
Pos.
53
BOSCH Führungsplatte | Ersatzteile für Bandschleifer | 1609200600
Hersteller: BOSCH
Artikelnummer: EB-0600270142-1609200600
nur Informationsartikel
Nie mehr lieferbar
keine Alternativen
Pos.
54
BOSCH Sicherungsscheibe | Ersatzteile für Bandschleifer | 1609200601
Hersteller: BOSCH
Artikelnummer: EB-0600270142-1609200601
nur Informationsartikel
Nie mehr lieferbar
keine Alternativen
Pos.
55
BOSCH Schleifunterlage | Ersatzteile für Bandschleifer | 1609200602
Hersteller: BOSCH
Artikelnummer: EB-0600270142-1609200602
nur Informationsartikel
Nie mehr lieferbar
keine Alternativen
Pos.
56
BOSCH Druckleiste | Ersatzteile für Bandschleifer | 1609200603
Hersteller: BOSCH
Artikelnummer: EB-0600270142-1609200603
nur Informationsartikel
Nie mehr lieferbar
keine Alternativen
Pos.
57
BOSCH Sicherungsscheibe | Ersatzteile für Bandschleifer | 1609200604
Hersteller: BOSCH
Artikelnummer: EB-0600270142-1609200604
nur Informationsartikel
Nie mehr lieferbar
keine Alternativen
Pos.
58
BOSCH Spannhebel | Ersatzteile für Bandschleifer | 1609200605
Hersteller: BOSCH
Artikelnummer: EB-0600270142-1609200605
nur Informationsartikel
Nie mehr lieferbar
keine Alternativen
Pos.
59
BOSCH Abdeckplatte | Ersatzteile für Bandschleifer | 1609200606
Hersteller: BOSCH
Artikelnummer: EB-0600270142-1609200606
nur Informationsartikel
Nie mehr lieferbar
keine Alternativen
Pos.
60
BOSCH Blattfeder | Ersatzteile für Bandschleifer | 1609200607
Hersteller: BOSCH
Artikelnummer: EB-0600270142-1609200607
nur Informationsartikel
Nie mehr lieferbar
keine Alternativen
Pos.
61
BOSCH Anschlussstutzen | Ersatzteile für Bandschleifer | 1609200608
Hersteller: BOSCH
Artikelnummer: EB-0600270142-1609200608
nur Informationsartikel
Nie mehr lieferbar
keine Alternativen
Pos.
62
BOSCH Druckstück | Ersatzteile für Bandschleifer | 1609200609
Hersteller: BOSCH
Artikelnummer: EB-0600270142-1609200609
nur Informationsartikel
Nie mehr lieferbar
keine Alternativen
Pos.
63
BOSCH Staubbeutel | Ersatzteile für Bandschleifer | 1609200610
Hersteller: BOSCH
Artikelnummer: EB-0600270142-1609200610
nur Informationsartikel
Nie mehr lieferbar
keine Alternativen
Pos.
64
BOSCH Haltebügel | Ersatzteile für Bandschleifer | 1609200611
Hersteller: BOSCH
Artikelnummer: EB-0600270142-1609200611
nur Informationsartikel
Nie mehr lieferbar
keine Alternativen
Pos.
66
BOSCH Rillenkugellager 6 001 LLU C 3/3K DIN 625 | Ersatzteile für Bandschleifer | 1609200715
Hersteller: BOSCH
Artikelnummer: EB-0600270142-1609200715
nur Informationsartikel
Nie mehr lieferbar
keine Alternativen
Pos.
67
BOSCH Nadelhülse | Ersatzteile für Bandschleifer | 1609209006
Hersteller: BOSCH
Artikelnummer: EB-0600270142-1609209006
nur Informationsartikel
Nie mehr lieferbar
keine Alternativen
Pos.
68
BOSCH Blechschraube DIN 7971-B 3,9x19 | Ersatzteile für Bandschleifer | 2910211220
Hersteller: BOSCH
Artikelnummer: EB-0600270142-2910211220
nur Informationsartikel
Nie mehr lieferbar
keine Alternativen
Pos.
69
BOSCH Innensechskantschraube DIN 912-M5x12-8.8 | Ersatzteile für Bandschleifer | 2910141154
Hersteller: BOSCH
Artikelnummer: EB-0600270142-2910141154
nur Informationsartikel
Nie mehr lieferbar
keine Alternativen
Pos.
70
BOSCH Innensechskantschraube DIN 912-M5x12 LINKSGEWINDE | Ersatzteile für Bandschleifer | 1603410009
Hersteller: BOSCH
Artikelnummer: EB-0600270142-1603410009
nur Informationsartikel
Nie mehr lieferbar
keine Alternativen
Pos.
71
BOSCH Unterlegscheibe 5,3 DIN 7349 | Ersatzteile für Bandschleifer | 2916201003
Hersteller: BOSCH
Artikelnummer: EB-0600270142-2916201003
nur Informationsartikel
Nie mehr lieferbar
keine Alternativen
Pos.
71/1
BOSCH Distanzscheibe Ø20x5,3x1,25 MM | Ersatzteile für Bandschleifer | 1609330108
Hersteller: BOSCH
Artikelnummer: EB-0600270142-1609330108
nur Informationsartikel
Nie mehr lieferbar
keine Alternativen
Pos.
71/2
BOSCH Abdeckscheibe Ø40x5x1 MM | Ersatzteile für Bandschleifer | 1609330109
Hersteller: BOSCH
Artikelnummer: EB-0600270142-1609330109
nur Informationsartikel
Nie mehr lieferbar
keine Alternativen
Pos.
72
BOSCH Zylinderschraube DIN 84-AM4x8-8.8 | Ersatzteile für Bandschleifer | 2910021118
Hersteller: BOSCH
Artikelnummer: EB-0600270142-2910021118
Netto: 3,63 € zzgl. MwSt.
zzgl. 6,90 € Versand (brutto)
einmalig pro Bestellung

Lieferzeit: 5 Werktage

Stück
Pos.
73
BOSCH Zahnscheibe | Ersatzteile für Bandschleifer | 1609200599
Hersteller: BOSCH
Artikelnummer: EB-0600270142-1609200599
nur Informationsartikel
Nie mehr lieferbar
keine Alternativen
Pos.
74
BOSCH Federscheibe DIN 137-A 6-ST | Ersatzteile für Bandschleifer | 2916060007
Hersteller: BOSCH
Artikelnummer: EB-0600270142-2916060007
nur Informationsartikel
Nie mehr lieferbar
keine Alternativen
Pos.
76
BOSCH Torx-Linsenschraube 3x10 | Ersatzteile für Bandschleifer | 2603490017
Hersteller: BOSCH
Artikelnummer: EB-0600270142-2603490017
Netto: 4,32 € zzgl. MwSt.
zzgl. 6,90 € Versand (brutto)
einmalig pro Bestellung

Lieferzeit: 5 Werktage

Stück
Pos.
77
BOSCH Rohrniet | Ersatzteile für Bandschleifer | 1600422011
Hersteller: BOSCH
Artikelnummer: EB-0600270142-1600422011
nur Informationsartikel
Nie mehr lieferbar
keine Alternativen
Pos.
78
BOSCH Blechschraube B 3,9x32 DIN 7981 | Ersatzteile für Bandschleifer | 2910611082
Hersteller: BOSCH
Artikelnummer: EB-0600270142-2910611082
nur Informationsartikel
Nie mehr lieferbar
keine Alternativen
Pos.
79
BOSCH Zylinderschraube DIN 84-BM4x80-5.8 | Ersatzteile für Bandschleifer | 2910013672
Hersteller: BOSCH
Artikelnummer: EB-0600270142-2910013672
nur Informationsartikel
Nie mehr lieferbar
keine Alternativen
Pos.
80
BOSCH Unterlegscheibe DIN 433-5,3-ST | Ersatzteile für Bandschleifer | 2916011011
Hersteller: BOSCH
Artikelnummer: EB-0600270142-2916011011
nur Informationsartikel
Nie mehr lieferbar
keine Alternativen
Pos.
81
BOSCH Zylinderschraube DIN 84-AM5x20-8.8 | Ersatzteile für Bandschleifer | 2910021162
Hersteller: BOSCH
Artikelnummer: EB-0600270142-2910021162
nur Informationsartikel
Nie mehr lieferbar
keine Alternativen
Pos.
82
BOSCH Zylinderschraube DIN 84-AM4x12-8.8 | Ersatzteile für Bandschleifer | 2910021122
Hersteller: BOSCH
Artikelnummer: EB-0600270142-2910021122
Netto: 4,32 € zzgl. MwSt.
zzgl. 6,90 € Versand (brutto)
einmalig pro Bestellung

Lieferzeit: 5 Werktage

Stück
Pos.
84
BOSCH Unterlegscheibe DIN 125-A4,3-ST | Ersatzteile für Bandschleifer | 2916011010
Hersteller: BOSCH
Artikelnummer: EB-0600270142-2916011010
nur Informationsartikel
Nie mehr lieferbar
keine Alternativen
Pos.
85
BOSCH Zylinderschraube DIN 84-AM5x16-8.8 | Ersatzteile für Bandschleifer | 2910021158
Hersteller: BOSCH
Artikelnummer: EB-0600270142-2910021158
nur Informationsartikel
Nie mehr lieferbar
keine Alternativen
Pos.
87
BOSCH Biegeformfeder | Ersatzteile für Bandschleifer | 1609200657
Hersteller: BOSCH
Artikelnummer: EB-0600270142-1609200657
nur Informationsartikel
Nie mehr lieferbar
keine Alternativen
Pos.
88
BOSCH Distanzhülse | Ersatzteile für Bandschleifer | 1609200658
Hersteller: BOSCH
Artikelnummer: EB-0600270142-1609200658
nur Informationsartikel
Nie mehr lieferbar
keine Alternativen
Pos.
89
BOSCH Filzring | Ersatzteile für Bandschleifer | 1609200832
Hersteller: BOSCH
Artikelnummer: EB-0600270142-1609200832
nur Informationsartikel
Nie mehr lieferbar
keine Alternativen
Pos.
90
BOSCH Stützscheibe | Ersatzteile für Bandschleifer | 1609200833
Hersteller: BOSCH
Artikelnummer: EB-0600270142-1609200833
nur Informationsartikel
Nie mehr lieferbar
keine Alternativen
Pos.
91
BOSCH O-Ring | Ersatzteile für Bandschleifer | 1609200834
Hersteller: BOSCH
Artikelnummer: EB-0600270142-1609200834
nur Informationsartikel
Nie mehr lieferbar
keine Alternativen
Pos.
92
BOSCH Sicherungsscheibe | Ersatzteile für Bandschleifer | 1609200846
Hersteller: BOSCH
Artikelnummer: EB-0600270142-1609200846
nur Informationsartikel
Nie mehr lieferbar
keine Alternativen
Pos.
93
BOSCH Dämmplatte | Ersatzteile für Bandschleifer | 1609200847
Hersteller: BOSCH
Artikelnummer: EB-0600270142-1609200847
nur Informationsartikel
Nie mehr lieferbar
keine Alternativen
Pos.
94
BOSCH Mitnehmer | Ersatzteile für Bandschleifer | 1609200888
Hersteller: BOSCH
Artikelnummer: EB-0600270142-1609200888
nur Informationsartikel
Nie mehr lieferbar
keine Alternativen
Pos.
95
BOSCH Ausgleichscheibe | Ersatzteile für Bandschleifer | 1609200893
Hersteller: BOSCH
Artikelnummer: EB-0600270142-1609200893
nur Informationsartikel
Nie mehr lieferbar
keine Alternativen
Pos.
96
BOSCH Blechschraube DIN 7971-B 2,9x13 | Ersatzteile für Bandschleifer | 2910211206
Hersteller: BOSCH
Artikelnummer: EB-0600270142-2910211206
nur Informationsartikel
Nie mehr lieferbar
keine Alternativen
Pos.
711
BOSCH Teilesatz | Ersatzteile für Bandschleifer | 0601999007
Hersteller: BOSCH
Artikelnummer: EB-0600270142-0601999007
nur Informationsartikel
Nie mehr lieferbar
keine Alternativen
Pos.
711/1
BOSCH Untergestell | Ersatzteile für Bandschleifer | 1609200562
Hersteller: BOSCH
Artikelnummer: EB-0600270142-1609200562
nur Informationsartikel
Nie mehr lieferbar
keine Alternativen
Pos.
711/1/1
BOSCH Teilesatz | Ersatzteile für Bandschleifer | 1609200622
Hersteller: BOSCH
Artikelnummer: EB-0600270142-1609200622
nur Informationsartikel
Nie mehr lieferbar
keine Alternativen
Pos.
711/1/2
BOSCH Puffer | Ersatzteile für Bandschleifer | 1609231000
Hersteller: BOSCH
Artikelnummer: EB-0600270142-1609231000
nur Informationsartikel
Nie mehr lieferbar
keine Alternativen
Pos.
711/2
BOSCH Längsanschlag | Ersatzteile für Bandschleifer | 1609200563
Hersteller: BOSCH
Artikelnummer: EB-0600270142-1609200563
nur Informationsartikel
Nie mehr lieferbar
keine Alternativen
Pos.
711/2/1
BOSCH Teilesatz | Ersatzteile für Bandschleifer | 1609200623
Hersteller: BOSCH
Artikelnummer: EB-0600270142-1609200623
nur Informationsartikel
Nie mehr lieferbar
keine Alternativen
Pos.
711/2/2
BOSCH Breitenanschlag | Ersatzteile für Bandschleifer | 1609200054
Hersteller: BOSCH
Artikelnummer: EB-0600270142-1609200054
nur Informationsartikel
Nie mehr lieferbar
keine Alternativen
Pos.
711/2/3
BOSCH Anschlag | Ersatzteile für Bandschleifer | 1609200628
Hersteller: BOSCH
Artikelnummer: EB-0600270142-1609200628
nur Informationsartikel
Nie mehr lieferbar
keine Alternativen

Angaben zur Produktsicherheit

Hersteller:
Robert Bosch Power Tools GmbH
Postfach 30 02 20
70442 Stuttgart

E-Mail:
kontakt@bosch.de