BOSCH BLOW & VAC - F016L80139

Artikelnummer: EB-F016L80139

Position:

Marke: BOSCH


Bitte Kompatibilität prüfen!

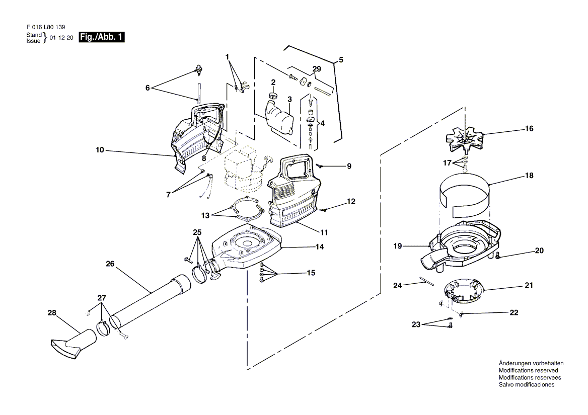
Bitte prüfen Sie unbedingt die 10-stellige Typennummer Ihrer Maschine / Ihres Gerätes. Das Ersatzteil ist nur kompatibel, wenn Sie die Typennummer Ihrer Maschine in der unten stehenden Produktbeschreibung finden.

Bitte prüfen Sie ebenfalls detailliert die Explosionszeichnung mit Ihrem Artikelwunsch und der jeweiligen Pos-Nummer.

Alle Elemente, welche vom schwarzen Strich der Pos-Nummer ausgehend berührt / erfasst werden, gehören zu dieser Pos-Nummer und somit zu diesem Artikel. Jede Pos-Nummer ist ein eigenständiger Artikel, welchen Sie in der Auflistung finden.

Sie erhalten stets die aktuellste, neueste Produktversion zu der gewählten Pos-Nummer seitens des Herstellers. Es kann daher je nach Gerätealter vorkommen, dass Sie ggf. weitere, zugehörige Elemente, welche an diese Pos-Nummer grenzen, ebenfalls mittauschen müssen.

Nähere Informationen finden Sie unter dem Link
Hinweise zu Ihrer BOSCH Ersatzteilsuche

Beschreibung

Die aufgelisteten BOSCH Ersatzteile sind mit folgendem Gerät und Modell kompatibel:

BOSCH Gerätename:BLOW & VAC
BOSCH Typennummer:F016L80139
alternative Schreibweisen:F 016 L80 139, F016 L80 139, F.016.L80.139, F-016-L80-139

Bitte prüfen Sie die Typennummer auf Ihrem Gerät um die Kompatibilität des BOSCH Ersatzteils zu gewährleisten.

Die passenden Ersatzteile des BOSCH BLOW & VAC (Rasenmäher) mit der Typennummer F016L80139 finden Sie in der nachfolgenden Darstellung geordnet nach der Positionsnummern aus der Explosionszeichnung:

Pos.
1
BOSCH Flügelmutter | Ersatzteile für BLOW & VAC | F016S03193
Hersteller: BOSCH
Artikelnummer: EB-F016L80139-F016S03193
nur Informationsartikel
Nie mehr lieferbar
keine Alternativen
Pos.
2
BOSCH Tankdeckel | Ersatzteile für BLOW & VAC | F016S03274
Hersteller: BOSCH
Artikelnummer: EB-F016L80139-F016S03274
nur Informationsartikel
Nie mehr lieferbar
keine Alternativen
Pos.
3
BOSCH Ersatzteil | Ersatzteile für BLOW & VAC | F016S03255
Hersteller: BOSCH
Artikelnummer: EB-F016L80139-F016S03255
nur Informationsartikel
Nie mehr lieferbar
keine Alternativen
Pos.
4
BOSCH Ersatzteil | Ersatzteile für BLOW & VAC | F016S03254
Hersteller: BOSCH
Artikelnummer: EB-F016L80139-F016S03254
nur Informationsartikel
Nie mehr lieferbar
keine Alternativen
Pos.
6
BOSCH Ersatzteil | Ersatzteile für BLOW & VAC | F016S03256
Hersteller: BOSCH
Artikelnummer: EB-F016L80139-F016S03256
nur Informationsartikel
Nie mehr lieferbar
keine Alternativen
Pos.
7
BOSCH Ein/Aus-Schalter | Ersatzteile für BLOW & VAC | F016S03199
Hersteller: BOSCH
Artikelnummer: EB-F016L80139-F016S03199
nur Informationsartikel
Nie mehr lieferbar
keine Alternativen
Pos.
8
BOSCH Schalthebel | Ersatzteile für BLOW & VAC | F016S03200
Hersteller: BOSCH
Artikelnummer: EB-F016L80139-F016S03200
nur Informationsartikel
Nie mehr lieferbar
keine Alternativen
Pos.
10
BOSCH Ersatzteil | Ersatzteile für BLOW & VAC | F016S03257
Hersteller: BOSCH
Artikelnummer: EB-F016L80139-F016S03257
nur Informationsartikel
Nie mehr lieferbar
keine Alternativen
Pos.
11
BOSCH Motorhaube | Ersatzteile für BLOW & VAC | F016S03203
Hersteller: BOSCH
Artikelnummer: EB-F016L80139-F016S03203
nur Informationsartikel
Nie mehr lieferbar
keine Alternativen
Pos.
13
BOSCH Ersatzteil | Ersatzteile für BLOW & VAC | F016S03205
Hersteller: BOSCH
Artikelnummer: EB-F016L80139-F016S03205
nur Informationsartikel
Nie mehr lieferbar
keine Alternativen
Pos.
14
BOSCH Ersatzteil | Ersatzteile für BLOW & VAC | F016S03206
Hersteller: BOSCH
Artikelnummer: EB-F016L80139-F016S03206
nur Informationsartikel
Nie mehr lieferbar
keine Alternativen
Pos.
15
BOSCH Schraube | Ersatzteile für BLOW & VAC | F016S03207
Hersteller: BOSCH
Artikelnummer: EB-F016L80139-F016S03207
nur Informationsartikel
Nie mehr lieferbar
keine Alternativen
Pos.
16
BOSCH Ersatzteil | Ersatzteile für BLOW & VAC | F016S03258
Hersteller: BOSCH
Artikelnummer: EB-F016L80139-F016S03258
nur Informationsartikel
Nie mehr lieferbar
keine Alternativen
Pos.
17
BOSCH Laufbolzen | Ersatzteile für BLOW & VAC | F016S03209
Hersteller: BOSCH
Artikelnummer: EB-F016L80139-F016S03209
nur Informationsartikel
Nie mehr lieferbar
keine Alternativen
Pos.
18
BOSCH Ersatzteil | Ersatzteile für BLOW & VAC | F016S03210
Hersteller: BOSCH
Artikelnummer: EB-F016L80139-F016S03210
nur Informationsartikel
Nie mehr lieferbar
keine Alternativen
Pos.
19
BOSCH Ersatzteil | Ersatzteile für BLOW & VAC | F016S03211
Hersteller: BOSCH
Artikelnummer: EB-F016L80139-F016S03211
nur Informationsartikel
Nie mehr lieferbar
keine Alternativen
Pos.
20
BOSCH Schraube | Ersatzteile für BLOW & VAC | F016S03224
Hersteller: BOSCH
Artikelnummer: EB-F016L80139-F016S03224
nur Informationsartikel
Nie mehr lieferbar
keine Alternativen
Pos.
21
BOSCH Ersatzteil | Ersatzteile für BLOW & VAC | F016S03213
Hersteller: BOSCH
Artikelnummer: EB-F016L80139-F016S03213
nur Informationsartikel
Nie mehr lieferbar
keine Alternativen
Pos.
22
BOSCH Feder | Ersatzteile für BLOW & VAC | F016S03214
Hersteller: BOSCH
Artikelnummer: EB-F016L80139-F016S03214
nur Informationsartikel
Nie mehr lieferbar
keine Alternativen
Pos.
23
BOSCH Schraube | Ersatzteile für BLOW & VAC | F016S03215
Hersteller: BOSCH
Artikelnummer: EB-F016L80139-F016S03215
nur Informationsartikel
Nie mehr lieferbar
keine Alternativen
Pos.
24
BOSCH Scharnierleiste | Ersatzteile für BLOW & VAC | F016S03216
Hersteller: BOSCH
Artikelnummer: EB-F016L80139-F016S03216
nur Informationsartikel
Nie mehr lieferbar
keine Alternativen
Pos.
25
BOSCH Klemme | Ersatzteile für BLOW & VAC | F016S03217
Hersteller: BOSCH
Artikelnummer: EB-F016L80139-F016S03217
nur Informationsartikel
Nie mehr lieferbar
keine Alternativen
Pos.
26
BOSCH Ersatzteil | Ersatzteile für BLOW & VAC | F016S03218
Hersteller: BOSCH
Artikelnummer: EB-F016L80139-F016S03218
nur Informationsartikel
Nie mehr lieferbar
keine Alternativen
Pos.
27
BOSCH Klemme | Ersatzteile für BLOW & VAC | F016S03219
Hersteller: BOSCH
Artikelnummer: EB-F016L80139-F016S03219
nur Informationsartikel
Nie mehr lieferbar
keine Alternativen
Pos.
28
BOSCH Ersatzteil | Ersatzteile für BLOW & VAC | F016S03220
Hersteller: BOSCH
Artikelnummer: EB-F016L80139-F016S03220
nur Informationsartikel
Nie mehr lieferbar
keine Alternativen
Pos.
29
BOSCH Nylonschnur | Ersatzteile für BLOW & VAC | F016S03259
Hersteller: BOSCH
Artikelnummer: EB-F016L80139-F016S03259
nur Informationsartikel
Nie mehr lieferbar
keine Alternativen
Pos.
201
BOSCH Ersatzteil | Ersatzteile für BLOW & VAC | F016S01573
Hersteller: BOSCH
Artikelnummer: EB-F016L80139-F016S01573
nur Informationsartikel
Nie mehr lieferbar
keine Alternativen
Pos.
202
BOSCH Maehspindel | Ersatzteile für BLOW & VAC | F016S03145
Hersteller: BOSCH
Artikelnummer: EB-F016L80139-F016S03145
nur Informationsartikel
Nie mehr lieferbar
keine Alternativen
Pos.
203
BOSCH Zündschalter | Ersatzteile für BLOW & VAC | F016S01558
Hersteller: BOSCH
Artikelnummer: EB-F016L80139-F016S01558
nur Informationsartikel
Nie mehr lieferbar
keine Alternativen
Pos.
204
BOSCH Kolben | Ersatzteile für BLOW & VAC | F016S03147
Hersteller: BOSCH
Artikelnummer: EB-F016L80139-F016S03147
nur Informationsartikel
Nie mehr lieferbar
keine Alternativen
Pos.
205
BOSCH Dichtung | Ersatzteile für BLOW & VAC | F016S03262
Hersteller: BOSCH
Artikelnummer: EB-F016L80139-F016S03262
nur Informationsartikel
Nie mehr lieferbar
keine Alternativen
Pos.
206
BOSCH Ersatzteil | Ersatzteile für BLOW & VAC | F016S03149
Hersteller: BOSCH
Artikelnummer: EB-F016L80139-F016S03149
nur Informationsartikel
Nie mehr lieferbar
keine Alternativen
Pos.
207
BOSCH Lager | Ersatzteile für BLOW & VAC | F016S01567
Hersteller: BOSCH
Artikelnummer: EB-F016L80139-F016S01567
nur Informationsartikel
Nie mehr lieferbar
keine Alternativen
Pos.
208
BOSCH Ersatzteil | Ersatzteile für BLOW & VAC | F016S01568
Hersteller: BOSCH
Artikelnummer: EB-F016L80139-F016S01568
nur Informationsartikel
Nie mehr lieferbar
keine Alternativen
Pos.
209
BOSCH Dichtung | Ersatzteile für BLOW & VAC | F016S01569
Hersteller: BOSCH
Artikelnummer: EB-F016L80139-F016S01569
nur Informationsartikel
Nie mehr lieferbar
keine Alternativen
Pos.
210
BOSCH Ersatzteil | Ersatzteile für BLOW & VAC | F016S01570
Hersteller: BOSCH
Artikelnummer: EB-F016L80139-F016S01570
nur Informationsartikel
Nie mehr lieferbar
keine Alternativen
Pos.
211
BOSCH Ersatzteil | Ersatzteile für BLOW & VAC | F016S03150
Hersteller: BOSCH
Artikelnummer: EB-F016L80139-F016S03150
nur Informationsartikel
Nie mehr lieferbar
keine Alternativen
Pos.
213
BOSCH Ersatzteil | Ersatzteile für BLOW & VAC | F016S03152
Hersteller: BOSCH
Artikelnummer: EB-F016L80139-F016S03152
nur Informationsartikel
Nie mehr lieferbar
keine Alternativen
Pos.
214
BOSCH Ersatzteil | Ersatzteile für BLOW & VAC | F016S03228
Hersteller: BOSCH
Artikelnummer: EB-F016L80139-F016S03228
nur Informationsartikel
Nie mehr lieferbar
keine Alternativen
Pos.
215
BOSCH Ersatzteil | Ersatzteile für BLOW & VAC | F016S03263
Hersteller: BOSCH
Artikelnummer: EB-F016L80139-F016S03263
nur Informationsartikel
Nie mehr lieferbar
keine Alternativen
Pos.
216
BOSCH Ersatzteil | Ersatzteile für BLOW & VAC | F016S03154
Hersteller: BOSCH
Artikelnummer: EB-F016L80139-F016S03154
nur Informationsartikel
Nie mehr lieferbar
keine Alternativen
Pos.
218
BOSCH Ersatzteil | Ersatzteile für BLOW & VAC | F016S03261
Hersteller: BOSCH
Artikelnummer: EB-F016L80139-F016S03261
nur Informationsartikel
Nie mehr lieferbar
keine Alternativen
Pos.
219
BOSCH Dichtflansch | Ersatzteile für BLOW & VAC | F016S03157
Hersteller: BOSCH
Artikelnummer: EB-F016L80139-F016S03157
nur Informationsartikel
Nie mehr lieferbar
keine Alternativen
Pos.
220
BOSCH Filterdeckel | Ersatzteile für BLOW & VAC | F016S03158
Hersteller: BOSCH
Artikelnummer: EB-F016L80139-F016S03158
nur Informationsartikel
Nie mehr lieferbar
keine Alternativen
Pos.
221
BOSCH Ersatzteil | Ersatzteile für BLOW & VAC | F016S03159
Hersteller: BOSCH
Artikelnummer: EB-F016L80139-F016S03159
nur Informationsartikel
Nie mehr lieferbar
keine Alternativen
Pos.
222
BOSCH Laufbolzen | Ersatzteile für BLOW & VAC | F016S03160
Hersteller: BOSCH
Artikelnummer: EB-F016L80139-F016S03160
nur Informationsartikel
Nie mehr lieferbar
keine Alternativen
Pos.
223
BOSCH Luftfilter | Ersatzteile für BLOW & VAC | F016S03161
Hersteller: BOSCH
Artikelnummer: EB-F016L80139-F016S03161
nur Informationsartikel
Nie mehr lieferbar
keine Alternativen
Pos.
224
BOSCH Schutzbügel | Ersatzteile für BLOW & VAC | F016S03162
Hersteller: BOSCH
Artikelnummer: EB-F016L80139-F016S03162
nur Informationsartikel
Nie mehr lieferbar
keine Alternativen
Pos.
230
BOSCH Dichtflansch | Ersatzteile für BLOW & VAC | F016S01596
Hersteller: BOSCH
Artikelnummer: EB-F016L80139-F016S01596
nur Informationsartikel
Nie mehr lieferbar
keine Alternativen
Pos.
231
BOSCH Schalldämpfer | Ersatzteile für BLOW & VAC | F016S03266
Hersteller: BOSCH
Artikelnummer: EB-F016L80139-F016S03266
nur Informationsartikel
Nie mehr lieferbar
keine Alternativen
Pos.
232
BOSCH Schraube | Ersatzteile für BLOW & VAC | F016S03267
Hersteller: BOSCH
Artikelnummer: EB-F016L80139-F016S03267
nur Informationsartikel
Nie mehr lieferbar
keine Alternativen
Pos.
233
BOSCH Ersatzteil | Ersatzteile für BLOW & VAC | F016S03268
Hersteller: BOSCH
Artikelnummer: EB-F016L80139-F016S03268
nur Informationsartikel
Nie mehr lieferbar
keine Alternativen
Pos.
234
BOSCH Ersatzteil | Ersatzteile für BLOW & VAC | F016S03269
Hersteller: BOSCH
Artikelnummer: EB-F016L80139-F016S03269
nur Informationsartikel
Nie mehr lieferbar
keine Alternativen
Pos.
235
BOSCH Laufbolzen | Ersatzteile für BLOW & VAC | F016S03270
Hersteller: BOSCH
Artikelnummer: EB-F016L80139-F016S03270
nur Informationsartikel
Nie mehr lieferbar
keine Alternativen
Pos.
236
BOSCH Schraube | Ersatzteile für BLOW & VAC | F016S03271
Hersteller: BOSCH
Artikelnummer: EB-F016L80139-F016S03271
nur Informationsartikel
Nie mehr lieferbar
keine Alternativen
Pos.
237
BOSCH Schutzbügel | Ersatzteile für BLOW & VAC | F016S03173
Hersteller: BOSCH
Artikelnummer: EB-F016L80139-F016S03173
nur Informationsartikel
Nie mehr lieferbar
keine Alternativen
Pos.
238
BOSCH Ersatzteil | Ersatzteile für BLOW & VAC | F016S01599
Hersteller: BOSCH
Artikelnummer: EB-F016L80139-F016S01599
nur Informationsartikel
Nie mehr lieferbar
keine Alternativen
Pos.
239
BOSCH Schutzbügel | Ersatzteile für BLOW & VAC | F016S03174
Hersteller: BOSCH
Artikelnummer: EB-F016L80139-F016S03174
nur Informationsartikel
Nie mehr lieferbar
keine Alternativen
Pos.
240
BOSCH Ersatzteil | Ersatzteile für BLOW & VAC | F016S03175
Hersteller: BOSCH
Artikelnummer: EB-F016L80139-F016S03175
nur Informationsartikel
Nie mehr lieferbar
keine Alternativen
Pos.
241
BOSCH Beilegring | Ersatzteile für BLOW & VAC | F016S03176
Hersteller: BOSCH
Artikelnummer: EB-F016L80139-F016S03176
nur Informationsartikel
Nie mehr lieferbar
keine Alternativen
Pos.
242
BOSCH Riemenscheibe | Ersatzteile für BLOW & VAC | F016S01563
Hersteller: BOSCH
Artikelnummer: EB-F016L80139-F016S01563
nur Informationsartikel
Nie mehr lieferbar
keine Alternativen
Pos.
243
BOSCH Riemenscheibe | Ersatzteile für BLOW & VAC | F016S03177
Hersteller: BOSCH
Artikelnummer: EB-F016L80139-F016S03177
nur Informationsartikel
Nie mehr lieferbar
keine Alternativen
Pos.
244
BOSCH Feder | Ersatzteile für BLOW & VAC | F016S03222
Hersteller: BOSCH
Artikelnummer: EB-F016L80139-F016S03222
nur Informationsartikel
Nie mehr lieferbar
keine Alternativen
Pos.
245
BOSCH Ersatzteil | Ersatzteile für BLOW & VAC | F016S01550
Hersteller: BOSCH
Artikelnummer: EB-F016L80139-F016S01550
nur Informationsartikel
Nie mehr lieferbar
keine Alternativen
Pos.
246
BOSCH Seil | Ersatzteile für BLOW & VAC | F016S03178
Hersteller: BOSCH
Artikelnummer: EB-F016L80139-F016S03178
nur Informationsartikel
Nie mehr lieferbar
keine Alternativen
Pos.
247
BOSCH Ersatzteil | Ersatzteile für BLOW & VAC | F016S03179
Hersteller: BOSCH
Artikelnummer: EB-F016L80139-F016S03179
nur Informationsartikel
Nie mehr lieferbar
keine Alternativen
Pos.
248
BOSCH Abdeckblende | Ersatzteile für BLOW & VAC | F016S03180
Hersteller: BOSCH
Artikelnummer: EB-F016L80139-F016S03180
nur Informationsartikel
Nie mehr lieferbar
keine Alternativen
Pos.
249
BOSCH Ersatzteil | Ersatzteile für BLOW & VAC | F016S03181
Hersteller: BOSCH
Artikelnummer: EB-F016L80139-F016S03181
nur Informationsartikel
Nie mehr lieferbar
keine Alternativen
Pos.
250
BOSCH Ersatzteil | Ersatzteile für BLOW & VAC | F016S03182
Hersteller: BOSCH
Artikelnummer: EB-F016L80139-F016S03182
nur Informationsartikel
Nie mehr lieferbar
keine Alternativen
Pos.
251
BOSCH Schraube | Ersatzteile für BLOW & VAC | F016S03183
Hersteller: BOSCH
Artikelnummer: EB-F016L80139-F016S03183
nur Informationsartikel
Nie mehr lieferbar
keine Alternativen
Pos.
252
BOSCH Kurbelwelle | Ersatzteile für BLOW & VAC | F016S03184
Hersteller: BOSCH
Artikelnummer: EB-F016L80139-F016S03184
nur Informationsartikel
Nie mehr lieferbar
keine Alternativen
Pos.
301
BOSCH Ersatzteil | Ersatzteile für BLOW & VAC | F016S03260
Hersteller: BOSCH
Artikelnummer: EB-F016L80139-F016S03260
nur Informationsartikel
Nie mehr lieferbar
keine Alternativen
Pos.
302
BOSCH Ersatzteil | Ersatzteile für BLOW & VAC | F016S03187
Hersteller: BOSCH
Artikelnummer: EB-F016L80139-F016S03187
nur Informationsartikel
Nie mehr lieferbar
keine Alternativen
Pos.
303
BOSCH Adapter | Ersatzteile für BLOW & VAC | F016S03188
Hersteller: BOSCH
Artikelnummer: EB-F016L80139-F016S03188
nur Informationsartikel
Nie mehr lieferbar
keine Alternativen
Pos.
304
BOSCH Klemme | Ersatzteile für BLOW & VAC | F016S03189
Hersteller: BOSCH
Artikelnummer: EB-F016L80139-F016S03189
nur Informationsartikel
Nie mehr lieferbar
keine Alternativen
Pos.
305
BOSCH Teilesatz | Ersatzteile für BLOW & VAC | F016S03190
Hersteller: BOSCH
Artikelnummer: EB-F016L80139-F016S03190
nur Informationsartikel
Nie mehr lieferbar
keine Alternativen

Angaben zur Produktsicherheit

Hersteller:
Robert Bosch Power Tools GmbH
Postfach 30 02 20
70442 Stuttgart

E-Mail:
kontakt@bosch.de