BOSCH Bohrmaschine - 0601105003

Artikelnummer: EB-0601105003

Position:

Marke: BOSCH


Bitte Kompatibilität prüfen!

Bitte prüfen Sie unbedingt die 10-stellige Typennummer Ihrer Maschine / Ihres Gerätes. Das Ersatzteil ist nur kompatibel, wenn Sie die Typennummer Ihrer Maschine in der unten stehenden Produktbeschreibung finden.

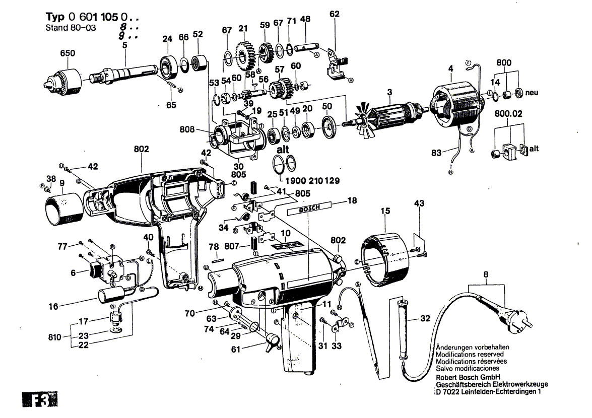
Bitte prüfen Sie ebenfalls detailliert die Explosionszeichnung mit Ihrem Artikelwunsch und der jeweiligen Pos-Nummer.

Alle Elemente, welche vom schwarzen Strich der Pos-Nummer ausgehend berührt / erfasst werden, gehören zu dieser Pos-Nummer und somit zu diesem Artikel. Jede Pos-Nummer ist ein eigenständiger Artikel, welchen Sie in der Auflistung finden.

Sie erhalten stets die aktuellste, neueste Produktversion zu der gewählten Pos-Nummer seitens des Herstellers. Es kann daher je nach Gerätealter vorkommen, dass Sie ggf. weitere, zugehörige Elemente, welche an diese Pos-Nummer grenzen, ebenfalls mittauschen müssen.

Nähere Informationen finden Sie unter dem Link
Hinweise zu Ihrer BOSCH Ersatzteilsuche

Beschreibung

Die aufgelisteten BOSCH Ersatzteile sind mit folgendem Gerät und Modell kompatibel:

BOSCH Gerätename:Bohrmaschine
BOSCH Typennummer:0601105003
alternative Schreibweisen:0 601 105 003, 0601 105 003, 0.601.105.003, 0-601-105-003

Bitte prüfen Sie die Typennummer auf Ihrem Gerät um die Kompatibilität des BOSCH Ersatzteils zu gewährleisten.

Die passenden Ersatzteile des BOSCH Bohrmaschine mit der Typennummer 0601105003 finden Sie in der nachfolgenden Darstellung geordnet nach der Positionsnummern aus der Explosionszeichnung:

Pos.
3
BOSCH Anker Mit Lüfter 220V | Ersatzteile für Bohrmaschine | 1604010120
Hersteller: BOSCH
Artikelnummer: EB-0601105003-1604010120
nur Informationsartikel
Nie mehr lieferbar
keine Alternativen
Pos.
4
BOSCH Polschuh 220V | Ersatzteile für Bohrmaschine | 1604220071
Hersteller: BOSCH
Artikelnummer: EB-0601105003-1604220071
nur Informationsartikel
Nie mehr lieferbar
keine Alternativen
Pos.
5
BOSCH Bohrspindel | Ersatzteile für Bohrmaschine | 1603523062
Hersteller: BOSCH
Artikelnummer: EB-0601105003-1603523062
nur Informationsartikel
Nie mehr lieferbar
keine Alternativen
Pos.
6
BOSCH Ein/Aus-Schalter | Ersatzteile für Bohrmaschine | 1607200060
Hersteller: BOSCH
Artikelnummer: EB-0601105003-1607200060
nur Informationsartikel
Nie mehr lieferbar
keine Alternativen
Pos.
8
BOSCH Netzanschlussleitung EU 4,15m 2 x 1,0mm H07 RN-F | Ersatzteile für Bohrmaschine | 1607000227
Hersteller: BOSCH
Artikelnummer: EB-0601105003-1607000227
Netto: 21,16 € zzgl. MwSt.
zzgl. 6,90 € Versand (brutto)
einmalig pro Bestellung

Lieferzeit: 5 Werktage

Stück
Pos.
9
BOSCH Führungshülse Ø38xØ43x40 MM | Ersatzteile für Bohrmaschine | 1600400900
Hersteller: BOSCH
Artikelnummer: EB-0601105003-1600400900
nur Informationsartikel
Nie mehr lieferbar
keine Alternativen
Pos.
10
BOSCH Typschild | Ersatzteile für Bohrmaschine | 160111A3H5
Hersteller: BOSCH
Artikelnummer: EB-0601105003-160111A3H5
Netto: 4,53 € zzgl. MwSt.
zzgl. 6,90 € Versand (brutto)
einmalig pro Bestellung

Lieferzeit: 5 Werktage

Stück
Pos.
11
BOSCH Isolierstreifen 33x10x6 MM | Ersatzteile für Bohrmaschine | 1602381001
Hersteller: BOSCH
Artikelnummer: EB-0601105003-1602381001
nur Informationsartikel
Nie mehr lieferbar
keine Alternativen
Pos.
14
BOSCH O-Ring 8,0x2,5 MM | Ersatzteile für Bohrmaschine | 1610210014
Hersteller: BOSCH
Artikelnummer: EB-0601105003-1610210014
nur Informationsartikel
Nie mehr lieferbar
keine Alternativen
Pos.
15
BOSCH Verschlussdeckel GRUEN | Ersatzteile für Bohrmaschine | 1605500066
Hersteller: BOSCH
Artikelnummer: EB-0601105003-1605500066
nur Informationsartikel
Nie mehr lieferbar
keine Alternativen
Pos.
15
BOSCH Verschlusskappe BLAU | Ersatzteile für Bohrmaschine | 1605500071
Hersteller: BOSCH
Artikelnummer: EB-0601105003-1605500071
nur Informationsartikel
Nie mehr lieferbar
keine Alternativen
Pos.
15
BOSCH Verschlusskappe SCHWARZ | Ersatzteile für Bohrmaschine | 1605500092
Hersteller: BOSCH
Artikelnummer: EB-0601105003-1605500092
nur Informationsartikel
Nie mehr lieferbar
keine Alternativen
Pos.
18
BOSCH Firmenschild SCHATTENSEITE | Ersatzteile für Bohrmaschine | 1601110481
Hersteller: BOSCH
Artikelnummer: EB-0601105003-1601110481
Netto: 4,32 € zzgl. MwSt.
zzgl. 6,90 € Versand (brutto)
einmalig pro Bestellung

Lieferzeit: 5 Werktage

Stück
Pos.
19
BOSCH Federring | Ersatzteile für Bohrmaschine | 2616690003
Hersteller: BOSCH
Artikelnummer: EB-0601105003-2616690003
nur Informationsartikel
Nie mehr lieferbar
keine Alternativen
Pos.
20
BOSCH Stützring | Ersatzteile für Bohrmaschine | 1600501055
Hersteller: BOSCH
Artikelnummer: EB-0601105003-1600501055
nur Informationsartikel
Nie mehr lieferbar
keine Alternativen
Pos.
21
BOSCH Zahnrad Z=38 | Ersatzteile für Bohrmaschine | 1606320052
Hersteller: BOSCH
Artikelnummer: EB-0601105003-1606320052
nur Informationsartikel
Nie mehr lieferbar
keine Alternativen
Pos.
24
BOSCH Rillenkugellager 6002-Z DIN 625 | Ersatzteile für Bohrmaschine | 1900905102
Hersteller: BOSCH
Artikelnummer: EB-0601105003-1900905102
nur Informationsartikel
Nie mehr lieferbar
keine Alternativen
Pos.
25
BOSCH Rillenkugellager 627 Y DIN 625 | Ersatzteile für Bohrmaschine | 1900900235
Hersteller: BOSCH
Artikelnummer: EB-0601105003-1900900235
nur Informationsartikel
Nie mehr lieferbar
keine Alternativen
Pos.
29
BOSCH O-Ring 12,0x1,0 MM | Ersatzteile für Bohrmaschine | 1600210024
Hersteller: BOSCH
Artikelnummer: EB-0601105003-1600210024
nur Informationsartikel
Nie mehr lieferbar
keine Alternativen
Pos.
31
BOSCH Blechschraube | Ersatzteile für Bohrmaschine | 2603435011
Hersteller: BOSCH
Artikelnummer: EB-0601105003-2603435011
nur Informationsartikel
Nie mehr lieferbar
keine Alternativen
Pos.
32
BOSCH Tülle Ø6,4-Ø7,5x75 MM | Ersatzteile für Bohrmaschine | 1600703016
Hersteller: BOSCH
Artikelnummer: EB-0601105003-1600703016
Netto: 3,63 € zzgl. MwSt.
zzgl. 6,90 € Versand (brutto)
einmalig pro Bestellung

Lieferzeit: 5 Werktage

Stück
Pos.
33
BOSCH Befestigungsschelle | Ersatzteile für Bohrmaschine | 1601302014
Hersteller: BOSCH
Artikelnummer: EB-0601105003-1601302014
Netto: 3,94 € zzgl. MwSt.
zzgl. 6,90 € Versand (brutto)
einmalig pro Bestellung

Lieferzeit: 5 Werktage

Stück
Pos.
34
BOSCH Spiralfeder | Ersatzteile für Bohrmaschine | 1604652004
Hersteller: BOSCH
Artikelnummer: EB-0601105003-1604652004
Netto: 4,53 € zzgl. MwSt.
zzgl. 6,90 € Versand (brutto)
einmalig pro Bestellung

Lieferzeit: 5 Werktage

Stück
Pos.
38
BOSCH Blechschraube DIN 7971-BZ3,9x6,5 | Ersatzteile für Bohrmaschine | 2910211016
Hersteller: BOSCH
Artikelnummer: EB-0601105003-2910211016
nur Informationsartikel
Nie mehr lieferbar
keine Alternativen
Pos.
39
BOSCH Zylinderschraube DIN 84-AM4x10-8.8 | Ersatzteile für Bohrmaschine | 2910021120
Hersteller: BOSCH
Artikelnummer: EB-0601105003-2910021120
Netto: 3,63 € zzgl. MwSt.
zzgl. 6,90 € Versand (brutto)
einmalig pro Bestellung

Lieferzeit: 5 Werktage

Stück
Pos.
40
BOSCH Blechschraube DIN 7971-ST3,9x16-F | Ersatzteile für Bohrmaschine | 2910211019
Hersteller: BOSCH
Artikelnummer: EB-0601105003-2910211019
Netto: 3,63 € zzgl. MwSt.
zzgl. 6,90 € Versand (brutto)
einmalig pro Bestellung

Lieferzeit: 5 Werktage

Stück
Pos.
41
BOSCH Blechschraube DIN 7976-ST2,9x6,5-C-H | Ersatzteile für Bohrmaschine | 2910601304
Hersteller: BOSCH
Artikelnummer: EB-0601105003-2910601304
nur Informationsartikel
Nie mehr lieferbar
keine Alternativen
Pos.
42
BOSCH Blechschraube DIN 7971-BZ2,9x13 | Ersatzteile für Bohrmaschine | 2910211006
Hersteller: BOSCH
Artikelnummer: EB-0601105003-2910211006
Netto: 3,63 € zzgl. MwSt.
zzgl. 6,90 € Versand (brutto)
einmalig pro Bestellung

Lieferzeit: 5 Werktage

Stück
Pos.
43
BOSCH Blechschraube DIN 7971-BZ3,9x9,5 | Ersatzteile für Bohrmaschine | 2910211017
Hersteller: BOSCH
Artikelnummer: EB-0601105003-2910211017
nur Informationsartikel
Nie mehr lieferbar
keine Alternativen
Pos.
48
BOSCH Schaltwelle | Ersatzteile für Bohrmaschine | 2603105011
Hersteller: BOSCH
Artikelnummer: EB-0601105003-2603105011
nur Informationsartikel
Nie mehr lieferbar
keine Alternativen
Pos.
49
BOSCH Dichtring | Ersatzteile für Bohrmaschine | 1600108052
Hersteller: BOSCH
Artikelnummer: EB-0601105003-1600108052
nur Informationsartikel
Nie mehr lieferbar
keine Alternativen
Pos.
50
BOSCH O-Ring | Ersatzteile für Bohrmaschine | 1600502008
Hersteller: BOSCH
Artikelnummer: EB-0601105003-1600502008
nur Informationsartikel
Nie mehr lieferbar
keine Alternativen
Pos.
51
BOSCH Tellerscheibe | Ersatzteile für Bohrmaschine | 1600500017
Hersteller: BOSCH
Artikelnummer: EB-0601105003-1600500017
nur Informationsartikel
Nie mehr lieferbar
keine Alternativen
Pos.
52
BOSCH Nadellager | Ersatzteile für Bohrmaschine | 1600910008
Hersteller: BOSCH
Artikelnummer: EB-0601105003-1600910008
nur Informationsartikel
Nie mehr lieferbar
keine Alternativen
Pos.
53
BOSCH Sprengring 14 DIN 9045 | Ersatzteile für Bohrmaschine | 2916600008
Hersteller: BOSCH
Artikelnummer: EB-0601105003-2916600008
Netto: 4,82 € zzgl. MwSt.
zzgl. 6,90 € Versand (brutto)
einmalig pro Bestellung

Lieferzeit: 5 Werktage

Stück
Pos.
54
BOSCH Lagerbuchse Ø8G7xØ14R6x6MM | Ersatzteile für Bohrmaschine | 2600301043
Hersteller: BOSCH
Artikelnummer: EB-0601105003-2600301043
nur Informationsartikel
Nie mehr lieferbar
keine Alternativen
Pos.
56
BOSCH Zahnwelle Z=10 | Ersatzteile für Bohrmaschine | 1606312008
Hersteller: BOSCH
Artikelnummer: EB-0601105003-1606312008
nur Informationsartikel
Nie mehr lieferbar
keine Alternativen
Pos.
57
BOSCH Zahnrad Z=20/36 | Ersatzteile für Bohrmaschine | 1606328099
Hersteller: BOSCH
Artikelnummer: EB-0601105003-1606328099
nur Informationsartikel
Nie mehr lieferbar
keine Alternativen
Pos.
58
BOSCH Scheibenfeder DIN 6888-3x3,7-ST-60 | Ersatzteile für Bohrmaschine | 1900023004
Hersteller: BOSCH
Artikelnummer: EB-0601105003-1900023004
nur Informationsartikel
Nie mehr lieferbar
keine Alternativen
Pos.
59
BOSCH Stirnrad | Ersatzteile für Bohrmaschine | 1606320053
Hersteller: BOSCH
Artikelnummer: EB-0601105003-1606320053
nur Informationsartikel
Nie mehr lieferbar
keine Alternativen
Pos.
60
BOSCH Ausgleichscheibe 1,2 MM DICK | Ersatzteile für Bohrmaschine | 1600100611
Hersteller: BOSCH
Artikelnummer: EB-0601105003-1600100611
Netto: 3,94 € zzgl. MwSt.
zzgl. 6,90 € Versand (brutto)
einmalig pro Bestellung

Lieferzeit: 5 Werktage

Stück
Pos.
61
BOSCH Schalthebel | Ersatzteile für Bohrmaschine | 1602026040
Hersteller: BOSCH
Artikelnummer: EB-0601105003-1602026040
nur Informationsartikel
Nie mehr lieferbar
keine Alternativen
Pos.
62
BOSCH Schaltgabel | Ersatzteile für Bohrmaschine | 1601328001
Hersteller: BOSCH
Artikelnummer: EB-0601105003-1601328001
nur Informationsartikel
Nie mehr lieferbar
keine Alternativen
Pos.
63
BOSCH Exzenterscheibe | Ersatzteile für Bohrmaschine | 1600148005
Hersteller: BOSCH
Artikelnummer: EB-0601105003-1600148005
nur Informationsartikel
Nie mehr lieferbar
keine Alternativen
Pos.
64
BOSCH Druckfeder | Ersatzteile für Bohrmaschine | 1604611016
Hersteller: BOSCH
Artikelnummer: EB-0601105003-1604611016
nur Informationsartikel
Nie mehr lieferbar
keine Alternativen
Pos.
65
BOSCH Flachkeil | Ersatzteile für Bohrmaschine | 1602300017
Hersteller: BOSCH
Artikelnummer: EB-0601105003-1602300017
nur Informationsartikel
Nie mehr lieferbar
keine Alternativen
Pos.
66
BOSCH Dichtring 13,0x4,0 MM | Ersatzteile für Bohrmaschine | 2600210025
Hersteller: BOSCH
Artikelnummer: EB-0601105003-2600210025
nur Informationsartikel
Nie mehr lieferbar
keine Alternativen
Pos.
67
BOSCH Ausgleichscheibe Ø14,5x21,5x0,5 MM | Ersatzteile für Bohrmaschine | 2000101600
Hersteller: BOSCH
Artikelnummer: EB-0601105003-2000101600
nur Informationsartikel
Nie mehr lieferbar
keine Alternativen
Pos.
70
BOSCH Blechschraube DIN 7981-B 3,9x9,5 | Ersatzteile für Bohrmaschine | 2910611017
Hersteller: BOSCH
Artikelnummer: EB-0601105003-2910611017
nur Informationsartikel
Nie mehr lieferbar
keine Alternativen
Pos.
71
BOSCH Sicherungsring 14x1MM DIN 471 | Ersatzteile für Bohrmaschine | 2916652005
Hersteller: BOSCH
Artikelnummer: EB-0601105003-2916652005
nur Informationsartikel
Nie mehr lieferbar
keine Alternativen
Pos.
74
BOSCH Kugel 3 MM DIN 5401 | Ersatzteile für Bohrmaschine | 1903230304
Hersteller: BOSCH
Artikelnummer: EB-0601105003-1903230304
nur Informationsartikel
Nie mehr lieferbar
keine Alternativen
Pos.
77
BOSCH Zylinderschraube M3x6,5-4.8 | Ersatzteile für Bohrmaschine | 2603410001
Hersteller: BOSCH
Artikelnummer: EB-0601105003-2603410001
Netto: 3,94 € zzgl. MwSt.
zzgl. 6,90 € Versand (brutto)
einmalig pro Bestellung

Lieferzeit: 5 Werktage

Stück
Pos.
78
BOSCH Rundgummi Ø3x9,5 MM | Ersatzteile für Bohrmaschine | 5541468300
Hersteller: BOSCH
Artikelnummer: EB-0601105003-5541468300
nur Informationsartikel
Nie mehr lieferbar
keine Alternativen
Pos.
650
BOSCH Zahnkranzbohrfutter Ø1,0-10MM,1/2" | Ersatzteile für Bohrmaschine | 1608571081
Hersteller: BOSCH
Artikelnummer: EB-0601105003-1608571081
Netto: 24,13 € zzgl. MwSt.
zzgl. 6,90 € Versand (brutto)
einmalig pro Bestellung

Lieferzeit: 5 Werktage

Stück
Pos.
800
BOSCH Sinterbuchse | Ersatzteile für Bohrmaschine | 1600301900
Hersteller: BOSCH
Artikelnummer: EB-0601105003-1600301900
nur Informationsartikel
Nie mehr lieferbar
keine Alternativen
Pos.
802
BOSCH Ersatzteilgruppe BLAU | Ersatzteile für Bohrmaschine | 1605104910
Hersteller: BOSCH
Artikelnummer: EB-0601105003-1605104910
nur Informationsartikel
Nie mehr lieferbar
keine Alternativen
Pos.
802
BOSCH Ersatzteilgruppe GRUEN | Ersatzteile für Bohrmaschine | 1605104923
Hersteller: BOSCH
Artikelnummer: EB-0601105003-1605104923
nur Informationsartikel
Nie mehr lieferbar
keine Alternativen
Pos.
805
BOSCH Bürstenhalter | Ersatzteile für Bohrmaschine | 1601323901
Hersteller: BOSCH
Artikelnummer: EB-0601105003-1601323901
nur Informationsartikel
Nie mehr lieferbar
keine Alternativen
Pos.
807
BOSCH Kohlebürste | Ersatzteile für Bohrmaschine | 1604321900
Hersteller: BOSCH
Artikelnummer: EB-0601105003-1604321900
nur Informationsartikel
Nie mehr lieferbar
keine Alternativen
Pos.
808
BOSCH Ersatzteilgruppe | Ersatzteile für Bohrmaschine | 1605807906
Hersteller: BOSCH
Artikelnummer: EB-0601105003-1605807906
nur Informationsartikel
Nie mehr lieferbar
keine Alternativen

Angaben zur Produktsicherheit

Hersteller:
Robert Bosch Power Tools GmbH
Postfach 30 02 20
70442 Stuttgart

E-Mail:
kontakt@bosch.de