BOSCH CALADORA MAGNUM - 0603219379

Artikelnummer: EB-0603219379

Position:

Marke: BOSCH


Bitte Kompatibilität prüfen!

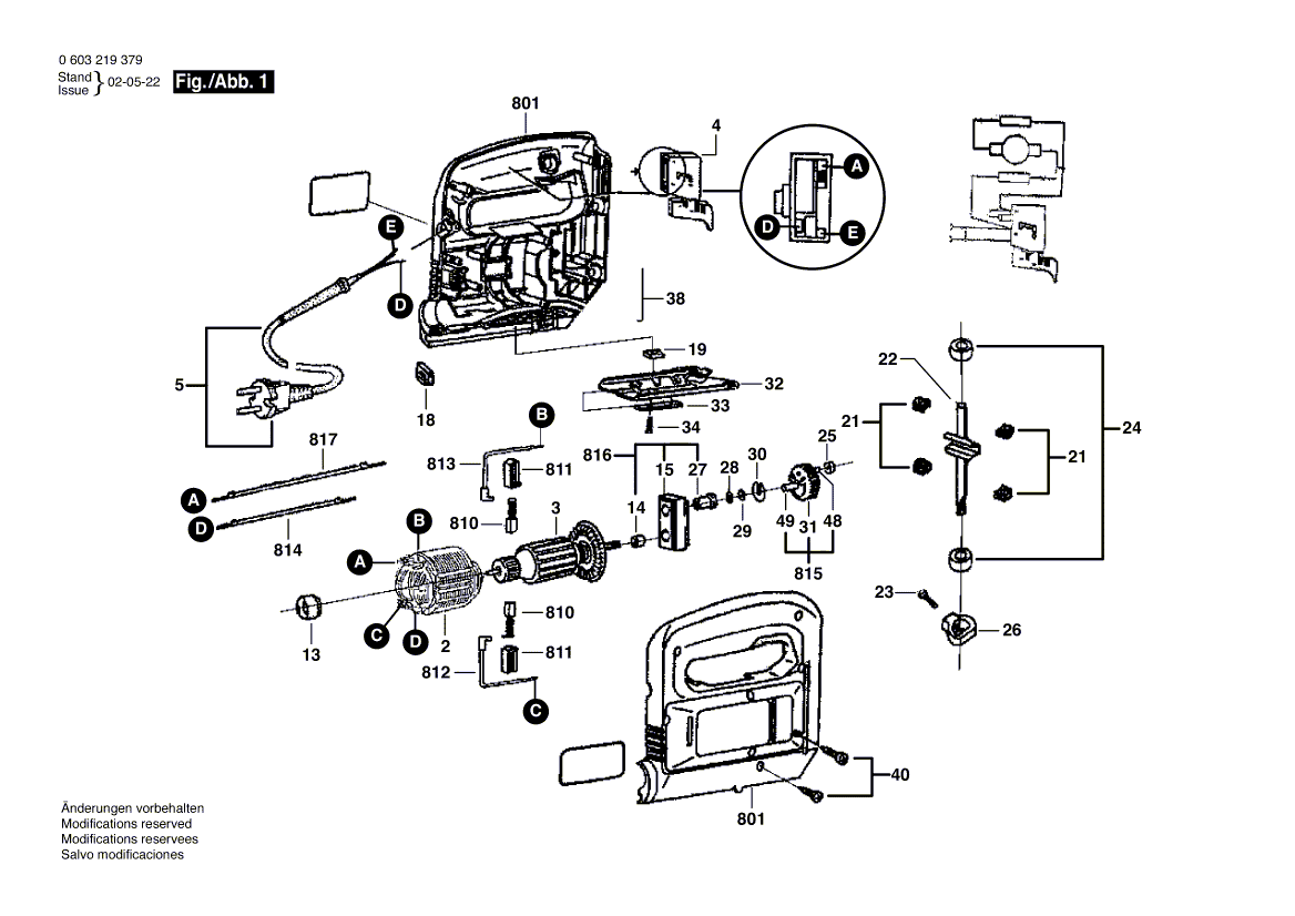
Bitte prüfen Sie unbedingt die 10-stellige Typennummer Ihrer Maschine / Ihres Gerätes. Das Ersatzteil ist nur kompatibel, wenn Sie die Typennummer Ihrer Maschine in der unten stehenden Produktbeschreibung finden.

Bitte prüfen Sie ebenfalls detailliert die Explosionszeichnung mit Ihrem Artikelwunsch und der jeweiligen Pos-Nummer.

Alle Elemente, welche vom schwarzen Strich der Pos-Nummer ausgehend berührt / erfasst werden, gehören zu dieser Pos-Nummer und somit zu diesem Artikel. Jede Pos-Nummer ist ein eigenständiger Artikel, welchen Sie in der Auflistung finden.

Sie erhalten stets die aktuellste, neueste Produktversion zu der gewählten Pos-Nummer seitens des Herstellers. Es kann daher je nach Gerätealter vorkommen, dass Sie ggf. weitere, zugehörige Elemente, welche an diese Pos-Nummer grenzen, ebenfalls mittauschen müssen.

Nähere Informationen finden Sie unter dem Link
Hinweise zu Ihrer BOSCH Ersatzteilsuche

Beschreibung

Die aufgelisteten BOSCH Ersatzteile sind mit folgendem Gerät und Modell kompatibel:

BOSCH Gerätename:CALADORA MAGNUM
BOSCH Typennummer:0603219379
alternative Schreibweisen:0 603 219 379, 0603 219 379, 0.603.219.379, 0-603-219-379

Bitte prüfen Sie die Typennummer auf Ihrem Gerät um die Kompatibilität des BOSCH Ersatzteils zu gewährleisten.

Die passenden Ersatzteile des BOSCH CALADORA MAGNUM (Hw-Stichsäge) mit der Typennummer 0603219379 finden Sie in der nachfolgenden Darstellung geordnet nach der Positionsnummern aus der Explosionszeichnung:

Pos.
2
BOSCH Polschuh 220V | Ersatzteile für CALADORA MAGNUM | 9618089467
Hersteller: BOSCH
Artikelnummer: EB-0603219379-9618089467
nur Informationsartikel
Nie mehr lieferbar
keine Alternativen
Pos.
3
BOSCH Anker 220V | Ersatzteile für CALADORA MAGNUM | 9618089469
Hersteller: BOSCH
Artikelnummer: EB-0603219379-9618089469
nur Informationsartikel
Nie mehr lieferbar
keine Alternativen
Pos.
4
BOSCH Ein/Aus-Schalter | Ersatzteile für CALADORA MAGNUM | 9618087097
Hersteller: BOSCH
Artikelnummer: EB-0603219379-9618087097
nur Informationsartikel
Nie mehr lieferbar
keine Alternativen
Pos.
5
BOSCH Netzanschlussleitung | Ersatzteile für CALADORA MAGNUM | F000600302
Hersteller: BOSCH
Artikelnummer: EB-0603219379-F000600302
nur Informationsartikel
Nie mehr lieferbar
keine Alternativen
Pos.
13
BOSCH Rillenkugellager 8x22x7 | Ersatzteile für CALADORA MAGNUM | 1600905011
Hersteller: BOSCH
Artikelnummer: EB-0603219379-1600905011
Netto: 6,70 € zzgl. MwSt.
zzgl. 6,90 € Versand (brutto)
einmalig pro Bestellung

Lieferzeit: 5 Werktage

Stück
Pos.
14
BOSCH Nadellager Ø8x8 MM | Ersatzteile für CALADORA MAGNUM | 2600917003
Hersteller: BOSCH
Artikelnummer: EB-0603219379-2600917003
Netto: 4,82 € zzgl. MwSt.
zzgl. 6,90 € Versand (brutto)
einmalig pro Bestellung

Lieferzeit: 5 Werktage

Stück
Pos.
15
BOSCH Lagerbrücke | Ersatzteile für CALADORA MAGNUM | F000613005
Hersteller: BOSCH
Artikelnummer: EB-0603219379-F000613005
Netto: 6,34 € zzgl. MwSt.
zzgl. 6,90 € Versand (brutto)
einmalig pro Bestellung

Lieferzeit: 5 Werktage

Stück
Pos.
18
BOSCH Lagerdeckel | Ersatzteile für CALADORA MAGNUM | 9618089470
Hersteller: BOSCH
Artikelnummer: EB-0603219379-9618089470
nur Informationsartikel
Nie mehr lieferbar
keine Alternativen
Pos.
19
BOSCH Befestigungsplatte | Ersatzteile für CALADORA MAGNUM | 2601030006
Hersteller: BOSCH
Artikelnummer: EB-0603219379-2601030006
nur Informationsartikel
Nie mehr lieferbar
keine Alternativen
Pos.
21
BOSCH Schmierfilz | Ersatzteile für CALADORA MAGNUM | 2601020007
Hersteller: BOSCH
Artikelnummer: EB-0603219379-2601020007
Netto: 3,94 € zzgl. MwSt.
zzgl. 6,90 € Versand (brutto)
einmalig pro Bestellung

Lieferzeit: 5 Werktage

Stück
Pos.
22
BOSCH Stösselstange | Ersatzteile für CALADORA MAGNUM | 2610991256
Hersteller: BOSCH
Artikelnummer: EB-0603219379-2610991256
nur Informationsartikel
Nie mehr lieferbar
keine Alternativen
Pos.
23
BOSCH Zylinderschraube DIN 84-AM5x15-5.8 | Ersatzteile für CALADORA MAGNUM | 2910011157
Hersteller: BOSCH
Artikelnummer: EB-0603219379-2910011157
nur Informationsartikel
Nie mehr lieferbar
keine Alternativen
Pos.
24
BOSCH Sinterbuchse | Ersatzteile für CALADORA MAGNUM | F000615000
Hersteller: BOSCH
Artikelnummer: EB-0603219379-F000615000
nur Informationsartikel
Nie mehr lieferbar
keine Alternativen
Pos.
25
BOSCH Kegelrolle | Ersatzteile für CALADORA MAGNUM | 9618089517
Hersteller: BOSCH
Artikelnummer: EB-0603219379-9618089517
nur Informationsartikel
Nie mehr lieferbar
keine Alternativen
Pos.
26
BOSCH Dichtmanschette | Ersatzteile für CALADORA MAGNUM | 9618089553
Hersteller: BOSCH
Artikelnummer: EB-0603219379-9618089553
Netto: 3,63 € zzgl. MwSt.
zzgl. 6,90 € Versand (brutto)
einmalig pro Bestellung

Lieferzeit: 5 Werktage

Stück
Pos.
27
BOSCH Lagerbuchse | Ersatzteile für CALADORA MAGNUM | 2600322003
Hersteller: BOSCH
Artikelnummer: EB-0603219379-2600322003
nur Informationsartikel
Nie mehr lieferbar
keine Alternativen
Pos.
28
BOSCH Federscheibe | Ersatzteile für CALADORA MAGNUM | 2600190040
Hersteller: BOSCH
Artikelnummer: EB-0603219379-2600190040
nur Informationsartikel
Nie mehr lieferbar
keine Alternativen
Pos.
29
BOSCH Ausgleichscheibe 0,5 MM | Ersatzteile für CALADORA MAGNUM | 2600100505
Hersteller: BOSCH
Artikelnummer: EB-0603219379-2600100505
nur Informationsartikel
Nie mehr lieferbar
keine Alternativen
Pos.
30
BOSCH Ausgleichscheibe 0,6 MM | Ersatzteile für CALADORA MAGNUM | 2600040002
Hersteller: BOSCH
Artikelnummer: EB-0603219379-2600040002
nur Informationsartikel
Nie mehr lieferbar
keine Alternativen
Pos.
31
BOSCH Zahnrad | Ersatzteile für CALADORA MAGNUM | F000617012
Hersteller: BOSCH
Artikelnummer: EB-0603219379-F000617012
nur Informationsartikel
Nie mehr lieferbar
keine Alternativen
Pos.
32
BOSCH Grundplatte | Ersatzteile für CALADORA MAGNUM | F000600121
Hersteller: BOSCH
Artikelnummer: EB-0603219379-F000600121
nur Informationsartikel
Nie mehr lieferbar
keine Alternativen
Pos.
33
BOSCH Platte | Ersatzteile für CALADORA MAGNUM | 9618083349
Hersteller: BOSCH
Artikelnummer: EB-0603219379-9618083349
nur Informationsartikel
Nie mehr lieferbar
keine Alternativen
Pos.
34
BOSCH Zylinderschraube DIN 84-AM4x12-8.8 | Ersatzteile für CALADORA MAGNUM | 2910021122
Hersteller: BOSCH
Artikelnummer: EB-0603219379-2910021122
Netto: 4,32 € zzgl. MwSt.
zzgl. 6,90 € Versand (brutto)
einmalig pro Bestellung

Lieferzeit: 5 Werktage

Stück
Pos.
38
BOSCH Stift | Ersatzteile für CALADORA MAGNUM | 2603105051
Hersteller: BOSCH
Artikelnummer: EB-0603219379-2603105051
nur Informationsartikel
Nie mehr lieferbar
keine Alternativen
Pos.
40
BOSCH Blechschraube 4x16 MM | Ersatzteile für CALADORA MAGNUM | 9618087099
Hersteller: BOSCH
Artikelnummer: EB-0603219379-9618087099
nur Informationsartikel
Nie mehr lieferbar
keine Alternativen
Pos.
48
BOSCH Lagerbolzen | Ersatzteile für CALADORA MAGNUM | 2603100047
Hersteller: BOSCH
Artikelnummer: EB-0603219379-2603100047
nur Informationsartikel
Nie mehr lieferbar
keine Alternativen
Pos.
49
BOSCH Zylinderstift DIN 6325-5M6x16 | Ersatzteile für CALADORA MAGNUM | 2917530120
Hersteller: BOSCH
Artikelnummer: EB-0603219379-2917530120
nur Informationsartikel
Nie mehr lieferbar
keine Alternativen
Pos.
801
BOSCH Teilesatz | Ersatzteile für CALADORA MAGNUM | 9618089630
Hersteller: BOSCH
Artikelnummer: EB-0603219379-9618089630
nur Informationsartikel
Nie mehr lieferbar
keine Alternativen
Pos.
810
BOSCH Kohlebürste | Ersatzteile für CALADORA MAGNUM | 9618086870
Hersteller: BOSCH
Artikelnummer: EB-0603219379-9618086870
Netto: 7,76 € zzgl. MwSt.
zzgl. 6,90 € Versand (brutto)
einmalig pro Bestellung

Lieferzeit: 5 Werktage

Stück
Pos.
811
BOSCH Bürstenhalter | Ersatzteile für CALADORA MAGNUM | 9618086695
Hersteller: BOSCH
Artikelnummer: EB-0603219379-9618086695
nur Informationsartikel
Nie mehr lieferbar
keine Alternativen
Pos.
812
BOSCH Elektr Leitung | Ersatzteile für CALADORA MAGNUM | 9618089472
Hersteller: BOSCH
Artikelnummer: EB-0603219379-9618089472
nur Informationsartikel
Nie mehr lieferbar
keine Alternativen
Pos.
813
BOSCH Verbindungsleitung | Ersatzteile für CALADORA MAGNUM | 9618086959
Hersteller: BOSCH
Artikelnummer: EB-0603219379-9618086959
Netto: 3,95 € zzgl. MwSt.
zzgl. 6,90 € Versand (brutto)
einmalig pro Bestellung

Lieferzeit: 5 Werktage

Stück
Pos.
814
BOSCH Verbindungsleitung L=184 MM WEISS | Ersatzteile für CALADORA MAGNUM | 2604448001
Hersteller: BOSCH
Artikelnummer: EB-0603219379-2604448001
nur Informationsartikel
Nie mehr lieferbar
keine Alternativen
Pos.
815
BOSCH Exzenterzahnrad Z=49 | Ersatzteile für CALADORA MAGNUM | 2606316900
Hersteller: BOSCH
Artikelnummer: EB-0603219379-2606316900
Netto: 9,20 € zzgl. MwSt.
zzgl. 6,90 € Versand (brutto)
einmalig pro Bestellung

Lieferzeit: 5 Werktage

Stück
Pos.
816
BOSCH Lagerbrücke | Ersatzteile für CALADORA MAGNUM | F000613006
Hersteller: BOSCH
Artikelnummer: EB-0603219379-F000613006
Netto: 9,95 € zzgl. MwSt.
zzgl. 6,90 € Versand (brutto)
einmalig pro Bestellung

Lieferzeit: 5 Werktage

Stück
Pos.
817
BOSCH Verbindungsleitung | Ersatzteile für CALADORA MAGNUM | F000610005
Hersteller: BOSCH
Artikelnummer: EB-0603219379-F000610005
nur Informationsartikel
Nie mehr lieferbar
keine Alternativen

Angaben zur Produktsicherheit

Hersteller:
Robert Bosch Power Tools GmbH
Postfach 30 02 20
70442 Stuttgart

E-Mail:
kontakt@bosch.de