BOSCH CGT 8-65 W - 3601D90A10

Artikelnummer: EB-3601D90A10

Position:

Marke: BOSCH


Bitte Kompatibilität prüfen!

Bitte prüfen Sie unbedingt die 10-stellige Typennummer Ihrer Maschine / Ihres Gerätes. Das Ersatzteil ist nur kompatibel, wenn Sie die Typennummer Ihrer Maschine in der unten stehenden Produktbeschreibung finden.

Bitte prüfen Sie ebenfalls detailliert die Explosionszeichnung mit Ihrem Artikelwunsch und der jeweiligen Pos-Nummer.

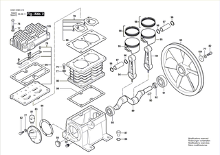
Alle Elemente, welche vom schwarzen Strich der Pos-Nummer ausgehend berührt / erfasst werden, gehören zu dieser Pos-Nummer und somit zu diesem Artikel. Jede Pos-Nummer ist ein eigenständiger Artikel, welchen Sie in der Auflistung finden.

Sie erhalten stets die aktuellste, neueste Produktversion zu der gewählten Pos-Nummer seitens des Herstellers. Es kann daher je nach Gerätealter vorkommen, dass Sie ggf. weitere, zugehörige Elemente, welche an diese Pos-Nummer grenzen, ebenfalls mittauschen müssen.

Nähere Informationen finden Sie unter dem Link
Hinweise zu Ihrer BOSCH Ersatzteilsuche

Beschreibung

Die aufgelisteten BOSCH Ersatzteile sind mit folgendem Gerät und Modell kompatibel:

BOSCH Gerätename:CGT 8-65 W
BOSCH Typennummer:3601D90A10
alternative Schreibweisen:3 601 D90 A10, 3601 D90 A10, 3.601.D90.A10, 3-601-D90-A10

Bitte prüfen Sie die Typennummer auf Ihrem Gerät um die Kompatibilität des BOSCH Ersatzteils zu gewährleisten.

Die passenden Ersatzteile des BOSCH CGT 8-65 W mit der Typennummer 3601D90A10 finden Sie in der nachfolgenden Darstellung geordnet nach der Positionsnummern aus der Explosionszeichnung:

Pos.
1
BOSCH Scheibe | Ersatzteile für CGT 8-65 W | 2610006692
Hersteller: BOSCH
Artikelnummer: EB-3601D90A10-2610006692
nur Informationsartikel
Nie mehr lieferbar
keine Alternativen
Pos.
2
BOSCH Laufrad | Ersatzteile für CGT 8-65 W | 2610006693
Hersteller: BOSCH
Artikelnummer: EB-3601D90A10-2610006693
nur Informationsartikel
Nie mehr lieferbar
keine Alternativen
Pos.
3
BOSCH Achse | Ersatzteile für CGT 8-65 W | 2610006695
Hersteller: BOSCH
Artikelnummer: EB-3601D90A10-2610006695
nur Informationsartikel
Nie mehr lieferbar
keine Alternativen
Pos.
4
BOSCH Stift | Ersatzteile für CGT 8-65 W | 2610006696
Hersteller: BOSCH
Artikelnummer: EB-3601D90A10-2610006696
nur Informationsartikel
Nie mehr lieferbar
keine Alternativen
Pos.
5
BOSCH Tank | Ersatzteile für CGT 8-65 W | 2610006697
Hersteller: BOSCH
Artikelnummer: EB-3601D90A10-2610006697
nur Informationsartikel
Nie mehr lieferbar
keine Alternativen
Pos.
6
BOSCH Schraube | Ersatzteile für CGT 8-65 W | 2610006698
Hersteller: BOSCH
Artikelnummer: EB-3601D90A10-2610006698
nur Informationsartikel
Nie mehr lieferbar
keine Alternativen
Pos.
7
BOSCH Lagerbuchse | Ersatzteile für CGT 8-65 W | 2610006699
Hersteller: BOSCH
Artikelnummer: EB-3601D90A10-2610006699
nur Informationsartikel
Nie mehr lieferbar
keine Alternativen
Pos.
8
BOSCH Scheibe | Ersatzteile für CGT 8-65 W | 2610006700
Hersteller: BOSCH
Artikelnummer: EB-3601D90A10-2610006700
nur Informationsartikel
Nie mehr lieferbar
keine Alternativen
Pos.
9
BOSCH Mutter | Ersatzteile für CGT 8-65 W | 2610006701
Hersteller: BOSCH
Artikelnummer: EB-3601D90A10-2610006701
nur Informationsartikel
Nie mehr lieferbar
keine Alternativen
Pos.
10
BOSCH Schraube | Ersatzteile für CGT 8-65 W | 2610006702
Hersteller: BOSCH
Artikelnummer: EB-3601D90A10-2610006702
nur Informationsartikel
Nie mehr lieferbar
keine Alternativen
Pos.
11
BOSCH Lagerbuchse | Ersatzteile für CGT 8-65 W | 2610006703
Hersteller: BOSCH
Artikelnummer: EB-3601D90A10-2610006703
nur Informationsartikel
Nie mehr lieferbar
keine Alternativen
Pos.
12
BOSCH Stützwinkel | Ersatzteile für CGT 8-65 W | 2610006704
Hersteller: BOSCH
Artikelnummer: EB-3601D90A10-2610006704
nur Informationsartikel
Nie mehr lieferbar
keine Alternativen
Pos.
13
BOSCH Scheibe | Ersatzteile für CGT 8-65 W | 2610006705
Hersteller: BOSCH
Artikelnummer: EB-3601D90A10-2610006705
nur Informationsartikel
Nie mehr lieferbar
keine Alternativen
Pos.
14
BOSCH Schraube | Ersatzteile für CGT 8-65 W | 2610007717
Hersteller: BOSCH
Artikelnummer: EB-3601D90A10-2610007717
nur Informationsartikel
Nie mehr lieferbar
keine Alternativen
Pos.
15
BOSCH Verschlussstopfen | Ersatzteile für CGT 8-65 W | 2610007718
Hersteller: BOSCH
Artikelnummer: EB-3601D90A10-2610007718
nur Informationsartikel
Nie mehr lieferbar
keine Alternativen
Pos.
16
BOSCH Einlage | Ersatzteile für CGT 8-65 W | 2610006804
Hersteller: BOSCH
Artikelnummer: EB-3601D90A10-2610006804
nur Informationsartikel
Nie mehr lieferbar
keine Alternativen
Pos.
17
BOSCH Schlauchleitung | Ersatzteile für CGT 8-65 W | 2610006805
Hersteller: BOSCH
Artikelnummer: EB-3601D90A10-2610006805
nur Informationsartikel
Nie mehr lieferbar
keine Alternativen
Pos.
18
BOSCH Mutter | Ersatzteile für CGT 8-65 W | 2610006806
Hersteller: BOSCH
Artikelnummer: EB-3601D90A10-2610006806
nur Informationsartikel
Nie mehr lieferbar
keine Alternativen
Pos.
19
BOSCH Ventil | Ersatzteile für CGT 8-65 W | 2610006807
Hersteller: BOSCH
Artikelnummer: EB-3601D90A10-2610006807
nur Informationsartikel
Nie mehr lieferbar
keine Alternativen
Pos.
20
BOSCH Schlauchleitung | Ersatzteile für CGT 8-65 W | 2610006723
Hersteller: BOSCH
Artikelnummer: EB-3601D90A10-2610006723
nur Informationsartikel
Nie mehr lieferbar
keine Alternativen
Pos.
21
BOSCH Winkelstutzen | Ersatzteile für CGT 8-65 W | 2610006808
Hersteller: BOSCH
Artikelnummer: EB-3601D90A10-2610006808
nur Informationsartikel
Nie mehr lieferbar
keine Alternativen
Pos.
22
BOSCH Schraube | Ersatzteile für CGT 8-65 W | 2610006809
Hersteller: BOSCH
Artikelnummer: EB-3601D90A10-2610006809
nur Informationsartikel
Nie mehr lieferbar
keine Alternativen
Pos.
23
BOSCH Scheibe | Ersatzteile für CGT 8-65 W | 2610006732
Hersteller: BOSCH
Artikelnummer: EB-3601D90A10-2610006732
nur Informationsartikel
Nie mehr lieferbar
keine Alternativen
Pos.
24
BOSCH Schlüssel | Ersatzteile für CGT 8-65 W | 2610006729
Hersteller: BOSCH
Artikelnummer: EB-3601D90A10-2610006729
nur Informationsartikel
Nie mehr lieferbar
keine Alternativen
Pos.
25
BOSCH Mutter | Ersatzteile für CGT 8-65 W | 2610006727
Hersteller: BOSCH
Artikelnummer: EB-3601D90A10-2610006727
nur Informationsartikel
Nie mehr lieferbar
keine Alternativen
Pos.
26
BOSCH Elektromotor | Ersatzteile für CGT 8-65 W | 2610006812
Hersteller: BOSCH
Artikelnummer: EB-3601D90A10-2610006812
nur Informationsartikel
Nie mehr lieferbar
keine Alternativen
Pos.
27
BOSCH Distanzstück | Ersatzteile für CGT 8-65 W | 2610006813
Hersteller: BOSCH
Artikelnummer: EB-3601D90A10-2610006813
nur Informationsartikel
Nie mehr lieferbar
keine Alternativen
Pos.
28
BOSCH Stützwinkel | Ersatzteile für CGT 8-65 W | 2610006814
Hersteller: BOSCH
Artikelnummer: EB-3601D90A10-2610006814
nur Informationsartikel
Nie mehr lieferbar
keine Alternativen
Pos.
29
BOSCH Laufbolzen | Ersatzteile für CGT 8-65 W | 2610006815
Hersteller: BOSCH
Artikelnummer: EB-3601D90A10-2610006815
nur Informationsartikel
Nie mehr lieferbar
keine Alternativen
Pos.
30
BOSCH Riemenschutz | Ersatzteile für CGT 8-65 W | 2610006734
Hersteller: BOSCH
Artikelnummer: EB-3601D90A10-2610006734
nur Informationsartikel
Nie mehr lieferbar
keine Alternativen
Pos.
31
BOSCH Steckerleiste | Ersatzteile für CGT 8-65 W | 2610006735
Hersteller: BOSCH
Artikelnummer: EB-3601D90A10-2610006735
nur Informationsartikel
Nie mehr lieferbar
keine Alternativen
Pos.
32
BOSCH Riemenscheibe | Ersatzteile für CGT 8-65 W | 2610006816
Hersteller: BOSCH
Artikelnummer: EB-3601D90A10-2610006816
nur Informationsartikel
Nie mehr lieferbar
keine Alternativen
Pos.
33
BOSCH Glocke | Ersatzteile für CGT 8-65 W | 2610006817
Hersteller: BOSCH
Artikelnummer: EB-3601D90A10-2610006817
nur Informationsartikel
Nie mehr lieferbar
keine Alternativen
Pos.
34
BOSCH Lagerbuchse | Ersatzteile für CGT 8-65 W | 2610006818
Hersteller: BOSCH
Artikelnummer: EB-3601D90A10-2610006818
nur Informationsartikel
Nie mehr lieferbar
keine Alternativen
Pos.
35
BOSCH Schraube | Ersatzteile für CGT 8-65 W | 2610006739
Hersteller: BOSCH
Artikelnummer: EB-3601D90A10-2610006739
nur Informationsartikel
Nie mehr lieferbar
keine Alternativen
Pos.
36
BOSCH Kantenpolster | Ersatzteile für CGT 8-65 W | 2610006740
Hersteller: BOSCH
Artikelnummer: EB-3601D90A10-2610006740
nur Informationsartikel
Nie mehr lieferbar
keine Alternativen
Pos.
37
BOSCH Riemenschutz | Ersatzteile für CGT 8-65 W | 2610006741
Hersteller: BOSCH
Artikelnummer: EB-3601D90A10-2610006741
nur Informationsartikel
Nie mehr lieferbar
keine Alternativen
Pos.
38
BOSCH Laufbolzen | Ersatzteile für CGT 8-65 W | 2610006742
Hersteller: BOSCH
Artikelnummer: EB-3601D90A10-2610006742
nur Informationsartikel
Nie mehr lieferbar
keine Alternativen
Pos.
39
BOSCH Mutter | Ersatzteile für CGT 8-65 W | 2610006743
Hersteller: BOSCH
Artikelnummer: EB-3601D90A10-2610006743
nur Informationsartikel
Nie mehr lieferbar
keine Alternativen
Pos.
40
BOSCH Scheibe | Ersatzteile für CGT 8-65 W | 2610006744
Hersteller: BOSCH
Artikelnummer: EB-3601D90A10-2610006744
nur Informationsartikel
Nie mehr lieferbar
keine Alternativen
Pos.
41
BOSCH Schraube | Ersatzteile für CGT 8-65 W | 2610006747
Hersteller: BOSCH
Artikelnummer: EB-3601D90A10-2610006747
nur Informationsartikel
Nie mehr lieferbar
keine Alternativen
Pos.
42
BOSCH Luftpumpe | Ersatzteile für CGT 8-65 W | 2610006819
Hersteller: BOSCH
Artikelnummer: EB-3601D90A10-2610006819
nur Informationsartikel
Nie mehr lieferbar
keine Alternativen
Pos.
43
BOSCH Filter | Ersatzteile für CGT 8-65 W | 2610006745
Hersteller: BOSCH
Artikelnummer: EB-3601D90A10-2610006745
nur Informationsartikel
Nie mehr lieferbar
keine Alternativen
Pos.
44
BOSCH Luftfilter | Ersatzteile für CGT 8-65 W | 2610006746
Hersteller: BOSCH
Artikelnummer: EB-3601D90A10-2610006746
nur Informationsartikel
Nie mehr lieferbar
keine Alternativen
Pos.
45
BOSCH Scheibe | Ersatzteile für CGT 8-65 W | 2610006726
Hersteller: BOSCH
Artikelnummer: EB-3601D90A10-2610006726
nur Informationsartikel
Nie mehr lieferbar
keine Alternativen
Pos.
46
BOSCH Schraube | Ersatzteile für CGT 8-65 W | 2610006725
Hersteller: BOSCH
Artikelnummer: EB-3601D90A10-2610006725
nur Informationsartikel
Nie mehr lieferbar
keine Alternativen
Pos.
47
BOSCH Ventil | Ersatzteile für CGT 8-65 W | 2610006820
Hersteller: BOSCH
Artikelnummer: EB-3601D90A10-2610006820
nur Informationsartikel
Nie mehr lieferbar
keine Alternativen
Pos.
48
BOSCH Schraube | Ersatzteile für CGT 8-65 W | 2610006752
Hersteller: BOSCH
Artikelnummer: EB-3601D90A10-2610006752
nur Informationsartikel
Nie mehr lieferbar
keine Alternativen
Pos.
49
BOSCH Block | Ersatzteile für CGT 8-65 W | 2610006755
Hersteller: BOSCH
Artikelnummer: EB-3601D90A10-2610006755
nur Informationsartikel
Nie mehr lieferbar
keine Alternativen
Pos.
50
BOSCH Verschlussstopfen | Ersatzteile für CGT 8-65 W | 2610006707
Hersteller: BOSCH
Artikelnummer: EB-3601D90A10-2610006707
nur Informationsartikel
Nie mehr lieferbar
keine Alternativen
Pos.
51
BOSCH Steckbuchse | Ersatzteile für CGT 8-65 W | 2610006756
Hersteller: BOSCH
Artikelnummer: EB-3601D90A10-2610006756
nur Informationsartikel
Nie mehr lieferbar
keine Alternativen
Pos.
52
BOSCH Klemmschelle | Ersatzteile für CGT 8-65 W | 2610006757
Hersteller: BOSCH
Artikelnummer: EB-3601D90A10-2610006757
nur Informationsartikel
Nie mehr lieferbar
keine Alternativen
Pos.
53
BOSCH Schlauchleitung | Ersatzteile für CGT 8-65 W | 2610006758
Hersteller: BOSCH
Artikelnummer: EB-3601D90A10-2610006758
nur Informationsartikel
Nie mehr lieferbar
keine Alternativen
Pos.
54
BOSCH Winkelstutzen | Ersatzteile für CGT 8-65 W | 2610006759
Hersteller: BOSCH
Artikelnummer: EB-3601D90A10-2610006759
nur Informationsartikel
Nie mehr lieferbar
keine Alternativen
Pos.
55
BOSCH Ventil | Ersatzteile für CGT 8-65 W | 2610006754
Hersteller: BOSCH
Artikelnummer: EB-3601D90A10-2610006754
nur Informationsartikel
Nie mehr lieferbar
keine Alternativen
Pos.
56
BOSCH Lagerbuchse | Ersatzteile für CGT 8-65 W | 2610006753
Hersteller: BOSCH
Artikelnummer: EB-3601D90A10-2610006753
nur Informationsartikel
Nie mehr lieferbar
keine Alternativen
Pos.
57
BOSCH Druckmesser | Ersatzteile für CGT 8-65 W | 2610006762
Hersteller: BOSCH
Artikelnummer: EB-3601D90A10-2610006762
nur Informationsartikel
Nie mehr lieferbar
keine Alternativen
Pos.
58
BOSCH Reduzierhülse | Ersatzteile für CGT 8-65 W | 2610006763
Hersteller: BOSCH
Artikelnummer: EB-3601D90A10-2610006763
nur Informationsartikel
Nie mehr lieferbar
keine Alternativen
Pos.
59
BOSCH Nippel | Ersatzteile für CGT 8-65 W | 2610006764
Hersteller: BOSCH
Artikelnummer: EB-3601D90A10-2610006764
nur Informationsartikel
Nie mehr lieferbar
keine Alternativen
Pos.
60
BOSCH Regler | Ersatzteile für CGT 8-65 W | 2610006765
Hersteller: BOSCH
Artikelnummer: EB-3601D90A10-2610006765
nur Informationsartikel
Nie mehr lieferbar
keine Alternativen
Pos.
61
BOSCH Verschlussstopfen | Ersatzteile für CGT 8-65 W | 2610006766
Hersteller: BOSCH
Artikelnummer: EB-3601D90A10-2610006766
nur Informationsartikel
Nie mehr lieferbar
keine Alternativen
Pos.
62
BOSCH Steckbuchse | Ersatzteile für CGT 8-65 W | 2610006767
Hersteller: BOSCH
Artikelnummer: EB-3601D90A10-2610006767
nur Informationsartikel
Nie mehr lieferbar
keine Alternativen
Pos.
63
BOSCH Block | Ersatzteile für CGT 8-65 W | 2610006760
Hersteller: BOSCH
Artikelnummer: EB-3601D90A10-2610006760
nur Informationsartikel
Nie mehr lieferbar
keine Alternativen
Pos.
64
BOSCH Verschlussstopfen | Ersatzteile für CGT 8-65 W | 2610006761
Hersteller: BOSCH
Artikelnummer: EB-3601D90A10-2610006761
nur Informationsartikel
Nie mehr lieferbar
keine Alternativen
Pos.
65
BOSCH Schlauchleitung | Ersatzteile für CGT 8-65 W | 2610006768
Hersteller: BOSCH
Artikelnummer: EB-3601D90A10-2610006768
nur Informationsartikel
Nie mehr lieferbar
keine Alternativen
Pos.
66
BOSCH Einlage | Ersatzteile für CGT 8-65 W | 2610006769
Hersteller: BOSCH
Artikelnummer: EB-3601D90A10-2610006769
nur Informationsartikel
Nie mehr lieferbar
keine Alternativen
Pos.
67
BOSCH Manschette | Ersatzteile für CGT 8-65 W | 2610006770
Hersteller: BOSCH
Artikelnummer: EB-3601D90A10-2610006770
nur Informationsartikel
Nie mehr lieferbar
keine Alternativen
Pos.
68
BOSCH Winkelstutzen | Ersatzteile für CGT 8-65 W | 2610006771
Hersteller: BOSCH
Artikelnummer: EB-3601D90A10-2610006771
nur Informationsartikel
Nie mehr lieferbar
keine Alternativen
Pos.
69
BOSCH Stützwinkel | Ersatzteile für CGT 8-65 W | 2610006772
Hersteller: BOSCH
Artikelnummer: EB-3601D90A10-2610006772
nur Informationsartikel
Nie mehr lieferbar
keine Alternativen
Pos.
70
BOSCH Ventil | Ersatzteile für CGT 8-65 W | 2610006773
Hersteller: BOSCH
Artikelnummer: EB-3601D90A10-2610006773
nur Informationsartikel
Nie mehr lieferbar
keine Alternativen
Pos.
71
BOSCH Winkelstutzen | Ersatzteile für CGT 8-65 W | 2610006774
Hersteller: BOSCH
Artikelnummer: EB-3601D90A10-2610006774
nur Informationsartikel
Nie mehr lieferbar
keine Alternativen
Pos.
72
BOSCH Winkelstutzen | Ersatzteile für CGT 8-65 W | 2610007719
Hersteller: BOSCH
Artikelnummer: EB-3601D90A10-2610007719
nur Informationsartikel
Nie mehr lieferbar
keine Alternativen
Pos.
73
BOSCH T-Stutzen | Ersatzteile für CGT 8-65 W | 2610006775
Hersteller: BOSCH
Artikelnummer: EB-3601D90A10-2610006775
nur Informationsartikel
Nie mehr lieferbar
keine Alternativen
Pos.
74
BOSCH Winkelstutzen | Ersatzteile für CGT 8-65 W | 2610007712
Hersteller: BOSCH
Artikelnummer: EB-3601D90A10-2610007712
nur Informationsartikel
Nie mehr lieferbar
keine Alternativen
Pos.
75
BOSCH Laufbolzen | Ersatzteile für CGT 8-65 W | 2610007714
Hersteller: BOSCH
Artikelnummer: EB-3601D90A10-2610007714
nur Informationsartikel
Nie mehr lieferbar
keine Alternativen
Pos.
76
BOSCH Laufbolzen | Ersatzteile für CGT 8-65 W | 2610006821
Hersteller: BOSCH
Artikelnummer: EB-3601D90A10-2610006821
nur Informationsartikel
Nie mehr lieferbar
keine Alternativen
Pos.
77
BOSCH Scheibe | Ersatzteile für CGT 8-65 W | 2610006779
Hersteller: BOSCH
Artikelnummer: EB-3601D90A10-2610006779
nur Informationsartikel
Nie mehr lieferbar
keine Alternativen
Pos.
78
BOSCH Montagesatz | Ersatzteile für CGT 8-65 W | 2610006822
Hersteller: BOSCH
Artikelnummer: EB-3601D90A10-2610006822
nur Informationsartikel
Nie mehr lieferbar
keine Alternativen
Pos.
79
BOSCH Laufbolzen | Ersatzteile für CGT 8-65 W | 2610006781
Hersteller: BOSCH
Artikelnummer: EB-3601D90A10-2610006781
nur Informationsartikel
Nie mehr lieferbar
keine Alternativen
Pos.
80
BOSCH Zylinder | Ersatzteile für CGT 8-65 W | 2610006823
Hersteller: BOSCH
Artikelnummer: EB-3601D90A10-2610006823
nur Informationsartikel
Nie mehr lieferbar
keine Alternativen
Pos.
81
BOSCH Ventil | Ersatzteile für CGT 8-65 W | 2610006824
Hersteller: BOSCH
Artikelnummer: EB-3601D90A10-2610006824
nur Informationsartikel
Nie mehr lieferbar
keine Alternativen
Pos.
82
BOSCH Laufbolzen | Ersatzteile für CGT 8-65 W | 2610006798
Hersteller: BOSCH
Artikelnummer: EB-3601D90A10-2610006798
nur Informationsartikel
Nie mehr lieferbar
keine Alternativen
Pos.
83
BOSCH Abdeckung | Ersatzteile für CGT 8-65 W | 2610006825
Hersteller: BOSCH
Artikelnummer: EB-3601D90A10-2610006825
nur Informationsartikel
Nie mehr lieferbar
keine Alternativen
Pos.
84
BOSCH Schauglas | Ersatzteile für CGT 8-65 W | 2610006826
Hersteller: BOSCH
Artikelnummer: EB-3601D90A10-2610006826
nur Informationsartikel
Nie mehr lieferbar
keine Alternativen
Pos.
85
BOSCH Befestigungshalter | Ersatzteile für CGT 8-65 W | 2610007720
Hersteller: BOSCH
Artikelnummer: EB-3601D90A10-2610007720
nur Informationsartikel
Nie mehr lieferbar
keine Alternativen
Pos.
86
BOSCH O-Ring | Ersatzteile für CGT 8-65 W | 2610006827
Hersteller: BOSCH
Artikelnummer: EB-3601D90A10-2610006827
nur Informationsartikel
Nie mehr lieferbar
keine Alternativen
Pos.
87
BOSCH Verschlussstopfen | Ersatzteile für CGT 8-65 W | 2610006828
Hersteller: BOSCH
Artikelnummer: EB-3601D90A10-2610006828
nur Informationsartikel
Nie mehr lieferbar
keine Alternativen
Pos.
88
BOSCH Kugellager | Ersatzteile für CGT 8-65 W | 2610006829
Hersteller: BOSCH
Artikelnummer: EB-3601D90A10-2610006829
nur Informationsartikel
Nie mehr lieferbar
keine Alternativen
Pos.
89
BOSCH Kurbelwelle | Ersatzteile für CGT 8-65 W | 2610006830
Hersteller: BOSCH
Artikelnummer: EB-3601D90A10-2610006830
nur Informationsartikel
Nie mehr lieferbar
keine Alternativen
Pos.
90
BOSCH Schlüssel | Ersatzteile für CGT 8-65 W | 2610006831
Hersteller: BOSCH
Artikelnummer: EB-3601D90A10-2610006831
nur Informationsartikel
Nie mehr lieferbar
keine Alternativen
Pos.
91
BOSCH Kugellager | Ersatzteile für CGT 8-65 W | 2610006832
Hersteller: BOSCH
Artikelnummer: EB-3601D90A10-2610006832
nur Informationsartikel
Nie mehr lieferbar
keine Alternativen
Pos.
92
BOSCH Dichtung | Ersatzteile für CGT 8-65 W | 2610006797
Hersteller: BOSCH
Artikelnummer: EB-3601D90A10-2610006797
nur Informationsartikel
Nie mehr lieferbar
keine Alternativen
Pos.
93
BOSCH Polrad | Ersatzteile für CGT 8-65 W | 2610006833
Hersteller: BOSCH
Artikelnummer: EB-3601D90A10-2610006833
nur Informationsartikel
Nie mehr lieferbar
keine Alternativen
Pos.
94
BOSCH Pleuelstange | Ersatzteile für CGT 8-65 W | 2610006834
Hersteller: BOSCH
Artikelnummer: EB-3601D90A10-2610006834
nur Informationsartikel
Nie mehr lieferbar
keine Alternativen
Pos.
95
BOSCH Kolben | Ersatzteile für CGT 8-65 W | 2610006835
Hersteller: BOSCH
Artikelnummer: EB-3601D90A10-2610006835
nur Informationsartikel
Nie mehr lieferbar
keine Alternativen
Pos.
96
BOSCH Haltering | Ersatzteile für CGT 8-65 W | 2610006836
Hersteller: BOSCH
Artikelnummer: EB-3601D90A10-2610006836
nur Informationsartikel
Nie mehr lieferbar
keine Alternativen
Pos.
97
BOSCH Kolbenbolzen | Ersatzteile für CGT 8-65 W | 2610006837
Hersteller: BOSCH
Artikelnummer: EB-3601D90A10-2610006837
nur Informationsartikel
Nie mehr lieferbar
keine Alternativen
Pos.
98
BOSCH Kolbenring | Ersatzteile für CGT 8-65 W | 2610006838
Hersteller: BOSCH
Artikelnummer: EB-3601D90A10-2610006838
nur Informationsartikel
Nie mehr lieferbar
keine Alternativen
Pos.
99
BOSCH Montagesatz | Ersatzteile für CGT 8-65 W | 2610006839
Hersteller: BOSCH
Artikelnummer: EB-3601D90A10-2610006839
nur Informationsartikel
Nie mehr lieferbar
keine Alternativen
Pos.
100
BOSCH Einklebeblatt | Ersatzteile für CGT 8-65 W | 2610006801
Hersteller: BOSCH
Artikelnummer: EB-3601D90A10-2610006801
nur Informationsartikel
Nie mehr lieferbar
keine Alternativen
Pos.
101
BOSCH Schlauchleitung | Ersatzteile für CGT 8-65 W | 2610007713
Hersteller: BOSCH
Artikelnummer: EB-3601D90A10-2610007713
nur Informationsartikel
Nie mehr lieferbar
keine Alternativen
Pos.
103
BOSCH Krawatte | Ersatzteile für CGT 8-65 W | 2610007721
Hersteller: BOSCH
Artikelnummer: EB-3601D90A10-2610007721
nur Informationsartikel
Nie mehr lieferbar
keine Alternativen
Pos.
104
BOSCH Scheibe | Ersatzteile für CGT 8-65 W | 2610007715
Hersteller: BOSCH
Artikelnummer: EB-3601D90A10-2610007715
nur Informationsartikel
Nie mehr lieferbar
keine Alternativen
Pos.
105
BOSCH Zylinderkopf | Ersatzteile für CGT 8-65 W | 2610007722
Hersteller: BOSCH
Artikelnummer: EB-3601D90A10-2610007722
nur Informationsartikel
Nie mehr lieferbar
keine Alternativen

Angaben zur Produktsicherheit

Hersteller:
Robert Bosch Power Tools GmbH
Postfach 30 02 20
70442 Stuttgart

E-Mail:
kontakt@bosch.de