BOSCH DIY ARCE - 3600HA7040

Artikelnummer: EB-3600HA7040

Position:

Marke: BOSCH


Bitte Kompatibilität prüfen!

Bitte prüfen Sie unbedingt die 10-stellige Typennummer Ihrer Maschine / Ihres Gerätes. Das Ersatzteil ist nur kompatibel, wenn Sie die Typennummer Ihrer Maschine in der unten stehenden Produktbeschreibung finden.

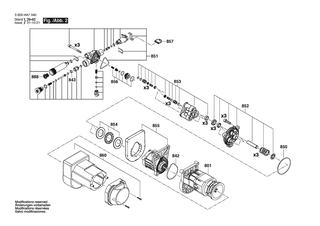
Bitte prüfen Sie ebenfalls detailliert die Explosionszeichnung mit Ihrem Artikelwunsch und der jeweiligen Pos-Nummer.

Alle Elemente, welche vom schwarzen Strich der Pos-Nummer ausgehend berührt / erfasst werden, gehören zu dieser Pos-Nummer und somit zu diesem Artikel. Jede Pos-Nummer ist ein eigenständiger Artikel, welchen Sie in der Auflistung finden.

Sie erhalten stets die aktuellste, neueste Produktversion zu der gewählten Pos-Nummer seitens des Herstellers. Es kann daher je nach Gerätealter vorkommen, dass Sie ggf. weitere, zugehörige Elemente, welche an diese Pos-Nummer grenzen, ebenfalls mittauschen müssen.

Nähere Informationen finden Sie unter dem Link
Hinweise zu Ihrer BOSCH Ersatzteilsuche

Beschreibung

Die aufgelisteten BOSCH Ersatzteile sind mit folgendem Gerät und Modell kompatibel:

BOSCH Gerätename:DIY ARCE
BOSCH Typennummer:3600HA7040
alternative Schreibweisen:3 600 HA7 040, 3600 HA7 040, 3.600.HA7.040, 3-600-HA7-040

Bitte prüfen Sie die Typennummer auf Ihrem Gerät um die Kompatibilität des BOSCH Ersatzteils zu gewährleisten.

Die passenden Ersatzteile des BOSCH DIY ARCE (Hochdruckreiniger) mit der Typennummer 3600HA7040 finden Sie in der nachfolgenden Darstellung geordnet nach der Positionsnummern aus der Explosionszeichnung:

Pos.
801
BOSCH Frontverkleidung | Ersatzteile für AQT 33-10 | F016F04448
Hersteller: BOSCH
Artikelnummer: EB-3600HA7040-F016F04448
Netto: 23,72 € zzgl. MwSt.
zzgl. 6,90 € Versand (brutto)
einmalig pro Bestellung

Lieferzeit: 5 Werktage

Stück
Pos.
802
BOSCH Abdeckung | Ersatzteile für AQT 33-10 | F016F04653
Hersteller: BOSCH
Artikelnummer: EB-3600HA7040-F016F04653
Netto: 3,94 € zzgl. MwSt.
zzgl. 6,90 € Versand (brutto)
einmalig pro Bestellung

Lieferzeit: 5 Werktage

Stück
Pos.
810
BOSCH Abdeckung | Ersatzteile für AQT 33-10 | F016F04453
Hersteller: BOSCH
Artikelnummer: EB-3600HA7040-F016F04453
Netto: 23,72 € zzgl. MwSt.
zzgl. 6,90 € Versand (brutto)
einmalig pro Bestellung

Lieferzeit: 5 Werktage

Stück
Pos.
811
BOSCH Dichtungssatz | Ersatzteile für AQT 33-10 | F016F04458
Hersteller: BOSCH
Artikelnummer: EB-3600HA7040-F016F04458
Netto: 7,26 € zzgl. MwSt.
zzgl. 6,90 € Versand (brutto)
einmalig pro Bestellung

Lieferzeit: 5 Werktage

Stück
Pos.
812
BOSCH Dichtungssatz | Ersatzteile für AQT 33-10 | F016F04459
Hersteller: BOSCH
Artikelnummer: EB-3600HA7040-F016F04459
Netto: 7,66 € zzgl. MwSt.
zzgl. 6,90 € Versand (brutto)
einmalig pro Bestellung

Lieferzeit: 5 Werktage

Stück
Pos.
813
BOSCH O-Ring | Ersatzteile für AQT 33-10 | F016F04460
Hersteller: BOSCH
Artikelnummer: EB-3600HA7040-F016F04460
Netto: 7,26 € zzgl. MwSt.
zzgl. 6,90 € Versand (brutto)
einmalig pro Bestellung

Lieferzeit: 5 Werktage

Stück
Pos.
814
BOSCH Lanze | Ersatzteile für AQT 33-10 | F016F04462
Hersteller: BOSCH
Artikelnummer: EB-3600HA7040-F016F04462
Netto: 12,17 € zzgl. MwSt.
zzgl. 6,90 € Versand (brutto)
einmalig pro Bestellung

Lieferzeit: 5 Werktage

Stück
Pos.
815
BOSCH Auslöser | Ersatzteile für AQT 33-10 | F016F04463
Hersteller: BOSCH
Artikelnummer: EB-3600HA7040-F016F04463
Netto: 28,44 € zzgl. MwSt.
zzgl. 6,90 € Versand (brutto)
einmalig pro Bestellung

Lieferzeit: 5 Werktage

Stück
Pos.
817
BOSCH Schlauch | Ersatzteile für AQT 33-10 | F016F04438
Hersteller: BOSCH
Artikelnummer: EB-3600HA7040-F016F04438
Netto: 6,27 € zzgl. MwSt.
zzgl. 6,90 € Versand (brutto)
einmalig pro Bestellung

Lieferzeit: 5 Werktage

Stück
Pos.
837
BOSCH Schaltkasten | Ersatzteile für AQT 33-10 | F016F04439
Hersteller: BOSCH
Artikelnummer: EB-3600HA7040-F016F04439
Netto: 28,93 € zzgl. MwSt.
zzgl. 6,90 € Versand (brutto)
einmalig pro Bestellung

Lieferzeit: 5 Werktage

Stück
Pos.
838
BOSCH Netzanschlussleitung AUS | Ersatzteile für AQT 33-10 | F016F04435
Hersteller: BOSCH
Artikelnummer: EB-3600HA7040-F016F04435
nur Informationsartikel
Nie mehr lieferbar
keine Alternativen
Pos.
840
BOSCH Pumpeneinheit | Ersatzteile für AQT 33-10 | F016F04440
Hersteller: BOSCH
Artikelnummer: EB-3600HA7040-F016F04440
Netto: 12,50 € zzgl. MwSt.
zzgl. 6,90 € Versand (brutto)
einmalig pro Bestellung

Lieferzeit: 5 Werktage

Stück
Pos.
841
BOSCH Kolbenführung | Ersatzteile für AQT 33-10 | F016F04441
Hersteller: BOSCH
Artikelnummer: EB-3600HA7040-F016F04441
Netto: 8,23 € zzgl. MwSt.
zzgl. 6,90 € Versand (brutto)
einmalig pro Bestellung

Lieferzeit: 16 Werktage

Stück
Pos.
842
BOSCH Pumpenkopf | Ersatzteile für AQT 33-10 | F016F04442
Hersteller: BOSCH
Artikelnummer: EB-3600HA7040-F016F04442
Netto: 18,86 € zzgl. MwSt.
zzgl. 6,90 € Versand (brutto)
einmalig pro Bestellung

Lieferzeit: 5 Werktage

Stück
Pos.
843
BOSCH Ölbehälter | Ersatzteile für AQT 33-10 | F016F04445
Hersteller: BOSCH
Artikelnummer: EB-3600HA7040-F016F04445
Netto: 26,41 € zzgl. MwSt.
zzgl. 6,90 € Versand (brutto)
einmalig pro Bestellung

Lieferzeit: 5 Werktage

Stück
Pos.
844
BOSCH Elektromotor | Ersatzteile für AQT 33-10 | F016F04455
Hersteller: BOSCH
Artikelnummer: EB-3600HA7040-F016F04455
Netto: 67,29 € zzgl. MwSt.
zzgl. 6,90 € Versand (brutto)
einmalig pro Bestellung

Lieferzeit: 5 Werktage

Stück
Pos.
846
BOSCH Hochdruckschlauch 3 m | Ersatzteile für AQT 33-10 | F016F04583
Hersteller: BOSCH
Artikelnummer: EB-3600HA7040-F016F04583
Netto: 16,70 € zzgl. MwSt.
zzgl. 6,90 € Versand (brutto)
einmalig pro Bestellung

Lieferzeit: 5 Werktage

Stück
Pos.
847
BOSCH Breitstrahldüse | Ersatzteile für AQT 33-10 | F016L72551
Hersteller: BOSCH
Artikelnummer: EB-3600HA7040-F016L72551
Netto: 10,70 € zzgl. MwSt.
zzgl. 6,90 € Versand (brutto)
einmalig pro Bestellung

Lieferzeit: 5 Werktage

Stück
Pos.
808
BOSCH Typschild | Ersatzteile für AQT 33-10 | F016F05072
Hersteller: BOSCH
Artikelnummer: EB-3600HA7040-F016F05072
nur Informationsartikel
Nie mehr lieferbar
keine Alternativen
Pos.
809
BOSCH Warnzettel | Ersatzteile für AQT 33-10 | F016F05583
Hersteller: BOSCH
Artikelnummer: EB-3600HA7040-F016F05583
nur Informationsartikel
Nie mehr lieferbar
keine Alternativen
Pos.
810
BOSCH Torx-Zylinderschraube | Ersatzteile für AQT 33-10 | F016F04810
Hersteller: BOSCH
Artikelnummer: EB-3600HA7040-F016F04810
nur Informationsartikel
Nie mehr lieferbar
keine Alternativen
Pos.
842
BOSCH O-Ring Ø 63 X 2,65 MM | Ersatzteile für DIY ARCE | F016F05637
Hersteller: BOSCH
Artikelnummer: EB-3600HA7040-F016F05637
Netto: 3,94 € zzgl. MwSt.
zzgl. 6,90 € Versand (brutto)
einmalig pro Bestellung

Lieferzeit: 5 Werktage

Stück
Pos.
843
BOSCH O-Ring | Ersatzteile für AQT 33-10 | F016F05402
Hersteller: BOSCH
Artikelnummer: EB-3600HA7040-F016F05402
nur Informationsartikel
Nie mehr lieferbar
keine Alternativen
Pos.
854
BOSCH Axiallager | Ersatzteile für AQT 33-10 | F016F04803
Hersteller: BOSCH
Artikelnummer: EB-3600HA7040-F016F04803
nur Informationsartikel
Nie mehr lieferbar
keine Alternativen
Pos.
857
BOSCH Clip | Ersatzteile für AQT 33-10 | F016F04681
Hersteller: BOSCH
Artikelnummer: EB-3600HA7040-F016F04681
nur Informationsartikel
Nie mehr lieferbar
keine Alternativen
Pos.
860
BOSCH Motordeckel | Ersatzteile für AQT 33-10 | F016F05037
Hersteller: BOSCH
Artikelnummer: EB-3600HA7040-F016F05037
nur Informationsartikel
Nie mehr lieferbar
keine Alternativen
Pos.
863
BOSCH Schalterbetaetiger | Ersatzteile für AQT 33-10 | F016F04613
Hersteller: BOSCH
Artikelnummer: EB-3600HA7040-F016F04613
Netto: 23,72 € zzgl. MwSt.
zzgl. 6,90 € Versand (brutto)
einmalig pro Bestellung

Lieferzeit: 5 Werktage

Stück
Pos.
872
BOSCH Lanze | Ersatzteile für AQT 33-10 | F016F05135
Hersteller: BOSCH
Artikelnummer: EB-3600HA7040-F016F05135
Netto: 9,75 € zzgl. MwSt.
zzgl. 6,90 € Versand (brutto)
einmalig pro Bestellung

Lieferzeit: 5 Werktage

Stück
Pos.
873
BOSCH fix. Fächerdüse | Ersatzteile für AQT 33-10 | F016F05054
Hersteller: BOSCH
Artikelnummer: EB-3600HA7040-F016F05054
Netto: 6,75 € zzgl. MwSt.
zzgl. 6,90 € Versand (brutto)
einmalig pro Bestellung

Lieferzeit: 5 Werktage

Stück
Pos.
874
BOSCH Breitstrahldüse | Ersatzteile für AQT 33-10 | F016F05406
Hersteller: BOSCH
Artikelnummer: EB-3600HA7040-F016F05406
nur Informationsartikel
Nie mehr lieferbar
keine Alternativen
Pos.
882
BOSCH Wasserfilter | Ersatzteile für DIY ARCE | F016F05052
Hersteller: BOSCH
Artikelnummer: EB-3600HA7040-F016F05052
Netto: 5,17 € zzgl. MwSt.
zzgl. 6,90 € Versand (brutto)
einmalig pro Bestellung

Lieferzeit: 5 Werktage

Stück
Pos.
884
BOSCH Schlauchkupplung | Ersatzteile für AQT 33-10 | F016F05492
Hersteller: BOSCH
Artikelnummer: EB-3600HA7040-F016F05492
nur Informationsartikel
Nie mehr lieferbar
keine Alternativen
Pos.
888
BOSCH Wasserfilter | Ersatzteile für DIY ARCE | F016F05661
Hersteller: BOSCH
Artikelnummer: EB-3600HA7040-F016F05661
Netto: 3,94 € zzgl. MwSt.
zzgl. 6,90 € Versand (brutto)
einmalig pro Bestellung

Lieferzeit: 5 Werktage

Stück
Pos.
889
BOSCH Wasserfilter | Ersatzteile für DIY ARCE | F016F06182
Hersteller: BOSCH
Artikelnummer: EB-3600HA7040-F016F06182
Netto: 4,56 € zzgl. MwSt.
zzgl. 6,90 € Versand (brutto)
einmalig pro Bestellung

Lieferzeit: 5 Werktage

Stück

Angaben zur Produktsicherheit

Hersteller:
Robert Bosch Power Tools GmbH
Postfach 30 02 20
70442 Stuttgart

E-Mail:
kontakt@bosch.de