BOSCH Drill - 0601114839

Artikelnummer: EB-0601114839

Position:

Marke: BOSCH


Bitte Kompatibilität prüfen!

Bitte prüfen Sie unbedingt die 10-stellige Typennummer Ihrer Maschine / Ihres Gerätes. Das Ersatzteil ist nur kompatibel, wenn Sie die Typennummer Ihrer Maschine in der unten stehenden Produktbeschreibung finden.

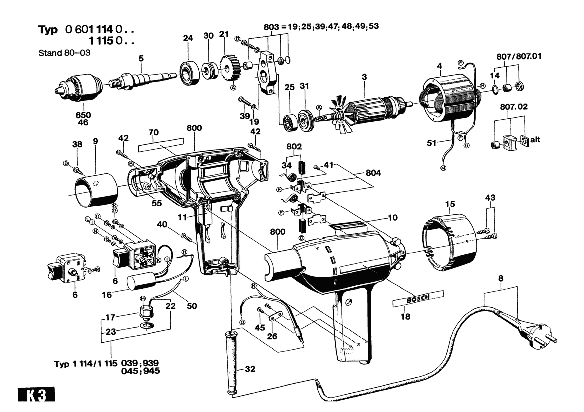
Bitte prüfen Sie ebenfalls detailliert die Explosionszeichnung mit Ihrem Artikelwunsch und der jeweiligen Pos-Nummer.

Alle Elemente, welche vom schwarzen Strich der Pos-Nummer ausgehend berührt / erfasst werden, gehören zu dieser Pos-Nummer und somit zu diesem Artikel. Jede Pos-Nummer ist ein eigenständiger Artikel, welchen Sie in der Auflistung finden.

Sie erhalten stets die aktuellste, neueste Produktversion zu der gewählten Pos-Nummer seitens des Herstellers. Es kann daher je nach Gerätealter vorkommen, dass Sie ggf. weitere, zugehörige Elemente, welche an diese Pos-Nummer grenzen, ebenfalls mittauschen müssen.

Nähere Informationen finden Sie unter dem Link
Hinweise zu Ihrer BOSCH Ersatzteilsuche

Beschreibung

Die aufgelisteten BOSCH Ersatzteile sind mit folgendem Gerät und Modell kompatibel:

BOSCH Gerätename:Drill
BOSCH Typennummer:0601114839
alternative Schreibweisen:0 601 114 839, 0601 114 839, 0.601.114.839, 0-601-114-839

Bitte prüfen Sie die Typennummer auf Ihrem Gerät um die Kompatibilität des BOSCH Ersatzteils zu gewährleisten.

Die passenden Ersatzteile des BOSCH Drill (Bohrmaschine) mit der Typennummer 0601114839 finden Sie in der nachfolgenden Darstellung geordnet nach der Positionsnummern aus der Explosionszeichnung:

Pos.
5
BOSCH Bohrspindel 1/2 Zoll-20 UNF 2A | Ersatzteile für Bohrmaschine | 1603523054
Hersteller: BOSCH
Artikelnummer: EB-0601114839-1603523054
nur Informationsartikel
Nie mehr lieferbar
keine Alternativen
Pos.
8
BOSCH Netzanschlussleitung USA/CDN 2,68m 2 x 0,82mm SJ 18/2 | Ersatzteile für Bohrmaschine | 2604460188
Hersteller: BOSCH
Artikelnummer: EB-0601114839-2604460188
nur Informationsartikel
Nie mehr lieferbar
keine Alternativen
Pos.
10
BOSCH Typschild | Ersatzteile für Bohrmaschine | 160111A3H3
Hersteller: BOSCH
Artikelnummer: EB-0601114839-160111A3H3
Netto: 4,56 € zzgl. MwSt.
zzgl. 6,90 € Versand (brutto)
einmalig pro Bestellung

Lieferzeit: 5 Werktage

Stück
Pos.
25
BOSCH Kugellager 7x22x7 | Ersatzteile für Bohrmaschine | 1900905018
Hersteller: BOSCH
Artikelnummer: EB-0601114839-1900905018
Netto: 15,15 € zzgl. MwSt.
zzgl. 6,90 € Versand (brutto)
einmalig pro Bestellung

Lieferzeit: 5 Werktage

Stück
Pos.
32
BOSCH Tülle Ø7,6-Ø8,2x95 MM | Ersatzteile für Bohrmaschine | 2600703013
Hersteller: BOSCH
Artikelnummer: EB-0601114839-2600703013
Netto: 4,56 € zzgl. MwSt.
zzgl. 6,90 € Versand (brutto)
einmalig pro Bestellung

Lieferzeit: 5 Werktage

Stück
Pos.
32
BOSCH Tülle Ø8,2 MM | Ersatzteile für Bohrmaschine | 2600703008
Hersteller: BOSCH
Artikelnummer: EB-0601114839-2600703008
nur Informationsartikel
Nie mehr lieferbar
keine Alternativen
Pos.
42
BOSCH Blechschraube DIN 7971-BZ2,9x13 | Ersatzteile für Bohrmaschine | 2910211006
Hersteller: BOSCH
Artikelnummer: EB-0601114839-2910211006
Netto: 3,60 € zzgl. MwSt.
zzgl. 6,90 € Versand (brutto)
einmalig pro Bestellung

Lieferzeit: 5 Werktage

Stück
Pos.
46
BOSCH Zahnkranzbohrfutter Ø0,8-10 MM, 1/2 Zoll | Ersatzteile für Bohrmaschine | 1608571005
Hersteller: BOSCH
Artikelnummer: EB-0601114839-1608571005
nur Informationsartikel
Nie mehr lieferbar
keine Alternativen
Pos.
650
BOSCH Bohrfutterschlüssel SG2 | Ersatzteile für Bohrmaschine | 2607950007
Hersteller: BOSCH
Artikelnummer: EB-0601114839-2607950007
Netto: 7,26 € zzgl. MwSt.
zzgl. 6,90 € Versand (brutto)
einmalig pro Bestellung

Lieferzeit: 5 Werktage

Stück
Pos.
650
BOSCH Zahnkranzbohrfutter | Ersatzteile für Drill | 1607000F3W
Hersteller: BOSCH
Artikelnummer: EB-0601114839-1607000F3W
Netto: 28,93 € zzgl. MwSt.
zzgl. 6,90 € Versand (brutto)
einmalig pro Bestellung

Lieferzeit: 5 Werktage

Stück
Pos.
650
BOSCH Zahnkranzbohrfutter Ø1-10 MM, 3/8 Zoll | Ersatzteile für Bohrmaschine | 1608571020
Hersteller: BOSCH
Artikelnummer: EB-0601114839-1608571020
nur Informationsartikel
Nie mehr lieferbar
keine Alternativen

Angaben zur Produktsicherheit

Hersteller:
Robert Bosch Power Tools GmbH
Postfach 30 02 20
70442 Stuttgart

E-Mail:
kontakt@bosch.de