BOSCH DRILL - 0601120733

Artikelnummer: EB-0601120733

Position:

Marke: BOSCH


Bitte Kompatibilität prüfen!

Bitte prüfen Sie unbedingt die 10-stellige Typennummer Ihrer Maschine / Ihres Gerätes. Das Ersatzteil ist nur kompatibel, wenn Sie die Typennummer Ihrer Maschine in der unten stehenden Produktbeschreibung finden.

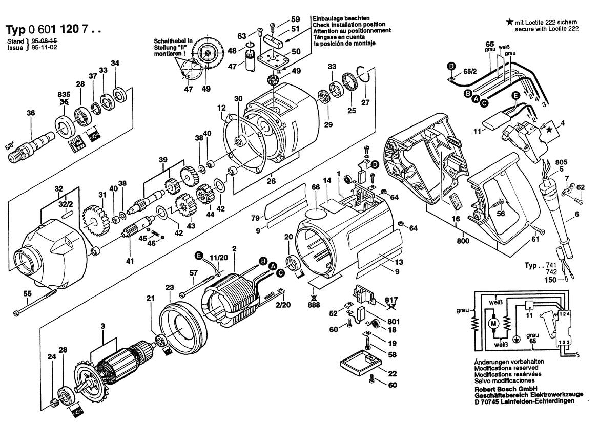
Bitte prüfen Sie ebenfalls detailliert die Explosionszeichnung mit Ihrem Artikelwunsch und der jeweiligen Pos-Nummer.

Alle Elemente, welche vom schwarzen Strich der Pos-Nummer ausgehend berührt / erfasst werden, gehören zu dieser Pos-Nummer und somit zu diesem Artikel. Jede Pos-Nummer ist ein eigenständiger Artikel, welchen Sie in der Auflistung finden.

Sie erhalten stets die aktuellste, neueste Produktversion zu der gewählten Pos-Nummer seitens des Herstellers. Es kann daher je nach Gerätealter vorkommen, dass Sie ggf. weitere, zugehörige Elemente, welche an diese Pos-Nummer grenzen, ebenfalls mittauschen müssen.

Nähere Informationen finden Sie unter dem Link
Hinweise zu Ihrer BOSCH Ersatzteilsuche

Beschreibung

Die aufgelisteten BOSCH Ersatzteile sind mit folgendem Gerät und Modell kompatibel:

BOSCH Gerätename:DRILL
BOSCH Typennummer:0601120733
alternative Schreibweisen:0 601 120 733, 0601 120 733, 0.601.120.733, 0-601-120-733

Bitte prüfen Sie die Typennummer auf Ihrem Gerät um die Kompatibilität des BOSCH Ersatzteils zu gewährleisten.

Die passenden Ersatzteile des BOSCH DRILL (Bohrmaschine) mit der Typennummer 0601120733 finden Sie in der nachfolgenden Darstellung geordnet nach der Positionsnummern aus der Explosionszeichnung:

Pos.
11/20
BOSCH Kabelschuh | Ersatzteile für ELECTRONIC | 1601353003
Hersteller: BOSCH
Artikelnummer: EB-0601120733-1601353003
nur Informationsartikel
Nie mehr lieferbar
keine Alternativen
Pos.
650/1
BOSCH Zusatzhandgriff | Ersatzteile für DRILL | 160202509Z
Hersteller: BOSCH
Artikelnummer: EB-0601120733-16020250A1
Netto: 14,36 € zzgl. MwSt.
zzgl. 6,90 € Versand (brutto)
einmalig pro Bestellung

Lieferzeit: 5 Werktage

Stück
Pos.
650/1
BOSCH Zusatzhandgriff M14 SCHWARZ | Ersatzteile für ELECTRONIC | 1602025022
Hersteller: BOSCH
Artikelnummer: EB-0601120733-1602025022
Netto: 11,41 € zzgl. MwSt.
zzgl. 6,90 € Versand (brutto)
einmalig pro Bestellung

Lieferzeit: 5 Werktage

Stück
Pos.
650/1
BOSCH Zusatzhandgriff M14, Ø37x115 MM SCHWARZ | Ersatzteile für ELECTRONIC | 1602025030
Hersteller: BOSCH
Artikelnummer: EB-0601120733-1602025030
Netto: 14,92 € zzgl. MwSt.
zzgl. 6,90 € Versand (brutto)
einmalig pro Bestellung

Lieferzeit: 5 Werktage

Stück
Pos.
651/8
BOSCH Bohrfutterschlüssel SG2 | Ersatzteile für ELECTRONIC | 2607950011
Hersteller: BOSCH
Artikelnummer: EB-0601120733-2607950011
Netto: 9,95 € zzgl. MwSt.
zzgl. 6,90 € Versand (brutto)
einmalig pro Bestellung

Lieferzeit: 5 Werktage

Stück
Pos.
4
BOSCH Schalter | Ersatzteile für ELECTRONIC | 1607200075
Hersteller: BOSCH
Artikelnummer: EB-0601120733-1607200075
nur Informationsartikel
Nie mehr lieferbar
keine Alternativen
Pos.
6
BOSCH Tülle Ø9,2-Ø12x120 MM | Ersatzteile für ELECTRONIC | 3600703011
Hersteller: BOSCH
Artikelnummer: EB-0601120733-3600703011
Netto: 4,82 € zzgl. MwSt.
zzgl. 6,90 € Versand (brutto)
einmalig pro Bestellung

Lieferzeit: 5 Werktage

Stück
Pos.
9
BOSCH Klebeschild | Ersatzteile für ELECTRONIC | 1601110046
Hersteller: BOSCH
Artikelnummer: EB-0601120733-1601110046
nur Informationsartikel
Nie mehr lieferbar
keine Alternativen
Pos.
18
BOSCH Spiralfeder | Ersatzteile für ELECTRONIC | 1604652006
Hersteller: BOSCH
Artikelnummer: EB-0601120733-1604652006
Netto: 3,94 € zzgl. MwSt.
zzgl. 6,90 € Versand (brutto)
einmalig pro Bestellung

Lieferzeit: 5 Werktage

Stück
Pos.
19
BOSCH Sicherungsblech | Ersatzteile für ELECTRONIC | 1601030022
Hersteller: BOSCH
Artikelnummer: EB-0601120733-1601030022
Netto: 3,94 € zzgl. MwSt.
zzgl. 6,90 € Versand (brutto)
einmalig pro Bestellung

Lieferzeit: 5 Werktage

Stück
Pos.
20
BOSCH Gummibuchse | Ersatzteile für ELECTRONIC | 1600502020
Hersteller: BOSCH
Artikelnummer: EB-0601120733-1600502020
Netto: 4,53 € zzgl. MwSt.
zzgl. 6,90 € Versand (brutto)
einmalig pro Bestellung

Lieferzeit: 5 Werktage

Stück
Pos.
21
BOSCH Kugellager 7x19x6 | Ersatzteile für ELECTRONIC | 2600905032
Hersteller: BOSCH
Artikelnummer: EB-0601120733-2600905032
Netto: 6,15 € zzgl. MwSt.
zzgl. 6,90 € Versand (brutto)
einmalig pro Bestellung

Lieferzeit: 29 Werktage

Stück
Pos.
29
BOSCH Filzscheibe | Ersatzteile für ELECTRONIC | 1600108003
Hersteller: BOSCH
Artikelnummer: EB-0601120733-1600108003
nur Informationsartikel
Nie mehr lieferbar
keine Alternativen
Pos.
30
BOSCH Nadellager Ø14 MM | Ersatzteile für ELECTRONIC | 2600910001
Hersteller: BOSCH
Artikelnummer: EB-0601120733-2600910001
Netto: 5,67 € zzgl. MwSt.
zzgl. 6,90 € Versand (brutto)
einmalig pro Bestellung

Lieferzeit: 5 Werktage

Stück
Pos.
34
BOSCH Filzscheibe | Ersatzteile für ELECTRONIC | 1600108058
Hersteller: BOSCH
Artikelnummer: EB-0601120733-1600108058
nur Informationsartikel
Nie mehr lieferbar
keine Alternativen
Pos.
46
BOSCH Kugel DIN 5401-5 G28 | Ersatzteile für ELECTRONIC | 1903230009
Hersteller: BOSCH
Artikelnummer: EB-0601120733-1903230009
Netto: 3,63 € zzgl. MwSt.
zzgl. 6,90 € Versand (brutto)
einmalig pro Bestellung

Lieferzeit: 5 Werktage

Stück
Pos.
48
BOSCH O-Ring 8x2,5 MM | Ersatzteile für ELECTRONIC | 1900210105
Hersteller: BOSCH
Artikelnummer: EB-0601120733-1900210105
Netto: 3,94 € zzgl. MwSt.
zzgl. 6,90 € Versand (brutto)
einmalig pro Bestellung

Lieferzeit: 5 Werktage

Stück
Pos.
52
BOSCH Sicherungsblech | Ersatzteile für ELECTRONIC | 1611331007
Hersteller: BOSCH
Artikelnummer: EB-0601120733-1611331007
nur Informationsartikel
Nie mehr lieferbar
keine Alternativen
Pos.
55
BOSCH Blechschraube B4,8x115 MM | Ersatzteile für ELECTRONIC | 1603435015
Hersteller: BOSCH
Artikelnummer: EB-0601120733-1603435015
nur Informationsartikel
Nie mehr lieferbar
keine Alternativen
Pos.
60
BOSCH Zylinderschraube DIN 84-AM4x8-8.8 | Ersatzteile für ELECTRONIC | 2910021118
Hersteller: BOSCH
Artikelnummer: EB-0601120733-2910021118
Netto: 3,63 € zzgl. MwSt.
zzgl. 6,90 € Versand (brutto)
einmalig pro Bestellung

Lieferzeit: 5 Werktage

Stück
Pos.
64
BOSCH Sechskantmutter DIN 934 -M4-m-8 | Ersatzteile für ELECTRONIC | 2915011005
Hersteller: BOSCH
Artikelnummer: EB-0601120733-2915011005
Netto: 3,63 € zzgl. MwSt.
zzgl. 6,90 € Versand (brutto)
einmalig pro Bestellung

Lieferzeit: 5 Werktage

Stück
Pos.
650
BOSCH Zusatzhandgriff Ø43 MM | Ersatzteile für ELECTRONIC | 3602025021
Hersteller: BOSCH
Artikelnummer: EB-0601120733-3602025021
Netto: 35,77 € zzgl. MwSt.
zzgl. 6,90 € Versand (brutto)
einmalig pro Bestellung

Lieferzeit: 5 Werktage

Stück
Pos.
800
BOSCH Handgriff DUNKELBLAU | Ersatzteile für ELECTRONIC | 3605133012
Hersteller: BOSCH
Artikelnummer: EB-0601120733-3605133012
nur Informationsartikel
Nie mehr lieferbar
keine Alternativen
Pos.
800
BOSCH Handgriff SCHWARZ | Ersatzteile für DRILL | 3605133019
Hersteller: BOSCH
Artikelnummer: EB-0601120733-3605133019
nur Informationsartikel
Nie mehr lieferbar
keine Alternativen
Pos.
801
BOSCH Kohlebürstensatz | Ersatzteile für ELECTRONIC | 1607014126
Hersteller: BOSCH
Artikelnummer: EB-0601120733-1607014126
Netto: 14,36 € zzgl. MwSt.
zzgl. 6,90 € Versand (brutto)
einmalig pro Bestellung

Lieferzeit: 5 Werktage

Stück
Pos.
888
BOSCH Typschild | Ersatzteile für ELECTRONIC | 160111A3H3
Hersteller: BOSCH
Artikelnummer: EB-0601120733-160111A3H3
Netto: 4,53 € zzgl. MwSt.
zzgl. 6,90 € Versand (brutto)
einmalig pro Bestellung

Lieferzeit: 5 Werktage

Stück

Angaben zur Produktsicherheit

Hersteller:
Robert Bosch Power Tools GmbH
Postfach 30 02 20
70442 Stuttgart

E-Mail:
kontakt@bosch.de