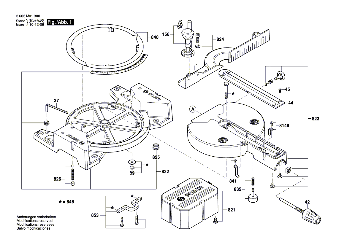
BOSCH Gehrungslineal | Ersatzteile für PCM 7S - 1609BP7377
-
Vergleichsliste
- Bitte fügen Sie mindestens 2 Artikel hinzu, um den Vergleich durchzuführen.
GRATIS VERSAND AB 200 EUR*
MARKENQUALITÄT ZU TOP-PREISEN
SCHNELLE LIEFERUNG
- 0,00 € *
-
Anmelden
- Anmelden sicher
-
Ich bin Neukunde
Jetzt kostenlos registrieren

- Service
- 0,00 € *
-
Anmelden
- Anmelden sicher
-
Ich bin Neukunde
Jetzt kostenlos registrieren

- Service
- Übersicht
- Ersatzteile
- BOSCH Ersatzteile
- BOSCH Ersatzteile
- BOSCH Gehrungslineal | Ersatzteile für PCM 7S - 1609BP7377