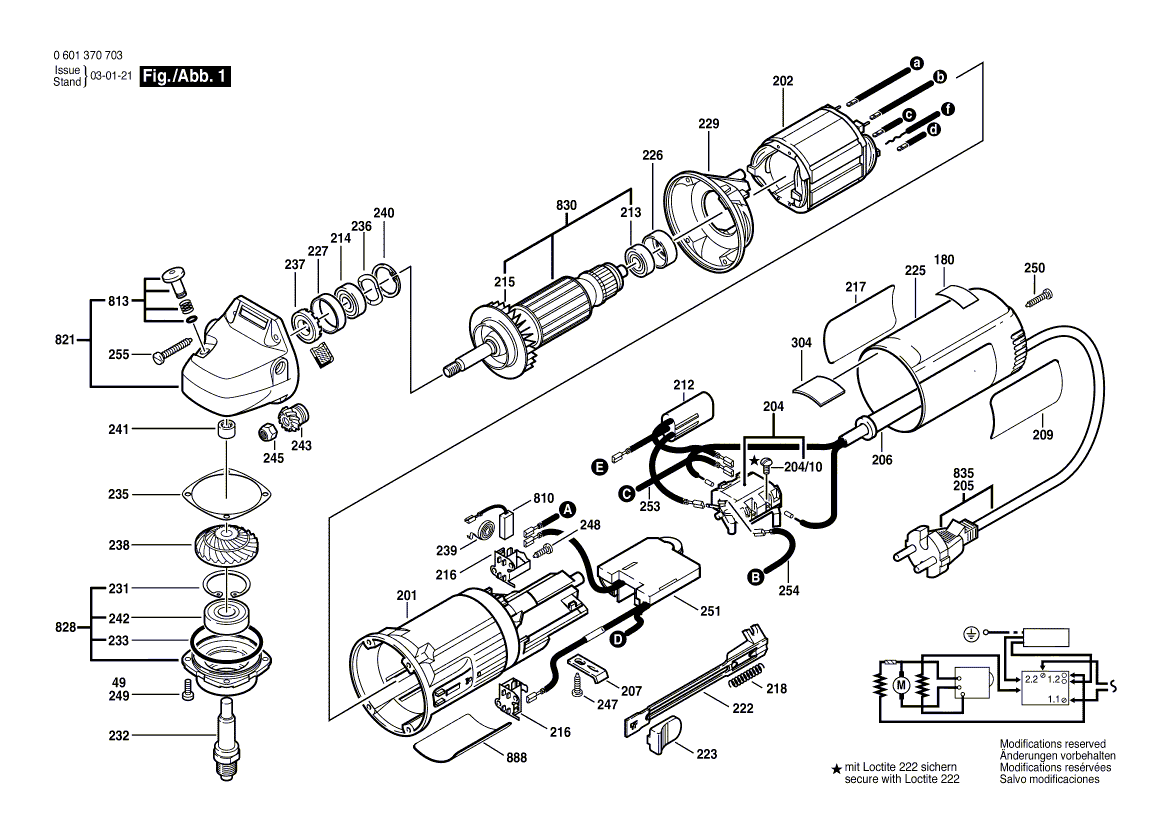
BOSCH Anker Mit Lüfter 230-240V | Ersatzteile für GEX 150 ACE | 1604010259

Artikelnummer: EB-0601370308-1604010259

Position: 830

Marke: BOSCH


Bitte Kompatibilität prüfen!

Bitte prüfen Sie unbedingt die 10-stellige Typennummer Ihrer Maschine / Ihres Gerätes. Das Ersatzteil ist nur kompatibel, wenn Sie die Typennummer Ihrer Maschine in der unten stehenden Produktbeschreibung finden.

Bitte prüfen Sie ebenfalls detailliert die Explosionszeichnung mit Ihrem Artikelwunsch und der jeweiligen Pos-Nummer.

Alle Elemente, welche vom schwarzen Strich der Pos-Nummer ausgehend berührt / erfasst werden, gehören zu dieser Pos-Nummer und somit zu diesem Artikel. Jede Pos-Nummer ist ein eigenständiger Artikel, welchen Sie in der Auflistung finden.

Sie erhalten stets die aktuellste, neueste Produktversion zu der gewählten Pos-Nummer seitens des Herstellers. Es kann daher je nach Gerätealter vorkommen, dass Sie ggf. weitere, zugehörige Elemente, welche an diese Pos-Nummer grenzen, ebenfalls mittauschen müssen.

Nähere Informationen finden Sie unter dem Link
Hinweise zu Ihrer BOSCH Ersatzteilsuche
Leider wird dieses Ersatzteil seitens des Herstellers nicht mehr und nie wieder hergestellt.

Es gibt somit leider keine Alternative oder Ersatz, da dieser ansonsten hier gelistet / genannt wäre.

Bitte prüfen Sie alternativ ggf. auch Gebrauchtwarenmärkte und Kleinanzeigenplattformen.

Beschreibung

  • Anker Mit Lüfter 230-240V
  • Original Bosch Zubehör / BOSCH Ersatzteil (1604010259)
  • im Gerät verbaut: 1
Dieses BOSCH Ersatzteil ist mit folgendem Gerät und Modell kompatibel:
  • BOSCH Gerätename: GEX 150 ACE
  • BOSCH Explosionszeichnung: Position 830
  • BOSCH Typennummer: 0601370308
  • BOSCH Typennummer alternative Schreibweisen: 0 601 370 308, 0601 370 308, 0.601.370.308, 0-601-370-308
    Bitte prüfen Sie diese Typennummer auf Ihrem Gerät um die Kompatibilität des BOSCH Ersatzteils zu gewährleisten.
Weitere BOSCH Ersatzteile des Gerätes GEX 150 ACE (Gw-Exzenterschleifer) mit der Typennummer 0601370308 finden Sie in der nachfolgenden Darstellung und im Dropdown zu Ihrer Auswahl:

Pos.
2
BOSCH Lüftergehäuse | Ersatzteile für GEX 150 ACE | 3605500076
Hersteller: BOSCH
Artikelnummer: EB-0601370308-3605500076
Netto: 28,93 € zzgl. MwSt.
zzgl. 6,90 € Versand (brutto)
einmalig pro Bestellung

Lieferzeit: 5 Werktage

Pos.
4
BOSCH Scheibe | Ersatzteile für GEX 150 ACE | 3608601004
Hersteller: BOSCH
Artikelnummer: EB-0601370308-3608601004
nur Informationsartikel
Nie mehr lieferbar
keine Alternativen
Pos.
5
BOSCH Exzenterwelle | Ersatzteile für GEX 150 ACE | 3606110006
Hersteller: BOSCH
Artikelnummer: EB-0601370308-3606110006
nur Informationsartikel
Nie mehr lieferbar
keine Alternativen
Pos.
8
BOSCH Griffschale | Ersatzteile für GEX 150 ACE | 3605132047
Hersteller: BOSCH
Artikelnummer: EB-0601370308-3605132047
nur Informationsartikel
Nie mehr lieferbar
keine Alternativen
Pos.
9
BOSCH Toleranzring | Ersatzteile für GEX 150 ACE | 3600290033
Hersteller: BOSCH
Artikelnummer: EB-0601370308-3600290033
nur Informationsartikel
Nie mehr lieferbar
keine Alternativen
Pos.
11
BOSCH Rillenkugellager 12x28x8 | Ersatzteile für GEX 150 ACE | 1600905031
Hersteller: BOSCH
Artikelnummer: EB-0601370308-1600905031
Netto: 7,26 € zzgl. MwSt.
zzgl. 6,90 € Versand (brutto)
einmalig pro Bestellung

Lieferzeit: 5 Werktage

Pos.
12
BOSCH Sprengring 12 DIN 9045 | Ersatzteile für GEX 150 ACE | 2916600007
Hersteller: BOSCH
Artikelnummer: EB-0601370308-2916600007
Netto: 4,80 € zzgl. MwSt.
zzgl. 6,90 € Versand (brutto)
einmalig pro Bestellung

Lieferzeit: 5 Werktage

Pos.
13
BOSCH Sicherungsring DIN 472-28x1,2 MM | Ersatzteile für GEX 150 ACE | 2916660011
Hersteller: BOSCH
Artikelnummer: EB-0601370308-2916660011
Netto: 3,94 € zzgl. MwSt.
zzgl. 6,90 € Versand (brutto)
einmalig pro Bestellung

Lieferzeit: 5 Werktage

Pos.
14
BOSCH Stopfen 8,0x9 MM | Ersatzteile für GEX 150 ACE | 3603100019
Hersteller: BOSCH
Artikelnummer: EB-0601370308-3603100019
Netto: 3,75 € zzgl. MwSt.
zzgl. 6,90 € Versand (brutto)
einmalig pro Bestellung

Lieferzeit: 5 Werktage

Pos.
16
BOSCH Innensechskantschraube | Ersatzteile für GEX 150 ACE | 3603414017
Hersteller: BOSCH
Artikelnummer: EB-0601370308-3603414017
Netto: 4,36 € zzgl. MwSt.
zzgl. 6,90 € Versand (brutto)
einmalig pro Bestellung

Lieferzeit: 5 Werktage

Pos.
17
BOSCH Blechschraube DIN 7971-BZ3,5x13 | Ersatzteile für GEX 150 ACE | 2910211011
Hersteller: BOSCH
Artikelnummer: EB-0601370308-2910211011
Netto: 3,60 € zzgl. MwSt.
zzgl. 6,90 € Versand (brutto)
einmalig pro Bestellung

Lieferzeit: 5 Werktage

Pos.
18
BOSCH Flachkopfschraube M 10x12 MM | Ersatzteile für GEX 150 ACE | 3603490015
Hersteller: BOSCH
Artikelnummer: EB-0601370308-3603490015
Netto: 5,65 € zzgl. MwSt.
zzgl. 6,90 € Versand (brutto)
einmalig pro Bestellung

Lieferzeit: 5 Werktage

Pos.
19
BOSCH Winkelschraubendreher DIN 911 SW6 | Ersatzteile für GEX 150 ACE | 1907950007
Hersteller: BOSCH
Artikelnummer: EB-0601370308-1907950007
Netto: 6,27 € zzgl. MwSt.
zzgl. 6,90 € Versand (brutto)
einmalig pro Bestellung

Lieferzeit: 5 Werktage

Pos.
25
BOSCH Ring Ø 88x5,7 MM | Ersatzteile für GEX 150 ACE | 3600290034
Hersteller: BOSCH
Artikelnummer: EB-0601370308-3600290034
Netto: 6,27 € zzgl. MwSt.
zzgl. 6,90 € Versand (brutto)
einmalig pro Bestellung

Lieferzeit: 5 Werktage

Pos.
49
BOSCH Innensechskantschraube DIN 912-M 4x35-8.8 | Ersatzteile für GEX 150 ACE | 2910141136
Hersteller: BOSCH
Artikelnummer: EB-0601370308-2910141136
Netto: 4,80 € zzgl. MwSt.
zzgl. 6,90 € Versand (brutto)
einmalig pro Bestellung

Lieferzeit: 5 Werktage

Pos.
201
BOSCH Exzenterschleifer | Ersatzteile für GEX 150 ACE | 0601370703
Hersteller: BOSCH
Artikelnummer: EB-0601370308-0601370703
nur Informationsartikel
Nie mehr lieferbar
keine Alternativen
Pos.
202
BOSCH Polschuh 230-240V | Ersatzteile für GEX 150 ACE | 1604220224
Hersteller: BOSCH
Artikelnummer: EB-0601370308-1604220224
nur Informationsartikel
Nie mehr lieferbar
keine Alternativen
Pos.
204
BOSCH Schalter | Ersatzteile für GEX 150 ACE | 1607200086
Hersteller: BOSCH
Artikelnummer: EB-0601370308-1607200086
Netto: 9,75 € zzgl. MwSt.
zzgl. 6,90 € Versand (brutto)
einmalig pro Bestellung

Lieferzeit: 5 Werktage

Pos.
204/10
BOSCH Flachkopfschraube DIN 85-AM3x6-CUZN | Ersatzteile für GEX 150 ACE | 2910110048
Hersteller: BOSCH
Artikelnummer: EB-0601370308-2910110048
Netto: 3,60 € zzgl. MwSt.
zzgl. 6,90 € Versand (brutto)
einmalig pro Bestellung

Lieferzeit: 5 Werktage

Pos.
206
BOSCH Tülle Ø7,6-Ø8,2x95 MM | Ersatzteile für GEX 150 ACE | 2600703013
Hersteller: BOSCH
Artikelnummer: EB-0601370308-2600703013
Netto: 4,56 € zzgl. MwSt.
zzgl. 6,90 € Versand (brutto)
einmalig pro Bestellung

Lieferzeit: 5 Werktage

Pos.
207
BOSCH Befestigungsschelle | Ersatzteile für GEX 150 ACE | 1601302017
Hersteller: BOSCH
Artikelnummer: EB-0601370308-1601302017
Netto: 3,60 € zzgl. MwSt.
zzgl. 6,90 € Versand (brutto)
einmalig pro Bestellung

Lieferzeit: 5 Werktage

Pos.
209
BOSCH Firmenschild | Ersatzteile für GEX 150 ACE | 1601118309
Hersteller: BOSCH
Artikelnummer: EB-0601370308-1601118309
Netto: 5,17 € zzgl. MwSt.
zzgl. 6,90 € Versand (brutto)
einmalig pro Bestellung

Lieferzeit: 5 Werktage

Pos.
212
BOSCH Entstörfilter | Ersatzteile für GEX 150 ACE | 2607329124
Hersteller: BOSCH
Artikelnummer: EB-0601370308-2607329124
Netto: 9,05 € zzgl. MwSt.
zzgl. 6,90 € Versand (brutto)
einmalig pro Bestellung

Lieferzeit: 5 Werktage

Pos.
213
BOSCH Rillenkugellager 7x19x6 | Ersatzteile für GEX 150 ACE | 2600905032
Hersteller: BOSCH
Artikelnummer: EB-0601370308-2600905032
Netto: 6,27 € zzgl. MwSt.
zzgl. 6,90 € Versand (brutto)
einmalig pro Bestellung

Lieferzeit: 5 Werktage

Pos.
214
BOSCH Rillenkugellager 8x22x7 | Ersatzteile für GEX 150 ACE | 1600905011
Hersteller: BOSCH
Artikelnummer: EB-0601370308-1600905011
Netto: 6,75 € zzgl. MwSt.
zzgl. 6,90 € Versand (brutto)
einmalig pro Bestellung

Lieferzeit: 5 Werktage

Pos.
215
BOSCH Lüfter | Ersatzteile für GEX 150 ACE | 1606610121
Hersteller: BOSCH
Artikelnummer: EB-0601370308-1606610121
Netto: 3,94 € zzgl. MwSt.
zzgl. 6,90 € Versand (brutto)
einmalig pro Bestellung

Lieferzeit: 5 Werktage

Pos.
216
BOSCH Bürstenhalter | Ersatzteile für GEX 150 ACE | 1600A003G4
Hersteller: BOSCH
Artikelnummer: EB-0601370308-1600A003G4
Netto: 5,17 € zzgl. MwSt.
zzgl. 6,90 € Versand (brutto)
einmalig pro Bestellung

Lieferzeit: 5 Werktage

Pos.
217
BOSCH Firmenschild | Ersatzteile für GEX 150 ACE | 1601118310
Hersteller: BOSCH
Artikelnummer: EB-0601370308-1601118310
Netto: 5,17 € zzgl. MwSt.
zzgl. 6,90 € Versand (brutto)
einmalig pro Bestellung

Lieferzeit: 5 Werktage

Pos.
218
BOSCH Druckfeder | Ersatzteile für GEX 150 ACE | 1604611026
Hersteller: BOSCH
Artikelnummer: EB-0601370308-1604611026
Netto: 3,60 € zzgl. MwSt.
zzgl. 6,90 € Versand (brutto)
einmalig pro Bestellung

Lieferzeit: 5 Werktage

Pos.
222
BOSCH Verstellschieber | Ersatzteile für GEX 150 ACE | 1602319002
Hersteller: BOSCH
Artikelnummer: EB-0601370308-1602319002
Netto: 4,56 € zzgl. MwSt.
zzgl. 6,90 € Versand (brutto)
einmalig pro Bestellung

Lieferzeit: 5 Werktage

Pos.
223
BOSCH Schaltergriff SCHWARZ | Ersatzteile für GEX 150 ACE | 1602026057
Hersteller: BOSCH
Artikelnummer: EB-0601370308-1602026057
Netto: 3,94 € zzgl. MwSt.
zzgl. 6,90 € Versand (brutto)
einmalig pro Bestellung

Lieferzeit: 5 Werktage

Pos.
225
BOSCH Gehäusedeckel BLAU | Ersatzteile für GEX 150 ACE | 1600508011
Hersteller: BOSCH
Artikelnummer: EB-0601370308-1600508011
Netto: 8,23 € zzgl. MwSt.
zzgl. 6,90 € Versand (brutto)
einmalig pro Bestellung

Lieferzeit: 5 Werktage

Pos.
226
BOSCH Gummibuchse | Ersatzteile für GEX 150 ACE | 1600502020
Hersteller: BOSCH
Artikelnummer: EB-0601370308-1600502020
Netto: 4,56 € zzgl. MwSt.
zzgl. 6,90 € Versand (brutto)
einmalig pro Bestellung

Lieferzeit: 63 Werktage

Pos.
227
BOSCH Gummiring | Ersatzteile für GEX 150 ACE | 1600206025
Hersteller: BOSCH
Artikelnummer: EB-0601370308-1600206025
Netto: 4,36 € zzgl. MwSt.
zzgl. 6,90 € Versand (brutto)
einmalig pro Bestellung

Lieferzeit: 5 Werktage

Pos.
229
BOSCH Luftleitring | Ersatzteile für GEX 150 ACE | 1601328005
Hersteller: BOSCH
Artikelnummer: EB-0601370308-1601328005
Netto: 4,56 € zzgl. MwSt.
zzgl. 6,90 € Versand (brutto)
einmalig pro Bestellung

Lieferzeit: 5 Werktage

Pos.
231
BOSCH Sicherungsring DIN 472-32x1,2 MM | Ersatzteile für GEX 150 ACE | 2916660013
Hersteller: BOSCH
Artikelnummer: EB-0601370308-2916660013
Netto: 4,36 € zzgl. MwSt.
zzgl. 6,90 € Versand (brutto)
einmalig pro Bestellung

Lieferzeit: 5 Werktage

Pos.
232
BOSCH Schleifspindel M14, SW17 | Ersatzteile für GEX 150 ACE | 3603523014
Hersteller: BOSCH
Artikelnummer: EB-0601370308-3603523014
nur Informationsartikel
Nie mehr lieferbar
keine Alternativen
Pos.
233
BOSCH O-Ring 46,0x1,1 MM ROT | Ersatzteile für GEX 150 ACE | 3600210124
Hersteller: BOSCH
Artikelnummer: EB-0601370308-3600210124
Netto: 4,80 € zzgl. MwSt.
zzgl. 6,90 € Versand (brutto)
einmalig pro Bestellung

Lieferzeit: 5 Werktage

Pos.
235
BOSCH Ausgleichscheibe 0,1 MM DICK | Ersatzteile für GEX 150 ACE | 1600136012
Hersteller: BOSCH
Artikelnummer: EB-0601370308-1600136012
Netto: 3,60 € zzgl. MwSt.
zzgl. 6,90 € Versand (brutto)
einmalig pro Bestellung

Lieferzeit: 5 Werktage

Pos.
235
BOSCH Ausgleichscheibe 0,2 MM DICK | Ersatzteile für GEX 150 ACE | 1600136010
Hersteller: BOSCH
Artikelnummer: EB-0601370308-1600136010
Netto: 4,56 € zzgl. MwSt.
zzgl. 6,90 € Versand (brutto)
einmalig pro Bestellung

Lieferzeit: 5 Werktage

Pos.
235
BOSCH Ausgleichscheibe 0,3 MM DICK | Ersatzteile für GEX 150 ACE | 1600136011
Hersteller: BOSCH
Artikelnummer: EB-0601370308-1600136011
Netto: 4,36 € zzgl. MwSt.
zzgl. 6,90 € Versand (brutto)
einmalig pro Bestellung

Lieferzeit: 5 Werktage

Pos.
236
BOSCH Federscheibe | Ersatzteile für GEX 150 ACE | 1600150011
Hersteller: BOSCH
Artikelnummer: EB-0601370308-1600150011
Netto: 3,60 € zzgl. MwSt.
zzgl. 6,90 € Versand (brutto)
einmalig pro Bestellung

Lieferzeit: 5 Werktage

Pos.
237
BOSCH Radial-Wellendichtring | Ersatzteile für GEX 150 ACE | 1600290016
Hersteller: BOSCH
Artikelnummer: EB-0601370308-1600290016
Netto: 4,56 € zzgl. MwSt.
zzgl. 6,90 € Versand (brutto)
einmalig pro Bestellung

Lieferzeit: 5 Werktage

Pos.
238
BOSCH Tellerrad Z=36 | Ersatzteile für GEX 150 ACE | 1606333601
Hersteller: BOSCH
Artikelnummer: EB-0601370308-1606333601
Netto: 7,66 € zzgl. MwSt.
zzgl. 6,90 € Versand (brutto)
einmalig pro Bestellung

Lieferzeit: 5 Werktage

Pos.
239
BOSCH Spiralfeder | Ersatzteile für GEX 150 ACE | 1604652013
Hersteller: BOSCH
Artikelnummer: EB-0601370308-1604652013
Netto: 3,94 € zzgl. MwSt.
zzgl. 6,90 € Versand (brutto)
einmalig pro Bestellung

Lieferzeit: 5 Werktage

Pos.
240
BOSCH Sicherungsring DIN 472-25x1,2MM | Ersatzteile für GEX 150 ACE | 2916660009
Hersteller: BOSCH
Artikelnummer: EB-0601370308-2916660009
Netto: 4,36 € zzgl. MwSt.
zzgl. 6,90 € Versand (brutto)
einmalig pro Bestellung

Lieferzeit: 5 Werktage

Pos.
241
BOSCH Nadelhülse Ø8xØ12x8 MM | Ersatzteile für GEX 150 ACE | 1600910018
Hersteller: BOSCH
Artikelnummer: EB-0601370308-1600910018
Netto: 6,27 € zzgl. MwSt.
zzgl. 6,90 € Versand (brutto)
einmalig pro Bestellung

Lieferzeit: 5 Werktage

Pos.
242
BOSCH Rillenkugellager | Ersatzteile für GEX 150 ACE | 3600905069
Hersteller: BOSCH
Artikelnummer: EB-0601370308-3600905069
Netto: 13,81 € zzgl. MwSt.
zzgl. 6,90 € Versand (brutto)
einmalig pro Bestellung

Lieferzeit: 5 Werktage

Pos.
243
BOSCH Kegelrad Z=11 | Ersatzteile für GEX 150 ACE | 1606333242
Hersteller: BOSCH
Artikelnummer: EB-0601370308-1606333242
Netto: 42,08 € zzgl. MwSt.
zzgl. 6,90 € Versand (brutto)
einmalig pro Bestellung

Lieferzeit: 5 Werktage

Pos.
245
BOSCH Sechskantmutter M7, SW10 | Ersatzteile für GEX 150 ACE | 1603300016
Hersteller: BOSCH
Artikelnummer: EB-0601370308-1603300016
Netto: 3,94 € zzgl. MwSt.
zzgl. 6,90 € Versand (brutto)
einmalig pro Bestellung

Lieferzeit: 5 Werktage

Pos.
247
BOSCH Blechschraube DIN 7971-ST3,9x13-F | Ersatzteile für GEX 150 ACE | 2910211018
Hersteller: BOSCH
Artikelnummer: EB-0601370308-2910211018
Netto: 3,60 € zzgl. MwSt.
zzgl. 6,90 € Versand (brutto)
einmalig pro Bestellung

Lieferzeit: 5 Werktage

Pos.
248
BOSCH Linsenkopfschraube 3x10 ST | Ersatzteile für GEX 150 ACE | 1613435034
Hersteller: BOSCH
Artikelnummer: EB-0601370308-1613435034
Netto: 3,60 € zzgl. MwSt.
zzgl. 6,90 € Versand (brutto)
einmalig pro Bestellung

Lieferzeit: 5 Werktage

Pos.
249
BOSCH Gewindefurchschraube | Ersatzteile für GEX 150 ACE | 1603435026
Hersteller: BOSCH
Artikelnummer: EB-0601370308-1603435026
Netto: 4,36 € zzgl. MwSt.
zzgl. 6,90 € Versand (brutto)
einmalig pro Bestellung

Lieferzeit: 5 Werktage

Pos.
250
BOSCH Blechschraube DIN 7971-ST3,9x22-F | Ersatzteile für GEX 150 ACE | 2910211021
Hersteller: BOSCH
Artikelnummer: EB-0601370308-2910211021
Netto: 3,94 € zzgl. MwSt.
zzgl. 6,90 € Versand (brutto)
einmalig pro Bestellung

Lieferzeit: 5 Werktage

Pos.
251
BOSCH Drehzahlregler | Ersatzteile für GEX 150 ACE | 1607233033
Hersteller: BOSCH
Artikelnummer: EB-0601370308-1607233033
nur Informationsartikel
Nie mehr lieferbar
keine Alternativen
Pos.
253
BOSCH Verbindungsleitung L=95 MM WEISS | Ersatzteile für GEX 150 ACE | 1604448005
Hersteller: BOSCH
Artikelnummer: EB-0601370308-1604448005
Netto: 4,80 € zzgl. MwSt.
zzgl. 6,90 € Versand (brutto)
einmalig pro Bestellung

Lieferzeit: 5 Werktage

Pos.
254
BOSCH Verbindungsleitung L=40 MM WEISS | Ersatzteile für GEX 150 ACE | 1604448006
Hersteller: BOSCH
Artikelnummer: EB-0601370308-1604448006
Netto: 4,56 € zzgl. MwSt.
zzgl. 6,90 € Versand (brutto)
einmalig pro Bestellung

Lieferzeit: 5 Werktage

Pos.
255
BOSCH Torx-Linsenschraube | Ersatzteile für GEX 150 ACE | 2914201508
Hersteller: BOSCH
Artikelnummer: EB-0601370308-2914201508
Netto: 3,60 € zzgl. MwSt.
zzgl. 6,90 € Versand (brutto)
einmalig pro Bestellung

Lieferzeit: 5 Werktage

Pos.
650
BOSCH Zusatzhandgriff M10, Ø32,5x105 MM | Ersatzteile für GEX 150 ACE | 2602025067
Hersteller: BOSCH
Artikelnummer: EB-0601370308-2602025067
nur Informationsartikel
Nie mehr lieferbar
keine Alternativen
Pos.
654/10
BOSCH Staubbeutel | Ersatzteile für GEX 150 ACE | 2605411046
Hersteller: BOSCH
Artikelnummer: EB-0601370308-2605411046
Netto: 13,81 € zzgl. MwSt.
zzgl. 6,90 € Versand (brutto)
einmalig pro Bestellung

Lieferzeit: 5 Werktage

Pos.
654/20
BOSCH Anschlussstutzen | Ersatzteile für GEX 150 ACE | 2605702009
Hersteller: BOSCH
Artikelnummer: EB-0601370308-2605702009
Netto: 4,80 € zzgl. MwSt.
zzgl. 6,90 € Versand (brutto)
einmalig pro Bestellung

Lieferzeit: 5 Werktage

Pos.
654/30
BOSCH O-Ring 20,0x1,5 MM | Ersatzteile für GEX 150 ACE | 1610210075
Hersteller: BOSCH
Artikelnummer: EB-0601370308-1610210075
Netto: 4,56 € zzgl. MwSt.
zzgl. 6,90 € Versand (brutto)
einmalig pro Bestellung

Lieferzeit: 5 Werktage

Pos.
706
BOSCH Mitnehmerscheibe | Ersatzteile für GEX 150 ACE | 3607031211
Hersteller: BOSCH
Artikelnummer: EB-0601370308-3607031211
nur Informationsartikel
Nie mehr lieferbar
keine Alternativen
Pos.
751
BOSCH Schleifteller | Ersatzteile für GEX 150 ACE | 2608601026
Hersteller: BOSCH
Artikelnummer: EB-0601370308-2608601026
Netto: 28,93 € zzgl. MwSt.
zzgl. 6,90 € Versand (brutto)
einmalig pro Bestellung

Lieferzeit: 5 Werktage

Pos.
803
BOSCH Ersatzteilgruppe | Ersatzteile für GEX 150 ACE | 3607031209
Hersteller: BOSCH
Artikelnummer: EB-0601370308-3607031209
nur Informationsartikel
Nie mehr lieferbar
keine Alternativen
Pos.
810
BOSCH Kohlebürstensatz | Ersatzteile für GEX 150 ACE | 1607014116
Hersteller: BOSCH
Artikelnummer: EB-0601370308-1607014116
Netto: 9,75 € zzgl. MwSt.
zzgl. 6,90 € Versand (brutto)
einmalig pro Bestellung

Lieferzeit: 5 Werktage

Pos.
813
BOSCH Druckknopf SCHWARZ | Ersatzteile für GEX 150 ACE | 1607000253
Hersteller: BOSCH
Artikelnummer: EB-0601370308-1607000253
Netto: 4,36 € zzgl. MwSt.
zzgl. 6,90 € Versand (brutto)
einmalig pro Bestellung

Lieferzeit: 5 Werktage

Pos.
821
BOSCH Getriebegehäuse | Ersatzteile für GEX 150 ACE | 1605806480
Hersteller: BOSCH
Artikelnummer: EB-0601370308-1605806480
Netto: 42,08 € zzgl. MwSt.
zzgl. 6,90 € Versand (brutto)
einmalig pro Bestellung

Lieferzeit: 5 Werktage

Pos.
828
BOSCH Ersatzteilgruppe | Ersatzteile für GEX 150 ACE | 1607000938
Hersteller: BOSCH
Artikelnummer: EB-0601370308-1607000938
nur Informationsartikel
Nie mehr lieferbar
keine Alternativen
Pos.
830
BOSCH Anker Mit Lüfter 230-240V | Ersatzteile für GEX 150 ACE | 1604010259
Hersteller: BOSCH
Artikelnummer: EB-0601370308-1604010259
nur Informationsartikel
Nie mehr lieferbar
keine Alternativen
Pos.
835
BOSCH Netzanschlussleitung EU 4,15m 2 x 1,0mm H07 RN-F | Ersatzteile für GEX 150 ACE | 1607000227
Hersteller: BOSCH
Artikelnummer: EB-0601370308-1607000227
Netto: 20,80 € zzgl. MwSt.
zzgl. 6,90 € Versand (brutto)
einmalig pro Bestellung

Lieferzeit: 5 Werktage

Pos.
888
BOSCH Typschild | Ersatzteile für GEX 150 ACE | 160111A3H3
Hersteller: BOSCH
Artikelnummer: EB-0601370308-160111A3H3
Netto: 4,56 € zzgl. MwSt.
zzgl. 6,90 € Versand (brutto)
einmalig pro Bestellung

Lieferzeit: 5 Werktage

Pos.
888
BOSCH Typschild 26x52 MM | Ersatzteile für GEX 150 ACE | 1601106032
Hersteller: BOSCH
Artikelnummer: EB-0601370308-1601106032
nur Informationsartikel
Nie mehr lieferbar
keine Alternativen
Pos.
650
BOSCH Zusatzhandgriff | Ersatzteile für GEX 150 ACE | 160202509T
Hersteller: BOSCH
Artikelnummer: EB-0601370308-160202509T
Netto: 5,17 € zzgl. MwSt.
zzgl. 6,90 € Versand (brutto)
einmalig pro Bestellung

Lieferzeit: 35 Werktage

Angaben zur Produktsicherheit

Hersteller:
Robert Bosch Power Tools GmbH
Postfach 30 02 20
70442 Stuttgart

E-Mail:
kontakt@bosch.de