BOSCH GOF1300CE Bare Tool - 0601613660

Artikelnummer: EB-0601613660

Position:

Marke: BOSCH


Bitte Kompatibilität prüfen!

Bitte prüfen Sie unbedingt die 10-stellige Typennummer Ihrer Maschine / Ihres Gerätes. Das Ersatzteil ist nur kompatibel, wenn Sie die Typennummer Ihrer Maschine in der unten stehenden Produktbeschreibung finden.

Bitte prüfen Sie ebenfalls detailliert die Explosionszeichnung mit Ihrem Artikelwunsch und der jeweiligen Pos-Nummer.

Alle Elemente, welche vom schwarzen Strich der Pos-Nummer ausgehend berührt / erfasst werden, gehören zu dieser Pos-Nummer und somit zu diesem Artikel. Jede Pos-Nummer ist ein eigenständiger Artikel, welchen Sie in der Auflistung finden.

Sie erhalten stets die aktuellste, neueste Produktversion zu der gewählten Pos-Nummer seitens des Herstellers. Es kann daher je nach Gerätealter vorkommen, dass Sie ggf. weitere, zugehörige Elemente, welche an diese Pos-Nummer grenzen, ebenfalls mittauschen müssen.

Nähere Informationen finden Sie unter dem Link
Hinweise zu Ihrer BOSCH Ersatzteilsuche

Beschreibung

Die aufgelisteten BOSCH Ersatzteile sind mit folgendem Gerät und Modell kompatibel:

BOSCH Gerätename:GOF1300CE Bare Tool
BOSCH Typennummer:0601613660
alternative Schreibweisen:0 601 613 660, 0601 613 660, 0.601.613.660, 0-601-613-660

Bitte prüfen Sie die Typennummer auf Ihrem Gerät um die Kompatibilität des BOSCH Ersatzteils zu gewährleisten.

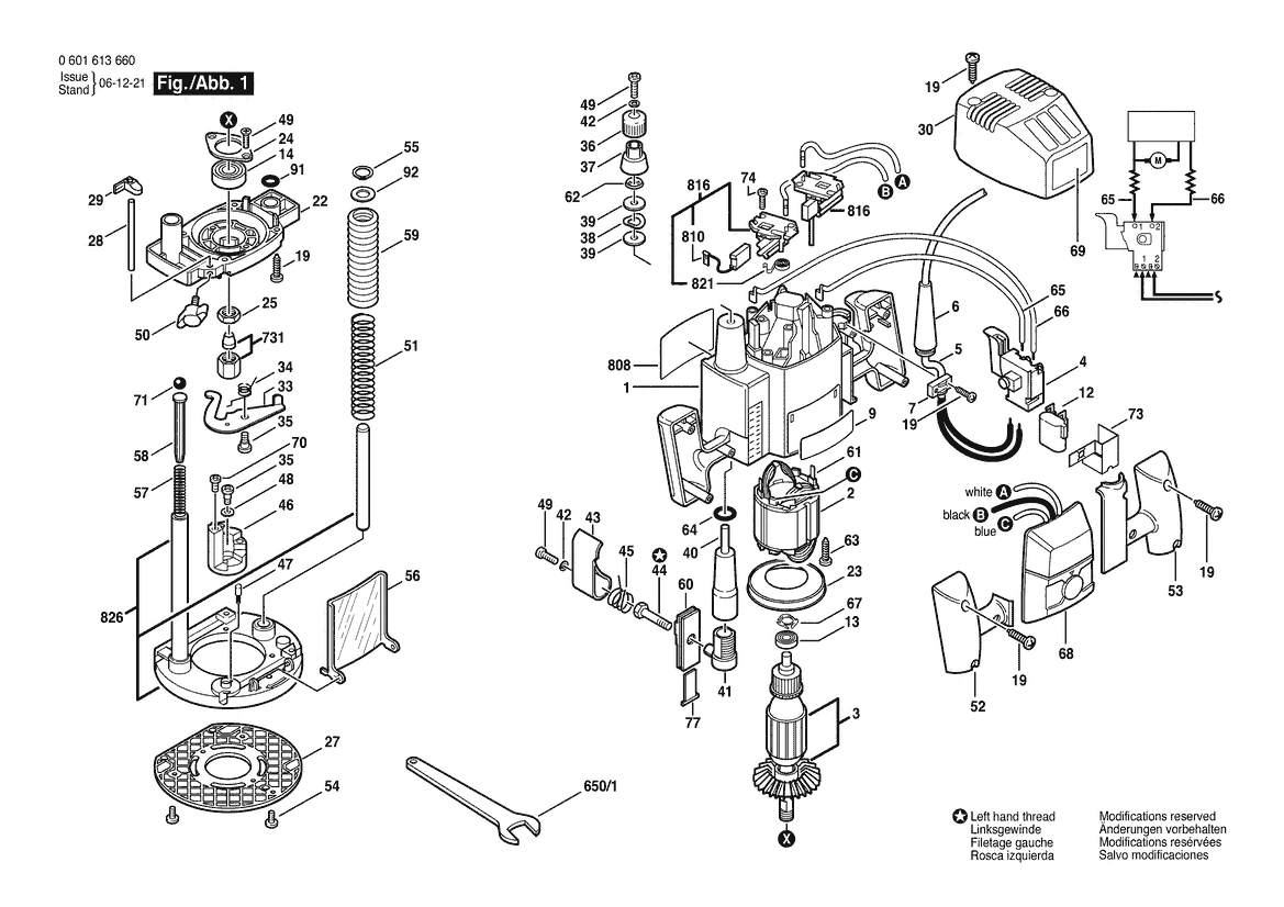
Die passenden Ersatzteile des BOSCH GOF1300CE Bare Tool (Oberfräse) mit der Typennummer 0601613660 finden Sie in der nachfolgenden Darstellung geordnet nach der Positionsnummern aus der Explosionszeichnung:

Pos.
1
BOSCH Motorgehäuse BLAU | Ersatzteile für GOF 1300 CE | 3605108584
Hersteller: BOSCH
Artikelnummer: EB-0601613660-3605108584
Netto: 28,93 € zzgl. MwSt.
zzgl. 6,90 € Versand (brutto)
einmalig pro Bestellung

Lieferzeit: 5 Werktage

Stück
Pos.
2
BOSCH Polschuh 230V | Ersatzteile für GOF 1300 CE | 2610941203
Hersteller: BOSCH
Artikelnummer: EB-0601613660-2610941203
Netto: 51,18 € zzgl. MwSt.
zzgl. 6,90 € Versand (brutto)
einmalig pro Bestellung

Lieferzeit: 5 Werktage

Stück
Pos.
3
BOSCH Anker 230V | Ersatzteile für GOF 1300 CE | 2610941202
Hersteller: BOSCH
Artikelnummer: EB-0601613660-2610941202
nur Informationsartikel
Nie mehr lieferbar
keine Alternativen
Pos.
4
BOSCH Schalter | Ersatzteile für GOF 1300 CE | 2607200251
Hersteller: BOSCH
Artikelnummer: EB-0601613660-2607200251
nur Informationsartikel
Nie mehr lieferbar
keine Alternativen
Pos.
5
BOSCH Netzanschlussleitung EU 4,25m 2 x 1,0mm H07 RN-F | Ersatzteile für GOF 1300 CE | 3604460557
Hersteller: BOSCH
Artikelnummer: EB-0601613660-3604460557
Netto: 35,13 € zzgl. MwSt.
zzgl. 6,90 € Versand (brutto)
einmalig pro Bestellung

Lieferzeit: 5 Werktage

Stück
Pos.
6
BOSCH Tülle | Ersatzteile für GOF 1300 CE | 2610947359
Hersteller: BOSCH
Artikelnummer: EB-0601613660-2610947359
Netto: 4,50 € zzgl. MwSt.
zzgl. 6,90 € Versand (brutto)
einmalig pro Bestellung

Lieferzeit: 5 Werktage

Stück
Pos.
7
BOSCH Leitungshalter | Ersatzteile für GOF 1300 CE | 2601035001
Hersteller: BOSCH
Artikelnummer: EB-0601613660-2601035001
Netto: 3,94 € zzgl. MwSt.
zzgl. 6,90 € Versand (brutto)
einmalig pro Bestellung

Lieferzeit: 5 Werktage

Stück
Pos.
9
BOSCH Hinweisschild | Ersatzteile für GOF 1300 CE | 2610998943
Hersteller: BOSCH
Artikelnummer: EB-0601613660-2610998943
Netto: 5,13 € zzgl. MwSt.
zzgl. 6,90 € Versand (brutto)
einmalig pro Bestellung

Lieferzeit: 5 Werktage

Stück
Pos.
12
BOSCH Entstörfilter | Ersatzteile für GOF 1300 CE | 1617328025
Hersteller: BOSCH
Artikelnummer: EB-0601613660-1617328025
nur Informationsartikel
Nie mehr lieferbar
keine Alternativen
Pos.
13
BOSCH Kugelführung | Ersatzteile für GOF 1300 CE | 3600905513
Hersteller: BOSCH
Artikelnummer: EB-0601613660-3600905513
Netto: 10,62 € zzgl. MwSt.
zzgl. 6,90 € Versand (brutto)
einmalig pro Bestellung

Lieferzeit: 5 Werktage

Stück
Pos.
14
BOSCH Kugellager | Ersatzteile für GOF 1300 CE | 1600900088
Hersteller: BOSCH
Artikelnummer: EB-0601613660-1600900088
nur Informationsartikel
Nie mehr lieferbar
keine Alternativen
Pos.
14
BOSCH Rillenkugellager | Ersatzteile für GOF 1300 CE | 3600905512
Hersteller: BOSCH
Artikelnummer: EB-0601613660-3600905512
nur Informationsartikel
Nie mehr lieferbar
keine Alternativen
Pos.
19
BOSCH Blechschraube | Ersatzteile für GOF 1300 CE | 2610910566
Hersteller: BOSCH
Artikelnummer: EB-0601613660-2610910566
nur Informationsartikel
Nie mehr lieferbar
keine Alternativen
Pos.
22
BOSCH Gehäuse | Ersatzteile für GOF 1300 CE | 2610997096
Hersteller: BOSCH
Artikelnummer: EB-0601613660-2610997096
Netto: 46,22 € zzgl. MwSt.
zzgl. 6,90 € Versand (brutto)
einmalig pro Bestellung

Lieferzeit: 5 Werktage

Stück
Pos.
23
BOSCH Luftleitring | Ersatzteile für GOF 1300 CE | 3600590508
Hersteller: BOSCH
Artikelnummer: EB-0601613660-3600590508
Netto: 4,56 € zzgl. MwSt.
zzgl. 6,90 € Versand (brutto)
einmalig pro Bestellung

Lieferzeit: 5 Werktage

Stück
Pos.
24
BOSCH Rückhalteblech | Ersatzteile für GOF 1300 CE | 3600034506
Hersteller: BOSCH
Artikelnummer: EB-0601613660-3600034506
nur Informationsartikel
Nie mehr lieferbar
keine Alternativen
Pos.
25
BOSCH Sechskantmutter | Ersatzteile für GOF 1300 CE | 3603300502
Hersteller: BOSCH
Artikelnummer: EB-0601613660-3603300502
nur Informationsartikel
Nie mehr lieferbar
keine Alternativen
Pos.
27
BOSCH Abdeckplatte | Ersatzteile für GOF 1300 CE | 2610997099
Hersteller: BOSCH
Artikelnummer: EB-0601613660-2610997099
Netto: 16,70 € zzgl. MwSt.
zzgl. 6,90 € Versand (brutto)
einmalig pro Bestellung

Lieferzeit: 5 Werktage

Stück
Pos.
28
BOSCH Stange | Ersatzteile für GOF 1300 CE | 2610997093
Hersteller: BOSCH
Artikelnummer: EB-0601613660-2610997093
Netto: 6,75 € zzgl. MwSt.
zzgl. 6,90 € Versand (brutto)
einmalig pro Bestellung

Lieferzeit: 5 Werktage

Stück
Pos.
29
BOSCH Zeiger | Ersatzteile für GOF 1300 CE | 2610997094
Hersteller: BOSCH
Artikelnummer: EB-0601613660-2610997094
Netto: 6,75 € zzgl. MwSt.
zzgl. 6,90 € Versand (brutto)
einmalig pro Bestellung

Lieferzeit: 5 Werktage

Stück
Pos.
30
BOSCH Gehäusedeckel | Ersatzteile für GOF 1300 CE | 2610943199
Hersteller: BOSCH
Artikelnummer: EB-0601613660-2610943199
Netto: 15,15 € zzgl. MwSt.
zzgl. 6,90 € Versand (brutto)
einmalig pro Bestellung

Lieferzeit: 5 Werktage

Stück
Pos.
33
BOSCH Schwingplatte | Ersatzteile für GOF 1300 CE | 3601021510
Hersteller: BOSCH
Artikelnummer: EB-0601613660-3601021510
nur Informationsartikel
Nie mehr lieferbar
keine Alternativen
Pos.
34
BOSCH Drehfeder | Ersatzteile für GOF 1300 CE | 3604651502
Hersteller: BOSCH
Artikelnummer: EB-0601613660-3604651502
Netto: 3,94 € zzgl. MwSt.
zzgl. 6,90 € Versand (brutto)
einmalig pro Bestellung

Lieferzeit: 5 Werktage

Stück
Pos.
35
BOSCH Ansatzschraube M4 | Ersatzteile für GOF 1300 CE | 3603415556
Hersteller: BOSCH
Artikelnummer: EB-0601613660-3603415556
Netto: 4,36 € zzgl. MwSt.
zzgl. 6,90 € Versand (brutto)
einmalig pro Bestellung

Lieferzeit: 5 Werktage

Stück
Pos.
36
BOSCH Knopf | Ersatzteile für GOF 1300 CE | 3603231539
Hersteller: BOSCH
Artikelnummer: EB-0601613660-3603231539
Netto: 3,94 € zzgl. MwSt.
zzgl. 6,90 € Versand (brutto)
einmalig pro Bestellung

Lieferzeit: 5 Werktage

Stück
Pos.
37
BOSCH Anzeigering | Ersatzteile für GOF 1300 CE | 3600209500
Hersteller: BOSCH
Artikelnummer: EB-0601613660-3600209500
Netto: 5,17 € zzgl. MwSt.
zzgl. 6,90 € Versand (brutto)
einmalig pro Bestellung

Lieferzeit: 5 Werktage

Stück
Pos.
38
BOSCH Federscheibe | Ersatzteile für GOF 1300 CE | 3600100528
Hersteller: BOSCH
Artikelnummer: EB-0601613660-3600100528
Netto: 3,60 € zzgl. MwSt.
zzgl. 6,90 € Versand (brutto)
einmalig pro Bestellung

Lieferzeit: 5 Werktage

Stück
Pos.
39
BOSCH Scheibe | Ersatzteile für GOF 1300 CE | 3600100527
Hersteller: BOSCH
Artikelnummer: EB-0601613660-3600100527
Netto: 4,36 € zzgl. MwSt.
zzgl. 6,90 € Versand (brutto)
einmalig pro Bestellung

Lieferzeit: 5 Werktage

Stück
Pos.
40
BOSCH Einstellhülse | Ersatzteile für GOF 1300 CE | 3600360507
Hersteller: BOSCH
Artikelnummer: EB-0601613660-3600360507
nur Informationsartikel
Nie mehr lieferbar
keine Alternativen
Pos.
41
BOSCH Verschlussstück | Ersatzteile für GOF 1300 CE | 3600400507
Hersteller: BOSCH
Artikelnummer: EB-0601613660-3600400507
Netto: 4,80 € zzgl. MwSt.
zzgl. 6,90 € Versand (brutto)
einmalig pro Bestellung

Lieferzeit: 5 Werktage

Stück
Pos.
42
BOSCH Federring B 4 DIN 127 | Ersatzteile für GOF 1300 CE | 2916680005
Hersteller: BOSCH
Artikelnummer: EB-0601613660-2916680005
nur Informationsartikel
Nie mehr lieferbar
keine Alternativen
Pos.
43
BOSCH Verschlusshebel | Ersatzteile für GOF 1300 CE | 3602000510
Hersteller: BOSCH
Artikelnummer: EB-0601613660-3602000510
Netto: 4,56 € zzgl. MwSt.
zzgl. 6,90 € Versand (brutto)
einmalig pro Bestellung

Lieferzeit: 5 Werktage

Stück
Pos.
44
BOSCH Sperr-Riegel | Ersatzteile für GOF 1300 CE | 3603450504
Hersteller: BOSCH
Artikelnummer: EB-0601613660-3603450504
Netto: 6,27 € zzgl. MwSt.
zzgl. 6,90 € Versand (brutto)
einmalig pro Bestellung

Lieferzeit: 5 Werktage

Stück
Pos.
45
BOSCH Verschlussfeder | Ersatzteile für GOF 1300 CE | 3604651503
Hersteller: BOSCH
Artikelnummer: EB-0601613660-3604651503
Netto: 4,36 € zzgl. MwSt.
zzgl. 6,90 € Versand (brutto)
einmalig pro Bestellung

Lieferzeit: 5 Werktage

Stück
Pos.
46
BOSCH Tiefenanschlag | Ersatzteile für GOF 1300 CE | 2610997191
Hersteller: BOSCH
Artikelnummer: EB-0601613660-2610997191
Netto: 10,62 € zzgl. MwSt.
zzgl. 6,90 € Versand (brutto)
einmalig pro Bestellung

Lieferzeit: 5 Werktage

Stück
Pos.
47
BOSCH Rastkappe | Ersatzteile für GOF 1300 CE | 2600590006
Hersteller: BOSCH
Artikelnummer: EB-0601613660-2600590006
Netto: 3,94 € zzgl. MwSt.
zzgl. 6,90 € Versand (brutto)
einmalig pro Bestellung

Lieferzeit: 5 Werktage

Stück
Pos.
48
BOSCH Federscheibe | Ersatzteile für GOF 1300 CE | 3916060500
Hersteller: BOSCH
Artikelnummer: EB-0601613660-3916060500
Netto: 3,60 € zzgl. MwSt.
zzgl. 6,90 € Versand (brutto)
einmalig pro Bestellung

Lieferzeit: 5 Werktage

Stück
Pos.
49
BOSCH Linsenschraube DIN 7985-M4X12-4.8-H | Ersatzteile für GOF 1300 CE | 2910641122
Hersteller: BOSCH
Artikelnummer: EB-0601613660-2910641122
Netto: 4,36 € zzgl. MwSt.
zzgl. 6,90 € Versand (brutto)
einmalig pro Bestellung

Lieferzeit: 5 Werktage

Stück
Pos.
50
BOSCH Flügelschraube M6x25 MM | Ersatzteile für GOF 1300 CE | 1613480009
Hersteller: BOSCH
Artikelnummer: EB-0601613660-1613480009
Netto: 3,94 € zzgl. MwSt.
zzgl. 6,90 € Versand (brutto)
einmalig pro Bestellung

Lieferzeit: 5 Werktage

Stück
Pos.
51
BOSCH Druckfeder | Ersatzteile für GOF 1300 CE | 2610997100
Hersteller: BOSCH
Artikelnummer: EB-0601613660-2610997100
nur Informationsartikel
Nie mehr lieferbar
keine Alternativen
Pos.
52
BOSCH Griffschale | Ersatzteile für GOF 1300 CE | 2610943197
Hersteller: BOSCH
Artikelnummer: EB-0601613660-2610943197
Netto: 9,05 € zzgl. MwSt.
zzgl. 6,90 € Versand (brutto)
einmalig pro Bestellung

Lieferzeit: 5 Werktage

Stück
Pos.
53
BOSCH Griffschale | Ersatzteile für GOF 1300 CE | 2610943198
Hersteller: BOSCH
Artikelnummer: EB-0601613660-2610943198
Netto: 9,63 € zzgl. MwSt.
zzgl. 6,90 € Versand (brutto)
einmalig pro Bestellung

Lieferzeit: 5 Werktage

Stück
Pos.
54
BOSCH Schraube | Ersatzteile für GOF 1300 CE | 2610915161
Hersteller: BOSCH
Artikelnummer: EB-0601613660-2610915161
nur Informationsartikel
Nie mehr lieferbar
keine Alternativen
Pos.
55
BOSCH Sicherungsring DIN 471-12x1-FSt | Ersatzteile für GOF 1300 CE | 2916650003
Hersteller: BOSCH
Artikelnummer: EB-0601613660-2916650003
Netto: 3,94 € zzgl. MwSt.
zzgl. 6,90 € Versand (brutto)
einmalig pro Bestellung

Lieferzeit: 5 Werktage

Stück
Pos.
56
BOSCH Spanabweiser | Ersatzteile für GOF 1300 CE | 2610912599
Hersteller: BOSCH
Artikelnummer: EB-0601613660-2610912599
nur Informationsartikel
Nie mehr lieferbar
keine Alternativen
Pos.
57
BOSCH Druckfeder | Ersatzteile für GOF 1300 CE | 3604613508
Hersteller: BOSCH
Artikelnummer: EB-0601613660-3604613508
nur Informationsartikel
Nie mehr lieferbar
keine Alternativen
Pos.
58
BOSCH Führungsstück | Ersatzteile für GOF 1300 CE | 3603120502
Hersteller: BOSCH
Artikelnummer: EB-0601613660-3603120502
nur Informationsartikel
Nie mehr lieferbar
keine Alternativen
Pos.
59
BOSCH Faltenbalg | Ersatzteile für GOF 1300 CE | 3605510548
Hersteller: BOSCH
Artikelnummer: EB-0601613660-3605510548
Netto: 6,75 € zzgl. MwSt.
zzgl. 6,90 € Versand (brutto)
einmalig pro Bestellung

Lieferzeit: 5 Werktage

Stück
Pos.
60
BOSCH Einlage | Ersatzteile für GOF 1300 CE | 3601010519
Hersteller: BOSCH
Artikelnummer: EB-0601613660-3601010519
nur Informationsartikel
Nie mehr lieferbar
keine Alternativen
Pos.
61
BOSCH Flachstecker | Ersatzteile für GOF 1300 CE | 1604477005
Hersteller: BOSCH
Artikelnummer: EB-0601613660-1604477005
Netto: 4,56 € zzgl. MwSt.
zzgl. 6,90 € Versand (brutto)
einmalig pro Bestellung

Lieferzeit: 5 Werktage

Stück
Pos.
62
BOSCH Haltering | Ersatzteile für GOF 1300 CE | 3604680502
Hersteller: BOSCH
Artikelnummer: EB-0601613660-3604680502
Netto: 3,94 € zzgl. MwSt.
zzgl. 6,90 € Versand (brutto)
einmalig pro Bestellung

Lieferzeit: 5 Werktage

Stück
Pos.
63
BOSCH Blechschraube | Ersatzteile für GOF 1300 CE | 2610991306
Hersteller: BOSCH
Artikelnummer: EB-0601613660-2610991306
Netto: 3,94 € zzgl. MwSt.
zzgl. 6,90 € Versand (brutto)
einmalig pro Bestellung

Lieferzeit: 5 Werktage

Stück
Pos.
64
BOSCH O-Ring | Ersatzteile für GOF 1300 CE | 3600210507
Hersteller: BOSCH
Artikelnummer: EB-0601613660-3600210507
Netto: 3,94 € zzgl. MwSt.
zzgl. 6,90 € Versand (brutto)
einmalig pro Bestellung

Lieferzeit: 5 Werktage

Stück
Pos.
65
BOSCH Elektr Leitung | Ersatzteile für GOF 1300 CE | 2610945855
Hersteller: BOSCH
Artikelnummer: EB-0601613660-2610945855
Netto: 4,56 € zzgl. MwSt.
zzgl. 6,90 € Versand (brutto)
einmalig pro Bestellung

Lieferzeit: 5 Werktage

Stück
Pos.
66
BOSCH Elektr Leitung | Ersatzteile für GOF 1300 CE | 2610945856
Hersteller: BOSCH
Artikelnummer: EB-0601613660-2610945856
Netto: 5,13 € zzgl. MwSt.
zzgl. 6,90 € Versand (brutto)
einmalig pro Bestellung

Lieferzeit: 5 Werktage

Stück
Pos.
67
BOSCH Federring | Ersatzteile für GOF 1300 CE | 3600150501
Hersteller: BOSCH
Artikelnummer: EB-0601613660-3600150501
Netto: 3,94 € zzgl. MwSt.
zzgl. 6,90 € Versand (brutto)
einmalig pro Bestellung

Lieferzeit: 5 Werktage

Stück
Pos.
68
BOSCH Steuereinheit 230V | Ersatzteile für GOF 1300 CE | 1607233153
Hersteller: BOSCH
Artikelnummer: EB-0601613660-1607233153
Netto: 51,18 € zzgl. MwSt.
zzgl. 6,90 € Versand (brutto)
einmalig pro Bestellung

Lieferzeit: 5 Werktage

Stück
Pos.
69
BOSCH Typschild | Ersatzteile für GOF 1300 CE | 2610912471
Hersteller: BOSCH
Artikelnummer: EB-0601613660-2610912471
Netto: 4,56 € zzgl. MwSt.
zzgl. 6,90 € Versand (brutto)
einmalig pro Bestellung

Lieferzeit: 5 Werktage

Stück
Pos.
70
BOSCH Zylinderschraube | Ersatzteile für GOF 1300 CE | 3603410504
Hersteller: BOSCH
Artikelnummer: EB-0601613660-3603410504
Netto: 4,36 € zzgl. MwSt.
zzgl. 6,90 € Versand (brutto)
einmalig pro Bestellung

Lieferzeit: 5 Werktage

Stück
Pos.
71
BOSCH Kugel DIN 5401-4 MM-III-ST | Ersatzteile für GOF 1300 CE | 1903230007
Hersteller: BOSCH
Artikelnummer: EB-0601613660-1903230007
Netto: 3,94 € zzgl. MwSt.
zzgl. 6,90 € Versand (brutto)
einmalig pro Bestellung

Lieferzeit: 5 Werktage

Stück
Pos.
73
BOSCH Stellring | Ersatzteile für GOF 1300 CE | 2610996090
Hersteller: BOSCH
Artikelnummer: EB-0601613660-2610996090
nur Informationsartikel
Nie mehr lieferbar
keine Alternativen
Pos.
74
BOSCH Blechschraube DIN 7981-ST2,9x13-C-H | Ersatzteile für GOF 1300 CE | 2910611006
Hersteller: BOSCH
Artikelnummer: EB-0601613660-2910611006
Netto: 3,94 € zzgl. MwSt.
zzgl. 6,90 € Versand (brutto)
einmalig pro Bestellung

Lieferzeit: 5 Werktage

Stück
Pos.
77
BOSCH Einsatz | Ersatzteile für GOF 1300 CE | 3601010521
Hersteller: BOSCH
Artikelnummer: EB-0601613660-3601010521
Netto: 4,56 € zzgl. MwSt.
zzgl. 6,90 € Versand (brutto)
einmalig pro Bestellung

Lieferzeit: 5 Werktage

Stück
Pos.
91
BOSCH O-Ring 12,0x2,0 MM | Ersatzteile für GOF 1300 CE | 1610210233
Hersteller: BOSCH
Artikelnummer: EB-0601613660-1610210233
Netto: 4,80 € zzgl. MwSt.
zzgl. 6,90 € Versand (brutto)
einmalig pro Bestellung

Lieferzeit: 5 Werktage

Stück
Pos.
92
BOSCH Unterlegscheibe | Ersatzteile für GOF 1300 CE | 2610913282
Hersteller: BOSCH
Artikelnummer: EB-0601613660-2610913282
Netto: 3,60 € zzgl. MwSt.
zzgl. 6,90 € Versand (brutto)
einmalig pro Bestellung

Lieferzeit: 5 Werktage

Stück
Pos.
650/1
BOSCH Einmaulschlüssel | Ersatzteile für GOF 1300 CE | 2610992417
Hersteller: BOSCH
Artikelnummer: EB-0601613660-2610992417
Netto: 13,81 € zzgl. MwSt.
zzgl. 6,90 € Versand (brutto)
einmalig pro Bestellung

Lieferzeit: 5 Werktage

Stück
Pos.
731
BOSCH Spannzange 1/2" | Ersatzteile für GOF 1300 CE | 2608570108
Hersteller: BOSCH
Artikelnummer: EB-0601613660-2608570108
Netto: 47,29 € zzgl. MwSt.
zzgl. 6,90 € Versand (brutto)
einmalig pro Bestellung

Lieferzeit: 5 Werktage

Stück
Pos.
731
BOSCH Spannzange 1/4" | Ersatzteile für GOF 1300 CE | 2608570104
Hersteller: BOSCH
Artikelnummer: EB-0601613660-2608570104
Netto: 46,59 € zzgl. MwSt.
zzgl. 6,90 € Versand (brutto)
einmalig pro Bestellung

Lieferzeit: 5 Werktage

Stück
Pos.
731
BOSCH Spannzange 10 MM | Ersatzteile für GOF 1300 CE | 2608570125
Hersteller: BOSCH
Artikelnummer: EB-0601613660-2608570125
Netto: 49,95 € zzgl. MwSt.
zzgl. 6,90 € Versand (brutto)
einmalig pro Bestellung

Lieferzeit: 5 Werktage

Stück
Pos.
731
BOSCH Spannzange 12 MM | Ersatzteile für GOF 1300 CE | 2608570107
Hersteller: BOSCH
Artikelnummer: EB-0601613660-2608570107
Netto: 47,29 € zzgl. MwSt.
zzgl. 6,90 € Versand (brutto)
einmalig pro Bestellung

Lieferzeit: 5 Werktage

Stück
Pos.
731
BOSCH Spannzange 3/8" | Ersatzteile für GOF 1300 CE | 2608570106
Hersteller: BOSCH
Artikelnummer: EB-0601613660-2608570106
Netto: 47,29 € zzgl. MwSt.
zzgl. 6,90 € Versand (brutto)
einmalig pro Bestellung

Lieferzeit: 5 Werktage

Stück
Pos.
731
BOSCH Spannzange 8 MM | Ersatzteile für GOF 1300 CE | 2608570105
Hersteller: BOSCH
Artikelnummer: EB-0601613660-2608570105
Netto: 47,29 € zzgl. MwSt.
zzgl. 6,90 € Versand (brutto)
einmalig pro Bestellung

Lieferzeit: 5 Werktage

Stück
Pos.
810
BOSCH Kohlebürstensatz | Ersatzteile für GOF 1300 CE | 2610007957
Hersteller: BOSCH
Artikelnummer: EB-0601613660-2610007957
Netto: 9,75 € zzgl. MwSt.
zzgl. 6,90 € Versand (brutto)
einmalig pro Bestellung

Lieferzeit: 5 Werktage

Stück
Pos.
816
BOSCH Bürstenhalter | Ersatzteile für GOF 1300 CE | 2610013632
Hersteller: BOSCH
Artikelnummer: EB-0601613660-2610013632
Netto: 23,72 € zzgl. MwSt.
zzgl. 6,90 € Versand (brutto)
einmalig pro Bestellung

Lieferzeit: 5 Werktage

Stück
Pos.
821
BOSCH Feder | Ersatzteile für GOF 1300 CE | 3604652501
Hersteller: BOSCH
Artikelnummer: EB-0601613660-3604652501
Netto: 5,17 € zzgl. MwSt.
zzgl. 6,90 € Versand (brutto)
einmalig pro Bestellung

Lieferzeit: 5 Werktage

Stück
Pos.
826
BOSCH Untergestell | Ersatzteile für GOF 1300 CE | 2610997115
Hersteller: BOSCH
Artikelnummer: EB-0601613660-2610997115
nur Informationsartikel
Nie mehr lieferbar
keine Alternativen
Pos.
731
BOSCH Spannzange 6 MM | Ersatzteile für GOF 1300 CE | 2608570103
Hersteller: BOSCH
Artikelnummer: EB-0601613660-2608570125
Netto: 48,62 € zzgl. MwSt.
zzgl. 6,90 € Versand (brutto)
einmalig pro Bestellung

Lieferzeit: 5 Werktage

Stück
Pos.
808
BOSCH Typschild | Ersatzteile für GOF 1300 CE | 2610948995
Hersteller: BOSCH
Artikelnummer: EB-0601613660-2610948995
Netto: 4,56 € zzgl. MwSt.
zzgl. 6,90 € Versand (brutto)
einmalig pro Bestellung

Lieferzeit: 5 Werktage

Stück

Angaben zur Produktsicherheit

Hersteller:
Robert Bosch Power Tools GmbH
Postfach 30 02 20
70442 Stuttgart

E-Mail:
kontakt@bosch.de