BOSCH Polschuh 220-230V | Ersatzteile für GPO 12 E | 3604220135

Artikelnummer: EB-0601366703-3604220135

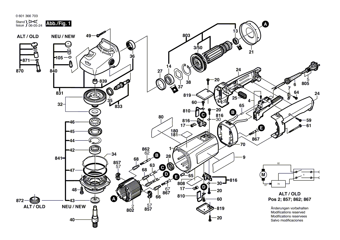
Position: 802

Marke: BOSCH


Bitte Kompatibilität prüfen!

Bitte prüfen Sie unbedingt die 10-stellige Typennummer Ihrer Maschine / Ihres Gerätes. Das Ersatzteil ist nur kompatibel, wenn Sie die Typennummer Ihrer Maschine in der unten stehenden Produktbeschreibung finden.

Bitte prüfen Sie ebenfalls detailliert die Explosionszeichnung mit Ihrem Artikelwunsch und der jeweiligen Pos-Nummer.

Alle Elemente, welche vom schwarzen Strich der Pos-Nummer ausgehend berührt / erfasst werden, gehören zu dieser Pos-Nummer und somit zu diesem Artikel. Jede Pos-Nummer ist ein eigenständiger Artikel, welchen Sie in der Auflistung finden.

Sie erhalten stets die aktuellste, neueste Produktversion zu der gewählten Pos-Nummer seitens des Herstellers. Es kann daher je nach Gerätealter vorkommen, dass Sie ggf. weitere, zugehörige Elemente, welche an diese Pos-Nummer grenzen, ebenfalls mittauschen müssen.

Nähere Informationen finden Sie unter dem Link
Hinweise zu Ihrer BOSCH Ersatzteilsuche
Leider wird dieses Ersatzteil seitens des Herstellers nicht mehr und nie wieder hergestellt.

Es gibt somit leider keine Alternative oder Ersatz, da dieser ansonsten hier gelistet / genannt wäre.

Bitte prüfen Sie alternativ ggf. auch Gebrauchtwarenmärkte und Kleinanzeigenplattformen.

Beschreibung

  • Polschuh 220-230V
  • Original Bosch Zubehör / BOSCH Ersatzteil (3604220135)
  • im Gerät verbaut: 1
Dieses BOSCH Ersatzteil ist mit folgendem Gerät und Modell kompatibel:
  • BOSCH Gerätename: GPO 12 E
  • BOSCH Explosionszeichnung: Position 802
  • BOSCH Typennummer: 0601366703
  • BOSCH Typennummer alternative Schreibweisen: 0 601 366 703, 0601 366 703, 0.601.366.703, 0-601-366-703
    Bitte prüfen Sie diese Typennummer auf Ihrem Gerät um die Kompatibilität des BOSCH Ersatzteils zu gewährleisten.
Weitere BOSCH Ersatzteile des Gerätes GPO 12 E (Winkelpolierer) mit der Typennummer 0601366703 finden Sie in der nachfolgenden Darstellung und im Dropdown zu Ihrer Auswahl:

Pos.
1
BOSCH Motorgehäuse BLAU | Ersatzteile für GPO 12 E | 3605108129
Hersteller: BOSCH
Artikelnummer: EB-0601366703-3605108129
Netto: 23,72 € zzgl. MwSt.
zzgl. 6,90 € Versand (brutto)
einmalig pro Bestellung

Lieferzeit: 5 Werktage

Pos.
3/50
BOSCH Lüfter | Ersatzteile für GPO 12 E | 1606610126
Hersteller: BOSCH
Artikelnummer: EB-0601366703-1606610126
Netto: 7,58 € zzgl. MwSt.
zzgl. 6,90 € Versand (brutto)
einmalig pro Bestellung

Lieferzeit: 5 Werktage

Pos.
4
BOSCH Schalter | Ersatzteile für GPO 12 E | 1607200080
Hersteller: BOSCH
Artikelnummer: EB-0601366703-1607200080
nur Informationsartikel
Nie mehr lieferbar
keine Alternativen
Pos.
6
BOSCH Tülle Ø9,2-Ø12x120 MM | Ersatzteile für GPO 12 E | 3600703011
Hersteller: BOSCH
Artikelnummer: EB-0601366703-3600703011
Netto: 4,80 € zzgl. MwSt.
zzgl. 6,90 € Versand (brutto)
einmalig pro Bestellung

Lieferzeit: 5 Werktage

Pos.
7
BOSCH Befestigungsschelle | Ersatzteile für GPO 12 E | 1601302014
Hersteller: BOSCH
Artikelnummer: EB-0601366703-1601302014
Netto: 4,56 € zzgl. MwSt.
zzgl. 6,90 € Versand (brutto)
einmalig pro Bestellung

Lieferzeit: 5 Werktage

Pos.
9
BOSCH Firmenschild | Ersatzteile für GPO 12 E | 3601110188
Hersteller: BOSCH
Artikelnummer: EB-0601366703-3601110188
nur Informationsartikel
Nie mehr lieferbar
keine Alternativen
Pos.
13
BOSCH Kugellager 7x19x6 | Ersatzteile für GPO 12 E | 2600905032
Hersteller: BOSCH
Artikelnummer: EB-0601366703-2600905032
Netto: 6,27 € zzgl. MwSt.
zzgl. 6,90 € Versand (brutto)
einmalig pro Bestellung

Lieferzeit: 5 Werktage

Pos.
14
BOSCH Rillenkugellager 9x26x8 | Ersatzteile für GPO 12 E | 3600905131
Hersteller: BOSCH
Artikelnummer: EB-0601366703-3600905131
Netto: 9,75 € zzgl. MwSt.
zzgl. 6,90 € Versand (brutto)
einmalig pro Bestellung

Lieferzeit: 5 Werktage

Pos.
17
BOSCH Spiralfeder | Ersatzteile für GPO 12 E | 1604652006
Hersteller: BOSCH
Artikelnummer: EB-0601366703-1604652006
Netto: 3,94 € zzgl. MwSt.
zzgl. 6,90 € Versand (brutto)
einmalig pro Bestellung

Lieferzeit: 5 Werktage

Pos.
20
BOSCH Blechschraube DIN 7971-ST3,9x16-F | Ersatzteile für GPO 12 E | 2910211019
Hersteller: BOSCH
Artikelnummer: EB-0601366703-2910211019
Netto: 3,60 € zzgl. MwSt.
zzgl. 6,90 € Versand (brutto)
einmalig pro Bestellung

Lieferzeit: 5 Werktage

Pos.
21
BOSCH Luftleitring | Ersatzteile für GPO 12 E | 3600421002
Hersteller: BOSCH
Artikelnummer: EB-0601366703-3600421002
Netto: 4,36 € zzgl. MwSt.
zzgl. 6,90 € Versand (brutto)
einmalig pro Bestellung

Lieferzeit: 5 Werktage

Pos.
24
BOSCH Handgriff SCHWARZ | Ersatzteile für GPO 12 E | 3605132062
Hersteller: BOSCH
Artikelnummer: EB-0601366703-3605132062
nur Informationsartikel
Nie mehr lieferbar
keine Alternativen
Pos.
25
BOSCH Ablageleiste SCHWARZ | Ersatzteile für GPO 12 E | 1602388029
Hersteller: BOSCH
Artikelnummer: EB-0601366703-1602388029
Netto: 3,94 € zzgl. MwSt.
zzgl. 6,90 € Versand (brutto)
einmalig pro Bestellung

Lieferzeit: 5 Werktage

Pos.
27
BOSCH Zwischenring | Ersatzteile für GPO 12 E | 1600206026
Hersteller: BOSCH
Artikelnummer: EB-0601366703-1600206026
Netto: 3,94 € zzgl. MwSt.
zzgl. 6,90 € Versand (brutto)
einmalig pro Bestellung

Lieferzeit: 5 Werktage

Pos.
28
BOSCH Zwischenring | Ersatzteile für GPO 12 E | 1600502011
Hersteller: BOSCH
Artikelnummer: EB-0601366703-1600502011
Netto: 4,56 € zzgl. MwSt.
zzgl. 6,90 € Versand (brutto)
einmalig pro Bestellung

Lieferzeit: 5 Werktage

Pos.
30
BOSCH Sicherungsblech | Ersatzteile für GPO 12 E | 1601030022
Hersteller: BOSCH
Artikelnummer: EB-0601366703-1601030022
Netto: 3,94 € zzgl. MwSt.
zzgl. 6,90 € Versand (brutto)
einmalig pro Bestellung

Lieferzeit: 5 Werktage

Pos.
32
BOSCH Tellerrad Z=59 | Ersatzteile für GPO 12 E | 3606333052
Hersteller: BOSCH
Artikelnummer: EB-0601366703-3606333052
Netto: 82,83 € zzgl. MwSt.
zzgl. 6,90 € Versand (brutto)
einmalig pro Bestellung

Lieferzeit: 5 Werktage

Pos.
34
BOSCH Ausgleichscheibe 0,1 MM DICK | Ersatzteile für GPO 12 E | 1600190022
Hersteller: BOSCH
Artikelnummer: EB-0601366703-1600190022
Netto: 3,94 € zzgl. MwSt.
zzgl. 6,90 € Versand (brutto)
einmalig pro Bestellung

Lieferzeit: 5 Werktage

Pos.
34
BOSCH Ausgleichscheibe 0,15 MM DICK | Ersatzteile für GPO 12 E | 1600190020
Hersteller: BOSCH
Artikelnummer: EB-0601366703-1600190020
Netto: 3,94 € zzgl. MwSt.
zzgl. 6,90 € Versand (brutto)
einmalig pro Bestellung

Lieferzeit: 5 Werktage

Pos.
34
BOSCH Ausgleichscheibe 0,2 MM DICK | Ersatzteile für GPO 12 E | 1600190037
Hersteller: BOSCH
Artikelnummer: EB-0601366703-1600190037
Netto: 3,60 € zzgl. MwSt.
zzgl. 6,90 € Versand (brutto)
einmalig pro Bestellung

Lieferzeit: 5 Werktage

Pos.
34
BOSCH Ausgleichscheibe 0,3 MM DICK | Ersatzteile für GPO 12 E | 1600190021
Hersteller: BOSCH
Artikelnummer: EB-0601366703-1600190021
Netto: 4,56 € zzgl. MwSt.
zzgl. 6,90 € Versand (brutto)
einmalig pro Bestellung

Lieferzeit: 5 Werktage

Pos.
35
BOSCH Dichtring | Ersatzteile für GPO 12 E | 3600290039
Hersteller: BOSCH
Artikelnummer: EB-0601366703-3600290039
Netto: 5,65 € zzgl. MwSt.
zzgl. 6,90 € Versand (brutto)
einmalig pro Bestellung

Lieferzeit: 5 Werktage

Pos.
36
BOSCH Gewindering | Ersatzteile für GPO 12 E | 3600200026
Hersteller: BOSCH
Artikelnummer: EB-0601366703-3600200026
Netto: 9,75 € zzgl. MwSt.
zzgl. 6,90 € Versand (brutto)
einmalig pro Bestellung

Lieferzeit: 5 Werktage

Pos.
37
BOSCH Federscheibe | Ersatzteile für GPO 12 E | 1600150026
Hersteller: BOSCH
Artikelnummer: EB-0601366703-1600150026
Netto: 4,80 € zzgl. MwSt.
zzgl. 6,90 € Versand (brutto)
einmalig pro Bestellung

Lieferzeit: 5 Werktage

Pos.
38
BOSCH Sicherungsring | Ersatzteile für GPO 12 E | 1600119009
Hersteller: BOSCH
Artikelnummer: EB-0601366703-1600119009
Netto: 3,94 € zzgl. MwSt.
zzgl. 6,90 € Versand (brutto)
einmalig pro Bestellung

Lieferzeit: 5 Werktage

Pos.
40
BOSCH Schleifspindel M14, SW17 | Ersatzteile für GPO 12 E | 1603523100
Hersteller: BOSCH
Artikelnummer: EB-0601366703-1603523100
Netto: 12,50 € zzgl. MwSt.
zzgl. 6,90 € Versand (brutto)
einmalig pro Bestellung

Lieferzeit: 5 Werktage

Pos.
42
BOSCH Rillenkugellager | Ersatzteile für GPO 12 E | 3600905134
Hersteller: BOSCH
Artikelnummer: EB-0601366703-3600905134
Netto: 9,75 € zzgl. MwSt.
zzgl. 6,90 € Versand (brutto)
einmalig pro Bestellung

Lieferzeit: 5 Werktage

Pos.
43
BOSCH Dichtring SCHWARZ | Ersatzteile für GPO 12 E | 1600290036
Hersteller: BOSCH
Artikelnummer: EB-0601366703-1600290036
Netto: 4,36 € zzgl. MwSt.
zzgl. 6,90 € Versand (brutto)
einmalig pro Bestellung

Lieferzeit: 5 Werktage

Pos.
44
BOSCH Sicherungsbügel | Ersatzteile für GPO 12 E | 1600119010
Hersteller: BOSCH
Artikelnummer: EB-0601366703-1600119010
Netto: 3,94 € zzgl. MwSt.
zzgl. 6,90 € Versand (brutto)
einmalig pro Bestellung

Lieferzeit: 5 Werktage

Pos.
45
BOSCH Haltering | Ersatzteile für GPO 12 E | 1600290019
Hersteller: BOSCH
Artikelnummer: EB-0601366703-1600290019
Netto: 3,94 € zzgl. MwSt.
zzgl. 6,90 € Versand (brutto)
einmalig pro Bestellung

Lieferzeit: 5 Werktage

Pos.
46
BOSCH Filzring | Ersatzteile für GPO 12 E | 1600205034
Hersteller: BOSCH
Artikelnummer: EB-0601366703-1600205034
Netto: 3,94 € zzgl. MwSt.
zzgl. 6,90 € Versand (brutto)
einmalig pro Bestellung

Lieferzeit: 5 Werktage

Pos.
47
BOSCH O-Ring 79,0x1,78 MM | Ersatzteile für GPO 12 E | 1600210033
Hersteller: BOSCH
Artikelnummer: EB-0601366703-1600210033
Netto: 3,94 € zzgl. MwSt.
zzgl. 6,90 € Versand (brutto)
einmalig pro Bestellung

Lieferzeit: 5 Werktage

Pos.
48
BOSCH Gewindefurchschraube | Ersatzteile für GPO 12 E | 1603435076
Hersteller: BOSCH
Artikelnummer: EB-0601366703-1603435076
Netto: 4,56 € zzgl. MwSt.
zzgl. 6,90 € Versand (brutto)
einmalig pro Bestellung

Lieferzeit: 5 Werktage

Pos.
49
BOSCH Blechschraube DIN 7981-4,8x38-C-Z-ST | Ersatzteile für GPO 12 E | 2912401038
Hersteller: BOSCH
Artikelnummer: EB-0601366703-2912401038
Netto: 3,60 € zzgl. MwSt.
zzgl. 6,90 € Versand (brutto)
einmalig pro Bestellung

Lieferzeit: 5 Werktage

Pos.
57
BOSCH Leitungsführung | Ersatzteile für GPO 12 E | 3601025003
Hersteller: BOSCH
Artikelnummer: EB-0601366703-3601025003
Netto: 3,94 € zzgl. MwSt.
zzgl. 6,90 € Versand (brutto)
einmalig pro Bestellung

Lieferzeit: 5 Werktage

Pos.
59
BOSCH Blechschraube DIN 7971-ST3,9x22-F | Ersatzteile für GPO 12 E | 2910211021
Hersteller: BOSCH
Artikelnummer: EB-0601366703-2910211021
Netto: 3,94 € zzgl. MwSt.
zzgl. 6,90 € Versand (brutto)
einmalig pro Bestellung

Lieferzeit: 5 Werktage

Pos.
60
BOSCH Zylinderschraube DIN 84-AM4x8-8.8 | Ersatzteile für GPO 12 E | 2910021118
Hersteller: BOSCH
Artikelnummer: EB-0601366703-2910021118
Netto: 3,60 € zzgl. MwSt.
zzgl. 6,90 € Versand (brutto)
einmalig pro Bestellung

Lieferzeit: 5 Werktage

Pos.
61
BOSCH Blechschraube | Ersatzteile für GPO 12 E | 3603435043
Hersteller: BOSCH
Artikelnummer: EB-0601366703-3603435043
Netto: 3,94 € zzgl. MwSt.
zzgl. 6,90 € Versand (brutto)
einmalig pro Bestellung

Lieferzeit: 5 Werktage

Pos.
62
BOSCH Verbindungsleitung | Ersatzteile für GPO 12 E | 3604438028
Hersteller: BOSCH
Artikelnummer: EB-0601366703-3604438028
Netto: 5,65 € zzgl. MwSt.
zzgl. 6,90 € Versand (brutto)
einmalig pro Bestellung

Lieferzeit: 5 Werktage

Pos.
63
BOSCH Flachstecker | Ersatzteile für GPO 12 E | 1604477001
Hersteller: BOSCH
Artikelnummer: EB-0601366703-1604477001
Netto: 3,94 € zzgl. MwSt.
zzgl. 6,90 € Versand (brutto)
einmalig pro Bestellung

Lieferzeit: 5 Werktage

Pos.
64
BOSCH Torx-Linsenschraube 4x12 | Ersatzteile für GPO 12 E | 2603490021
Hersteller: BOSCH
Artikelnummer: EB-0601366703-2603490021
Netto: 3,60 € zzgl. MwSt.
zzgl. 6,90 € Versand (brutto)
einmalig pro Bestellung

Lieferzeit: 5 Werktage

Pos.
65
BOSCH Aderendhülse DIN 46 228-A2,5-7 | Ersatzteile für GPO 12 E | 1900452003
Hersteller: BOSCH
Artikelnummer: EB-0601366703-1900452003
Netto: 4,56 € zzgl. MwSt.
zzgl. 6,90 € Versand (brutto)
einmalig pro Bestellung

Lieferzeit: 5 Werktage

Pos.
67
BOSCH Verbindungsleitung | Ersatzteile für GPO 12 E | 3604438026
Hersteller: BOSCH
Artikelnummer: EB-0601366703-3604438026
Netto: 7,26 € zzgl. MwSt.
zzgl. 6,90 € Versand (brutto)
einmalig pro Bestellung

Lieferzeit: 5 Werktage

Pos.
68
BOSCH Schrumpfschlauch | Ersatzteile für GPO 12 E | 3600707022
Hersteller: BOSCH
Artikelnummer: EB-0601366703-3600707022
Netto: 5,17 € zzgl. MwSt.
zzgl. 6,90 € Versand (brutto)
einmalig pro Bestellung

Lieferzeit: 5 Werktage

Pos.
70
BOSCH Drehzahlregler 220-240V | Ersatzteile für GPO 12 E | 3607218003
Hersteller: BOSCH
Artikelnummer: EB-0601366703-3607218003
Netto: 51,18 € zzgl. MwSt.
zzgl. 6,90 € Versand (brutto)
einmalig pro Bestellung

Lieferzeit: 5 Werktage

Pos.
80
BOSCH Hinweisschild ACHTUNG | Ersatzteile für GPO 12 E | 3601110189
Hersteller: BOSCH
Artikelnummer: EB-0601366703-3601110189
nur Informationsartikel
Nie mehr lieferbar
keine Alternativen
Pos.
105
BOSCH O-Ring 8,0x1,0 MM | Ersatzteile für GPO 12 E | 1600210045
Hersteller: BOSCH
Artikelnummer: EB-0601366703-1600210045
Netto: 3,94 € zzgl. MwSt.
zzgl. 6,90 € Versand (brutto)
einmalig pro Bestellung

Lieferzeit: 5 Werktage

Pos.
650
BOSCH Zusatzhandgriff | Ersatzteile für GPO 12 E | 3602025017
Hersteller: BOSCH
Artikelnummer: EB-0601366703-3602025017
Netto: 11,58 € zzgl. MwSt.
zzgl. 6,90 € Versand (brutto)
einmalig pro Bestellung

Lieferzeit: 5 Werktage

Pos.
650/20
BOSCH Rändelschraube M 14 | Ersatzteile für GPO 12 E | 2603481001
Hersteller: BOSCH
Artikelnummer: EB-0601366703-2603481001
Netto: 4,56 € zzgl. MwSt.
zzgl. 6,90 € Versand (brutto)
einmalig pro Bestellung

Lieferzeit: 5 Werktage

Pos.
651
BOSCH Griffschale | Ersatzteile für GPO 12 E | 9618089612
Hersteller: BOSCH
Artikelnummer: EB-0601366703-9618089612
Netto: 11,58 € zzgl. MwSt.
zzgl. 6,90 € Versand (brutto)
einmalig pro Bestellung

Lieferzeit: 5 Werktage

Pos.
802
BOSCH Polschuh 220-230V | Ersatzteile für GPO 12 E | 3604220135
Hersteller: BOSCH
Artikelnummer: EB-0601366703-3604220135
nur Informationsartikel
Nie mehr lieferbar
keine Alternativen
Pos.
803
BOSCH Anker 220-240V | Ersatzteile für GPO 12 E | 3607031329
Hersteller: BOSCH
Artikelnummer: EB-0601366703-3607031329
nur Informationsartikel
Nie mehr lieferbar
keine Alternativen
Pos.
805
BOSCH Netzanschlussleitung EU 4,15m 2 x 1,0mm H07 RN-F | Ersatzteile für GPO 12 E | 1607000227
Hersteller: BOSCH
Artikelnummer: EB-0601366703-1607000227
Netto: 20,80 € zzgl. MwSt.
zzgl. 6,90 € Versand (brutto)
einmalig pro Bestellung

Lieferzeit: 5 Werktage

Pos.
808
BOSCH Typschild 26x52 MM | Ersatzteile für GPO 12 E | 1601106032
Hersteller: BOSCH
Artikelnummer: EB-0601366703-1601106032
nur Informationsartikel
Nie mehr lieferbar
keine Alternativen
Pos.
810
BOSCH Kohlebürstensatz | Ersatzteile für GPO 12 E | 3607014012
Hersteller: BOSCH
Artikelnummer: EB-0601366703-3607014012
Netto: 20,80 € zzgl. MwSt.
zzgl. 6,90 € Versand (brutto)
einmalig pro Bestellung

Lieferzeit: 5 Werktage

Pos.
819
BOSCH Verschlussdeckel BLAU | Ersatzteile für GPO 12 E | 3605500063
Hersteller: BOSCH
Artikelnummer: EB-0601366703-3605500063
Netto: 5,65 € zzgl. MwSt.
zzgl. 6,90 € Versand (brutto)
einmalig pro Bestellung

Lieferzeit: 5 Werktage

Pos.
831
BOSCH Lagerflansch | Ersatzteile für GPO 12 E | 3607000109
Hersteller: BOSCH
Artikelnummer: EB-0601366703-3607000109
Netto: 67,29 € zzgl. MwSt.
zzgl. 6,90 € Versand (brutto)
einmalig pro Bestellung

Lieferzeit: 5 Werktage

Pos.
833
BOSCH Kegelrad Z=6 | Ersatzteile für GPO 12 E | 3607000079
Hersteller: BOSCH
Artikelnummer: EB-0601366703-3607000079
Netto: 101,78 € zzgl. MwSt.
zzgl. 6,90 € Versand (brutto)
einmalig pro Bestellung

Lieferzeit: 5 Werktage

Pos.
839
BOSCH Nadellager Ø14 MM | Ersatzteile für GPO 12 E | 2600910001
Hersteller: BOSCH
Artikelnummer: EB-0601366703-2600910001
Netto: 5,65 € zzgl. MwSt.
zzgl. 6,90 € Versand (brutto)
einmalig pro Bestellung

Lieferzeit: 5 Werktage

Pos.
840
BOSCH Druckknopf | Ersatzteile für GPO 12 E | 1607000354
Hersteller: BOSCH
Artikelnummer: EB-0601366703-1607000354
Netto: 7,26 € zzgl. MwSt.
zzgl. 6,90 € Versand (brutto)
einmalig pro Bestellung

Lieferzeit: 5 Werktage

Pos.
841
BOSCH Lagerflansch | Ersatzteile für GPO 12 E | 3607000108
Hersteller: BOSCH
Artikelnummer: EB-0601366703-3607000108
Netto: 28,93 € zzgl. MwSt.
zzgl. 6,90 € Versand (brutto)
einmalig pro Bestellung

Lieferzeit: 5 Werktage

Pos.
857
BOSCH Leitungsführung | Ersatzteile für GPO 12 E | 1601025001
Hersteller: BOSCH
Artikelnummer: EB-0601366703-1601025001
Netto: 3,94 € zzgl. MwSt.
zzgl. 6,90 € Versand (brutto)
einmalig pro Bestellung

Lieferzeit: 5 Werktage

Pos.
870
BOSCH Druckknopf SCHWARZ | Ersatzteile für GPO 12 E | 1607000206
Hersteller: BOSCH
Artikelnummer: EB-0601366703-1607000206
Netto: 9,75 € zzgl. MwSt.
zzgl. 6,90 € Versand (brutto)
einmalig pro Bestellung

Lieferzeit: 5 Werktage

Pos.
871
BOSCH O-Ring 4,0x1,0 MM | Ersatzteile für GPO 12 E | 1600210034
Hersteller: BOSCH
Artikelnummer: EB-0601366703-1600210034
Netto: 3,94 € zzgl. MwSt.
zzgl. 6,90 € Versand (brutto)
einmalig pro Bestellung

Lieferzeit: 5 Werktage

Pos.
872
BOSCH Dichtring | Ersatzteile für GPO 12 E | 1600290020
Hersteller: BOSCH
Artikelnummer: EB-0601366703-1600290020
Netto: 3,94 € zzgl. MwSt.
zzgl. 6,90 € Versand (brutto)
einmalig pro Bestellung

Lieferzeit: 5 Werktage

Pos.
740
BOSCH Schutzbügel | Ersatzteile für GPO 12 E | 1601329013
Hersteller: BOSCH
Artikelnummer: EB-0601366703-1601329013
Netto: 17,49 € zzgl. MwSt.
zzgl. 6,90 € Versand (brutto)
einmalig pro Bestellung

Lieferzeit: 5 Werktage

Pos.
766
BOSCH Teilesatz | Ersatzteile für GPO 12 E | 2607001190
Hersteller: BOSCH
Artikelnummer: EB-0601366703-2607001190
nur Informationsartikel
Nie mehr lieferbar
keine Alternativen
Pos.
808
BOSCH Typschild | Ersatzteile für GPO 12 E | 160111A3H3
Hersteller: BOSCH
Artikelnummer: EB-0601366703-160111A3H3
Netto: 4,56 € zzgl. MwSt.
zzgl. 6,90 € Versand (brutto)
einmalig pro Bestellung

Lieferzeit: 5 Werktage

Pos.
816
BOSCH Bürstenhalter | Ersatzteile für GPO 12 E | 1607000189
Hersteller: BOSCH
Artikelnummer: EB-0601366703-3604336012
Netto: 6,45 € zzgl. MwSt.
zzgl. 6,90 € Versand (brutto)
einmalig pro Bestellung

Lieferzeit: 5 Werktage

Pos.
862
BOSCH Verbindungsleitung L=235 MM BLAU | Ersatzteile für GPO 12 E | 3604438000
Hersteller: BOSCH
Artikelnummer: EB-0601366703-3604438000
nur Informationsartikel
Nie mehr lieferbar
keine Alternativen
Pos.
867
BOSCH Verbindungsleitung | Ersatzteile für GPO 12 E | 1604431002
Hersteller: BOSCH
Artikelnummer: EB-0601366703-1604431002
nur Informationsartikel
Nie mehr lieferbar
keine Alternativen

Angaben zur Produktsicherheit

Hersteller:
Robert Bosch Power Tools GmbH
Postfach 30 02 20
70442 Stuttgart

E-Mail:
kontakt@bosch.de