BOSCH Führungsbügel | Ersatzteile für GR.88 | 1608040081

Artikelnummer: EB-0602530004-1608040081

:

Marke: BOSCH


Bitte Kompatibilität prüfen!

Bitte prüfen Sie unbedingt die 10-stellige Typennummer Ihrer Maschine / Ihres Gerätes. Das Ersatzteil ist nur kompatibel, wenn Sie die Typennummer Ihrer Maschine in der unten stehenden Produktbeschreibung finden.

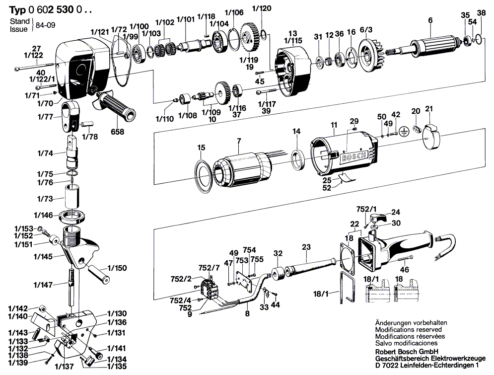
Bitte prüfen Sie ebenfalls detailliert die Explosionszeichnung mit Ihrem Artikelwunsch und der jeweiligen Pos-Nummer.

Alle Elemente, welche vom schwarzen Strich der Pos-Nummer ausgehend berührt / erfasst werden, gehören zu dieser Pos-Nummer und somit zu diesem Artikel. Jede Pos-Nummer ist ein eigenständiger Artikel, welchen Sie in der Auflistung finden.

Sie erhalten stets die aktuellste, neueste Produktversion zu der gewählten Pos-Nummer seitens des Herstellers. Es kann daher je nach Gerätealter vorkommen, dass Sie ggf. weitere, zugehörige Elemente, welche an diese Pos-Nummer grenzen, ebenfalls mittauschen müssen.

Nähere Informationen finden Sie unter dem Link
Hinweise zu Ihrer BOSCH Ersatzteilsuche
Leider wird dieses Ersatzteil seitens des Herstellers nicht mehr und nie wieder hergestellt.

Es gibt somit leider keine Alternative oder Ersatz, da dieser ansonsten hier gelistet / genannt wäre.

Bitte prüfen Sie alternativ ggf. auch Gebrauchtwarenmärkte und Kleinanzeigenplattformen.

Beschreibung

  • Führungsbügel
  • Original Bosch Zubehör / BOSCH Ersatzteil (1608040081)
  • im Gerät verbaut: 1
Dieses BOSCH Ersatzteil ist mit folgendem Gerät und Modell kompatibel:
  • BOSCH Gerätename: GR.88
  • BOSCH Explosionszeichnung: Position 1/130
  • BOSCH Typennummer: 0602530004
  • BOSCH Typennummer alternative Schreibweisen: 0 602 530 004, 0602 530 004, 0.602.530.004, 0-602-530-004
    Bitte prüfen Sie diese Typennummer auf Ihrem Gerät um die Kompatibilität des BOSCH Ersatzteils zu gewährleisten.
Weitere BOSCH Ersatzteile des Gerätes GR.88 (Hf-Schweisskantenformer) mit der Typennummer 0602530004 finden Sie in der nachfolgenden Darstellung und im Dropdown zu Ihrer Auswahl:

Angaben zur Produktsicherheit

Hersteller:
Robert Bosch Power Tools GmbH
Postfach 30 02 20
70442 Stuttgart

E-Mail:
kontakt@bosch.de