BOSCH Schalteranbau | Ersatzteile für GRC 10.8V-60 3/8 SN | 1619PS3062

Artikelnummer: EB-3601JN83B0-1619PS3062

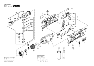
Position: 47

Marke: BOSCH


Bitte Kompatibilität prüfen!

Bitte prüfen Sie unbedingt die 10-stellige Typennummer Ihrer Maschine / Ihres Gerätes. Das Ersatzteil ist nur kompatibel, wenn Sie die Typennummer Ihrer Maschine in der unten stehenden Produktbeschreibung finden.

Bitte prüfen Sie ebenfalls detailliert die Explosionszeichnung mit Ihrem Artikelwunsch und der jeweiligen Pos-Nummer.

Alle Elemente, welche vom schwarzen Strich der Pos-Nummer ausgehend berührt / erfasst werden, gehören zu dieser Pos-Nummer und somit zu diesem Artikel. Jede Pos-Nummer ist ein eigenständiger Artikel, welchen Sie in der Auflistung finden.

Sie erhalten stets die aktuellste, neueste Produktversion zu der gewählten Pos-Nummer seitens des Herstellers. Es kann daher je nach Gerätealter vorkommen, dass Sie ggf. weitere, zugehörige Elemente, welche an diese Pos-Nummer grenzen, ebenfalls mittauschen müssen.

Nähere Informationen finden Sie unter dem Link
Hinweise zu Ihrer BOSCH Ersatzteilsuche

Preisübersicht

Einzelpreis: 11,92 €* (Brutto: 14,18 €)
Gesamtpreis: 11,92 €* 
Position:

Lieferzeit: 5 Werktage


Beschreibung

  • Schalteranbau
  • Original Bosch Zubehör / BOSCH Ersatzteil (1619PS3062)
  • im Gerät verbaut: 1
Dieses BOSCH Ersatzteil ist mit folgendem Gerät und Modell kompatibel:
  • BOSCH Gerätename: GRC 10.8V-60 3/8 SN
  • BOSCH Explosionszeichnung: Position 47
  • BOSCH Typennummer: 3601JN83B0
  • BOSCH Typennummer alternative Schreibweisen: 3 601 JN8 3B0, 3601 JN8 3B0, 3.601.JN8.3B0, 3-601-JN8-3B0
    Bitte prüfen Sie diese Typennummer auf Ihrem Gerät um die Kompatibilität des BOSCH Ersatzteils zu gewährleisten.
Weitere BOSCH Ersatzteile des Gerätes GRC 10.8V-60 3/8 SN (Ratsche) mit der Typennummer 3601JN83B0 finden Sie in der nachfolgenden Darstellung und im Dropdown zu Ihrer Auswahl:

Pos.
1
BOSCH Gehäusebaugruppe | Ersatzteile für GRC 10.8V-60 3/8 SN | 1619PS3049
Hersteller: BOSCH
Artikelnummer: EB-3601JN83B0-1619PS3049
Netto: 9,95 € zzgl. MwSt.
zzgl. 6,90 € Versand (brutto)
einmalig pro Bestellung

Lieferzeit: 5 Werktage

Pos.
2
BOSCH Motorbaugruppe | Ersatzteile für GRC 10.8V-60 3/8 SN | 1619PS3050
Hersteller: BOSCH
Artikelnummer: EB-3601JN83B0-1619PS3050
Netto: 26,88 € zzgl. MwSt.
zzgl. 6,90 € Versand (brutto)
einmalig pro Bestellung

Lieferzeit: 5 Werktage

Pos.
8
BOSCH Typenetikett | Ersatzteile für GRC 10.8V-60 3/8 SN | 1619PS3224
Hersteller: BOSCH
Artikelnummer: EB-3601JN83B0-1619PS3224
nur Informationsartikel
Nie mehr lieferbar
keine Alternativen
Pos.
9
BOSCH Firmenschild | Ersatzteile für GRC 10.8V-60 3/8 SN | 1619PS3225
Hersteller: BOSCH
Artikelnummer: EB-3601JN83B0-1619PS3225
nur Informationsartikel
Nie mehr lieferbar
keine Alternativen
Pos.
23
BOSCH Einklebeblatt | Ersatzteile für GRC 10.8V-60 3/8 SN | 1619PS3054
Hersteller: BOSCH
Artikelnummer: EB-3601JN83B0-1619PS3054
Netto: 4,53 € zzgl. MwSt.
zzgl. 6,90 € Versand (brutto)
einmalig pro Bestellung

Lieferzeit: 5 Werktage

Pos.
24
BOSCH Klebeschild | Ersatzteile für GRC 10.8V-60 3/8 SN | 1619PS3055
Hersteller: BOSCH
Artikelnummer: EB-3601JN83B0-1619PS3055
Netto: 1,95 € zzgl. MwSt.
zzgl. 6,90 € Versand (brutto)
einmalig pro Bestellung

Lieferzeit: 5 Werktage

Pos.
25
BOSCH EL-Baugruppe | Ersatzteile für GRC 10.8V-60 3/8 SN | 1619PS3056
Hersteller: BOSCH
Artikelnummer: EB-3601JN83B0-1619PS3056
Netto: 35,77 € zzgl. MwSt.
zzgl. 6,90 € Versand (brutto)
einmalig pro Bestellung

Lieferzeit: 5 Werktage

Pos.
26
BOSCH Rastkappe | Ersatzteile für GRC 10.8V-60 3/8 SN | 1619PS3057
Hersteller: BOSCH
Artikelnummer: EB-3601JN83B0-1619PS3057
Netto: 35,77 € zzgl. MwSt.
zzgl. 6,90 € Versand (brutto)
einmalig pro Bestellung

Lieferzeit: 5 Werktage

Pos.
27
BOSCH Rastkappe | Ersatzteile für GRC 10.8V-60 3/8 SN | 1619PS3067
Hersteller: BOSCH
Artikelnummer: EB-3601JN83B0-1619PS3067
Netto: 15,75 € zzgl. MwSt.
zzgl. 6,90 € Versand (brutto)
einmalig pro Bestellung

Lieferzeit: 5 Werktage

Pos.
28
BOSCH Unwuchtwelle | Ersatzteile für GRC 10.8V-60 3/8 SN | 1619PS3068
Hersteller: BOSCH
Artikelnummer: EB-3601JN83B0-1619PS3068
Netto: 8,33 € zzgl. MwSt.
zzgl. 6,90 € Versand (brutto)
einmalig pro Bestellung

Lieferzeit: 5 Werktage

Pos.
29
BOSCH Lagerbuchse | Ersatzteile für GRC 10.8V-60 3/8 SN | 1619PS3069
Hersteller: BOSCH
Artikelnummer: EB-3601JN83B0-1619PS3069
Netto: 6,15 € zzgl. MwSt.
zzgl. 6,90 € Versand (brutto)
einmalig pro Bestellung

Lieferzeit: 5 Werktage

Pos.
30
BOSCH Zahnring | Ersatzteile für GRC 10.8V-60 3/8 SN | 1619PS3070
Hersteller: BOSCH
Artikelnummer: EB-3601JN83B0-1619PS3070
Netto: 9,95 € zzgl. MwSt.
zzgl. 6,90 € Versand (brutto)
einmalig pro Bestellung

Lieferzeit: 5 Werktage

Pos.
31
BOSCH Federscheibe | Ersatzteile für GRC 10.8V-60 3/8 SN | 1619PS3071
Hersteller: BOSCH
Artikelnummer: EB-3601JN83B0-1619PS3071
Netto: 5,19 € zzgl. MwSt.
zzgl. 6,90 € Versand (brutto)
einmalig pro Bestellung

Lieferzeit: 5 Werktage

Pos.
32
BOSCH Stellknopf | Ersatzteile für GRC 10.8V-60 3/8 SN | 1619PS3072
Hersteller: BOSCH
Artikelnummer: EB-3601JN83B0-1619PS3072
Netto: 6,70 € zzgl. MwSt.
zzgl. 6,90 € Versand (brutto)
einmalig pro Bestellung

Lieferzeit: 5 Werktage

Pos.
33
BOSCH Pin | Ersatzteile für GRC 10.8V-60 3/8 SN | 1619PS3073
Hersteller: BOSCH
Artikelnummer: EB-3601JN83B0-1619PS3073
Netto: 4,82 € zzgl. MwSt.
zzgl. 6,90 € Versand (brutto)
einmalig pro Bestellung

Lieferzeit: 5 Werktage

Pos.
34
BOSCH Abtriebswelle | Ersatzteile für GRC 10.8V-60 3/8 SN | 1619PS3074
Hersteller: BOSCH
Artikelnummer: EB-3601JN83B0-1619PS3074
Netto: 10,92 € zzgl. MwSt.
zzgl. 6,90 € Versand (brutto)
einmalig pro Bestellung

Lieferzeit: 5 Werktage

Pos.
35
BOSCH Feder | Ersatzteile für GRC 10.8V-60 3/8 SN | 1619PS3075
Hersteller: BOSCH
Artikelnummer: EB-3601JN83B0-1619PS3075
Netto: 4,53 € zzgl. MwSt.
zzgl. 6,90 € Versand (brutto)
einmalig pro Bestellung

Lieferzeit: 5 Werktage

Pos.
36
BOSCH Haube | Ersatzteile für GRC 10.8V-60 3/8 SN | 1619PS3076
Hersteller: BOSCH
Artikelnummer: EB-3601JN83B0-1619PS3076
Netto: 3,31 € zzgl. MwSt.
zzgl. 6,90 € Versand (brutto)
einmalig pro Bestellung

Lieferzeit: 5 Werktage

Pos.
37
BOSCH Umkehrgetriebe | Ersatzteile für GRC 10.8V-60 3/8 SN | 1619PS3077
Hersteller: BOSCH
Artikelnummer: EB-3601JN83B0-1619PS3077
Netto: 7,30 € zzgl. MwSt.
zzgl. 6,90 € Versand (brutto)
einmalig pro Bestellung

Lieferzeit: 5 Werktage

Pos.
38
BOSCH Feder | Ersatzteile für GRC 10.8V-60 3/8 SN | 1619PS3078
Hersteller: BOSCH
Artikelnummer: EB-3601JN83B0-1619PS3078
Netto: 4,53 € zzgl. MwSt.
zzgl. 6,90 € Versand (brutto)
einmalig pro Bestellung

Lieferzeit: 5 Werktage

Pos.
39
BOSCH Kugel | Ersatzteile für GRC 10.8V-60 3/8 SN | 1619PS3079
Hersteller: BOSCH
Artikelnummer: EB-3601JN83B0-1619PS3079
Netto: 1,95 € zzgl. MwSt.
zzgl. 6,90 € Versand (brutto)
einmalig pro Bestellung

Lieferzeit: 5 Werktage

Pos.
40
BOSCH Banderole | Ersatzteile für GRC 10.8V-60 3/8 SN | 1619PS3080
Hersteller: BOSCH
Artikelnummer: EB-3601JN83B0-1619PS3080
Netto: 4,08 € zzgl. MwSt.
zzgl. 6,90 € Versand (brutto)
einmalig pro Bestellung

Lieferzeit: 5 Werktage

Pos.
41
BOSCH Sicherungsclip | Ersatzteile für GRC 10.8V-60 3/8 SN | 1619PS3081
Hersteller: BOSCH
Artikelnummer: EB-3601JN83B0-1619PS3081
Netto: 4,53 € zzgl. MwSt.
zzgl. 6,90 € Versand (brutto)
einmalig pro Bestellung

Lieferzeit: 5 Werktage

Pos.
42
BOSCH Schraube | Ersatzteile für GRC 10.8V-60 3/8 SN | 1619PS3058
Hersteller: BOSCH
Artikelnummer: EB-3601JN83B0-1619PS3058
Netto: 4,53 € zzgl. MwSt.
zzgl. 6,90 € Versand (brutto)
einmalig pro Bestellung

Lieferzeit: 5 Werktage

Pos.
43
BOSCH Schraube | Ersatzteile für GRC 10.8V-60 3/8 SN | 1619PS3059
Hersteller: BOSCH
Artikelnummer: EB-3601JN83B0-1619PS3059
Netto: 4,53 € zzgl. MwSt.
zzgl. 6,90 € Versand (brutto)
einmalig pro Bestellung

Lieferzeit: 5 Werktage

Pos.
44
BOSCH Hebelschalter | Ersatzteile für GRC 10.8V-60 3/8 SN | 1619PS3060
Hersteller: BOSCH
Artikelnummer: EB-3601JN83B0-1619PS3060
Netto: 6,70 € zzgl. MwSt.
zzgl. 6,90 € Versand (brutto)
einmalig pro Bestellung

Lieferzeit: 5 Werktage

Pos.
45
BOSCH Pin | Ersatzteile für GRC 10.8V-60 3/8 SN | 1619PS3061
Hersteller: BOSCH
Artikelnummer: EB-3601JN83B0-1619PS3061
Netto: 4,82 € zzgl. MwSt.
zzgl. 6,90 € Versand (brutto)
einmalig pro Bestellung

Lieferzeit: 5 Werktage

Pos.
46
BOSCH Bügelschelle | Ersatzteile für GRC 10.8V-60 3/8 SN | 1619PB5588
Hersteller: BOSCH
Artikelnummer: EB-3601JN83B0-1619PB5588
Netto: 3,63 € zzgl. MwSt.
zzgl. 6,90 € Versand (brutto)
einmalig pro Bestellung

Lieferzeit: 5 Werktage

Pos.
47
BOSCH Schalteranbau | Ersatzteile für GRC 10.8V-60 3/8 SN | 1619PS3062
Hersteller: BOSCH
Artikelnummer: EB-3601JN83B0-1619PS3062
Netto: 11,92 € zzgl. MwSt.
zzgl. 6,90 € Versand (brutto)
einmalig pro Bestellung

Lieferzeit: 5 Werktage

Pos.
48
BOSCH Leuchteneinsatz | Ersatzteile für GRC 10.8V-60 3/8 SN | 1619PS3063
Hersteller: BOSCH
Artikelnummer: EB-3601JN83B0-1619PS3063
Netto: 6,15 € zzgl. MwSt.
zzgl. 6,90 € Versand (brutto)
einmalig pro Bestellung

Lieferzeit: 5 Werktage

Pos.
49
BOSCH Elektronik-Modul | Ersatzteile für GRC 10.8V-60 3/8 SN | 1619PS3064
Hersteller: BOSCH
Artikelnummer: EB-3601JN83B0-1619PS3064
Netto: 29,45 € zzgl. MwSt.
zzgl. 6,90 € Versand (brutto)
einmalig pro Bestellung

Lieferzeit: 5 Werktage

Pos.
51
BOSCH Pin | Ersatzteile für GRC 10.8V-60 3/8 SN | 1619PS3088
Hersteller: BOSCH
Artikelnummer: EB-3601JN83B0-1619PS3088
Netto: 2,71 € zzgl. MwSt.
zzgl. 6,90 € Versand (brutto)
einmalig pro Bestellung

Lieferzeit: 5 Werktage

Pos.
52
BOSCH Lagerbuchse | Ersatzteile für GRC 10.8V-60 3/8 SN | 1619PS3089
Hersteller: BOSCH
Artikelnummer: EB-3601JN83B0-1619PS3089
Netto: 5,67 € zzgl. MwSt.
zzgl. 6,90 € Versand (brutto)
einmalig pro Bestellung

Lieferzeit: 5 Werktage

Pos.
53
BOSCH Zahnring | Ersatzteile für GRC 10.8V-60 3/8 SN | 1619PS3090
Hersteller: BOSCH
Artikelnummer: EB-3601JN83B0-1619PS3090
Netto: 7,57 € zzgl. MwSt.
zzgl. 6,90 € Versand (brutto)
einmalig pro Bestellung

Lieferzeit: 5 Werktage

Pos.
54
BOSCH Planetengetriebe | Ersatzteile für GRC 10.8V-60 3/8 SN | 1619PS3091
Hersteller: BOSCH
Artikelnummer: EB-3601JN83B0-1619PS3091
Netto: 5,67 € zzgl. MwSt.
zzgl. 6,90 € Versand (brutto)
einmalig pro Bestellung

Lieferzeit: 5 Werktage

Pos.
55
BOSCH Planetenträger | Ersatzteile für GRC 10.8V-60 3/8 SN | 1619PS3092
Hersteller: BOSCH
Artikelnummer: EB-3601JN83B0-1619PS3092
Netto: 3,31 € zzgl. MwSt.
zzgl. 6,90 € Versand (brutto)
einmalig pro Bestellung

Lieferzeit: 5 Werktage

Pos.
56
BOSCH Sechskantmutter | Ersatzteile für GRC 10.8V-60 3/8 SN | 1619PS3093
Hersteller: BOSCH
Artikelnummer: EB-3601JN83B0-1619PS3093
Netto: 5,83 € zzgl. MwSt.
zzgl. 6,90 € Versand (brutto)
einmalig pro Bestellung

Lieferzeit: 5 Werktage

Pos.
57
BOSCH Schliesshebel | Ersatzteile für GRC 10.8V-60 3/8 SN | 1619PS2900
Hersteller: BOSCH
Artikelnummer: EB-3601JN83B0-1619PS2900
Netto: 2,71 € zzgl. MwSt.
zzgl. 6,90 € Versand (brutto)
einmalig pro Bestellung

Lieferzeit: 5 Werktage

Pos.
58
BOSCH Pin | Ersatzteile für GRC 10.8V-60 3/8 SN | 1619PS3094
Hersteller: BOSCH
Artikelnummer: EB-3601JN83B0-1619PS3094
Netto: 5,19 € zzgl. MwSt.
zzgl. 6,90 € Versand (brutto)
einmalig pro Bestellung

Lieferzeit: 5 Werktage

Pos.
620
BOSCH Ölbehälter 1000 ML | Ersatzteile für GRC 10.8V-60 3/8 SN | 1615430019
Hersteller: BOSCH
Artikelnummer: EB-3601JN83B0-1615430019
Netto: 51,18 € zzgl. MwSt.
zzgl. 6,90 € Versand (brutto)
einmalig pro Bestellung

Lieferzeit: 5 Werktage

Pos.
621
BOSCH Fetttube 225 ML | Ersatzteile für GRC 10.8V-60 3/8 SN | 3605430009
Hersteller: BOSCH
Artikelnummer: EB-3601JN83B0-3605430009
Netto: 39,11 € zzgl. MwSt.
zzgl. 6,90 € Versand (brutto)
einmalig pro Bestellung

Lieferzeit: 5 Werktage

Angaben zur Produktsicherheit

Hersteller:
Robert Bosch Power Tools GmbH
Postfach 30 02 20
70442 Stuttgart

E-Mail:
kontakt@bosch.de