BOSCH GSB 16-2 - 0601182732

Artikelnummer: EB-0601182732

Position:

Marke: BOSCH


Bitte Kompatibilität prüfen!

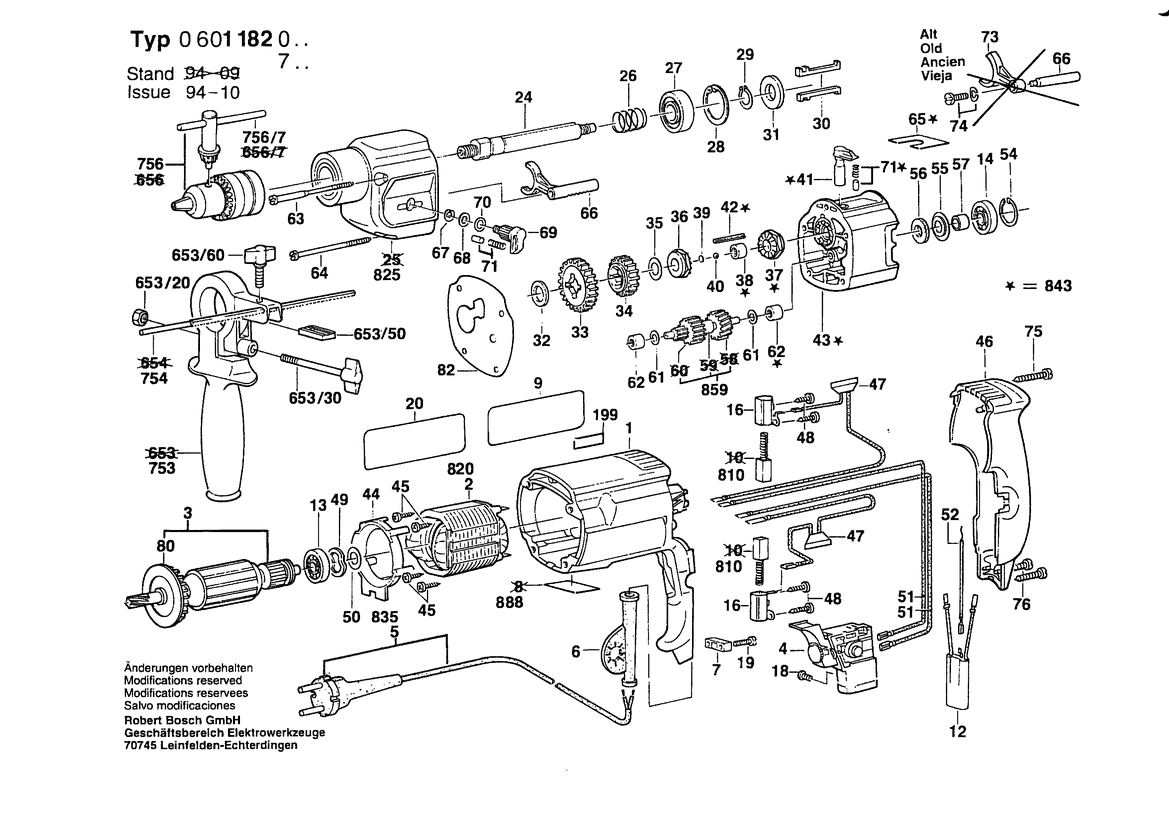
Bitte prüfen Sie unbedingt die 10-stellige Typennummer Ihrer Maschine / Ihres Gerätes. Das Ersatzteil ist nur kompatibel, wenn Sie die Typennummer Ihrer Maschine in der unten stehenden Produktbeschreibung finden.

Bitte prüfen Sie ebenfalls detailliert die Explosionszeichnung mit Ihrem Artikelwunsch und der jeweiligen Pos-Nummer.

Alle Elemente, welche vom schwarzen Strich der Pos-Nummer ausgehend berührt / erfasst werden, gehören zu dieser Pos-Nummer und somit zu diesem Artikel. Jede Pos-Nummer ist ein eigenständiger Artikel, welchen Sie in der Auflistung finden.

Sie erhalten stets die aktuellste, neueste Produktversion zu der gewählten Pos-Nummer seitens des Herstellers. Es kann daher je nach Gerätealter vorkommen, dass Sie ggf. weitere, zugehörige Elemente, welche an diese Pos-Nummer grenzen, ebenfalls mittauschen müssen.

Nähere Informationen finden Sie unter dem Link
Hinweise zu Ihrer BOSCH Ersatzteilsuche

Beschreibung

Die aufgelisteten BOSCH Ersatzteile sind mit folgendem Gerät und Modell kompatibel:

BOSCH Gerätename:GSB 16-2
BOSCH Typennummer:0601182732
alternative Schreibweisen:0 601 182 732, 0601 182 732, 0.601.182.732, 0-601-182-732

Bitte prüfen Sie die Typennummer auf Ihrem Gerät um die Kompatibilität des BOSCH Ersatzteils zu gewährleisten.

Die passenden Ersatzteile des BOSCH GSB 16-2 (Schlagbohrmaschine) mit der Typennummer 0601182732 finden Sie in der nachfolgenden Darstellung geordnet nach der Positionsnummern aus der Explosionszeichnung:

Pos.
1
BOSCH Motorgehäuse BLAU | Ersatzteile für GSB 16-2 | 2605104116
Hersteller: BOSCH
Artikelnummer: EB-0601182732-2605104116
nur Informationsartikel
Nie mehr lieferbar
keine Alternativen
Pos.
756/7
BOSCH Bohrfutterschlüssel SG2 | Ersatzteile für GSB 16-2 | 2607950007
Hersteller: BOSCH
Artikelnummer: EB-0601182732-2607950007
Netto: 7,30 € zzgl. MwSt.
zzgl. 6,90 € Versand (brutto)
einmalig pro Bestellung

Lieferzeit: 5 Werktage

Stück
Pos.
2
BOSCH Polschuh 220-230V | Ersatzteile für GSB 16-2 | 2604220429
Hersteller: BOSCH
Artikelnummer: EB-0601182732-2604220429
Netto: 21,16 € zzgl. MwSt.
zzgl. 6,90 € Versand (brutto)
einmalig pro Bestellung

Lieferzeit: 5 Werktage

Stück
Pos.
3
BOSCH Anker 220-240V | Ersatzteile für GSB 16-2 | 2604010575
Hersteller: BOSCH
Artikelnummer: EB-0601182732-2604010575
Netto: 47,09 € zzgl. MwSt.
zzgl. 6,90 € Versand (brutto)
einmalig pro Bestellung

Lieferzeit: 5 Werktage

Stück
Pos.
4
BOSCH Schalter | Ersatzteile für GSB 16-2 | 1617200089
Hersteller: BOSCH
Artikelnummer: EB-0601182732-1617200089
nur Informationsartikel
Nie mehr lieferbar
keine Alternativen
Pos.
5
BOSCH Elktr Leitg M Anschluss CH 2,65m 2 x 1,0mm H05 VV-F | Ersatzteile für GSB 16-2 | 2604460053
Hersteller: BOSCH
Artikelnummer: EB-0601182732-2604460053
nur Informationsartikel
Nie mehr lieferbar
keine Alternativen
Pos.
6
BOSCH Tülle Ø11,6-Ø12,5x84 MM | Ersatzteile für GSB 16-2 | 2600707060
Hersteller: BOSCH
Artikelnummer: EB-0601182732-2600707060
Netto: 4,53 € zzgl. MwSt.
zzgl. 6,90 € Versand (brutto)
einmalig pro Bestellung

Lieferzeit: 5 Werktage

Stück
Pos.
6
BOSCH Tülle Ø6,9 MM | Ersatzteile für GSB 16-2 | 2600707059
Hersteller: BOSCH
Artikelnummer: EB-0601182732-2600707059
Netto: 5,19 € zzgl. MwSt.
zzgl. 6,90 € Versand (brutto)
einmalig pro Bestellung

Lieferzeit: 5 Werktage

Stück
Pos.
6
BOSCH Tülle Ø8,8 MM | Ersatzteile für GSB 16-2 | 2600707061
Hersteller: BOSCH
Artikelnummer: EB-0601182732-2600707061
nur Informationsartikel
Nie mehr lieferbar
keine Alternativen
Pos.
7
BOSCH Leitungshalter | Ersatzteile für GSB 16-2 | 2601035001
Hersteller: BOSCH
Artikelnummer: EB-0601182732-2601035001
Netto: 3,94 € zzgl. MwSt.
zzgl. 6,90 € Versand (brutto)
einmalig pro Bestellung

Lieferzeit: 5 Werktage

Stück
Pos.
9
BOSCH Klebeschild | Ersatzteile für GSB 16-2 | 2601110314
Hersteller: BOSCH
Artikelnummer: EB-0601182732-2601110314
nur Informationsartikel
Nie mehr lieferbar
keine Alternativen
Pos.
12
BOSCH Entstörfilter | Ersatzteile für GSB 16-2 | 2607329096
Hersteller: BOSCH
Artikelnummer: EB-0601182732-2607329096
Netto: 7,76 € zzgl. MwSt.
zzgl. 6,90 € Versand (brutto)
einmalig pro Bestellung

Lieferzeit: 5 Werktage

Stück
Pos.
13
BOSCH Kugellager 7x22x7 | Ersatzteile für GSB 16-2 | 1900905018
Hersteller: BOSCH
Artikelnummer: EB-0601182732-1900905018
Netto: 15,75 € zzgl. MwSt.
zzgl. 6,90 € Versand (brutto)
einmalig pro Bestellung

Lieferzeit: 5 Werktage

Stück
Pos.
14
BOSCH Rillenkugellager 9x24x7 | Ersatzteile für GSB 16-2 | 2600905021
Hersteller: BOSCH
Artikelnummer: EB-0601182732-2600905021
Netto: 8,33 € zzgl. MwSt.
zzgl. 6,90 € Versand (brutto)
einmalig pro Bestellung

Lieferzeit: 5 Werktage

Stück
Pos.
16
BOSCH Bürstenhalter | Ersatzteile für GSB 16-2 | 2604337003
Hersteller: BOSCH
Artikelnummer: EB-0601182732-2604337003
Netto: 4,32 € zzgl. MwSt.
zzgl. 6,90 € Versand (brutto)
einmalig pro Bestellung

Lieferzeit: 5 Werktage

Stück
Pos.
18
BOSCH Zylinderschraube M3x6,5-4.8 | Ersatzteile für GSB 16-2 | 2603410001
Hersteller: BOSCH
Artikelnummer: EB-0601182732-2603410001
Netto: 3,94 € zzgl. MwSt.
zzgl. 6,90 € Versand (brutto)
einmalig pro Bestellung

Lieferzeit: 5 Werktage

Stück
Pos.
19
BOSCH Schraube 4x16 | Ersatzteile für GSB 16-2 | 2603490022
Hersteller: BOSCH
Artikelnummer: EB-0601182732-2603490022
Netto: 3,63 € zzgl. MwSt.
zzgl. 6,90 € Versand (brutto)
einmalig pro Bestellung

Lieferzeit: 5 Werktage

Stück
Pos.
20
BOSCH Klebeschild | Ersatzteile für GSB 16-2 | 2601110093
Hersteller: BOSCH
Artikelnummer: EB-0601182732-2601110093
nur Informationsartikel
Nie mehr lieferbar
keine Alternativen
Pos.
24
BOSCH Bohrspindel 1/2" | Ersatzteile für GSB 16-2 | 2606135013
Hersteller: BOSCH
Artikelnummer: EB-0601182732-2606135013
nur Informationsartikel
Nie mehr lieferbar
keine Alternativen
Pos.
26
BOSCH Druckfeder | Ersatzteile für GSB 16-2 | 2604616002
Hersteller: BOSCH
Artikelnummer: EB-0601182732-2604616002
Netto: 3,94 € zzgl. MwSt.
zzgl. 6,90 € Versand (brutto)
einmalig pro Bestellung

Lieferzeit: 5 Werktage

Stück
Pos.
27
BOSCH Rillenkugellager 17x35x10 | Ersatzteile für GSB 16-2 | 1900905163
Hersteller: BOSCH
Artikelnummer: EB-0601182732-1900905163
Netto: 9,95 € zzgl. MwSt.
zzgl. 6,90 € Versand (brutto)
einmalig pro Bestellung

Lieferzeit: 5 Werktage

Stück
Pos.
30
BOSCH Flachkeil | Ersatzteile für GSB 16-2 | 2602300028
Hersteller: BOSCH
Artikelnummer: EB-0601182732-2602300028
nur Informationsartikel
Nie mehr lieferbar
keine Alternativen
Pos.
31
BOSCH Haltescheibe | Ersatzteile für GSB 16-2 | 2600101671
Hersteller: BOSCH
Artikelnummer: EB-0601182732-2600101671
Netto: 3,94 € zzgl. MwSt.
zzgl. 6,90 € Versand (brutto)
einmalig pro Bestellung

Lieferzeit: 5 Werktage

Stück
Pos.
32
BOSCH Ausgleichscheibe 1,0 MM | Ersatzteile für GSB 16-2 | 2600101515
Hersteller: BOSCH
Artikelnummer: EB-0601182732-2600101515
Netto: 3,63 € zzgl. MwSt.
zzgl. 6,90 € Versand (brutto)
einmalig pro Bestellung

Lieferzeit: 5 Werktage

Stück
Pos.
33
BOSCH Stirnrad Z=48 | Ersatzteile für GSB 16-2 | 2606317045
Hersteller: BOSCH
Artikelnummer: EB-0601182732-2606317045
Netto: 9,95 € zzgl. MwSt.
zzgl. 6,90 € Versand (brutto)
einmalig pro Bestellung

Lieferzeit: 5 Werktage

Stück
Pos.
34
BOSCH Stirnrad Z=36 | Ersatzteile für GSB 16-2 | 2606317037
Hersteller: BOSCH
Artikelnummer: EB-0601182732-2606317037
nur Informationsartikel
Nie mehr lieferbar
keine Alternativen
Pos.
35
BOSCH Ausgleichscheibe 0,3 MM | Ersatzteile für GSB 16-2 | 2600101617
Hersteller: BOSCH
Artikelnummer: EB-0601182732-2600101617
nur Informationsartikel
Nie mehr lieferbar
keine Alternativen
Pos.
35
BOSCH Ausgleichscheibe 0,5 MM | Ersatzteile für GSB 16-2 | 2600101616
Hersteller: BOSCH
Artikelnummer: EB-0601182732-2600101616
Netto: 4,82 € zzgl. MwSt.
zzgl. 6,90 € Versand (brutto)
einmalig pro Bestellung

Lieferzeit: 5 Werktage

Stück
Pos.
36
BOSCH Rastscheibe | Ersatzteile für GSB 16-2 | 2600190052
Hersteller: BOSCH
Artikelnummer: EB-0601182732-2600190052
nur Informationsartikel
Nie mehr lieferbar
keine Alternativen
Pos.
37
BOSCH Rastscheibe | Ersatzteile für GSB 16-2 | 2600190051
Hersteller: BOSCH
Artikelnummer: EB-0601182732-2600190051
nur Informationsartikel
Nie mehr lieferbar
keine Alternativen
Pos.
38
BOSCH Nadellager Ø8x8 MM | Ersatzteile für GSB 16-2 | 2600917003
Hersteller: BOSCH
Artikelnummer: EB-0601182732-2600917003
Netto: 4,82 € zzgl. MwSt.
zzgl. 6,90 € Versand (brutto)
einmalig pro Bestellung

Lieferzeit: 5 Werktage

Stück
Pos.
39
BOSCH Distanzscheibe 0,2 MM | Ersatzteile für GSB 16-2 | 2600000012
Hersteller: BOSCH
Artikelnummer: EB-0601182732-2600000012
Netto: 3,63 € zzgl. MwSt.
zzgl. 6,90 € Versand (brutto)
einmalig pro Bestellung

Lieferzeit: 5 Werktage

Stück
Pos.
39
BOSCH Distanzscheibe 0,5 MM | Ersatzteile für GSB 16-2 | 2600000014
Hersteller: BOSCH
Artikelnummer: EB-0601182732-2600000014
Netto: 3,63 € zzgl. MwSt.
zzgl. 6,90 € Versand (brutto)
einmalig pro Bestellung

Lieferzeit: 5 Werktage

Stück
Pos.
40
BOSCH Kugel DIN 5401-5,5MM-III-ST | Ersatzteile für GSB 16-2 | 1903230010
Hersteller: BOSCH
Artikelnummer: EB-0601182732-1903230010
Netto: 3,63 € zzgl. MwSt.
zzgl. 6,90 € Versand (brutto)
einmalig pro Bestellung

Lieferzeit: 5 Werktage

Stück
Pos.
41
BOSCH Drehknopf | Ersatzteile für GSB 16-2 | 2602026017
Hersteller: BOSCH
Artikelnummer: EB-0601182732-2602026017
Netto: 7,76 € zzgl. MwSt.
zzgl. 6,90 € Versand (brutto)
einmalig pro Bestellung

Lieferzeit: 5 Werktage

Stück
Pos.
43
BOSCH Zwischenflansch | Ersatzteile für GSB 16-2 | 2605700936
Hersteller: BOSCH
Artikelnummer: EB-0601182732-2605700936
nur Informationsartikel
Nie mehr lieferbar
keine Alternativen
Pos.
44
BOSCH Abdeckscheibe | Ersatzteile für GSB 16-2 | 2601328033
Hersteller: BOSCH
Artikelnummer: EB-0601182732-2601328033
nur Informationsartikel
Nie mehr lieferbar
keine Alternativen
Pos.
45
BOSCH Kreuzschlitzschraube DIN 7981-ST3,5x9,5-F | Ersatzteile für GSB 16-2 | 2603435015
Hersteller: BOSCH
Artikelnummer: EB-0601182732-2603435015
Netto: 4,32 € zzgl. MwSt.
zzgl. 6,90 € Versand (brutto)
einmalig pro Bestellung

Lieferzeit: 5 Werktage

Stück
Pos.
46
BOSCH Gehäusedeckel BLAU | Ersatzteile für GSB 16-2 | 2605132040
Hersteller: BOSCH
Artikelnummer: EB-0601182732-2605132040
nur Informationsartikel
Nie mehr lieferbar
keine Alternativen
Pos.
47
BOSCH Entstörfilter | Ersatzteile für GSB 16-2 | 2604465068
Hersteller: BOSCH
Artikelnummer: EB-0601182732-2604465068
nur Informationsartikel
Nie mehr lieferbar
keine Alternativen
Pos.
48
BOSCH Torx-Linsenschraube 3x10 | Ersatzteile für GSB 16-2 | 2603490017
Hersteller: BOSCH
Artikelnummer: EB-0601182732-2603490017
Netto: 4,32 € zzgl. MwSt.
zzgl. 6,90 € Versand (brutto)
einmalig pro Bestellung

Lieferzeit: 5 Werktage

Stück
Pos.
49
BOSCH Ausgleichscheibe | Ersatzteile für GSB 16-2 | 2600150004
Hersteller: BOSCH
Artikelnummer: EB-0601182732-2600150004
Netto: 4,32 € zzgl. MwSt.
zzgl. 6,90 € Versand (brutto)
einmalig pro Bestellung

Lieferzeit: 5 Werktage

Stück
Pos.
50
BOSCH Ausgleichscheibe 0,2 MM | Ersatzteile für GSB 16-2 | 2600101022
Hersteller: BOSCH
Artikelnummer: EB-0601182732-2600101022
Netto: 3,94 € zzgl. MwSt.
zzgl. 6,90 € Versand (brutto)
einmalig pro Bestellung

Lieferzeit: 5 Werktage

Stück
Pos.
50
BOSCH Ausgleichscheibe 0,3 MM | Ersatzteile für GSB 16-2 | 2600101023
Hersteller: BOSCH
Artikelnummer: EB-0601182732-2600101023
Netto: 3,94 € zzgl. MwSt.
zzgl. 6,90 € Versand (brutto)
einmalig pro Bestellung

Lieferzeit: 5 Werktage

Stück
Pos.
50
BOSCH Ausgleichscheibe 0,5 MM | Ersatzteile für GSB 16-2 | 2600101020
Hersteller: BOSCH
Artikelnummer: EB-0601182732-2600101020
Netto: 3,94 € zzgl. MwSt.
zzgl. 6,90 € Versand (brutto)
einmalig pro Bestellung

Lieferzeit: 5 Werktage

Stück
Pos.
51
BOSCH Elektr Leitung L=130 MM WEISS | Ersatzteile für GSB 16-2 | 2604448005
Hersteller: BOSCH
Artikelnummer: EB-0601182732-2604448005
Netto: 3,94 € zzgl. MwSt.
zzgl. 6,90 € Versand (brutto)
einmalig pro Bestellung

Lieferzeit: 5 Werktage

Stück
Pos.
52
BOSCH Elektr Leitung | Ersatzteile für GSB 16-2 | 2604448003
Hersteller: BOSCH
Artikelnummer: EB-0601182732-2604448003
nur Informationsartikel
Nie mehr lieferbar
keine Alternativen
Pos.
55
BOSCH Tellerscheibe | Ersatzteile für GSB 16-2 | 2600500002
Hersteller: BOSCH
Artikelnummer: EB-0601182732-2600500002
Netto: 3,94 € zzgl. MwSt.
zzgl. 6,90 € Versand (brutto)
einmalig pro Bestellung

Lieferzeit: 5 Werktage

Stück
Pos.
56
BOSCH Filzring | Ersatzteile für GSB 16-2 | 2600108077
Hersteller: BOSCH
Artikelnummer: EB-0601182732-2600108077
Netto: 3,94 € zzgl. MwSt.
zzgl. 6,90 € Versand (brutto)
einmalig pro Bestellung

Lieferzeit: 5 Werktage

Stück
Pos.
57
BOSCH Steckhülse | Ersatzteile für GSB 16-2 | 2600400008
Hersteller: BOSCH
Artikelnummer: EB-0601182732-2600400008
Netto: 3,94 € zzgl. MwSt.
zzgl. 6,90 € Versand (brutto)
einmalig pro Bestellung

Lieferzeit: 5 Werktage

Stück
Pos.
61
BOSCH Ausgleichscheibe 0,3 MM | Ersatzteile für GSB 16-2 | 2600100607
Hersteller: BOSCH
Artikelnummer: EB-0601182732-2600100607
Netto: 3,94 € zzgl. MwSt.
zzgl. 6,90 € Versand (brutto)
einmalig pro Bestellung

Lieferzeit: 5 Werktage

Stück
Pos.
62
BOSCH Nadellager Ø6 MM | Ersatzteile für GSB 16-2 | 2600914010
Hersteller: BOSCH
Artikelnummer: EB-0601182732-2600914010
Netto: 4,82 € zzgl. MwSt.
zzgl. 6,90 € Versand (brutto)
einmalig pro Bestellung

Lieferzeit: 5 Werktage

Stück
Pos.
63
BOSCH Blechschraube 79 MM | Ersatzteile für GSB 16-2 | 2603435012
Hersteller: BOSCH
Artikelnummer: EB-0601182732-2603435012
nur Informationsartikel
Nie mehr lieferbar
keine Alternativen
Pos.
64
BOSCH Schaftschraube 65 MM | Ersatzteile für GSB 16-2 | 2603435071
Hersteller: BOSCH
Artikelnummer: EB-0601182732-2603435071
nur Informationsartikel
Nie mehr lieferbar
keine Alternativen
Pos.
65
BOSCH Klebeschild BOHREN/SCHLAGBOHREN | Ersatzteile für GSB 16-2 | 2601110076
Hersteller: BOSCH
Artikelnummer: EB-0601182732-2601110076
nur Informationsartikel
Nie mehr lieferbar
keine Alternativen
Pos.
66
BOSCH Verstellschieber | Ersatzteile für GSB 16-2 | 2602033006
Hersteller: BOSCH
Artikelnummer: EB-0601182732-2602033006
Netto: 4,82 € zzgl. MwSt.
zzgl. 6,90 € Versand (brutto)
einmalig pro Bestellung

Lieferzeit: 5 Werktage

Stück
Pos.
68
BOSCH Distanzscheibe | Ersatzteile für GSB 16-2 | 2600100618
Hersteller: BOSCH
Artikelnummer: EB-0601182732-2600100618
Netto: 3,63 € zzgl. MwSt.
zzgl. 6,90 € Versand (brutto)
einmalig pro Bestellung

Lieferzeit: 5 Werktage

Stück
Pos.
69
BOSCH Drehknopf SCHWARZ | Ersatzteile für GSB 16-2 | 2602026038
Hersteller: BOSCH
Artikelnummer: EB-0601182732-2602026038
nur Informationsartikel
Nie mehr lieferbar
keine Alternativen
Pos.
70
BOSCH Teilesatz | Ersatzteile für GSB 16-2 | 2607010226
Hersteller: BOSCH
Artikelnummer: EB-0601182732-2607010226
nur Informationsartikel
Nie mehr lieferbar
keine Alternativen
Pos.
71
BOSCH Rastkappe | Ersatzteile für GSB 16-2 | 2600590006
Hersteller: BOSCH
Artikelnummer: EB-0601182732-2600590006
Netto: 3,94 € zzgl. MwSt.
zzgl. 6,90 € Versand (brutto)
einmalig pro Bestellung

Lieferzeit: 5 Werktage

Stück
Pos.
75
BOSCH Torx-Linsenschraube 4x25 | Ersatzteile für GSB 16-2 | 2603490024
Hersteller: BOSCH
Artikelnummer: EB-0601182732-2603490024
Netto: 3,94 € zzgl. MwSt.
zzgl. 6,90 € Versand (brutto)
einmalig pro Bestellung

Lieferzeit: 5 Werktage

Stück
Pos.
76
BOSCH Torx-Linsenschraube 4x20 | Ersatzteile für GSB 16-2 | 2603490023
Hersteller: BOSCH
Artikelnummer: EB-0601182732-2603490023
Netto: 3,63 € zzgl. MwSt.
zzgl. 6,90 € Versand (brutto)
einmalig pro Bestellung

Lieferzeit: 5 Werktage

Stück
Pos.
80
BOSCH Lüfter | Ersatzteile für GSB 16-2 | 2606610049
Hersteller: BOSCH
Artikelnummer: EB-0601182732-2606610049
Netto: 4,32 € zzgl. MwSt.
zzgl. 6,90 € Versand (brutto)
einmalig pro Bestellung

Lieferzeit: 5 Werktage

Packung
Pos.
82
BOSCH Flachdichtung | Ersatzteile für GSB 16-2 | 2601073012
Hersteller: BOSCH
Artikelnummer: EB-0601182732-2601073012
Netto: 3,63 € zzgl. MwSt.
zzgl. 6,90 € Versand (brutto)
einmalig pro Bestellung

Lieferzeit: 5 Werktage

Stück
Pos.
199
BOSCH Klebeschild | Ersatzteile für GSB 16-2 | 1601110265
Hersteller: BOSCH
Artikelnummer: EB-0601182732-1601110265
nur Informationsartikel
Nie mehr lieferbar
keine Alternativen
Pos.
753
BOSCH Zusatzhandgriff | Ersatzteile für GSB 16-2 | 1619PB4323
Hersteller: BOSCH
Artikelnummer: EB-0601182732-1619PB4323
Netto: 9,18 € zzgl. MwSt.
zzgl. 6,90 € Versand (brutto)
einmalig pro Bestellung

Lieferzeit: 5 Werktage

Stück
Pos.
753
BOSCH Zusatzhandgriff Ø43 MM SCHWARZ | Ersatzteile für GSB 16-2 | 1612025031
Hersteller: BOSCH
Artikelnummer: EB-0601182732-1612025031
nur Informationsartikel
Nie mehr lieferbar
keine Alternativen
Pos.
754
BOSCH Tiefenanschlag SW 6x210 MM | Ersatzteile für GSB 16-2 | 1613001005
Hersteller: BOSCH
Artikelnummer: EB-0601182732-1613001005
nur Informationsartikel
Nie mehr lieferbar
keine Alternativen
Pos.
756
BOSCH Bohrfutter Ø1,5-13 MM, 1/2" | Ersatzteile für GSB 16-2 | 1608571069
Hersteller: BOSCH
Artikelnummer: EB-0601182732-1608571069
Netto: 21,16 € zzgl. MwSt.
zzgl. 6,90 € Versand (brutto)
einmalig pro Bestellung

Lieferzeit: 5 Werktage

Stück
Pos.
810
BOSCH Kohlebürstensatz | Ersatzteile für GSB 16-2 | 2604321905
Hersteller: BOSCH
Artikelnummer: EB-0601182732-2604321905
Netto: 9,18 € zzgl. MwSt.
zzgl. 6,90 € Versand (brutto)
einmalig pro Bestellung

Lieferzeit: 5 Werktage

Stück
Pos.
825
BOSCH Getriebegehäuse BLAU | Ersatzteile für GSB 16-2 | 2605806990
Hersteller: BOSCH
Artikelnummer: EB-0601182732-2605806990
nur Informationsartikel
Nie mehr lieferbar
keine Alternativen
Pos.
859
BOSCH Zahnwelle Z= 10/22/29 | Ersatzteile für GSB 16-2 | 2606100903
Hersteller: BOSCH
Artikelnummer: EB-0601182732-2606100903
nur Informationsartikel
Nie mehr lieferbar
keine Alternativen
Pos.
888
BOSCH Typschild | Ersatzteile für GSB 16-2 | 160111A3H3
Hersteller: BOSCH
Artikelnummer: EB-0601182732-160111A3H3
Netto: 4,53 € zzgl. MwSt.
zzgl. 6,90 € Versand (brutto)
einmalig pro Bestellung

Lieferzeit: 5 Werktage

Stück

Angaben zur Produktsicherheit

Hersteller:
Robert Bosch Power Tools GmbH
Postfach 30 02 20
70442 Stuttgart

E-Mail:
kontakt@bosch.de