BOSCH GSS 180 A-C - 060129A040

Artikelnummer: EB-060129A040

Position:

Marke: BOSCH


Bitte Kompatibilität prüfen!

Bitte prüfen Sie unbedingt die 10-stellige Typennummer Ihrer Maschine / Ihres Gerätes. Das Ersatzteil ist nur kompatibel, wenn Sie die Typennummer Ihrer Maschine in der unten stehenden Produktbeschreibung finden.

Bitte prüfen Sie ebenfalls detailliert die Explosionszeichnung mit Ihrem Artikelwunsch und der jeweiligen Pos-Nummer.

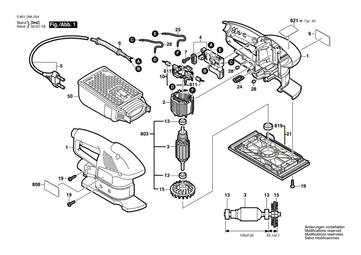
Alle Elemente, welche vom schwarzen Strich der Pos-Nummer ausgehend berührt / erfasst werden, gehören zu dieser Pos-Nummer und somit zu diesem Artikel. Jede Pos-Nummer ist ein eigenständiger Artikel, welchen Sie in der Auflistung finden.

Sie erhalten stets die aktuellste, neueste Produktversion zu der gewählten Pos-Nummer seitens des Herstellers. Es kann daher je nach Gerätealter vorkommen, dass Sie ggf. weitere, zugehörige Elemente, welche an diese Pos-Nummer grenzen, ebenfalls mittauschen müssen.

Nähere Informationen finden Sie unter dem Link
Hinweise zu Ihrer BOSCH Ersatzteilsuche

Beschreibung

Die aufgelisteten BOSCH Ersatzteile sind mit folgendem Gerät und Modell kompatibel:

BOSCH Gerätename:GSS 180 A-C
BOSCH Typennummer:060129A040
alternative Schreibweisen:0 601 29A 040, 0601 29A 040, 0.601.29A.040, 0-601-29A-040

Bitte prüfen Sie die Typennummer auf Ihrem Gerät um die Kompatibilität des BOSCH Ersatzteils zu gewährleisten.

Die passenden Ersatzteile des BOSCH GSS 180 A-C (Schwingschleifer) mit der Typennummer 060129A040 finden Sie in der nachfolgenden Darstellung geordnet nach der Positionsnummern aus der Explosionszeichnung:

Pos.
1
BOSCH Gehäuseschale BLAU | Ersatzteile für GSS 180 A-C | 2605105023
Hersteller: BOSCH
Artikelnummer: EB-060129A040-2605105023
nur Informationsartikel
Nie mehr lieferbar
keine Alternativen
Pos.
2
BOSCH Polschuh 230-240V | Ersatzteile für GSS 180 A-C | 2604220673
Hersteller: BOSCH
Artikelnummer: EB-060129A040-2604220673
nur Informationsartikel
Nie mehr lieferbar
keine Alternativen
Pos.
3
BOSCH Anker 230-240V | Ersatzteile für GSS 180 A-C | 2604011276
Hersteller: BOSCH
Artikelnummer: EB-060129A040-2604011276
Netto: 19,18 € zzgl. MwSt.
zzgl. 6,90 € Versand (brutto)
einmalig pro Bestellung

Lieferzeit: 5 Werktage

Stück
Pos.
4
BOSCH Schalter | Ersatzteile für GSS 180 A-C | 2607200526
Hersteller: BOSCH
Artikelnummer: EB-060129A040-2607200526
nur Informationsartikel
Nie mehr lieferbar
keine Alternativen
Pos.
5
BOSCH Netzanschlussleitung CN 2,65m 2 x 0,75mm H05 W-F | Ersatzteile für GSS 180 A-C | 1607000387
Hersteller: BOSCH
Artikelnummer: EB-060129A040-1607000387
Netto: 9,95 € zzgl. MwSt.
zzgl. 6,90 € Versand (brutto)
einmalig pro Bestellung

Lieferzeit: 15 Werktage

Stück
Pos.
6
BOSCH Tülle Ø6,4-Ø7,2x76 MM | Ersatzteile für GSS 180 A-C | 2600703017
Hersteller: BOSCH
Artikelnummer: EB-060129A040-2600703017
Netto: 4,53 € zzgl. MwSt.
zzgl. 6,90 € Versand (brutto)
einmalig pro Bestellung

Lieferzeit: 5 Werktage

Stück
Pos.
7
BOSCH Torx-Linsenschraube 3x10 | Ersatzteile für GSS 180 A-C | 2603490017
Hersteller: BOSCH
Artikelnummer: EB-060129A040-2603490017
Netto: 4,32 € zzgl. MwSt.
zzgl. 6,90 € Versand (brutto)
einmalig pro Bestellung

Lieferzeit: 5 Werktage

Stück
Pos.
9
BOSCH Firmenschild | Ersatzteile für GSS 180 A-C | 2601116043
Hersteller: BOSCH
Artikelnummer: EB-060129A040-2601116043
nur Informationsartikel
Nie mehr lieferbar
keine Alternativen
Pos.
10
BOSCH Bürstenplatte | Ersatzteile für GSS 180 A-C | 2604337091
Hersteller: BOSCH
Artikelnummer: EB-060129A040-2604337091
nur Informationsartikel
Nie mehr lieferbar
keine Alternativen
Pos.
13
BOSCH Rillenkugellager | Ersatzteile für GSS 180 A-C | 2600905078
Hersteller: BOSCH
Artikelnummer: EB-060129A040-2600905078
Netto: 7,30 € zzgl. MwSt.
zzgl. 6,90 € Versand (brutto)
einmalig pro Bestellung

Lieferzeit: 5 Werktage

Stück
Pos.
15
BOSCH Lüfter | Ersatzteile für GSS 180 A-C | 2606610113
Hersteller: BOSCH
Artikelnummer: EB-060129A040-2606610113
Netto: 6,68 € zzgl. MwSt.
zzgl. 6,90 € Versand (brutto)
einmalig pro Bestellung

Lieferzeit: 5 Werktage

Stück
Pos.
19
BOSCH Schraube 4x16 | Ersatzteile für GSS 180 A-C | 2603490022
Hersteller: BOSCH
Artikelnummer: EB-060129A040-2603490022
Netto: 3,63 € zzgl. MwSt.
zzgl. 6,90 € Versand (brutto)
einmalig pro Bestellung

Lieferzeit: 5 Werktage

Stück
Pos.
21
BOSCH Schleifplatte | Ersatzteile für GSS 180 A-C | 2608000238
Hersteller: BOSCH
Artikelnummer: EB-060129A040-2608000238
nur Informationsartikel
Nie mehr lieferbar
keine Alternativen
Pos.
24
BOSCH Dichtring | Ersatzteile für GSS 180 A-C | 2600290039
Hersteller: BOSCH
Artikelnummer: EB-060129A040-2600290039
Netto: 3,63 € zzgl. MwSt.
zzgl. 6,90 € Versand (brutto)
einmalig pro Bestellung

Lieferzeit: 5 Werktage

Stück
Pos.
25
BOSCH Verbindungsleitung L=160 MM BLAU | Ersatzteile für GSS 180 A-C | 2604448247
Hersteller: BOSCH
Artikelnummer: EB-060129A040-2604448247
nur Informationsartikel
Nie mehr lieferbar
keine Alternativen
Pos.
26
BOSCH Verbindungskabel L=63 MM WEISS | Ersatzteile für GSS 180 A-C | 3604440527
Hersteller: BOSCH
Artikelnummer: EB-060129A040-3604440527
Netto: 3,60 € zzgl. MwSt.
zzgl. 6,90 € Versand (brutto)
einmalig pro Bestellung

Lieferzeit: 5 Werktage

Stück
Pos.
28
BOSCH Dämpfungsgummi | Ersatzteile für GSS 180 A-C | 2603100056
Hersteller: BOSCH
Artikelnummer: EB-060129A040-2603100056
Netto: 3,94 € zzgl. MwSt.
zzgl. 6,90 € Versand (brutto)
einmalig pro Bestellung

Lieferzeit: 5 Werktage

Stück
Pos.
50
BOSCH Staubbehaelter | Ersatzteile für GSS 180 A-C | 2605411121
Hersteller: BOSCH
Artikelnummer: EB-060129A040-2605411121
nur Informationsartikel
Nie mehr lieferbar
keine Alternativen
Pos.
220
BOSCH Warnschild | Ersatzteile für GSS 180 A-C | 1611110880
Hersteller: BOSCH
Artikelnummer: EB-060129A040-1611110880
nur Informationsartikel
Nie mehr lieferbar
keine Alternativen
Pos.
803
BOSCH Anker 230-240V | Ersatzteile für GSS 180 A-C | 2604010980
Hersteller: BOSCH
Artikelnummer: EB-060129A040-2604010980
nur Informationsartikel
Nie mehr lieferbar
keine Alternativen
Pos.
808
BOSCH Typschild | Ersatzteile für GSS 180 A-C | 2601116035
Hersteller: BOSCH
Artikelnummer: EB-060129A040-2601116035
nur Informationsartikel
Nie mehr lieferbar
keine Alternativen
Pos.
811
BOSCH Kohlebürstensatz | Ersatzteile für GSS 180 A-C | 2604321925
Hersteller: BOSCH
Artikelnummer: EB-060129A040-2604321925
Netto: 8,33 € zzgl. MwSt.
zzgl. 6,90 € Versand (brutto)
einmalig pro Bestellung

Lieferzeit: 5 Werktage

Stück
Pos.
819
BOSCH Rillenkugellager 12x28x8 | Ersatzteile für GSS 180 A-C | 2600905045
Hersteller: BOSCH
Artikelnummer: EB-060129A040-2600905045
Netto: 14,36 € zzgl. MwSt.
zzgl. 6,90 € Versand (brutto)
einmalig pro Bestellung

Lieferzeit: 5 Werktage

Stück
Pos.
821
BOSCH Hinweisschild | Ersatzteile für GSS 180 A-C | 1611110G45
Hersteller: BOSCH
Artikelnummer: EB-060129A040-1611110G45
nur Informationsartikel
Nie mehr lieferbar
keine Alternativen

Angaben zur Produktsicherheit

Hersteller:
Robert Bosch Power Tools GmbH
Postfach 30 02 20
70442 Stuttgart

E-Mail:
kontakt@bosch.de