BOSCH GSS 230 - 3601K700B0

Artikelnummer: EB-3601K700B0

Position:

Marke: BOSCH


Bitte Kompatibilität prüfen!

Bitte prüfen Sie unbedingt die 10-stellige Typennummer Ihrer Maschine / Ihres Gerätes. Das Ersatzteil ist nur kompatibel, wenn Sie die Typennummer Ihrer Maschine in der unten stehenden Produktbeschreibung finden.

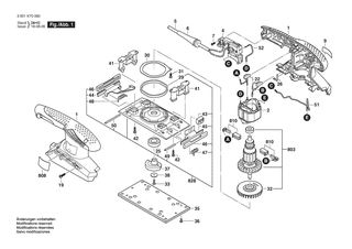
Bitte prüfen Sie ebenfalls detailliert die Explosionszeichnung mit Ihrem Artikelwunsch und der jeweiligen Pos-Nummer.

Alle Elemente, welche vom schwarzen Strich der Pos-Nummer ausgehend berührt / erfasst werden, gehören zu dieser Pos-Nummer und somit zu diesem Artikel. Jede Pos-Nummer ist ein eigenständiger Artikel, welchen Sie in der Auflistung finden.

Sie erhalten stets die aktuellste, neueste Produktversion zu der gewählten Pos-Nummer seitens des Herstellers. Es kann daher je nach Gerätealter vorkommen, dass Sie ggf. weitere, zugehörige Elemente, welche an diese Pos-Nummer grenzen, ebenfalls mittauschen müssen.

Nähere Informationen finden Sie unter dem Link
Hinweise zu Ihrer BOSCH Ersatzteilsuche

Beschreibung

Die aufgelisteten BOSCH Ersatzteile sind mit folgendem Gerät und Modell kompatibel:

BOSCH Gerätename:GSS 230
BOSCH Typennummer:3601K700B0
alternative Schreibweisen:3 601 K70 0B0, 3601 K70 0B0, 3.601.K70.0B0, 3-601-K70-0B0

Bitte prüfen Sie die Typennummer auf Ihrem Gerät um die Kompatibilität des BOSCH Ersatzteils zu gewährleisten.

Die passenden Ersatzteile des BOSCH GSS 230 (Schwingschleifer) mit der Typennummer 3601K700B0 finden Sie in der nachfolgenden Darstellung geordnet nach der Positionsnummern aus der Explosionszeichnung:

Pos.
1
BOSCH Gehäuse BLAU | Ersatzteile für GSS 230 | 2609100396
Hersteller: BOSCH
Artikelnummer: EB-3601K700B0-2609100396
nur Informationsartikel
Nie mehr lieferbar
keine Alternativen
Pos.
2
BOSCH Polschuh 230-240V | Ersatzteile für GSS 230 | 1604220408
Hersteller: BOSCH
Artikelnummer: EB-3601K700B0-1604220408
Netto: 14,36 € zzgl. MwSt.
zzgl. 6,90 € Versand (brutto)
einmalig pro Bestellung

Lieferzeit: 5 Werktage

Stück
Pos.
4
BOSCH Schalter | Ersatzteile für GSS 230 | 2607200632
Hersteller: BOSCH
Artikelnummer: EB-3601K700B0-2607200632
Netto: 7,76 € zzgl. MwSt.
zzgl. 6,90 € Versand (brutto)
einmalig pro Bestellung

Lieferzeit: 5 Werktage

Stück
Pos.
5
BOSCH Netzanschlussleitung CN 220V 2,65m 2 x 0,75mm H05 VV-F | Ersatzteile für GSS 230 | 1604460262
Hersteller: BOSCH
Artikelnummer: EB-3601K700B0-1604460262
nur Informationsartikel
Nie mehr lieferbar
keine Alternativen
Pos.
6
BOSCH Tülle Ø6,4-Ø7,2x76 MM | Ersatzteile für GSS 230 | 2600703017
Hersteller: BOSCH
Artikelnummer: EB-3601K700B0-2600703017
Netto: 4,53 € zzgl. MwSt.
zzgl. 6,90 € Versand (brutto)
einmalig pro Bestellung

Lieferzeit: 5 Werktage

Stück
Pos.
9
BOSCH Firmenschild GSS 230 | Ersatzteile für GSS 230 | 2609130838
Hersteller: BOSCH
Artikelnummer: EB-3601K700B0-2609130838
nur Informationsartikel
Nie mehr lieferbar
keine Alternativen
Pos.
19
BOSCH Schraube 4x16 | Ersatzteile für GSS 230 | 2603490022
Hersteller: BOSCH
Artikelnummer: EB-3601K700B0-2603490022
Netto: 3,63 € zzgl. MwSt.
zzgl. 6,90 € Versand (brutto)
einmalig pro Bestellung

Lieferzeit: 5 Werktage

Stück
Pos.
22
BOSCH Entstörfilter | Ersatzteile für GSS 230 | 2609120182
Hersteller: BOSCH
Artikelnummer: EB-3601K700B0-2609120182
Netto: 5,19 € zzgl. MwSt.
zzgl. 6,90 € Versand (brutto)
einmalig pro Bestellung

Lieferzeit: 5 Werktage

Stück
Pos.
25
BOSCH Rillenkugellager 15x32x9 | Ersatzteile für GSS 230 | 2600905068
Hersteller: BOSCH
Artikelnummer: EB-3601K700B0-2600905068
nur Informationsartikel
Nie mehr lieferbar
keine Alternativen
Pos.
26
BOSCH Kontaktfeder | Ersatzteile für GSS 230 | 2601329057
Hersteller: BOSCH
Artikelnummer: EB-3601K700B0-2601329057
nur Informationsartikel
Nie mehr lieferbar
keine Alternativen
Pos.
29
BOSCH Filzstreifen | Ersatzteile für GSS 230 | 2609170044
Hersteller: BOSCH
Artikelnummer: EB-3601K700B0-2609170044
Netto: 3,63 € zzgl. MwSt.
zzgl. 6,90 € Versand (brutto)
einmalig pro Bestellung

Lieferzeit: 5 Werktage

Stück
Pos.
30
BOSCH Abdeckblech | Ersatzteile für GSS 230 | 2609110407
Hersteller: BOSCH
Artikelnummer: EB-3601K700B0-2609110407
Netto: 3,63 € zzgl. MwSt.
zzgl. 6,90 € Versand (brutto)
einmalig pro Bestellung

Lieferzeit: 5 Werktage

Stück
Pos.
31
BOSCH Torx-Linsenschraube | Ersatzteile für GSS 230 | 2609110190
Hersteller: BOSCH
Artikelnummer: EB-3601K700B0-2609110190
Netto: 3,63 € zzgl. MwSt.
zzgl. 6,90 € Versand (brutto)
einmalig pro Bestellung

Lieferzeit: 5 Werktage

Stück
Pos.
32
BOSCH Lüfter | Ersatzteile für GSS 230 | 2609100544
Hersteller: BOSCH
Artikelnummer: EB-3601K700B0-2609100544
Netto: 6,15 € zzgl. MwSt.
zzgl. 6,90 € Versand (brutto)
einmalig pro Bestellung

Lieferzeit: 5 Werktage

Stück
Pos.
33
BOSCH Zylinderschraube M 4x12 | Ersatzteile für GSS 230 | 2912731122
Hersteller: BOSCH
Artikelnummer: EB-3601K700B0-2912731122
Netto: 3,63 € zzgl. MwSt.
zzgl. 6,90 € Versand (brutto)
einmalig pro Bestellung

Lieferzeit: 5 Werktage

Stück
Pos.
35
BOSCH Schaumstoffplatte | Ersatzteile für GSS 230 | 2609100403
Hersteller: BOSCH
Artikelnummer: EB-3601K700B0-2609100403
nur Informationsartikel
Nie mehr lieferbar
keine Alternativen
Pos.
36
BOSCH Gewindefurchschraube M4x8 | Ersatzteile für GSS 230 | 2603410048
Hersteller: BOSCH
Artikelnummer: EB-3601K700B0-2603410048
Netto: 3,94 € zzgl. MwSt.
zzgl. 6,90 € Versand (brutto)
einmalig pro Bestellung

Lieferzeit: 5 Werktage

Stück
Pos.
37
BOSCH Ausgleichgewicht | Ersatzteile für GSS 230 | 2609110405
Hersteller: BOSCH
Artikelnummer: EB-3601K700B0-2609110405
Netto: 5,19 € zzgl. MwSt.
zzgl. 6,90 € Versand (brutto)
einmalig pro Bestellung

Lieferzeit: 5 Werktage

Stück
Pos.
38
BOSCH Unterlegscheibe | Ersatzteile für GSS 230 | 2609110409
Hersteller: BOSCH
Artikelnummer: EB-3601K700B0-2609110409
Netto: 3,63 € zzgl. MwSt.
zzgl. 6,90 € Versand (brutto)
einmalig pro Bestellung

Lieferzeit: 5 Werktage

Stück
Pos.
41
BOSCH Schwingbein | Ersatzteile für GSS 230 | 2609100398
Hersteller: BOSCH
Artikelnummer: EB-3601K700B0-2609100398
Netto: 4,53 € zzgl. MwSt.
zzgl. 6,90 € Versand (brutto)
einmalig pro Bestellung

Lieferzeit: 5 Werktage

Stück
Pos.
43
BOSCH Tastknopf | Ersatzteile für GSS 230 | 2610920651
Hersteller: BOSCH
Artikelnummer: EB-3601K700B0-2610920651
Netto: 4,32 € zzgl. MwSt.
zzgl. 6,90 € Versand (brutto)
einmalig pro Bestellung

Lieferzeit: 5 Werktage

Stück
Pos.
44
BOSCH Klemmbügel | Ersatzteile für GSS 230 | 2609110410
Hersteller: BOSCH
Artikelnummer: EB-3601K700B0-2609110410
nur Informationsartikel
Nie mehr lieferbar
keine Alternativen
Pos.
45
BOSCH Klemmbügel | Ersatzteile für GSS 230 | 2609110411
Hersteller: BOSCH
Artikelnummer: EB-3601K700B0-2609110411
nur Informationsartikel
Nie mehr lieferbar
keine Alternativen
Pos.
46
BOSCH Gummileiste | Ersatzteile für GSS 230 | 2609170042
Hersteller: BOSCH
Artikelnummer: EB-3601K700B0-2609170042
Netto: 4,32 € zzgl. MwSt.
zzgl. 6,90 € Versand (brutto)
einmalig pro Bestellung

Lieferzeit: 5 Werktage

Stück
Pos.
47
BOSCH Spiralspannstift | Ersatzteile für GSS 230 | 2610920646
Hersteller: BOSCH
Artikelnummer: EB-3601K700B0-2610920646
nur Informationsartikel
Nie mehr lieferbar
keine Alternativen
Pos.
48
BOSCH Druckfeder | Ersatzteile für GSS 230 | 2609110412
Hersteller: BOSCH
Artikelnummer: EB-3601K700B0-2609110412
nur Informationsartikel
Nie mehr lieferbar
keine Alternativen
Pos.
49
BOSCH Rollenbolzen | Ersatzteile für GSS 230 | 2610923311
Hersteller: BOSCH
Artikelnummer: EB-3601K700B0-2610923311
nur Informationsartikel
Nie mehr lieferbar
keine Alternativen
Pos.
50
BOSCH Zylinderstift | Ersatzteile für GSS 230 | 2603201085
Hersteller: BOSCH
Artikelnummer: EB-3601K700B0-2603201085
Netto: 3,94 € zzgl. MwSt.
zzgl. 6,90 € Versand (brutto)
einmalig pro Bestellung

Lieferzeit: 5 Werktage

Stück
Pos.
51
BOSCH Verbindungsleitung L=180MM BLAU | Ersatzteile für GSS 230 | 2604448113
Hersteller: BOSCH
Artikelnummer: EB-3601K700B0-2604448113
Netto: 3,94 € zzgl. MwSt.
zzgl. 6,90 € Versand (brutto)
einmalig pro Bestellung

Lieferzeit: 5 Werktage

Stück
Pos.
52
BOSCH Verbindungsleitung | Ersatzteile für GSS 230 | 2609120183
Hersteller: BOSCH
Artikelnummer: EB-3601K700B0-2609120183
Netto: 3,63 € zzgl. MwSt.
zzgl. 6,90 € Versand (brutto)
einmalig pro Bestellung

Lieferzeit: 5 Werktage

Stück
Pos.
180
BOSCH Warnschild | Ersatzteile für GSS 230 | 1611110880
Hersteller: BOSCH
Artikelnummer: EB-3601K700B0-1611110880
nur Informationsartikel
Nie mehr lieferbar
keine Alternativen
Pos.
210
BOSCH Etikett | Ersatzteile für GSS 230 | 1611110H22
Hersteller: BOSCH
Artikelnummer: EB-3601K700B0-1611110H22
nur Informationsartikel
Nie mehr lieferbar
keine Alternativen
Pos.
803
BOSCH Anker Mit Lüfter 230-240V | Ersatzteile für GSS 230 | 2609199085
Hersteller: BOSCH
Artikelnummer: EB-3601K700B0-2609199085
Netto: 26,88 € zzgl. MwSt.
zzgl. 6,90 € Versand (brutto)
einmalig pro Bestellung

Lieferzeit: 5 Werktage

Stück
Pos.
808
BOSCH Typschild | Ersatzteile für GSS 230 | 2609131139
Hersteller: BOSCH
Artikelnummer: EB-3601K700B0-1600A00Y9L
nur Informationsartikel
Nie mehr lieferbar
keine Alternativen
Pos.
810
BOSCH Kohlebürstensatz | Ersatzteile für GSS 230 | 2609120199
Hersteller: BOSCH
Artikelnummer: EB-3601K700B0-2609120199
Netto: 9,18 € zzgl. MwSt.
zzgl. 6,90 € Versand (brutto)
einmalig pro Bestellung

Lieferzeit: 5 Werktage

Stück
Pos.
828
BOSCH Schwingplatte | Ersatzteile für GSS 230 | 2609199066
Hersteller: BOSCH
Artikelnummer: EB-3601K700B0-2609199066
nur Informationsartikel
Nie mehr lieferbar
keine Alternativen

Angaben zur Produktsicherheit

Hersteller:
Robert Bosch Power Tools GmbH
Postfach 30 02 20
70442 Stuttgart

E-Mail:
kontakt@bosch.de