BOSCH GTS 10 XC - 3601M304B2

Artikelnummer: EB-3601M304B2

Position:

Marke: BOSCH


Bitte Kompatibilität prüfen!

Bitte prüfen Sie unbedingt die 10-stellige Typennummer Ihrer Maschine / Ihres Gerätes. Das Ersatzteil ist nur kompatibel, wenn Sie die Typennummer Ihrer Maschine in der unten stehenden Produktbeschreibung finden.

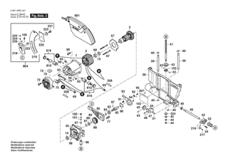
Bitte prüfen Sie ebenfalls detailliert die Explosionszeichnung mit Ihrem Artikelwunsch und der jeweiligen Pos-Nummer.

Alle Elemente, welche vom schwarzen Strich der Pos-Nummer ausgehend berührt / erfasst werden, gehören zu dieser Pos-Nummer und somit zu diesem Artikel. Jede Pos-Nummer ist ein eigenständiger Artikel, welchen Sie in der Auflistung finden.

Sie erhalten stets die aktuellste, neueste Produktversion zu der gewählten Pos-Nummer seitens des Herstellers. Es kann daher je nach Gerätealter vorkommen, dass Sie ggf. weitere, zugehörige Elemente, welche an diese Pos-Nummer grenzen, ebenfalls mittauschen müssen.

Nähere Informationen finden Sie unter dem Link
Hinweise zu Ihrer BOSCH Ersatzteilsuche

Beschreibung

Die aufgelisteten BOSCH Ersatzteile sind mit folgendem Gerät und Modell kompatibel:

BOSCH Gerätename:GTS 10 XC
BOSCH Typennummer:3601M304B2
alternative Schreibweisen:3 601 M30 4B2, 3601 M30 4B2, 3.601.M30.4B2, 3-601-M30-4B2

Bitte prüfen Sie die Typennummer auf Ihrem Gerät um die Kompatibilität des BOSCH Ersatzteils zu gewährleisten.

Die passenden Ersatzteile des BOSCH GTS 10 XC (Tischkreissäge) mit der Typennummer 3601M304B2 finden Sie in der nachfolgenden Darstellung geordnet nach der Positionsnummern aus der Explosionszeichnung:

Pos.
1
BOSCH Motorgehäuse | Ersatzteile für GTS 10 XC | 1619PA5589
Hersteller: BOSCH
Artikelnummer: EB-3601M304B2-1619PA5589
Netto: 17,38 € zzgl. MwSt.
zzgl. 6,90 € Versand (brutto)
einmalig pro Bestellung

Lieferzeit: 5 Werktage

Stück
Pos.
2
BOSCH Polschuh 230V | Ersatzteile für GTS 10 XC | 2610016834
Hersteller: BOSCH
Artikelnummer: EB-3601M304B2-2610016834
Netto: 96,32 € zzgl. MwSt.
zzgl. 6,90 € Versand (brutto)
einmalig pro Bestellung

Lieferzeit: 5 Werktage

Stück
Pos.
3
BOSCH Anker 230V | Ersatzteile für GTS 10 XC | 2610016833
Hersteller: BOSCH
Artikelnummer: EB-3601M304B2-2610016833
Netto: 86,83 € zzgl. MwSt.
zzgl. 6,90 € Versand (brutto)
einmalig pro Bestellung

Lieferzeit: 5 Werktage

Stück
Pos.
4
BOSCH Ein/Aus-Schalter | Ersatzteile für GTS 10 XC | 2610018210
Hersteller: BOSCH
Artikelnummer: EB-3601M304B2-2610018210
Netto: 47,09 € zzgl. MwSt.
zzgl. 6,90 € Versand (brutto)
einmalig pro Bestellung

Lieferzeit: 5 Werktage

Stück
Pos.
5
BOSCH Netzanschlussleitung | Ersatzteile für GTS 10 XC | 1619PA9119
Hersteller: BOSCH
Artikelnummer: EB-3601M304B2-1619PA9119
nur Informationsartikel
Nie mehr lieferbar
keine Alternativen
Pos.
6
BOSCH Gummibuchse | Ersatzteile für GTS 10 XC | 2610915699
Hersteller: BOSCH
Artikelnummer: EB-3601M304B2-2610915699
Netto: 7,76 € zzgl. MwSt.
zzgl. 6,90 € Versand (brutto)
einmalig pro Bestellung

Lieferzeit: 5 Werktage

Stück
Pos.
7
BOSCH Klemmschelle | Ersatzteile für GTS 10 XC | 2610358842
Hersteller: BOSCH
Artikelnummer: EB-3601M304B2-2610358842
Netto: 3,94 € zzgl. MwSt.
zzgl. 6,90 € Versand (brutto)
einmalig pro Bestellung

Lieferzeit: 5 Werktage

Stück
Pos.
9
BOSCH Etikett | Ersatzteile für GTS 10 XC | 2610018213
Hersteller: BOSCH
Artikelnummer: EB-3601M304B2-2610018213
Netto: 4,53 € zzgl. MwSt.
zzgl. 6,90 € Versand (brutto)
einmalig pro Bestellung

Lieferzeit: 5 Werktage

Stück
Pos.
12
BOSCH Entstörfilter | Ersatzteile für GTS 10 XC | 2610018216
Hersteller: BOSCH
Artikelnummer: EB-3601M304B2-2610018216
Netto: 17,38 € zzgl. MwSt.
zzgl. 6,90 € Versand (brutto)
einmalig pro Bestellung

Lieferzeit: 5 Werktage

Stück
Pos.
13
BOSCH Kugellager | Ersatzteile für GTS 10 XC | 2610004595
Hersteller: BOSCH
Artikelnummer: EB-3601M304B2-2610004595
Netto: 10,92 € zzgl. MwSt.
zzgl. 6,90 € Versand (brutto)
einmalig pro Bestellung

Lieferzeit: 5 Werktage

Stück
Pos.
14
BOSCH Kugellager | Ersatzteile für GTS 10 XC | 2610911927
Hersteller: BOSCH
Artikelnummer: EB-3601M304B2-2610911927
Netto: 21,16 € zzgl. MwSt.
zzgl. 6,90 € Versand (brutto)
einmalig pro Bestellung

Lieferzeit: 5 Werktage

Stück
Pos.
16
BOSCH Bürstenhalter neu | Ersatzteile für GTS 10 XC | 2610013003
Hersteller: BOSCH
Artikelnummer: EB-3601M304B2-2610013003
nur Informationsartikel
Nie mehr lieferbar
keine Alternativen
Pos.
18
BOSCH Schraube | Ersatzteile für GTS 10 XC | 2610018217
Hersteller: BOSCH
Artikelnummer: EB-3601M304B2-2610018217
Netto: 3,63 € zzgl. MwSt.
zzgl. 6,90 € Versand (brutto)
einmalig pro Bestellung

Lieferzeit: 5 Werktage

Stück
Pos.
19
BOSCH Schraube | Ersatzteile für GTS 10 XC | 2610358844
Hersteller: BOSCH
Artikelnummer: EB-3601M304B2-2610358844
Netto: 3,94 € zzgl. MwSt.
zzgl. 6,90 € Versand (brutto)
einmalig pro Bestellung

Lieferzeit: 5 Werktage

Stück
Pos.
22
BOSCH Abdeckkappe | Ersatzteile für GTS 10 XC | 2610996865
Hersteller: BOSCH
Artikelnummer: EB-3601M304B2-2610996865
Netto: 12,98 € zzgl. MwSt.
zzgl. 6,90 € Versand (brutto)
einmalig pro Bestellung

Lieferzeit: 5 Werktage

Stück
Pos.
22
BOSCH Stift | Ersatzteile für GTS 10 XC | 2610996913
Hersteller: BOSCH
Artikelnummer: EB-3601M304B2-2610996913
Netto: 5,67 € zzgl. MwSt.
zzgl. 6,90 € Versand (brutto)
einmalig pro Bestellung

Lieferzeit: 5 Werktage

Stück
Pos.
23
BOSCH Platte | Ersatzteile für GTS 10 XC | 2610996917
Hersteller: BOSCH
Artikelnummer: EB-3601M304B2-2610996917
Netto: 3,94 € zzgl. MwSt.
zzgl. 6,90 € Versand (brutto)
einmalig pro Bestellung

Lieferzeit: 5 Werktage

Stück
Pos.
24
BOSCH Stift | Ersatzteile für GTS 10 XC | 2610997274
Hersteller: BOSCH
Artikelnummer: EB-3601M304B2-2610997274
Netto: 3,63 € zzgl. MwSt.
zzgl. 6,90 € Versand (brutto)
einmalig pro Bestellung

Lieferzeit: 5 Werktage

Stück
Pos.
25
BOSCH Führungsstift | Ersatzteile für GTS 10 XC | 2610937292
Hersteller: BOSCH
Artikelnummer: EB-3601M304B2-2610937292
Netto: 3,94 € zzgl. MwSt.
zzgl. 6,90 € Versand (brutto)
einmalig pro Bestellung

Lieferzeit: 5 Werktage

Stück
Pos.
25
BOSCH Mutter | Ersatzteile für GTS 10 XC | 2610327868
Hersteller: BOSCH
Artikelnummer: EB-3601M304B2-2610327868
Netto: 3,63 € zzgl. MwSt.
zzgl. 6,90 € Versand (brutto)
einmalig pro Bestellung

Lieferzeit: 5 Werktage

Stück
Pos.
26
BOSCH Mutter | Ersatzteile für GTS 10 XC | 2610911896
Hersteller: BOSCH
Artikelnummer: EB-3601M304B2-2610911896
nur Informationsartikel
Nie mehr lieferbar
keine Alternativen
Pos.
27
BOSCH Befestigungsblech | Ersatzteile für GTS 10 XC | 2610996912
Hersteller: BOSCH
Artikelnummer: EB-3601M304B2-2610996912
Netto: 6,70 € zzgl. MwSt.
zzgl. 6,90 € Versand (brutto)
einmalig pro Bestellung

Lieferzeit: 5 Werktage

Stück
Pos.
28
BOSCH Aufspannschiene | Ersatzteile für GTS 10 XC | 1600A00724
Hersteller: BOSCH
Artikelnummer: EB-3601M304B2-1600A00724
Netto: 4,32 € zzgl. MwSt.
zzgl. 6,90 € Versand (brutto)
einmalig pro Bestellung

Lieferzeit: 5 Werktage

Stück
Pos.
29
BOSCH Aufspannschiene | Ersatzteile für GTS 10 XC | 2610950075
Hersteller: BOSCH
Artikelnummer: EB-3601M304B2-2610950075
Netto: 8,33 € zzgl. MwSt.
zzgl. 6,90 € Versand (brutto)
einmalig pro Bestellung

Lieferzeit: 5 Werktage

Stück
Pos.
30
BOSCH Schraube | Ersatzteile für GTS 10 XC | 2610303029
Hersteller: BOSCH
Artikelnummer: EB-3601M304B2-2610303029
Netto: 3,63 € zzgl. MwSt.
zzgl. 6,90 € Versand (brutto)
einmalig pro Bestellung

Lieferzeit: 5 Werktage

Stück
Pos.
31
BOSCH Griffschale | Ersatzteile für GTS 10 XC | 2610018218
Hersteller: BOSCH
Artikelnummer: EB-3601M304B2-2610018218
Netto: 5,19 € zzgl. MwSt.
zzgl. 6,90 € Versand (brutto)
einmalig pro Bestellung

Lieferzeit: 5 Werktage

Stück
Pos.
32
BOSCH Griffschale | Ersatzteile für GTS 10 XC | 2610018219
Hersteller: BOSCH
Artikelnummer: EB-3601M304B2-2610018219
Netto: 5,19 € zzgl. MwSt.
zzgl. 6,90 € Versand (brutto)
einmalig pro Bestellung

Lieferzeit: 5 Werktage

Stück
Pos.
33
BOSCH Schraube | Ersatzteile für GTS 10 XC | 2610018580
Hersteller: BOSCH
Artikelnummer: EB-3601M304B2-2610018580
Netto: 3,63 € zzgl. MwSt.
zzgl. 6,90 € Versand (brutto)
einmalig pro Bestellung

Lieferzeit: 5 Werktage

Stück
Pos.
34
BOSCH Befestigungswinkel | Ersatzteile für GTS 10 XC | 2610950126
Hersteller: BOSCH
Artikelnummer: EB-3601M304B2-2610950126
Netto: 8,33 € zzgl. MwSt.
zzgl. 6,90 € Versand (brutto)
einmalig pro Bestellung

Lieferzeit: 5 Werktage

Stück
Pos.
35
BOSCH Lagerbuchse | Ersatzteile für GTS 10 XC | 2610950070
Hersteller: BOSCH
Artikelnummer: EB-3601M304B2-2610950070
Netto: 3,63 € zzgl. MwSt.
zzgl. 6,90 € Versand (brutto)
einmalig pro Bestellung

Lieferzeit: 5 Werktage

Stück
Pos.
36
BOSCH Befestigungswinkel | Ersatzteile für GTS 10 XC | 2610950127
Hersteller: BOSCH
Artikelnummer: EB-3601M304B2-2610950127
Netto: 9,95 € zzgl. MwSt.
zzgl. 6,90 € Versand (brutto)
einmalig pro Bestellung

Lieferzeit: 5 Werktage

Stück
Pos.
37
BOSCH Schraube | Ersatzteile für GTS 10 XC | 2610998575
Hersteller: BOSCH
Artikelnummer: EB-3601M304B2-2610998575
Netto: 3,63 € zzgl. MwSt.
zzgl. 6,90 € Versand (brutto)
einmalig pro Bestellung

Lieferzeit: 5 Werktage

Stück
Pos.
38
BOSCH Halteplatte | Ersatzteile für GTS 10 XC | 2610018220
Hersteller: BOSCH
Artikelnummer: EB-3601M304B2-2610018220
Netto: 42,86 € zzgl. MwSt.
zzgl. 6,90 € Versand (brutto)
einmalig pro Bestellung

Lieferzeit: 5 Werktage

Stück
Pos.
39
BOSCH Führungsbolzen | Ersatzteile für GTS 10 XC | 2610950052
Hersteller: BOSCH
Artikelnummer: EB-3601M304B2-2610950052
Netto: 7,76 € zzgl. MwSt.
zzgl. 6,90 € Versand (brutto)
einmalig pro Bestellung

Lieferzeit: 5 Werktage

Stück
Pos.
40
BOSCH Sicherungsring | Ersatzteile für GTS 10 XC | 2610992380
Hersteller: BOSCH
Artikelnummer: EB-3601M304B2-2610992380
Netto: 3,63 € zzgl. MwSt.
zzgl. 6,90 € Versand (brutto)
einmalig pro Bestellung

Lieferzeit: 5 Werktage

Stück
Pos.
41
BOSCH Gewindestange | Ersatzteile für GTS 10 XC | 2610018221
Hersteller: BOSCH
Artikelnummer: EB-3601M304B2-2610018221
Netto: 12,98 € zzgl. MwSt.
zzgl. 6,90 € Versand (brutto)
einmalig pro Bestellung

Lieferzeit: 5 Werktage

Stück
Pos.
42
BOSCH Zahnrad | Ersatzteile für GTS 10 XC | 2610996896
Hersteller: BOSCH
Artikelnummer: EB-3601M304B2-2610996896
Netto: 6,70 € zzgl. MwSt.
zzgl. 6,90 € Versand (brutto)
einmalig pro Bestellung

Lieferzeit: 5 Werktage

Stück
Pos.
43
BOSCH Bolzen | Ersatzteile für GTS 10 XC | 2610910796
Hersteller: BOSCH
Artikelnummer: EB-3601M304B2-2610910796
Netto: 4,82 € zzgl. MwSt.
zzgl. 6,90 € Versand (brutto)
einmalig pro Bestellung

Lieferzeit: 5 Werktage

Stück
Pos.
44
BOSCH Mutter | Ersatzteile für GTS 10 XC | 2610358149
Hersteller: BOSCH
Artikelnummer: EB-3601M304B2-2610358149
Netto: 3,63 € zzgl. MwSt.
zzgl. 6,90 € Versand (brutto)
einmalig pro Bestellung

Lieferzeit: 5 Werktage

Stück
Pos.
45
BOSCH Unterlegscheibe | Ersatzteile für GTS 10 XC | 2610018223
Hersteller: BOSCH
Artikelnummer: EB-3601M304B2-2610018223
Netto: 3,63 € zzgl. MwSt.
zzgl. 6,90 € Versand (brutto)
einmalig pro Bestellung

Lieferzeit: 5 Werktage

Stück
Pos.
46
BOSCH Welle | Ersatzteile für GTS 10 XC | 2610018224
Hersteller: BOSCH
Artikelnummer: EB-3601M304B2-2610018224
Netto: 10,92 € zzgl. MwSt.
zzgl. 6,90 € Versand (brutto)
einmalig pro Bestellung

Lieferzeit: 5 Werktage

Stück
Pos.
47
BOSCH Befestigungswinkel | Ersatzteile für GTS 10 XC | 2610997212
Hersteller: BOSCH
Artikelnummer: EB-3601M304B2-2610997212
Netto: 4,82 € zzgl. MwSt.
zzgl. 6,90 € Versand (brutto)
einmalig pro Bestellung

Lieferzeit: 5 Werktage

Stück
Pos.
48
BOSCH Schraube | Ersatzteile für GTS 10 XC | 2610297323
Hersteller: BOSCH
Artikelnummer: EB-3601M304B2-2610297323
Netto: 3,63 € zzgl. MwSt.
zzgl. 6,90 € Versand (brutto)
einmalig pro Bestellung

Lieferzeit: 5 Werktage

Stück
Pos.
49
BOSCH Lagerbuchse | Ersatzteile für GTS 10 XC | 1619PA5649
Hersteller: BOSCH
Artikelnummer: EB-3601M304B2-1619PA5649
Netto: 3,94 € zzgl. MwSt.
zzgl. 6,90 € Versand (brutto)
einmalig pro Bestellung

Lieferzeit: 5 Werktage

Stück
Pos.
50
BOSCH Sicherungsring | Ersatzteile für GTS 10 XC | 2610997277
Hersteller: BOSCH
Artikelnummer: EB-3601M304B2-2610997277
Netto: 3,63 € zzgl. MwSt.
zzgl. 6,90 € Versand (brutto)
einmalig pro Bestellung

Lieferzeit: 5 Werktage

Stück
Pos.
51
BOSCH Sicherungsring | Ersatzteile für GTS 10 XC | 2610997276
Hersteller: BOSCH
Artikelnummer: EB-3601M304B2-2610997276
Netto: 3,63 € zzgl. MwSt.
zzgl. 6,90 € Versand (brutto)
einmalig pro Bestellung

Lieferzeit: 5 Werktage

Stück
Pos.
52
BOSCH Lagerbuchse | Ersatzteile für GTS 10 XC | 2610996938
Hersteller: BOSCH
Artikelnummer: EB-3601M304B2-2610996938
Netto: 8,33 € zzgl. MwSt.
zzgl. 6,90 € Versand (brutto)
einmalig pro Bestellung

Lieferzeit: 5 Werktage

Stück
Pos.
53
BOSCH Gewindebuchse | Ersatzteile für GTS 10 XC | 2610996933
Hersteller: BOSCH
Artikelnummer: EB-3601M304B2-2610996933
Netto: 12,98 € zzgl. MwSt.
zzgl. 6,90 € Versand (brutto)
einmalig pro Bestellung

Lieferzeit: 5 Werktage

Stück
Pos.
54
BOSCH Schraube | Ersatzteile für GTS 10 XC | 2610303026
Hersteller: BOSCH
Artikelnummer: EB-3601M304B2-2610303026
Netto: 3,63 € zzgl. MwSt.
zzgl. 6,90 € Versand (brutto)
einmalig pro Bestellung

Lieferzeit: 5 Werktage

Stück
Pos.
55
BOSCH Getriebegehäuse | Ersatzteile für GTS 10 XC | 2610018225
Hersteller: BOSCH
Artikelnummer: EB-3601M304B2-2610018225
Netto: 47,09 € zzgl. MwSt.
zzgl. 6,90 € Versand (brutto)
einmalig pro Bestellung

Lieferzeit: 5 Werktage

Stück
Pos.
57
BOSCH Prallschutz | Ersatzteile für GTS 10 XC | 2610018226
Hersteller: BOSCH
Artikelnummer: EB-3601M304B2-2610018226
Netto: 5,67 € zzgl. MwSt.
zzgl. 6,90 € Versand (brutto)
einmalig pro Bestellung

Lieferzeit: 5 Werktage

Stück
Pos.
63
BOSCH Gewindestift | Ersatzteile für GTS 10 XC | 1609902054
Hersteller: BOSCH
Artikelnummer: EB-3601M304B2-1609902054
Netto: 3,63 € zzgl. MwSt.
zzgl. 6,90 € Versand (brutto)
einmalig pro Bestellung

Lieferzeit: 5 Werktage

Stück
Pos.
65
BOSCH Einsatz | Ersatzteile für GTS 10 XC | 2610911569
Hersteller: BOSCH
Artikelnummer: EB-3601M304B2-2610911569
Netto: 4,53 € zzgl. MwSt.
zzgl. 6,90 € Versand (brutto)
einmalig pro Bestellung

Lieferzeit: 5 Werktage

Stück
Pos.
66
BOSCH Mutter | Ersatzteile für GTS 10 XC | 2610356706
Hersteller: BOSCH
Artikelnummer: EB-3601M304B2-2610356706
Netto: 4,53 € zzgl. MwSt.
zzgl. 6,90 € Versand (brutto)
einmalig pro Bestellung

Lieferzeit: 5 Werktage

Stück
Pos.
67
BOSCH Schraube | Ersatzteile für GTS 10 XC | 2610911929
Hersteller: BOSCH
Artikelnummer: EB-3601M304B2-2610911929
Netto: 3,63 € zzgl. MwSt.
zzgl. 6,90 € Versand (brutto)
einmalig pro Bestellung

Lieferzeit: 5 Werktage

Stück
Pos.
68
BOSCH Gummiring | Ersatzteile für GTS 10 XC | 2610996948
Hersteller: BOSCH
Artikelnummer: EB-3601M304B2-2610996948
Netto: 3,94 € zzgl. MwSt.
zzgl. 6,90 € Versand (brutto)
einmalig pro Bestellung

Lieferzeit: 5 Werktage

Stück
Pos.
69
BOSCH Steckkupplung | Ersatzteile für GTS 10 XC | 2610358932
Hersteller: BOSCH
Artikelnummer: EB-3601M304B2-2610358932
Netto: 3,94 € zzgl. MwSt.
zzgl. 6,90 € Versand (brutto)
einmalig pro Bestellung

Lieferzeit: 5 Werktage

Stück
Pos.
70
BOSCH Abdeckkappe | Ersatzteile für GTS 10 XC | 2610018227
Hersteller: BOSCH
Artikelnummer: EB-3601M304B2-2610018227
Netto: 9,18 € zzgl. MwSt.
zzgl. 6,90 € Versand (brutto)
einmalig pro Bestellung

Lieferzeit: 5 Werktage

Stück
Pos.
71
BOSCH Kabelklemme | Ersatzteile für GTS 10 XC | 1609203K96
Hersteller: BOSCH
Artikelnummer: EB-3601M304B2-1609203K96
Netto: 3,63 € zzgl. MwSt.
zzgl. 6,90 € Versand (brutto)
einmalig pro Bestellung

Lieferzeit: 5 Werktage

Stück
Pos.
72
BOSCH Scheibe | Ersatzteile für GTS 10 XC | 2610018336
Hersteller: BOSCH
Artikelnummer: EB-3601M304B2-2610017110
Netto: 4,39 € zzgl. MwSt.
zzgl. 6,90 € Versand (brutto)
einmalig pro Bestellung

Lieferzeit: 5 Werktage

Stück
Pos.
73
BOSCH Schraube alt | Ersatzteile für GTS 10 XC | 2610998571
Hersteller: BOSCH
Artikelnummer: EB-3601M304B2-2610998571
Netto: 3,63 € zzgl. MwSt.
zzgl. 6,90 € Versand (brutto)
einmalig pro Bestellung

Lieferzeit: 5 Werktage

Stück
Pos.
74
BOSCH Stützwinkel | Ersatzteile für GTS 10 XC | 2610018228
Hersteller: BOSCH
Artikelnummer: EB-3601M304B2-2610018228
Netto: 3,94 € zzgl. MwSt.
zzgl. 6,90 € Versand (brutto)
einmalig pro Bestellung

Lieferzeit: 5 Werktage

Stück
Pos.
75
BOSCH Drehzahlregler | Ersatzteile für GTS 10 XC | 2610223019
Hersteller: BOSCH
Artikelnummer: EB-3601M304B2-2610223019
Netto: 42,86 € zzgl. MwSt.
zzgl. 6,90 € Versand (brutto)
einmalig pro Bestellung

Lieferzeit: 5 Werktage

Stück
Pos.
76
BOSCH Leitungsband | Ersatzteile für GTS 10 XC | 1609902050
Hersteller: BOSCH
Artikelnummer: EB-3601M304B2-1609902050
Netto: 3,63 € zzgl. MwSt.
zzgl. 6,90 € Versand (brutto)
einmalig pro Bestellung

Lieferzeit: 5 Werktage

Stück
Pos.
77
BOSCH Schraube | Ersatzteile für GTS 10 XC | 2610998587
Hersteller: BOSCH
Artikelnummer: EB-3601M304B2-2610998587
Netto: 3,63 € zzgl. MwSt.
zzgl. 6,90 € Versand (brutto)
einmalig pro Bestellung

Lieferzeit: 5 Werktage

Stück
Pos.
78
BOSCH Bürstendeckel Ø 22mm | Ersatzteile für GTS 10 XC | 2610916802
Hersteller: BOSCH
Artikelnummer: EB-3601M304B2-2610916802
nur Informationsartikel
Nie mehr lieferbar
keine Alternativen
Pos.
81
BOSCH Federscheibe | Ersatzteile für GTS 10 XC | 2610911924
Hersteller: BOSCH
Artikelnummer: EB-3601M304B2-2610911924
Netto: 5,19 € zzgl. MwSt.
zzgl. 6,90 € Versand (brutto)
einmalig pro Bestellung

Lieferzeit: 5 Werktage

Stück
Pos.
82
BOSCH Verstellwelle | Ersatzteile für GTS 10 XC | 2610018231
Hersteller: BOSCH
Artikelnummer: EB-3601M304B2-2610018231
Netto: 17,38 € zzgl. MwSt.
zzgl. 6,90 € Versand (brutto)
einmalig pro Bestellung

Lieferzeit: 5 Werktage

Stück
Pos.
83
BOSCH Kugellager | Ersatzteile für GTS 10 XC | 2610997210
Hersteller: BOSCH
Artikelnummer: EB-3601M304B2-2610997210
Netto: 12,98 € zzgl. MwSt.
zzgl. 6,90 € Versand (brutto)
einmalig pro Bestellung

Lieferzeit: 5 Werktage

Stück
Pos.
84
BOSCH Sicherungsring | Ersatzteile für GTS 10 XC | 2610997282
Hersteller: BOSCH
Artikelnummer: EB-3601M304B2-2610997282
Netto: 3,63 € zzgl. MwSt.
zzgl. 6,90 € Versand (brutto)
einmalig pro Bestellung

Lieferzeit: 5 Werktage

Stück
Pos.
85
BOSCH Getriebedeckel | Ersatzteile für GTS 10 XC | 2610018232
Hersteller: BOSCH
Artikelnummer: EB-3601M304B2-2610018232
Netto: 17,38 € zzgl. MwSt.
zzgl. 6,90 € Versand (brutto)
einmalig pro Bestellung

Lieferzeit: 5 Werktage

Stück
Pos.
85
BOSCH Lagerblock | Ersatzteile für GTS 10 XC | 1600A024EU
Hersteller: BOSCH
Artikelnummer: EB-3601M304B2-1600A024EU
Netto: 15,75 € zzgl. MwSt.
zzgl. 6,90 € Versand (brutto)
einmalig pro Bestellung

Lieferzeit: 5 Werktage

Stück
Pos.
86
BOSCH Kugellager | Ersatzteile für GTS 10 XC | 2610996949
Hersteller: BOSCH
Artikelnummer: EB-3601M304B2-2610996949
Netto: 12,98 € zzgl. MwSt.
zzgl. 6,90 € Versand (brutto)
einmalig pro Bestellung

Lieferzeit: 5 Werktage

Stück
Pos.
87
BOSCH Scheibenfeder | Ersatzteile für GTS 10 XC | 2610993102
Hersteller: BOSCH
Artikelnummer: EB-3601M304B2-2610993102
Netto: 4,32 € zzgl. MwSt.
zzgl. 6,90 € Versand (brutto)
einmalig pro Bestellung

Lieferzeit: 5 Werktage

Stück
Pos.
88
BOSCH Zahnrad | Ersatzteile für GTS 10 XC | 2610997208
Hersteller: BOSCH
Artikelnummer: EB-3601M304B2-2610997208
Netto: 32,74 € zzgl. MwSt.
zzgl. 6,90 € Versand (brutto)
einmalig pro Bestellung

Lieferzeit: 5 Werktage

Stück
Pos.
89
BOSCH Sicherungsring | Ersatzteile für GTS 10 XC | 2610997281
Hersteller: BOSCH
Artikelnummer: EB-3601M304B2-2610997281
Netto: 3,63 € zzgl. MwSt.
zzgl. 6,90 € Versand (brutto)
einmalig pro Bestellung

Lieferzeit: 5 Werktage

Stück
Pos.
90
BOSCH Lagerhülse | Ersatzteile für GTS 10 XC | 2610996932
Hersteller: BOSCH
Artikelnummer: EB-3601M304B2-2610996932
Netto: 4,53 € zzgl. MwSt.
zzgl. 6,90 € Versand (brutto)
einmalig pro Bestellung

Lieferzeit: 5 Werktage

Stück
Pos.
91
BOSCH Schraube | Ersatzteile für GTS 10 XC | 2610355923
Hersteller: BOSCH
Artikelnummer: EB-3601M304B2-2610355923
Netto: 3,63 € zzgl. MwSt.
zzgl. 6,90 € Versand (brutto)
einmalig pro Bestellung

Lieferzeit: 5 Werktage

Stück
Pos.
92
BOSCH Drehfeder | Ersatzteile für GTS 10 XC | 2610996875
Hersteller: BOSCH
Artikelnummer: EB-3601M304B2-2610996875
Netto: 3,94 € zzgl. MwSt.
zzgl. 6,90 € Versand (brutto)
einmalig pro Bestellung

Lieferzeit: 5 Werktage

Stück
Pos.
93
BOSCH Sperrhebel | Ersatzteile für GTS 10 XC | 2610996874
Hersteller: BOSCH
Artikelnummer: EB-3601M304B2-2610996874
Netto: 9,95 € zzgl. MwSt.
zzgl. 6,90 € Versand (brutto)
einmalig pro Bestellung

Lieferzeit: 5 Werktage

Stück
Pos.
94
BOSCH Ansatzschraube | Ersatzteile für GTS 10 XC | 2610996876
Hersteller: BOSCH
Artikelnummer: EB-3601M304B2-2610996876
Netto: 3,94 € zzgl. MwSt.
zzgl. 6,90 € Versand (brutto)
einmalig pro Bestellung

Lieferzeit: 5 Werktage

Stück
Pos.
95
BOSCH Schraube | Ersatzteile für GTS 10 XC | 2610998588
Hersteller: BOSCH
Artikelnummer: EB-3601M304B2-2610998588
Netto: 3,94 € zzgl. MwSt.
zzgl. 6,90 € Versand (brutto)
einmalig pro Bestellung

Lieferzeit: 5 Werktage

Stück
Pos.
96
BOSCH Lagerbuchse | Ersatzteile für GTS 10 XC | 2610018233
Hersteller: BOSCH
Artikelnummer: EB-3601M304B2-2610018233
Netto: 7,76 € zzgl. MwSt.
zzgl. 6,90 € Versand (brutto)
einmalig pro Bestellung

Lieferzeit: 5 Werktage

Stück
Pos.
97
BOSCH Sicherungsring | Ersatzteile für GTS 10 XC | 2610998573
Hersteller: BOSCH
Artikelnummer: EB-3601M304B2-2610998573
Netto: 3,63 € zzgl. MwSt.
zzgl. 6,90 € Versand (brutto)
einmalig pro Bestellung

Lieferzeit: 5 Werktage

Stück
Pos.
98
BOSCH Gewindestift | Ersatzteile für GTS 10 XC | 2610950427
Hersteller: BOSCH
Artikelnummer: EB-3601M304B2-2610950427
Netto: 3,63 € zzgl. MwSt.
zzgl. 6,90 € Versand (brutto)
einmalig pro Bestellung

Lieferzeit: 5 Werktage

Stück
Pos.
98
BOSCH Schraube | Ersatzteile für GTS 10 XC | 2610015359
Hersteller: BOSCH
Artikelnummer: EB-3601M304B2-2610015359
Netto: 3,63 € zzgl. MwSt.
zzgl. 6,90 € Versand (brutto)
einmalig pro Bestellung

Lieferzeit: 5 Werktage

Stück
Pos.
99
BOSCH Schraube | Ersatzteile für GTS 10 XC | 2610018230
Hersteller: BOSCH
Artikelnummer: EB-3601M304B2-2610018230
Netto: 3,63 € zzgl. MwSt.
zzgl. 6,90 € Versand (brutto)
einmalig pro Bestellung

Lieferzeit: 5 Werktage

Stück
Pos.
100
BOSCH Schraube | Ersatzteile für GTS 10 XC | 2610328617
Hersteller: BOSCH
Artikelnummer: EB-3601M304B2-2610328617
Netto: 3,63 € zzgl. MwSt.
zzgl. 6,90 € Versand (brutto)
einmalig pro Bestellung

Lieferzeit: 5 Werktage

Stück
Pos.
101
BOSCH Unterlegscheibe | Ersatzteile für GTS 10 XC | 2610303020
Hersteller: BOSCH
Artikelnummer: EB-3601M304B2-2610303020
nur Informationsartikel
Nie mehr lieferbar
keine Alternativen
Pos.
102
BOSCH Abdeckplatte | Ersatzteile für GTS 10 XC | 2610018234
Hersteller: BOSCH
Artikelnummer: EB-3601M304B2-2610018234
Netto: 7,30 € zzgl. MwSt.
zzgl. 6,90 € Versand (brutto)
einmalig pro Bestellung

Lieferzeit: 5 Werktage

Stück
Pos.
103
BOSCH Anschlag | Ersatzteile für GTS 10 XC | 2610018235
Hersteller: BOSCH
Artikelnummer: EB-3601M304B2-2610018235
Netto: 4,32 € zzgl. MwSt.
zzgl. 6,90 € Versand (brutto)
einmalig pro Bestellung

Lieferzeit: 5 Werktage

Stück
Pos.
104
BOSCH Haltefeder | Ersatzteile für GTS 10 XC | 2610018236
Hersteller: BOSCH
Artikelnummer: EB-3601M304B2-2610018236
Netto: 5,19 € zzgl. MwSt.
zzgl. 6,90 € Versand (brutto)
einmalig pro Bestellung

Lieferzeit: 5 Werktage

Stück
Pos.
105
BOSCH Schraube | Ersatzteile für GTS 10 XC | 2610018237
Hersteller: BOSCH
Artikelnummer: EB-3601M304B2-2610018237
Netto: 3,63 € zzgl. MwSt.
zzgl. 6,90 € Versand (brutto)
einmalig pro Bestellung

Lieferzeit: 5 Werktage

Stück
Pos.
106
BOSCH Frontplatte | Ersatzteile für GTS 10 XC | 2610018238
Hersteller: BOSCH
Artikelnummer: EB-3601M304B2-2610018238
Netto: 26,88 € zzgl. MwSt.
zzgl. 6,90 € Versand (brutto)
einmalig pro Bestellung

Lieferzeit: 5 Werktage

Stück
Pos.
107
BOSCH Profilschiene | Ersatzteile für GTS 10 XC | 2610950118
Hersteller: BOSCH
Artikelnummer: EB-3601M304B2-2610950118
Netto: 3,63 € zzgl. MwSt.
zzgl. 6,90 € Versand (brutto)
einmalig pro Bestellung

Lieferzeit: 5 Werktage

Stück
Pos.
108
BOSCH Anschlag | Ersatzteile für GTS 10 XC | 2610018239
Hersteller: BOSCH
Artikelnummer: EB-3601M304B2-2610018239
Netto: 3,94 € zzgl. MwSt.
zzgl. 6,90 € Versand (brutto)
einmalig pro Bestellung

Lieferzeit: 5 Werktage

Stück
Pos.
109
BOSCH Schraube M5x0,8Px10L | Ersatzteile für GTS 10 XC | 2610018599
Hersteller: BOSCH
Artikelnummer: EB-3601M304B2-2610018599
Netto: 3,63 € zzgl. MwSt.
zzgl. 6,90 € Versand (brutto)
einmalig pro Bestellung

Lieferzeit: 5 Werktage

Stück
Pos.
110
BOSCH Feder | Ersatzteile für GTS 10 XC | 2610997271
Hersteller: BOSCH
Artikelnummer: EB-3601M304B2-2610997271
Netto: 3,94 € zzgl. MwSt.
zzgl. 6,90 € Versand (brutto)
einmalig pro Bestellung

Lieferzeit: 5 Werktage

Stück
Pos.
111
BOSCH Unterlegscheibe | Ersatzteile für GTS 10 XC | 2610998550
Hersteller: BOSCH
Artikelnummer: EB-3601M304B2-2610998550
Netto: 3,94 € zzgl. MwSt.
zzgl. 6,90 € Versand (brutto)
einmalig pro Bestellung

Lieferzeit: 5 Werktage

Stück
Pos.
112
BOSCH Unterlegscheibe | Ersatzteile für GTS 10 XC | 2610997299
Hersteller: BOSCH
Artikelnummer: EB-3601M304B2-2610997299
Netto: 3,94 € zzgl. MwSt.
zzgl. 6,90 € Versand (brutto)
einmalig pro Bestellung

Lieferzeit: 5 Werktage

Stück
Pos.
113
BOSCH Mutter | Ersatzteile für GTS 10 XC | 2610997298
Hersteller: BOSCH
Artikelnummer: EB-3601M304B2-2610997298
Netto: 6,15 € zzgl. MwSt.
zzgl. 6,90 € Versand (brutto)
einmalig pro Bestellung

Lieferzeit: 5 Werktage

Stück
Pos.
114
BOSCH Klemmhebel | Ersatzteile für GTS 10 XC | 1609B06826
Hersteller: BOSCH
Artikelnummer: EB-3601M304B2-1609B06826
Netto: 10,92 € zzgl. MwSt.
zzgl. 6,90 € Versand (brutto)
einmalig pro Bestellung

Lieferzeit: 5 Werktage

Stück
Pos.
115
BOSCH Unterlegscheibe | Ersatzteile für GTS 10 XC | 2610950129
Hersteller: BOSCH
Artikelnummer: EB-3601M304B2-2610950129
Netto: 3,63 € zzgl. MwSt.
zzgl. 6,90 € Versand (brutto)
einmalig pro Bestellung

Lieferzeit: 5 Werktage

Stück
Pos.
116
BOSCH Vorlegscheibe | Ersatzteile für GTS 10 XC | 2610341465
Hersteller: BOSCH
Artikelnummer: EB-3601M304B2-2610341465
Netto: 4,32 € zzgl. MwSt.
zzgl. 6,90 € Versand (brutto)
einmalig pro Bestellung

Lieferzeit: 5 Werktage

Stück
Pos.
117
BOSCH Feder | Ersatzteile für GTS 10 XC | 2610950115
Hersteller: BOSCH
Artikelnummer: EB-3601M304B2-2610950115
Netto: 3,63 € zzgl. MwSt.
zzgl. 6,90 € Versand (brutto)
einmalig pro Bestellung

Lieferzeit: 5 Werktage

Stück
Pos.
118
BOSCH Handrad | Ersatzteile für GTS 10 XC | 2610950057
Hersteller: BOSCH
Artikelnummer: EB-3601M304B2-2610950057
Netto: 12,98 € zzgl. MwSt.
zzgl. 6,90 € Versand (brutto)
einmalig pro Bestellung

Lieferzeit: 5 Werktage

Stück
Pos.
121
BOSCH Handgriff | Ersatzteile für GTS 10 XC | 2610950059
Hersteller: BOSCH
Artikelnummer: EB-3601M304B2-2610950059
Netto: 3,63 € zzgl. MwSt.
zzgl. 6,90 € Versand (brutto)
einmalig pro Bestellung

Lieferzeit: 5 Werktage

Stück
Pos.
122
BOSCH Ansatzschraube | Ersatzteile für GTS 10 XC | 2610997270
Hersteller: BOSCH
Artikelnummer: EB-3601M304B2-2610997270
Netto: 4,32 € zzgl. MwSt.
zzgl. 6,90 € Versand (brutto)
einmalig pro Bestellung

Lieferzeit: 5 Werktage

Stück
Pos.
123
BOSCH Federscheibe | Ersatzteile für GTS 10 XC | 2610355325
Hersteller: BOSCH
Artikelnummer: EB-3601M304B2-2610355325
Netto: 3,63 € zzgl. MwSt.
zzgl. 6,90 € Versand (brutto)
einmalig pro Bestellung

Lieferzeit: 5 Werktage

Stück
Pos.
124
BOSCH Gewindestift | Ersatzteile für GTS 10 XC | 1609902669
Hersteller: BOSCH
Artikelnummer: EB-3601M304B2-1609902669
Netto: 3,63 € zzgl. MwSt.
zzgl. 6,90 € Versand (brutto)
einmalig pro Bestellung

Lieferzeit: 5 Werktage

Stück
Pos.
125
BOSCH Aufspannflansch | Ersatzteile für GTS 10 XC | 1609203K93
Hersteller: BOSCH
Artikelnummer: EB-3601M304B2-1609203L56
Netto: 10,92 € zzgl. MwSt.
zzgl. 6,90 € Versand (brutto)
einmalig pro Bestellung

Lieferzeit: 5 Werktage

Stück
Pos.
127
BOSCH Scheibe | Ersatzteile für GTS 10 XC | 2610950046
Hersteller: BOSCH
Artikelnummer: EB-3601M304B2-2610950046
Netto: 10,92 € zzgl. MwSt.
zzgl. 6,90 € Versand (brutto)
einmalig pro Bestellung

Lieferzeit: 5 Werktage

Stück
Pos.
128
BOSCH Mutter | Ersatzteile für GTS 10 XC | 2610358858
Hersteller: BOSCH
Artikelnummer: EB-3601M304B2-2610358858
Netto: 4,53 € zzgl. MwSt.
zzgl. 6,90 € Versand (brutto)
einmalig pro Bestellung

Lieferzeit: 5 Werktage

Stück
Pos.
129
BOSCH Abdeckplatte | Ersatzteile für GTS 10 XC | 2610018241
Hersteller: BOSCH
Artikelnummer: EB-3601M304B2-2610018241
Netto: 15,75 € zzgl. MwSt.
zzgl. 6,90 € Versand (brutto)
einmalig pro Bestellung

Lieferzeit: 5 Werktage

Stück
Pos.
130
BOSCH Abdeckplatte | Ersatzteile für GTS 10 XC | 2610018242
Hersteller: BOSCH
Artikelnummer: EB-3601M304B2-2610018242
Netto: 11,92 € zzgl. MwSt.
zzgl. 6,90 € Versand (brutto)
einmalig pro Bestellung

Lieferzeit: 5 Werktage

Stück
Pos.
131
BOSCH Schraube | Ersatzteile für GTS 10 XC | 2610018243
Hersteller: BOSCH
Artikelnummer: EB-3601M304B2-2610018243
Netto: 3,63 € zzgl. MwSt.
zzgl. 6,90 € Versand (brutto)
einmalig pro Bestellung

Lieferzeit: 5 Werktage

Stück
Pos.
132
BOSCH Haltering | Ersatzteile für GTS 10 XC | 2610358869
Hersteller: BOSCH
Artikelnummer: EB-3601M304B2-2610358869
Netto: 3,94 € zzgl. MwSt.
zzgl. 6,90 € Versand (brutto)
einmalig pro Bestellung

Lieferzeit: 5 Werktage

Stück
Pos.
133
BOSCH Schraube | Ersatzteile für GTS 10 XC | 1609902699
Hersteller: BOSCH
Artikelnummer: EB-3601M304B2-1609902699
Netto: 3,60 € zzgl. MwSt.
zzgl. 6,90 € Versand (brutto)
einmalig pro Bestellung

Lieferzeit: 5 Werktage

Stück
Pos.
134
BOSCH Aufspannwinkel | Ersatzteile für GTS 10 XC | 2610937291
Hersteller: BOSCH
Artikelnummer: EB-3601M304B2-2610937291
Netto: 4,82 € zzgl. MwSt.
zzgl. 6,90 € Versand (brutto)
einmalig pro Bestellung

Lieferzeit: 5 Werktage

Stück
Pos.
135
BOSCH Gestänge | Ersatzteile für GTS 10 XC | 2610018244
Hersteller: BOSCH
Artikelnummer: EB-3601M304B2-2610018244
Netto: 11,92 € zzgl. MwSt.
zzgl. 6,90 € Versand (brutto)
einmalig pro Bestellung

Lieferzeit: 5 Werktage

Stück
Pos.
136
BOSCH Sprengring | Ersatzteile für GTS 10 XC | 2610937293
Hersteller: BOSCH
Artikelnummer: EB-3601M304B2-2610937293
Netto: 3,63 € zzgl. MwSt.
zzgl. 6,90 € Versand (brutto)
einmalig pro Bestellung

Lieferzeit: 5 Werktage

Stück
Pos.
137
BOSCH Vorlegscheibe | Ersatzteile für GTS 10 XC | 1619P03473
Hersteller: BOSCH
Artikelnummer: EB-3601M304B2-1619P03473
Netto: 3,63 € zzgl. MwSt.
zzgl. 6,90 € Versand (brutto)
einmalig pro Bestellung

Lieferzeit: 5 Werktage

Stück
Pos.
138
BOSCH Klemmhebel | Ersatzteile für GTS 10 XC | 2610018245
Hersteller: BOSCH
Artikelnummer: EB-3601M304B2-2610018245
Netto: 10,92 € zzgl. MwSt.
zzgl. 6,90 € Versand (brutto)
einmalig pro Bestellung

Lieferzeit: 5 Werktage

Stück
Pos.
139
BOSCH Gehäuse | Ersatzteile für GTS 10 XC | 2610018246
Hersteller: BOSCH
Artikelnummer: EB-3601M304B2-2610018246
Netto: 96,32 € zzgl. MwSt.
zzgl. 6,90 € Versand (brutto)
einmalig pro Bestellung

Lieferzeit: 5 Werktage

Stück
Pos.
140
BOSCH Klemmschelle | Ersatzteile für GTS 10 XC | 2610018247
Hersteller: BOSCH
Artikelnummer: EB-3601M304B2-2610018247
Netto: 4,53 € zzgl. MwSt.
zzgl. 6,90 € Versand (brutto)
einmalig pro Bestellung

Lieferzeit: 5 Werktage

Stück
Pos.
141
BOSCH Schraube | Ersatzteile für GTS 10 XC | 2610998574
Hersteller: BOSCH
Artikelnummer: EB-3601M304B2-2610998574
Netto: 3,63 € zzgl. MwSt.
zzgl. 6,90 € Versand (brutto)
einmalig pro Bestellung

Lieferzeit: 5 Werktage

Stück
Pos.
142
BOSCH Halteklammer | Ersatzteile für GTS 10 XC | 2610996930
Hersteller: BOSCH
Artikelnummer: EB-3601M304B2-2610996930
Netto: 4,53 € zzgl. MwSt.
zzgl. 6,90 € Versand (brutto)
einmalig pro Bestellung

Lieferzeit: 5 Werktage

Stück
Pos.
143
BOSCH Schraube | Ersatzteile für GTS 10 XC | 2610910047
Hersteller: BOSCH
Artikelnummer: EB-3601M304B2-2610910047
Netto: 3,63 € zzgl. MwSt.
zzgl. 6,90 € Versand (brutto)
einmalig pro Bestellung

Lieferzeit: 5 Werktage

Stück
Pos.
144
BOSCH Schraube | Ersatzteile für GTS 10 XC | 2610018248
Hersteller: BOSCH
Artikelnummer: EB-3601M304B2-2610018248
Netto: 4,32 € zzgl. MwSt.
zzgl. 6,90 € Versand (brutto)
einmalig pro Bestellung

Lieferzeit: 5 Werktage

Stück
Pos.
145
BOSCH Mutter | Ersatzteile für GTS 10 XC | 2610018249
Hersteller: BOSCH
Artikelnummer: EB-3601M304B2-2610018249
Netto: 4,32 € zzgl. MwSt.
zzgl. 6,90 € Versand (brutto)
einmalig pro Bestellung

Lieferzeit: 5 Werktage

Stück
Pos.
146
BOSCH Haltefeder | Ersatzteile für GTS 10 XC | 2610018250
Hersteller: BOSCH
Artikelnummer: EB-3601M304B2-2610018250
Netto: 4,32 € zzgl. MwSt.
zzgl. 6,90 € Versand (brutto)
einmalig pro Bestellung

Lieferzeit: 5 Werktage

Stück
Pos.
147
BOSCH Haltefeder | Ersatzteile für GTS 10 XC | 2610018251
Hersteller: BOSCH
Artikelnummer: EB-3601M304B2-2610018251
Netto: 5,19 € zzgl. MwSt.
zzgl. 6,90 € Versand (brutto)
einmalig pro Bestellung

Lieferzeit: 5 Werktage

Stück
Pos.
148
BOSCH Firmenzeichen | Ersatzteile für GTS 10 XC | 2610018252
Hersteller: BOSCH
Artikelnummer: EB-3601M304B2-2610018252
Netto: 7,30 € zzgl. MwSt.
zzgl. 6,90 € Versand (brutto)
einmalig pro Bestellung

Lieferzeit: 5 Werktage

Stück
Pos.
150
BOSCH Innensechskantschlüssel | Ersatzteile für GTS 10 XC | 2610018254
Hersteller: BOSCH
Artikelnummer: EB-3601M304B2-2610018254
Netto: 5,67 € zzgl. MwSt.
zzgl. 6,90 € Versand (brutto)
einmalig pro Bestellung

Lieferzeit: 5 Werktage

Stück
Pos.
151
BOSCH Gummibuchse | Ersatzteile für GTS 10 XC | 2610911920
Hersteller: BOSCH
Artikelnummer: EB-3601M304B2-2610911920
Netto: 3,63 € zzgl. MwSt.
zzgl. 6,90 € Versand (brutto)
einmalig pro Bestellung

Lieferzeit: 5 Werktage

Stück
Pos.
156
BOSCH Kabelklemme | Ersatzteile für GTS 10 XC | 2610990504
Hersteller: BOSCH
Artikelnummer: EB-3601M304B2-2610990504
Netto: 3,63 € zzgl. MwSt.
zzgl. 6,90 € Versand (brutto)
einmalig pro Bestellung

Lieferzeit: 5 Werktage

Stück
Pos.
157
BOSCH Aufspannwinkel | Ersatzteile für GTS 10 XC | 2610018255
Hersteller: BOSCH
Artikelnummer: EB-3601M304B2-2610018255
Netto: 4,32 € zzgl. MwSt.
zzgl. 6,90 € Versand (brutto)
einmalig pro Bestellung

Lieferzeit: 5 Werktage

Stück
Pos.
158
BOSCH Haltefeder | Ersatzteile für GTS 10 XC | 2610018256
Hersteller: BOSCH
Artikelnummer: EB-3601M304B2-2610018256
Netto: 4,53 € zzgl. MwSt.
zzgl. 6,90 € Versand (brutto)
einmalig pro Bestellung

Lieferzeit: 5 Werktage

Stück
Pos.
159
BOSCH Absaugstutzen | Ersatzteile für GTS 10 XC | 2610018257
Hersteller: BOSCH
Artikelnummer: EB-3601M304B2-2610018257
Netto: 7,30 € zzgl. MwSt.
zzgl. 6,90 € Versand (brutto)
einmalig pro Bestellung

Lieferzeit: 5 Werktage

Stück
Pos.
160
BOSCH Kette | Ersatzteile für GTS 10 XC | 2610018258
Hersteller: BOSCH
Artikelnummer: EB-3601M304B2-2610018258
Netto: 3,63 € zzgl. MwSt.
zzgl. 6,90 € Versand (brutto)
einmalig pro Bestellung

Lieferzeit: 5 Werktage

Stück
Pos.
161
BOSCH Geräteclip | Ersatzteile für GTS 10 XC | 2610018259
Hersteller: BOSCH
Artikelnummer: EB-3601M304B2-2610018259
Netto: 3,63 € zzgl. MwSt.
zzgl. 6,90 € Versand (brutto)
einmalig pro Bestellung

Lieferzeit: 5 Werktage

Stück
Pos.
162
BOSCH Gewindebolzen | Ersatzteile für GTS 10 XC | 2610016560
Hersteller: BOSCH
Artikelnummer: EB-3601M304B2-2610016560
Netto: 3,63 € zzgl. MwSt.
zzgl. 6,90 € Versand (brutto)
einmalig pro Bestellung

Lieferzeit: 5 Werktage

Stück
Pos.
163
BOSCH Steckerstift | Ersatzteile für GTS 10 XC | 2610018262
Hersteller: BOSCH
Artikelnummer: EB-3601M304B2-2610018262
Netto: 3,63 € zzgl. MwSt.
zzgl. 6,90 € Versand (brutto)
einmalig pro Bestellung

Lieferzeit: 5 Werktage

Stück
Pos.
164
BOSCH Schraube | Ersatzteile für GTS 10 XC | 1609203L05
Hersteller: BOSCH
Artikelnummer: EB-3601M304B2-1609203L05
nur Informationsartikel
Nie mehr lieferbar
keine Alternativen
Pos.
164
BOSCH Schraube M8X60 | Ersatzteile für GTS 10 XC | 1609B06851
Hersteller: BOSCH
Artikelnummer: EB-3601M304B2-1609B06851
Netto: 3,63 € zzgl. MwSt.
zzgl. 6,90 € Versand (brutto)
einmalig pro Bestellung

Lieferzeit: 5 Werktage

Stück
Pos.
165
BOSCH Knopf | Ersatzteile für GTS 10 XC | 1609203L06
Hersteller: BOSCH
Artikelnummer: EB-3601M304B2-1609203L06
Netto: 5,19 € zzgl. MwSt.
zzgl. 6,90 € Versand (brutto)
einmalig pro Bestellung

Lieferzeit: 5 Werktage

Stück
Pos.
166
BOSCH Unterlegscheibe | Ersatzteile für GTS 10 XC | 2610018263
Hersteller: BOSCH
Artikelnummer: EB-3601M304B2-2610018263
Netto: 3,63 € zzgl. MwSt.
zzgl. 6,90 € Versand (brutto)
einmalig pro Bestellung

Lieferzeit: 5 Werktage

Stück
Pos.
167
BOSCH Scheibe | Ersatzteile für GTS 10 XC | 2610018264
Hersteller: BOSCH
Artikelnummer: EB-3601M304B2-2610018264
Netto: 3,63 € zzgl. MwSt.
zzgl. 6,90 € Versand (brutto)
einmalig pro Bestellung

Lieferzeit: 5 Werktage

Stück
Pos.
168
BOSCH Schutzblech | Ersatzteile für GTS 10 XC | 1609203L09
Hersteller: BOSCH
Artikelnummer: EB-3601M304B2-1609203L09
Netto: 9,18 € zzgl. MwSt.
zzgl. 6,90 € Versand (brutto)
einmalig pro Bestellung

Lieferzeit: 5 Werktage

Stück
Pos.
169
BOSCH Schraube | Ersatzteile für GTS 10 XC | 2610018265
Hersteller: BOSCH
Artikelnummer: EB-3601M304B2-2610018265
Netto: 3,63 € zzgl. MwSt.
zzgl. 6,90 € Versand (brutto)
einmalig pro Bestellung

Lieferzeit: 5 Werktage

Stück
Pos.
170
BOSCH Federscheibe | Ersatzteile für GTS 10 XC | 1609902052
Hersteller: BOSCH
Artikelnummer: EB-3601M304B2-1609902052
Netto: 3,63 € zzgl. MwSt.
zzgl. 6,90 € Versand (brutto)
einmalig pro Bestellung

Lieferzeit: 5 Werktage

Stück
Pos.
171
BOSCH Unterlegscheibe | Ersatzteile für GTS 10 XC | 1609902053
Hersteller: BOSCH
Artikelnummer: EB-3601M304B2-1609902053
Netto: 3,63 € zzgl. MwSt.
zzgl. 6,90 € Versand (brutto)
einmalig pro Bestellung

Lieferzeit: 5 Werktage

Stück
Pos.
172
BOSCH Unterlegscheibe | Ersatzteile für GTS 10 XC | 1609203L10
Hersteller: BOSCH
Artikelnummer: EB-3601M304B2-1609203L10
Netto: 3,63 € zzgl. MwSt.
zzgl. 6,90 € Versand (brutto)
einmalig pro Bestellung

Lieferzeit: 5 Werktage

Stück
Pos.
173
BOSCH Mutter | Ersatzteile für GTS 10 XC | 1609203L11
Hersteller: BOSCH
Artikelnummer: EB-3601M304B2-1609203L11
Netto: 3,94 € zzgl. MwSt.
zzgl. 6,90 € Versand (brutto)
einmalig pro Bestellung

Lieferzeit: 5 Werktage

Stück
Pos.
174
BOSCH Hülse | Ersatzteile für GTS 10 XC | 2610018266
Hersteller: BOSCH
Artikelnummer: EB-3601M304B2-2610018266
Netto: 3,63 € zzgl. MwSt.
zzgl. 6,90 € Versand (brutto)
einmalig pro Bestellung

Lieferzeit: 5 Werktage

Stück
Pos.
175
BOSCH Schraube | Ersatzteile für GTS 10 XC | 2610997297
Hersteller: BOSCH
Artikelnummer: EB-3601M304B2-2610997297
Netto: 3,63 € zzgl. MwSt.
zzgl. 6,90 € Versand (brutto)
einmalig pro Bestellung

Lieferzeit: 5 Werktage

Stück
Pos.
176
BOSCH Scheibe | Ersatzteile für GTS 10 XC | 2610355570
Hersteller: BOSCH
Artikelnummer: EB-3601M304B2-2610355570
Netto: 5,19 € zzgl. MwSt.
zzgl. 6,90 € Versand (brutto)
einmalig pro Bestellung

Lieferzeit: 5 Werktage

Stück
Pos.
178
BOSCH Schalterabdeckung | Ersatzteile für GTS 10 XC | 2610018267
Hersteller: BOSCH
Artikelnummer: EB-3601M304B2-2610018267
Netto: 8,33 € zzgl. MwSt.
zzgl. 6,90 € Versand (brutto)
einmalig pro Bestellung

Lieferzeit: 5 Werktage

Stück
Pos.
180
BOSCH Gehäuse | Ersatzteile für GTS 10 XC | 2610018268
Hersteller: BOSCH
Artikelnummer: EB-3601M304B2-2610018268
Netto: 32,74 € zzgl. MwSt.
zzgl. 6,90 € Versand (brutto)
einmalig pro Bestellung

Lieferzeit: 5 Werktage

Stück
Pos.
181
BOSCH Gewindebolzen | Ersatzteile für GTS 10 XC | 1609902584
Hersteller: BOSCH
Artikelnummer: EB-3601M304B2-1609902584
Netto: 3,63 € zzgl. MwSt.
zzgl. 6,90 € Versand (brutto)
einmalig pro Bestellung

Lieferzeit: 5 Werktage

Stück
Pos.
181
BOSCH Sechskantmutter | Ersatzteile für GTS 10 XC | 1609902684
Hersteller: BOSCH
Artikelnummer: EB-3601M304B2-1609902684
Netto: 3,63 € zzgl. MwSt.
zzgl. 6,90 € Versand (brutto)
einmalig pro Bestellung

Lieferzeit: 5 Werktage

Stück
Pos.
182
BOSCH Schutzblech | Ersatzteile für GTS 10 XC | 2610018269
Hersteller: BOSCH
Artikelnummer: EB-3601M304B2-2610018269
Netto: 24,13 € zzgl. MwSt.
zzgl. 6,90 € Versand (brutto)
einmalig pro Bestellung

Lieferzeit: 5 Werktage

Stück
Pos.
183
BOSCH Sprengring | Ersatzteile für GTS 10 XC | 2610018270
Hersteller: BOSCH
Artikelnummer: EB-3601M304B2-2610018270
Netto: 3,63 € zzgl. MwSt.
zzgl. 6,90 € Versand (brutto)
einmalig pro Bestellung

Lieferzeit: 5 Werktage

Stück
Pos.
184
BOSCH Schraube | Ersatzteile für GTS 10 XC | 2610018271
Hersteller: BOSCH
Artikelnummer: EB-3601M304B2-2610018271
Netto: 4,32 € zzgl. MwSt.
zzgl. 6,90 € Versand (brutto)
einmalig pro Bestellung

Lieferzeit: 5 Werktage

Stück
Pos.
185
BOSCH Gummibuchse | Ersatzteile für GTS 10 XC | 2610018272
Hersteller: BOSCH
Artikelnummer: EB-3601M304B2-2610018272
Netto: 4,53 € zzgl. MwSt.
zzgl. 6,90 € Versand (brutto)
einmalig pro Bestellung

Lieferzeit: 5 Werktage

Stück
Pos.
186
BOSCH Gummibuchse | Ersatzteile für GTS 10 XC | 2610358846
Hersteller: BOSCH
Artikelnummer: EB-3601M304B2-2610358846
Netto: 3,94 € zzgl. MwSt.
zzgl. 6,90 € Versand (brutto)
einmalig pro Bestellung

Lieferzeit: 5 Werktage

Stück
Pos.
187
BOSCH Profilschiene | Ersatzteile für GTS 10 XC | 2610018275
Hersteller: BOSCH
Artikelnummer: EB-3601M304B2-2610018275
Netto: 52,14 € zzgl. MwSt.
zzgl. 6,90 € Versand (brutto)
einmalig pro Bestellung

Lieferzeit: 5 Werktage

Stück
Pos.
188
BOSCH Anschlag | Ersatzteile für GTS 10 XC | 2610018276
Hersteller: BOSCH
Artikelnummer: EB-3601M304B2-2610018276
Netto: 3,94 € zzgl. MwSt.
zzgl. 6,90 € Versand (brutto)
einmalig pro Bestellung

Lieferzeit: 5 Werktage

Stück
Pos.
189
BOSCH Schraube | Ersatzteile für GTS 10 XC | 2610950133
Hersteller: BOSCH
Artikelnummer: EB-3601M304B2-2610950133
Netto: 3,63 € zzgl. MwSt.
zzgl. 6,90 € Versand (brutto)
einmalig pro Bestellung

Lieferzeit: 5 Werktage

Stück
Pos.
190
BOSCH Scheibe | Ersatzteile für GTS 10 XC | 2610950135
Hersteller: BOSCH
Artikelnummer: EB-3601M304B2-2610950135
Netto: 3,63 € zzgl. MwSt.
zzgl. 6,90 € Versand (brutto)
einmalig pro Bestellung

Lieferzeit: 5 Werktage

Stück
Pos.
191
BOSCH Bolzen | Ersatzteile für GTS 10 XC | 2610950134
Hersteller: BOSCH
Artikelnummer: EB-3601M304B2-2610950134
Netto: 3,63 € zzgl. MwSt.
zzgl. 6,90 € Versand (brutto)
einmalig pro Bestellung

Lieferzeit: 5 Werktage

Stück
Pos.
192
BOSCH Stanzteil | Ersatzteile für GTS 10 XC | 2610018277
Hersteller: BOSCH
Artikelnummer: EB-3601M304B2-2610018277
Netto: 4,32 € zzgl. MwSt.
zzgl. 6,90 € Versand (brutto)
einmalig pro Bestellung

Lieferzeit: 5 Werktage

Stück
Pos.
193
BOSCH Schraube | Ersatzteile für GTS 10 XC | 2610018278
Hersteller: BOSCH
Artikelnummer: EB-3601M304B2-2610018278
Netto: 3,63 € zzgl. MwSt.
zzgl. 6,90 € Versand (brutto)
einmalig pro Bestellung

Lieferzeit: 5 Werktage

Stück
Pos.
194
BOSCH Profilschiene | Ersatzteile für GTS 10 XC | 2610018279
Hersteller: BOSCH
Artikelnummer: EB-3601M304B2-2610018279
Netto: 42,86 € zzgl. MwSt.
zzgl. 6,90 € Versand (brutto)
einmalig pro Bestellung

Lieferzeit: 5 Werktage

Stück
Pos.
195
BOSCH Abdeckkappe | Ersatzteile für GTS 10 XC | 2610997218
Hersteller: BOSCH
Artikelnummer: EB-3601M304B2-2610997218
Netto: 3,63 € zzgl. MwSt.
zzgl. 6,90 € Versand (brutto)
einmalig pro Bestellung

Lieferzeit: 5 Werktage

Stück
Pos.
196
BOSCH Abdeckkappe | Ersatzteile für GTS 10 XC | 2610997216
Hersteller: BOSCH
Artikelnummer: EB-3601M304B2-2610997216
Netto: 3,63 € zzgl. MwSt.
zzgl. 6,90 € Versand (brutto)
einmalig pro Bestellung

Lieferzeit: 5 Werktage

Stück
Pos.
197
BOSCH Tischplatte | Ersatzteile für GTS 10 XC | 2610018280
Hersteller: BOSCH
Artikelnummer: EB-3601M304B2-2610018280
Netto: 86,83 € zzgl. MwSt.
zzgl. 6,90 € Versand (brutto)
einmalig pro Bestellung

Lieferzeit: 5 Werktage

Stück
Pos.
198
BOSCH Befestigungsplatte | Ersatzteile für GTS 10 XC | 2610950086
Hersteller: BOSCH
Artikelnummer: EB-3601M304B2-2610950086
Netto: 6,15 € zzgl. MwSt.
zzgl. 6,90 € Versand (brutto)
einmalig pro Bestellung

Lieferzeit: 5 Werktage

Stück
Pos.
199
BOSCH Befestigungswinkel | Ersatzteile für GTS 10 XC | 2610018281
Hersteller: BOSCH
Artikelnummer: EB-3601M304B2-2610950136
Netto: 5,19 € zzgl. MwSt.
zzgl. 6,90 € Versand (brutto)
einmalig pro Bestellung

Lieferzeit: 5 Werktage

Stück
Pos.
200
BOSCH Befestigungswinkel | Ersatzteile für GTS 10 XC | 2610018597
Hersteller: BOSCH
Artikelnummer: EB-3601M304B2-2610018597
Netto: 6,70 € zzgl. MwSt.
zzgl. 6,90 € Versand (brutto)
einmalig pro Bestellung

Lieferzeit: 5 Werktage

Stück
Pos.
200
BOSCH Lasche | Ersatzteile für GTS 10 XC | 1619PB2556
Hersteller: BOSCH
Artikelnummer: EB-3601M304B2-1619PB2556
Netto: 4,53 € zzgl. MwSt.
zzgl. 6,90 € Versand (brutto)
einmalig pro Bestellung

Lieferzeit: 5 Werktage

Stück
Pos.
201
BOSCH Schraube | Ersatzteile für GTS 10 XC | 2610018283
Hersteller: BOSCH
Artikelnummer: EB-3601M304B2-2610018283
Netto: 3,63 € zzgl. MwSt.
zzgl. 6,90 € Versand (brutto)
einmalig pro Bestellung

Lieferzeit: 5 Werktage

Stück
Pos.
202
BOSCH Schraube | Ersatzteile für GTS 10 XC | 2610950087
Hersteller: BOSCH
Artikelnummer: EB-3601M304B2-2610950087
Netto: 3,63 € zzgl. MwSt.
zzgl. 6,90 € Versand (brutto)
einmalig pro Bestellung

Lieferzeit: 5 Werktage

Stück
Pos.
203
BOSCH Vorlegscheibe | Ersatzteile für GTS 10 XC | 1609902042
Hersteller: BOSCH
Artikelnummer: EB-3601M304B2-1609902042
Netto: 3,94 € zzgl. MwSt.
zzgl. 6,90 € Versand (brutto)
einmalig pro Bestellung

Lieferzeit: 5 Werktage

Stück
Pos.
204
BOSCH Mutter | Ersatzteile für GTS 10 XC | 2610304772
Hersteller: BOSCH
Artikelnummer: EB-3601M304B2-2610304772
Netto: 3,94 € zzgl. MwSt.
zzgl. 6,90 € Versand (brutto)
einmalig pro Bestellung

Lieferzeit: 5 Werktage

Stück
Pos.
205
BOSCH Anschlag | Ersatzteile für GTS 10 XC | 2610950121
Hersteller: BOSCH
Artikelnummer: EB-3601M304B2-2610950121
Netto: 4,82 € zzgl. MwSt.
zzgl. 6,90 € Versand (brutto)
einmalig pro Bestellung

Lieferzeit: 5 Werktage

Stück
Pos.
206
BOSCH Anschlag | Ersatzteile für GTS 10 XC | 2610018284
Hersteller: BOSCH
Artikelnummer: EB-3601M304B2-2610018284
Netto: 4,53 € zzgl. MwSt.
zzgl. 6,90 € Versand (brutto)
einmalig pro Bestellung

Lieferzeit: 5 Werktage

Stück
Pos.
207
BOSCH Klebeschild | Ersatzteile für GTS 10 XC | 2610018285
Hersteller: BOSCH
Artikelnummer: EB-3601M304B2-2610018285
Netto: 4,53 € zzgl. MwSt.
zzgl. 6,90 € Versand (brutto)
einmalig pro Bestellung

Lieferzeit: 5 Werktage

Stück
Pos.
208
BOSCH Zeiger | Ersatzteile für GTS 10 XC | 2610950078
Hersteller: BOSCH
Artikelnummer: EB-3601M304B2-2610950078
Netto: 5,19 € zzgl. MwSt.
zzgl. 6,90 € Versand (brutto)
einmalig pro Bestellung

Lieferzeit: 5 Werktage

Stück
Pos.
209
BOSCH Schraube | Ersatzteile für GTS 10 XC | 2610320339
Hersteller: BOSCH
Artikelnummer: EB-3601M304B2-2610320339
Netto: 3,63 € zzgl. MwSt.
zzgl. 6,90 € Versand (brutto)
einmalig pro Bestellung

Lieferzeit: 5 Werktage

Stück
Pos.
210
BOSCH Tischplatte | Ersatzteile für GTS 10 XC | 2610018286
Hersteller: BOSCH
Artikelnummer: EB-3601M304B2-2610018286
Netto: 86,83 € zzgl. MwSt.
zzgl. 6,90 € Versand (brutto)
einmalig pro Bestellung

Lieferzeit: 5 Werktage

Stück
Pos.
211
BOSCH Gleitschiene | Ersatzteile für GTS 10 XC | 2610018287
Hersteller: BOSCH
Artikelnummer: EB-3601M304B2-2610018287
Netto: 9,18 € zzgl. MwSt.
zzgl. 6,90 € Versand (brutto)
einmalig pro Bestellung

Lieferzeit: 5 Werktage

Stück
Pos.
212
BOSCH Verbindungskabel | Ersatzteile für GTS 10 XC | 2610018384
Hersteller: BOSCH
Artikelnummer: EB-3601M304B2-2610018384
Netto: 4,32 € zzgl. MwSt.
zzgl. 6,90 € Versand (brutto)
einmalig pro Bestellung

Lieferzeit: 5 Werktage

Stück
Pos.
213
BOSCH Gleitschiene | Ersatzteile für GTS 10 XC | 2610018288
Hersteller: BOSCH
Artikelnummer: EB-3601M304B2-2610018288
Netto: 9,18 € zzgl. MwSt.
zzgl. 6,90 € Versand (brutto)
einmalig pro Bestellung

Lieferzeit: 5 Werktage

Stück
Pos.
214
BOSCH Schraube | Ersatzteile für GTS 10 XC | 2610014697
Hersteller: BOSCH
Artikelnummer: EB-3601M304B2-2610014697
Netto: 3,63 € zzgl. MwSt.
zzgl. 6,90 € Versand (brutto)
einmalig pro Bestellung

Lieferzeit: 5 Werktage

Stück
Pos.
215
BOSCH Lagerbuchse | Ersatzteile für GTS 10 XC | 2610018289
Hersteller: BOSCH
Artikelnummer: EB-3601M304B2-2610018289
Netto: 3,63 € zzgl. MwSt.
zzgl. 6,90 € Versand (brutto)
einmalig pro Bestellung

Lieferzeit: 5 Werktage

Stück
Pos.
216
BOSCH Zeiger | Ersatzteile für GTS 10 XC | 2610950062
Hersteller: BOSCH
Artikelnummer: EB-3601M304B2-2610950062
Netto: 4,53 € zzgl. MwSt.
zzgl. 6,90 € Versand (brutto)
einmalig pro Bestellung

Lieferzeit: 5 Werktage

Stück
Pos.
217
BOSCH Schraube | Ersatzteile für GTS 10 XC | 2610355278
Hersteller: BOSCH
Artikelnummer: EB-3601M304B2-2610355278
Netto: 6,15 € zzgl. MwSt.
zzgl. 6,90 € Versand (brutto)
einmalig pro Bestellung

Lieferzeit: 5 Werktage

Stück
Pos.
218
BOSCH Befestigungswinkel | Ersatzteile für GTS 10 XC | 2610018337
Hersteller: BOSCH
Artikelnummer: EB-3601M304B2-2610018337
Netto: 17,38 € zzgl. MwSt.
zzgl. 6,90 € Versand (brutto)
einmalig pro Bestellung

Lieferzeit: 5 Werktage

Stück
Pos.
219
BOSCH Spaltkeil | Ersatzteile für GTS 10 XC | 2610018338
Hersteller: BOSCH
Artikelnummer: EB-3601M304B2-2610018338
nur Informationsartikel
Nie mehr lieferbar
keine Alternativen
Pos.
220
BOSCH Halteblech | Ersatzteile für GTS 10 XC | 2610018339
Hersteller: BOSCH
Artikelnummer: EB-3601M304B2-2610018339
Netto: 5,19 € zzgl. MwSt.
zzgl. 6,90 € Versand (brutto)
einmalig pro Bestellung

Lieferzeit: 5 Werktage

Stück
Pos.
221
BOSCH Bolzen | Ersatzteile für GTS 10 XC | 2610018340
Hersteller: BOSCH
Artikelnummer: EB-3601M304B2-2610018340
Netto: 3,94 € zzgl. MwSt.
zzgl. 6,90 € Versand (brutto)
einmalig pro Bestellung

Lieferzeit: 5 Werktage

Stück
Pos.
222
BOSCH Raste | Ersatzteile für GTS 10 XC | 2610018341
Hersteller: BOSCH
Artikelnummer: EB-3601M304B2-2610018341
Netto: 4,32 € zzgl. MwSt.
zzgl. 6,90 € Versand (brutto)
einmalig pro Bestellung

Lieferzeit: 5 Werktage

Stück
Pos.
223
BOSCH Scheibe | Ersatzteile für GTS 10 XC | 2610018342
Hersteller: BOSCH
Artikelnummer: EB-3601M304B2-2610018342
Netto: 3,63 € zzgl. MwSt.
zzgl. 6,90 € Versand (brutto)
einmalig pro Bestellung

Lieferzeit: 5 Werktage

Stück
Pos.
224
BOSCH Schraube | Ersatzteile für GTS 10 XC | 2610998580
Hersteller: BOSCH
Artikelnummer: EB-3601M304B2-2610998580
Netto: 3,63 € zzgl. MwSt.
zzgl. 6,90 € Versand (brutto)
einmalig pro Bestellung

Lieferzeit: 5 Werktage

Stück
Pos.
225
BOSCH Mutter | Ersatzteile für GTS 10 XC | 1609902058
Hersteller: BOSCH
Artikelnummer: EB-3601M304B2-1609902058
Netto: 3,63 € zzgl. MwSt.
zzgl. 6,90 € Versand (brutto)
einmalig pro Bestellung

Lieferzeit: 5 Werktage

Stück
Pos.
226
BOSCH Bolzen | Ersatzteile für GTS 10 XC | 2610018354
Hersteller: BOSCH
Artikelnummer: EB-3601M304B2-2610018354
Netto: 3,63 € zzgl. MwSt.
zzgl. 6,90 € Versand (brutto)
einmalig pro Bestellung

Lieferzeit: 5 Werktage

Stück
Pos.
234
BOSCH Befestigungsblech | Ersatzteile für GTS 10 XC | 2610018290
Hersteller: BOSCH
Artikelnummer: EB-3601M304B2-2610018290
Netto: 24,13 € zzgl. MwSt.
zzgl. 6,90 € Versand (brutto)
einmalig pro Bestellung

Lieferzeit: 5 Werktage

Stück
Pos.
235
BOSCH Haltefeder | Ersatzteile für GTS 10 XC | 2610011716
Hersteller: BOSCH
Artikelnummer: EB-3601M304B2-2610011716
Netto: 3,63 € zzgl. MwSt.
zzgl. 6,90 € Versand (brutto)
einmalig pro Bestellung

Lieferzeit: 5 Werktage

Stück
Pos.
236
BOSCH Stiftschraube | Ersatzteile für GTS 10 XC | 2610997283
Hersteller: BOSCH
Artikelnummer: EB-3601M304B2-2610997283
Netto: 3,63 € zzgl. MwSt.
zzgl. 6,90 € Versand (brutto)
einmalig pro Bestellung

Lieferzeit: 5 Werktage

Stück
Pos.
237
BOSCH Schraube | Ersatzteile für GTS 10 XC | 1609902055
Hersteller: BOSCH
Artikelnummer: EB-3601M304B2-1609902055
Netto: 3,63 € zzgl. MwSt.
zzgl. 6,90 € Versand (brutto)
einmalig pro Bestellung

Lieferzeit: 5 Werktage

Stück
Pos.
238
BOSCH Gleitleiste | Ersatzteile für GTS 10 XC | 2610018291
Hersteller: BOSCH
Artikelnummer: EB-3601M304B2-2610018291
Netto: 21,16 € zzgl. MwSt.
zzgl. 6,90 € Versand (brutto)
einmalig pro Bestellung

Lieferzeit: 5 Werktage

Stück
Pos.
239
BOSCH Führungsbügel | Ersatzteile für GTS 10 XC | 2610996944
Hersteller: BOSCH
Artikelnummer: EB-3601M304B2-2610996944
Netto: 12,98 € zzgl. MwSt.
zzgl. 6,90 € Versand (brutto)
einmalig pro Bestellung

Lieferzeit: 5 Werktage

Stück
Pos.
240
BOSCH Sicherungsring | Ersatzteile für GTS 10 XC | 2610018292
Hersteller: BOSCH
Artikelnummer: EB-3601M304B2-2610018292
Netto: 3,63 € zzgl. MwSt.
zzgl. 6,90 € Versand (brutto)
einmalig pro Bestellung

Lieferzeit: 5 Werktage

Stück
Pos.
241
BOSCH Knopf | Ersatzteile für GTS 10 XC | 2610998585
Hersteller: BOSCH
Artikelnummer: EB-3601M304B2-2610998585
Netto: 4,32 € zzgl. MwSt.
zzgl. 6,90 € Versand (brutto)
einmalig pro Bestellung

Lieferzeit: 5 Werktage

Stück
Pos.
242
BOSCH Längsanschlag | Ersatzteile für GTS 10 XC | 2610018293
Hersteller: BOSCH
Artikelnummer: EB-3601M304B2-2610018293
nur Informationsartikel
Nie mehr lieferbar
keine Alternativen
Pos.
243
BOSCH Klemmplatte | Ersatzteile für GTS 10 XC | 2610018294
Hersteller: BOSCH
Artikelnummer: EB-3601M304B2-2610018294
Netto: 4,32 € zzgl. MwSt.
zzgl. 6,90 € Versand (brutto)
einmalig pro Bestellung

Lieferzeit: 5 Werktage

Stück
Pos.
244
BOSCH Ansatzschraube | Ersatzteile für GTS 10 XC | 2610997249
Hersteller: BOSCH
Artikelnummer: EB-3601M304B2-2610997249
Netto: 3,63 € zzgl. MwSt.
zzgl. 6,90 € Versand (brutto)
einmalig pro Bestellung

Lieferzeit: 5 Werktage

Stück
Pos.
245
BOSCH Haltearm | Ersatzteile für GTS 10 XC | 2610950102
Hersteller: BOSCH
Artikelnummer: EB-3601M304B2-2610950102
Netto: 5,67 € zzgl. MwSt.
zzgl. 6,90 € Versand (brutto)
einmalig pro Bestellung

Lieferzeit: 5 Werktage

Stück
Pos.
246
BOSCH Objektiv | Ersatzteile für GTS 10 XC | 2610950143
Hersteller: BOSCH
Artikelnummer: EB-3601M304B2-2610950143
Netto: 4,53 € zzgl. MwSt.
zzgl. 6,90 € Versand (brutto)
einmalig pro Bestellung

Lieferzeit: 5 Werktage

Stück
Pos.
247
BOSCH Schraube | Ersatzteile für GTS 10 XC | 2610951946
Hersteller: BOSCH
Artikelnummer: EB-3601M304B2-2610951946
Netto: 3,63 € zzgl. MwSt.
zzgl. 6,90 € Versand (brutto)
einmalig pro Bestellung

Lieferzeit: 5 Werktage

Stück
Pos.
248
BOSCH Klemmplatte | Ersatzteile für GTS 10 XC | 2610018295
Hersteller: BOSCH
Artikelnummer: EB-3601M304B2-2610018295
Netto: 5,19 € zzgl. MwSt.
zzgl. 6,90 € Versand (brutto)
einmalig pro Bestellung

Lieferzeit: 5 Werktage

Stück
Pos.
249
BOSCH Klemmstück | Ersatzteile für GTS 10 XC | 2610997240
Hersteller: BOSCH
Artikelnummer: EB-3601M304B2-2610997240
Netto: 4,32 € zzgl. MwSt.
zzgl. 6,90 € Versand (brutto)
einmalig pro Bestellung

Lieferzeit: 5 Werktage

Stück
Pos.
250
BOSCH Einstellschraube | Ersatzteile für GTS 10 XC | 2610997245
Hersteller: BOSCH
Artikelnummer: EB-3601M304B2-2610997245
Netto: 4,53 € zzgl. MwSt.
zzgl. 6,90 € Versand (brutto)
einmalig pro Bestellung

Lieferzeit: 5 Werktage

Stück
Pos.
251
BOSCH Klemmplatte | Ersatzteile für GTS 10 XC | 2610950098
Hersteller: BOSCH
Artikelnummer: EB-3601M304B2-2610950098
Netto: 4,53 € zzgl. MwSt.
zzgl. 6,90 € Versand (brutto)
einmalig pro Bestellung

Lieferzeit: 5 Werktage

Stück
Pos.
252
BOSCH Stift | Ersatzteile für GTS 10 XC | 2610997288
Hersteller: BOSCH
Artikelnummer: EB-3601M304B2-2610997288
Netto: 6,70 € zzgl. MwSt.
zzgl. 6,90 € Versand (brutto)
einmalig pro Bestellung

Lieferzeit: 5 Werktage

Stück
Pos.
253
BOSCH Nocken | Ersatzteile für GTS 10 XC | 2610996889
Hersteller: BOSCH
Artikelnummer: EB-3601M304B2-2610996889
Netto: 10,92 € zzgl. MwSt.
zzgl. 6,90 € Versand (brutto)
einmalig pro Bestellung

Lieferzeit: 5 Werktage

Stück
Pos.
254
BOSCH Hebel | Ersatzteile für GTS 10 XC | 2610996890
Hersteller: BOSCH
Artikelnummer: EB-3601M304B2-2610996890
Netto: 3,63 € zzgl. MwSt.
zzgl. 6,90 € Versand (brutto)
einmalig pro Bestellung

Lieferzeit: 5 Werktage

Stück
Pos.
255
BOSCH Stift | Ersatzteile für GTS 10 XC | 2610997289
Hersteller: BOSCH
Artikelnummer: EB-3601M304B2-2610997289
Netto: 3,63 € zzgl. MwSt.
zzgl. 6,90 € Versand (brutto)
einmalig pro Bestellung

Lieferzeit: 5 Werktage

Stück
Pos.
256
BOSCH Gehäuse | Ersatzteile für GTS 10 XC | 2610950095
Hersteller: BOSCH
Artikelnummer: EB-3601M304B2-2610950095
Netto: 19,18 € zzgl. MwSt.
zzgl. 6,90 € Versand (brutto)
einmalig pro Bestellung

Lieferzeit: 5 Werktage

Stück
Pos.
257
BOSCH Griffschale | Ersatzteile für GTS 10 XC | 2610950094
Hersteller: BOSCH
Artikelnummer: EB-3601M304B2-2610950094
Netto: 7,30 € zzgl. MwSt.
zzgl. 6,90 € Versand (brutto)
einmalig pro Bestellung

Lieferzeit: 5 Werktage

Stück
Pos.
258
BOSCH Bolzen | Ersatzteile für GTS 10 XC | 2610950096
Hersteller: BOSCH
Artikelnummer: EB-3601M304B2-2610950096
Netto: 3,63 € zzgl. MwSt.
zzgl. 6,90 € Versand (brutto)
einmalig pro Bestellung

Lieferzeit: 5 Werktage

Stück
Pos.
259
BOSCH Bolzen | Ersatzteile für GTS 10 XC | 2610950097
Hersteller: BOSCH
Artikelnummer: EB-3601M304B2-2610950097
Netto: 4,32 € zzgl. MwSt.
zzgl. 6,90 € Versand (brutto)
einmalig pro Bestellung

Lieferzeit: 5 Werktage

Stück
Pos.
260
BOSCH Abdeckkappe | Ersatzteile für GTS 10 XC | 2610018296
Hersteller: BOSCH
Artikelnummer: EB-3601M304B2-2610018296
Netto: 4,32 € zzgl. MwSt.
zzgl. 6,90 € Versand (brutto)
einmalig pro Bestellung

Lieferzeit: 5 Werktage

Stück
Pos.
261
BOSCH Schraube | Ersatzteile für GTS 10 XC | 2610967422
Hersteller: BOSCH
Artikelnummer: EB-3601M304B2-2610967422
Netto: 3,63 € zzgl. MwSt.
zzgl. 6,90 € Versand (brutto)
einmalig pro Bestellung

Lieferzeit: 5 Werktage

Stück
Pos.
262
BOSCH Längsanschlag | Ersatzteile für GTS 10 XC | 2610018297
Hersteller: BOSCH
Artikelnummer: EB-3601M304B2-2610018297
Netto: 52,14 € zzgl. MwSt.
zzgl. 6,90 € Versand (brutto)
einmalig pro Bestellung

Lieferzeit: 5 Werktage

Stück
Pos.
263
BOSCH Schraube | Ersatzteile für GTS 10 XC | 2610303023
Hersteller: BOSCH
Artikelnummer: EB-3601M304B2-2610303023
Netto: 3,63 € zzgl. MwSt.
zzgl. 6,90 € Versand (brutto)
einmalig pro Bestellung

Lieferzeit: 5 Werktage

Stück
Pos.
264
BOSCH Scheibe | Ersatzteile für GTS 10 XC | 2610358802
Hersteller: BOSCH
Artikelnummer: EB-3601M304B2-2610358802
Netto: 3,94 € zzgl. MwSt.
zzgl. 6,90 € Versand (brutto)
einmalig pro Bestellung

Lieferzeit: 5 Werktage

Stück
Pos.
265
BOSCH Haltearm | Ersatzteile für GTS 10 XC | 2610018298
Hersteller: BOSCH
Artikelnummer: EB-3601M304B2-2610018298
Netto: 7,30 € zzgl. MwSt.
zzgl. 6,90 € Versand (brutto)
einmalig pro Bestellung

Lieferzeit: 5 Werktage

Stück
Pos.
266
BOSCH Haltebolzen | Ersatzteile für GTS 10 XC | 2610911577
Hersteller: BOSCH
Artikelnummer: EB-3601M304B2-2610911577
Netto: 3,94 € zzgl. MwSt.
zzgl. 6,90 € Versand (brutto)
einmalig pro Bestellung

Lieferzeit: 5 Werktage

Stück
Pos.
267
BOSCH Feder | Ersatzteile für GTS 10 XC | 2610996888
Hersteller: BOSCH
Artikelnummer: EB-3601M304B2-2610996888
Netto: 3,94 € zzgl. MwSt.
zzgl. 6,90 € Versand (brutto)
einmalig pro Bestellung

Lieferzeit: 5 Werktage

Stück
Pos.
268
BOSCH Längsanschlag | Ersatzteile für GTS 10 XC | 2610950107
Hersteller: BOSCH
Artikelnummer: EB-3601M304B2-2610950107
Netto: 14,36 € zzgl. MwSt.
zzgl. 6,90 € Versand (brutto)
einmalig pro Bestellung

Lieferzeit: 5 Werktage

Stück
Pos.
269
BOSCH Abdeckkappe | Ersatzteile für GTS 10 XC | 2610018299
Hersteller: BOSCH
Artikelnummer: EB-3601M304B2-2610018299
Netto: 3,63 € zzgl. MwSt.
zzgl. 6,90 € Versand (brutto)
einmalig pro Bestellung

Lieferzeit: 5 Werktage

Stück
Pos.
270
BOSCH Schraube | Ersatzteile für GTS 10 XC | 2610997293
Hersteller: BOSCH
Artikelnummer: EB-3601M304B2-2610997293
Netto: 3,63 € zzgl. MwSt.
zzgl. 6,90 € Versand (brutto)
einmalig pro Bestellung

Lieferzeit: 5 Werktage

Stück
Pos.
271
BOSCH Feder | Ersatzteile für GTS 10 XC | 2610998593
Hersteller: BOSCH
Artikelnummer: EB-3601M304B2-2610998593
Netto: 3,63 € zzgl. MwSt.
zzgl. 6,90 € Versand (brutto)
einmalig pro Bestellung

Lieferzeit: 5 Werktage

Stück
Pos.
272
BOSCH Scheibe | Ersatzteile für GTS 10 XC | 2610018300
Hersteller: BOSCH
Artikelnummer: EB-3601M304B2-2610018300
Netto: 3,63 € zzgl. MwSt.
zzgl. 6,90 € Versand (brutto)
einmalig pro Bestellung

Lieferzeit: 5 Werktage

Stück
Pos.
273
BOSCH Anschlag | Ersatzteile für GTS 10 XC | 2610018301
Hersteller: BOSCH
Artikelnummer: EB-3601M304B2-2610018301
Netto: 19,18 € zzgl. MwSt.
zzgl. 6,90 € Versand (brutto)
einmalig pro Bestellung

Lieferzeit: 5 Werktage

Stück
Pos.
274
BOSCH Ringschlüssel | Ersatzteile für GTS 10 XC | 2610996880
Hersteller: BOSCH
Artikelnummer: EB-3601M304B2-2610996880
Netto: 6,15 € zzgl. MwSt.
zzgl. 6,90 € Versand (brutto)
einmalig pro Bestellung

Lieferzeit: 5 Werktage

Stück
Pos.
275
BOSCH Einsatz | Ersatzteile für GTS 10 XC | 2610018302
Hersteller: BOSCH
Artikelnummer: EB-3601M304B2-2610018302
Netto: 15,75 € zzgl. MwSt.
zzgl. 6,90 € Versand (brutto)
einmalig pro Bestellung

Lieferzeit: 5 Werktage

Stück
Pos.
276
BOSCH Mutter | Ersatzteile für GTS 10 XC | 2610018303
Hersteller: BOSCH
Artikelnummer: EB-3601M304B2-2610018303
Netto: 3,94 € zzgl. MwSt.
zzgl. 6,90 € Versand (brutto)
einmalig pro Bestellung

Lieferzeit: 5 Werktage

Stück
Pos.
277
BOSCH Werkstückschieber | Ersatzteile für GTS 10 XC | 2610015022
Hersteller: BOSCH
Artikelnummer: EB-3601M304B2-2610015022
Netto: 7,30 € zzgl. MwSt.
zzgl. 6,90 € Versand (brutto)
einmalig pro Bestellung

Lieferzeit: 5 Werktage

Stück
Pos.
280
BOSCH Klebeschild | Ersatzteile für GTS 10 XC | 1609203L00
Hersteller: BOSCH
Artikelnummer: EB-3601M304B2-1609203L00
Netto: 3,94 € zzgl. MwSt.
zzgl. 6,90 € Versand (brutto)
einmalig pro Bestellung

Lieferzeit: 5 Werktage

Stück
Pos.
281
BOSCH Tischplatte | Ersatzteile für GTS 10 XC | 2610018304
Hersteller: BOSCH
Artikelnummer: EB-3601M304B2-2610018304
Netto: 26,88 € zzgl. MwSt.
zzgl. 6,90 € Versand (brutto)
einmalig pro Bestellung

Lieferzeit: 5 Werktage

Stück
Pos.
282
BOSCH Vorlegscheibe | Ersatzteile für GTS 10 XC | 2610029674
Hersteller: BOSCH
Artikelnummer: EB-3601M304B2-2610029674
Netto: 3,94 € zzgl. MwSt.
zzgl. 6,90 € Versand (brutto)
einmalig pro Bestellung

Lieferzeit: 5 Werktage

Stück
Pos.
284
BOSCH Anschlag | Ersatzteile für GTS 10 XC | 1609203L38
Hersteller: BOSCH
Artikelnummer: EB-3601M304B2-1609203L38
Netto: 32,74 € zzgl. MwSt.
zzgl. 6,90 € Versand (brutto)
einmalig pro Bestellung

Lieferzeit: 5 Werktage

Stück
Pos.
285
BOSCH Führungsprofil | Ersatzteile für GTS 10 XC | 2610018307
Hersteller: BOSCH
Artikelnummer: EB-3601M304B2-2610018307
Netto: 15,75 € zzgl. MwSt.
zzgl. 6,90 € Versand (brutto)
einmalig pro Bestellung

Lieferzeit: 5 Werktage

Stück
Pos.
286
BOSCH Knebelgriff | Ersatzteile für GTS 10 XC | 2610018308
Hersteller: BOSCH
Artikelnummer: EB-3601M304B2-2610018308
Netto: 11,92 € zzgl. MwSt.
zzgl. 6,90 € Versand (brutto)
einmalig pro Bestellung

Lieferzeit: 5 Werktage

Stück
Pos.
288
BOSCH Unterlegscheibe | Ersatzteile für GTS 10 XC | 2610909178
Hersteller: BOSCH
Artikelnummer: EB-3601M304B2-2610909178
Netto: 3,63 € zzgl. MwSt.
zzgl. 6,90 € Versand (brutto)
einmalig pro Bestellung

Lieferzeit: 5 Werktage

Stück
Pos.
289
BOSCH Zeiger | Ersatzteile für GTS 10 XC | 2610018309
Hersteller: BOSCH
Artikelnummer: EB-3601M304B2-2610018309
Netto: 3,94 € zzgl. MwSt.
zzgl. 6,90 € Versand (brutto)
einmalig pro Bestellung

Lieferzeit: 5 Werktage

Stück
Pos.
290
BOSCH Anschlag | Ersatzteile für GTS 10 XC | 2610997215
Hersteller: BOSCH
Artikelnummer: EB-3601M304B2-2610997215
Netto: 3,94 € zzgl. MwSt.
zzgl. 6,90 € Versand (brutto)
einmalig pro Bestellung

Lieferzeit: 5 Werktage

Stück
Pos.
291
BOSCH Schraube | Ersatzteile für GTS 10 XC | 2610358519
Hersteller: BOSCH
Artikelnummer: EB-3601M304B2-2610358519
Netto: 3,63 € zzgl. MwSt.
zzgl. 6,90 € Versand (brutto)
einmalig pro Bestellung

Lieferzeit: 5 Werktage

Stück
Pos.
292
BOSCH Mutter | Ersatzteile für GTS 10 XC | 2610908272
Hersteller: BOSCH
Artikelnummer: EB-3601M304B2-2610908272
Netto: 3,63 € zzgl. MwSt.
zzgl. 6,90 € Versand (brutto)
einmalig pro Bestellung

Lieferzeit: 5 Werktage

Stück
Pos.
294
BOSCH Unterlage | Ersatzteile für GTS 10 XC | 2610997213
Hersteller: BOSCH
Artikelnummer: EB-3601M304B2-2610997213
Netto: 4,82 € zzgl. MwSt.
zzgl. 6,90 € Versand (brutto)
einmalig pro Bestellung

Lieferzeit: 5 Werktage

Stück
Pos.
295
BOSCH Schraube | Ersatzteile für GTS 10 XC | 2610358832
Hersteller: BOSCH
Artikelnummer: EB-3601M304B2-2610358832
Netto: 3,94 € zzgl. MwSt.
zzgl. 6,90 € Versand (brutto)
einmalig pro Bestellung

Lieferzeit: 5 Werktage

Stück
Pos.
296
BOSCH Schraube | Ersatzteile für GTS 10 XC | 2610015065
Hersteller: BOSCH
Artikelnummer: EB-3601M304B2-2610015065
Netto: 3,63 € zzgl. MwSt.
zzgl. 6,90 € Versand (brutto)
einmalig pro Bestellung

Lieferzeit: 5 Werktage

Stück
Pos.
297
BOSCH Bolzen | Ersatzteile für GTS 10 XC | 1609203L08
Hersteller: BOSCH
Artikelnummer: EB-3601M304B2-1609203L08
Netto: 3,94 € zzgl. MwSt.
zzgl. 6,90 € Versand (brutto)
einmalig pro Bestellung

Lieferzeit: 5 Werktage

Stück
Pos.
298
BOSCH Klemmblech | Ersatzteile für GTS 10 XC | 1609203L04
Hersteller: BOSCH
Artikelnummer: EB-3601M304B2-1609203L04
Netto: 4,32 € zzgl. MwSt.
zzgl. 6,90 € Versand (brutto)
einmalig pro Bestellung

Lieferzeit: 5 Werktage

Stück
Pos.
299
BOSCH Rundmutter | Ersatzteile für GTS 10 XC | 1609902047
Hersteller: BOSCH
Artikelnummer: EB-3601M304B2-1609902047
Netto: 4,53 € zzgl. MwSt.
zzgl. 6,90 € Versand (brutto)
einmalig pro Bestellung

Lieferzeit: 5 Werktage

Stück
Pos.
300
BOSCH Unterlegscheibe | Ersatzteile für GTS 10 XC | 2610993221
Hersteller: BOSCH
Artikelnummer: EB-3601M304B2-2610993221
Netto: 3,63 € zzgl. MwSt.
zzgl. 6,90 € Versand (brutto)
einmalig pro Bestellung

Lieferzeit: 5 Werktage

Stück
Pos.
301
BOSCH Profilschiene | Ersatzteile für GTS 10 XC | 1609203L07
Hersteller: BOSCH
Artikelnummer: EB-3601M304B2-1609203L07
Netto: 17,38 € zzgl. MwSt.
zzgl. 6,90 € Versand (brutto)
einmalig pro Bestellung

Lieferzeit: 5 Werktage

Stück
Pos.
302
BOSCH Knopf | Ersatzteile für GTS 10 XC | 2610018313
Hersteller: BOSCH
Artikelnummer: EB-3601M304B2-2610018313
nur Informationsartikel
Nie mehr lieferbar
keine Alternativen
Pos.
303
BOSCH Tischplatte | Ersatzteile für GTS 10 XC | 2610018315
Hersteller: BOSCH
Artikelnummer: EB-3601M304B2-2610018315
Netto: 210,92 € zzgl. MwSt.
zzgl. 6,90 € Versand (brutto)
einmalig pro Bestellung

Lieferzeit: 5 Werktage

Stück
Pos.
304
BOSCH Profilschiene | Ersatzteile für GTS 10 XC | 2610018316
Hersteller: BOSCH
Artikelnummer: EB-3601M304B2-2610018316
Netto: 32,74 € zzgl. MwSt.
zzgl. 6,90 € Versand (brutto)
einmalig pro Bestellung

Lieferzeit: 5 Werktage

Stück
Pos.
305
BOSCH Schraube | Ersatzteile für GTS 10 XC | 2610018317
Hersteller: BOSCH
Artikelnummer: EB-3601M304B2-2610018317
Netto: 3,63 € zzgl. MwSt.
zzgl. 6,90 € Versand (brutto)
einmalig pro Bestellung

Lieferzeit: 5 Werktage

Stück
Pos.
306
BOSCH Anschlag | Ersatzteile für GTS 10 XC | 2610018318
Hersteller: BOSCH
Artikelnummer: EB-3601M304B2-2610018318
Netto: 3,63 € zzgl. MwSt.
zzgl. 6,90 € Versand (brutto)
einmalig pro Bestellung

Lieferzeit: 5 Werktage

Stück
Pos.
307
BOSCH Schraube | Ersatzteile für GTS 10 XC | 2610018319
Hersteller: BOSCH
Artikelnummer: EB-3601M304B2-2610018319
Netto: 3,63 € zzgl. MwSt.
zzgl. 6,90 € Versand (brutto)
einmalig pro Bestellung

Lieferzeit: 5 Werktage

Stück
Pos.
308
BOSCH Aufspannwinkel | Ersatzteile für GTS 10 XC | 2610018320
Hersteller: BOSCH
Artikelnummer: EB-3601M304B2-2610018320
Netto: 5,19 € zzgl. MwSt.
zzgl. 6,90 € Versand (brutto)
einmalig pro Bestellung

Lieferzeit: 5 Werktage

Stück
Pos.
309
BOSCH Klemmhebel | Ersatzteile für GTS 10 XC | 2610018321
Hersteller: BOSCH
Artikelnummer: EB-3601M304B2-2610018321
Netto: 5,67 € zzgl. MwSt.
zzgl. 6,90 € Versand (brutto)
einmalig pro Bestellung

Lieferzeit: 5 Werktage

Stück
Pos.
310
BOSCH Feder | Ersatzteile für GTS 10 XC | 2610018322
Hersteller: BOSCH
Artikelnummer: EB-3601M304B2-2610018322
Netto: 3,63 € zzgl. MwSt.
zzgl. 6,90 € Versand (brutto)
einmalig pro Bestellung

Lieferzeit: 5 Werktage

Stück
Pos.
311
BOSCH Stift | Ersatzteile für GTS 10 XC | 2610018323
Hersteller: BOSCH
Artikelnummer: EB-3601M304B2-2610018323
Netto: 3,63 € zzgl. MwSt.
zzgl. 6,90 € Versand (brutto)
einmalig pro Bestellung

Lieferzeit: 5 Werktage

Stück
Pos.
312
BOSCH Sperrstift | Ersatzteile für GTS 10 XC | 2610018324
Hersteller: BOSCH
Artikelnummer: EB-3601M304B2-2610018324
Netto: 4,32 € zzgl. MwSt.
zzgl. 6,90 € Versand (brutto)
einmalig pro Bestellung

Lieferzeit: 5 Werktage

Stück
Pos.
313
BOSCH Achse | Ersatzteile für GTS 10 XC | 2610018325
Hersteller: BOSCH
Artikelnummer: EB-3601M304B2-2610018325
Netto: 3,63 € zzgl. MwSt.
zzgl. 6,90 € Versand (brutto)
einmalig pro Bestellung

Lieferzeit: 5 Werktage

Stück
Pos.
314
BOSCH Sicherungsring | Ersatzteile für GTS 10 XC | 2610018326
Hersteller: BOSCH
Artikelnummer: EB-3601M304B2-2610018326
Netto: 3,63 € zzgl. MwSt.
zzgl. 6,90 € Versand (brutto)
einmalig pro Bestellung

Lieferzeit: 5 Werktage

Stück
Pos.
315
BOSCH Schraube | Ersatzteile für GTS 10 XC | 2610018327
Hersteller: BOSCH
Artikelnummer: EB-3601M304B2-2610018327
Netto: 3,63 € zzgl. MwSt.
zzgl. 6,90 € Versand (brutto)
einmalig pro Bestellung

Lieferzeit: 5 Werktage

Stück
Pos.
316
BOSCH Haltewinkel | Ersatzteile für GTS 10 XC | 2610996921
Hersteller: BOSCH
Artikelnummer: EB-3601M304B2-2610996921
Netto: 3,94 € zzgl. MwSt.
zzgl. 6,90 € Versand (brutto)
einmalig pro Bestellung

Lieferzeit: 5 Werktage

Stück
Pos.
317
BOSCH Blechschraube | Ersatzteile für GTS 10 XC | 2610908271
Hersteller: BOSCH
Artikelnummer: EB-3601M304B2-2610908271
Netto: 3,94 € zzgl. MwSt.
zzgl. 6,90 € Versand (brutto)
einmalig pro Bestellung

Lieferzeit: 5 Werktage

Stück
Pos.
318
BOSCH Winkel | Ersatzteile für GTS 10 XC | 2610996914
Hersteller: BOSCH
Artikelnummer: EB-3601M304B2-2610996914
nur Informationsartikel
Nie mehr lieferbar
keine Alternativen
Pos.
319
BOSCH Gewindestift | Ersatzteile für GTS 10 XC | 2610996918
Hersteller: BOSCH
Artikelnummer: EB-3601M304B2-2610996918
Netto: 4,32 € zzgl. MwSt.
zzgl. 6,90 € Versand (brutto)
einmalig pro Bestellung

Lieferzeit: 5 Werktage

Stück
Pos.
320
BOSCH Stift | Ersatzteile für GTS 10 XC | 2610997275
Hersteller: BOSCH
Artikelnummer: EB-3601M304B2-2610997275
Netto: 3,63 € zzgl. MwSt.
zzgl. 6,90 € Versand (brutto)
einmalig pro Bestellung

Lieferzeit: 5 Werktage

Stück
Pos.
321
BOSCH Verbindungsmutter | Ersatzteile für GTS 10 XC | 2610996920
Hersteller: BOSCH
Artikelnummer: EB-3601M304B2-2610996920
Netto: 6,70 € zzgl. MwSt.
zzgl. 6,90 € Versand (brutto)
einmalig pro Bestellung

Lieferzeit: 5 Werktage

Stück
Pos.
322
BOSCH Haltearm | Ersatzteile für GTS 10 XC | 2610018567
Hersteller: BOSCH
Artikelnummer: EB-3601M304B2-2610018567
Netto: 6,15 € zzgl. MwSt.
zzgl. 6,90 € Versand (brutto)
einmalig pro Bestellung

Lieferzeit: 5 Werktage

Stück
Pos.
323
BOSCH Klemmstück | Ersatzteile für GTS 10 XC | 2610996915
Hersteller: BOSCH
Artikelnummer: EB-3601M304B2-2610996915
Netto: 9,95 € zzgl. MwSt.
zzgl. 6,90 € Versand (brutto)
einmalig pro Bestellung

Lieferzeit: 5 Werktage

Stück
Pos.
324
BOSCH Unterlegscheibe | Ersatzteile für GTS 10 XC | 2610018350
Hersteller: BOSCH
Artikelnummer: EB-3601M304B2-2610018350
Netto: 3,63 € zzgl. MwSt.
zzgl. 6,90 € Versand (brutto)
einmalig pro Bestellung

Lieferzeit: 5 Werktage

Stück
Pos.
325
BOSCH Kapselmutter | Ersatzteile für GTS 10 XC | 2610028342
Hersteller: BOSCH
Artikelnummer: EB-3601M304B2-2610028342
Netto: 3,94 € zzgl. MwSt.
zzgl. 6,90 € Versand (brutto)
einmalig pro Bestellung

Lieferzeit: 5 Werktage

Stück
Pos.
326
BOSCH Klemmbuchse | Ersatzteile für GTS 10 XC | 2610998567
Hersteller: BOSCH
Artikelnummer: EB-3601M304B2-2610998567
Netto: 3,63 € zzgl. MwSt.
zzgl. 6,90 € Versand (brutto)
einmalig pro Bestellung

Lieferzeit: 5 Werktage

Stück
Pos.
327
BOSCH Schraube | Ersatzteile für GTS 10 XC | 2610015078
Hersteller: BOSCH
Artikelnummer: EB-3601M304B2-2610015078
Netto: 3,63 € zzgl. MwSt.
zzgl. 6,90 € Versand (brutto)
einmalig pro Bestellung

Lieferzeit: 5 Werktage

Stück
Pos.
328
BOSCH Tülle | Ersatzteile für GTS 10 XC | 2610018579
Hersteller: BOSCH
Artikelnummer: EB-3601M304B2-2610018579
Netto: 3,60 € zzgl. MwSt.
zzgl. 6,90 € Versand (brutto)
einmalig pro Bestellung

Lieferzeit: 5 Werktage

Stück
Pos.
358
BOSCH Schrumpfschlauch | Ersatzteile für GTS 10 XC | 1619PA9309
Hersteller: BOSCH
Artikelnummer: EB-3601M304B2-1619PA9309
Netto: 3,63 € zzgl. MwSt.
zzgl. 6,90 € Versand (brutto)
einmalig pro Bestellung

Lieferzeit: 5 Werktage

Stück
Pos.
801
BOSCH Schutzhaube | Ersatzteile für GTS 10 XC | 1600A01R18
Hersteller: BOSCH
Artikelnummer: EB-3601M304B2-1600A01R18
Netto: 24,13 € zzgl. MwSt.
zzgl. 6,90 € Versand (brutto)
einmalig pro Bestellung

Lieferzeit: 5 Werktage

Stück
Pos.
802
BOSCH Längsanschlag | Ersatzteile für GTS 10 XC | 2610018329
Hersteller: BOSCH
Artikelnummer: EB-3601M304B2-2610018329
Netto: 121,18 € zzgl. MwSt.
zzgl. 6,90 € Versand (brutto)
einmalig pro Bestellung

Lieferzeit: 5 Werktage

Stück
Pos.
803
BOSCH Gehrungslineal | Ersatzteile für GTS 10 XC | 2610015508
Hersteller: BOSCH
Artikelnummer: EB-3601M304B2-2610015508
Netto: 52,14 € zzgl. MwSt.
zzgl. 6,90 € Versand (brutto)
einmalig pro Bestellung

Lieferzeit: 5 Werktage

Stück
Pos.
804
BOSCH Spaltkeil | Ersatzteile für GTS 10 XC | 1600A01D8L
Hersteller: BOSCH
Artikelnummer: EB-3601M304B2-1600A01D8L
Netto: 26,88 € zzgl. MwSt.
zzgl. 6,90 € Versand (brutto)
einmalig pro Bestellung

Lieferzeit: 5 Werktage

Stück
Pos.
808
BOSCH Typschild | Ersatzteile für GTS 10 XC | 160111A6WE
Hersteller: BOSCH
Artikelnummer: EB-3601M304B2-160111A6WE
nur Informationsartikel
Nie mehr lieferbar
keine Alternativen
Pos.
810
BOSCH Kohlebürstensatz | Ersatzteile für GTS 10 XC | 2610018332
Hersteller: BOSCH
Artikelnummer: EB-3601M304B2-2610018332
Netto: 19,18 € zzgl. MwSt.
zzgl. 6,90 € Versand (brutto)
einmalig pro Bestellung

Lieferzeit: 5 Werktage

Stück
Pos.
816
BOSCH Bürstenhalter Zusammenbau | Ersatzteile für GTS 10 XC | 1609B07133
Hersteller: BOSCH
Artikelnummer: EB-3601M304B2-1609B07133
Netto: 9,18 € zzgl. MwSt.
zzgl. 6,90 € Versand (brutto)
einmalig pro Bestellung

Lieferzeit: 5 Werktage

Stück
Pos.
820
BOSCH Knebelgriff | Ersatzteile für GTS 10 XC | 2610018333
Hersteller: BOSCH
Artikelnummer: EB-3601M304B2-2610018333
Netto: 57,47 € zzgl. MwSt.
zzgl. 6,90 € Versand (brutto)
einmalig pro Bestellung

Lieferzeit: 5 Werktage

Stück
Pos.
821
BOSCH Stange | Ersatzteile für GTS 10 XC | 2610018334
Hersteller: BOSCH
Artikelnummer: EB-3601M304B2-2610018334
Netto: 9,18 € zzgl. MwSt.
zzgl. 6,90 € Versand (brutto)
einmalig pro Bestellung

Lieferzeit: 5 Werktage

Stück
Pos.
822
BOSCH Klemmzange | Ersatzteile für GTS 10 XC | 2610018335
Hersteller: BOSCH
Artikelnummer: EB-3601M304B2-2610018335
Netto: 21,16 € zzgl. MwSt.
zzgl. 6,90 € Versand (brutto)
einmalig pro Bestellung

Lieferzeit: 5 Werktage

Stück

Angaben zur Produktsicherheit

Hersteller:
Robert Bosch Power Tools GmbH
Postfach 30 02 20
70442 Stuttgart

E-Mail:
kontakt@bosch.de