BOSCH HGS 65/32 - 0602207008

Artikelnummer: EB-0602207008

Position:

Marke: BOSCH


Bitte Kompatibilität prüfen!

Bitte prüfen Sie unbedingt die 10-stellige Typennummer Ihrer Maschine / Ihres Gerätes. Das Ersatzteil ist nur kompatibel, wenn Sie die Typennummer Ihrer Maschine in der unten stehenden Produktbeschreibung finden.

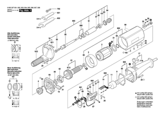
Bitte prüfen Sie ebenfalls detailliert die Explosionszeichnung mit Ihrem Artikelwunsch und der jeweiligen Pos-Nummer.

Alle Elemente, welche vom schwarzen Strich der Pos-Nummer ausgehend berührt / erfasst werden, gehören zu dieser Pos-Nummer und somit zu diesem Artikel. Jede Pos-Nummer ist ein eigenständiger Artikel, welchen Sie in der Auflistung finden.

Sie erhalten stets die aktuellste, neueste Produktversion zu der gewählten Pos-Nummer seitens des Herstellers. Es kann daher je nach Gerätealter vorkommen, dass Sie ggf. weitere, zugehörige Elemente, welche an diese Pos-Nummer grenzen, ebenfalls mittauschen müssen.

Nähere Informationen finden Sie unter dem Link
Hinweise zu Ihrer BOSCH Ersatzteilsuche

Beschreibung

Die aufgelisteten BOSCH Ersatzteile sind mit folgendem Gerät und Modell kompatibel:

BOSCH Gerätename:HGS 65/32
BOSCH Typennummer:0602207008
alternative Schreibweisen:0 602 207 008, 0602 207 008, 0.602.207.008, 0-602-207-008

Bitte prüfen Sie die Typennummer auf Ihrem Gerät um die Kompatibilität des BOSCH Ersatzteils zu gewährleisten.

Die passenden Ersatzteile des BOSCH HGS 65/32 (Geradschleifer) mit der Typennummer 0602207008 finden Sie in der nachfolgenden Darstellung geordnet nach der Positionsnummern aus der Explosionszeichnung:

Pos.
2
BOSCH Ständer 72V/200HZ-110V/300HZ | Ersatzteile für GR.65 | 1604229090
Hersteller: BOSCH
Artikelnummer: EB-0602207008-1604229090
Netto: 268,24 € zzgl. MwSt.
zzgl. 6,90 € Versand (brutto)
einmalig pro Bestellung

Lieferzeit: 5 Werktage

Stück
Pos.
5
BOSCH Luftleitring | Ersatzteile für GR.65 | 1600209003
Hersteller: BOSCH
Artikelnummer: EB-0602207008-1600209003
Netto: 8,23 € zzgl. MwSt.
zzgl. 6,90 € Versand (brutto)
einmalig pro Bestellung

Lieferzeit: 5 Werktage

Stück
Pos.
4
BOSCH Stirnrad Z=35 | Ersatzteile für GR.65 | 1606330012
Hersteller: BOSCH
Artikelnummer: EB-0602207008-1606330012
Netto: 91,88 € zzgl. MwSt.
zzgl. 6,90 € Versand (brutto)
einmalig pro Bestellung

Lieferzeit: 5 Werktage

Stück
Pos.
9
BOSCH Tülle Ø11,5-Ø15,0x150 MM | Ersatzteile für GR.65 | 1600703009
Hersteller: BOSCH
Artikelnummer: EB-0602207008-1600703009
Netto: 6,75 € zzgl. MwSt.
zzgl. 6,90 € Versand (brutto)
einmalig pro Bestellung

Lieferzeit: 5 Werktage

Stück
Pos.
11
BOSCH Dichtplatte | Ersatzteile für GR.65 | 1600113003
Hersteller: BOSCH
Artikelnummer: EB-0602207008-1600113003
Netto: 4,80 € zzgl. MwSt.
zzgl. 6,90 € Versand (brutto)
einmalig pro Bestellung

Lieferzeit: 5 Werktage

Stück
Pos.
14
BOSCH Befestigungsschelle | Ersatzteile für GR.65 | 1601303003
Hersteller: BOSCH
Artikelnummer: EB-0602207008-1601303003
Netto: 4,36 € zzgl. MwSt.
zzgl. 6,90 € Versand (brutto)
einmalig pro Bestellung

Lieferzeit: 5 Werktage

Stück
Pos.
17
BOSCH Schalthebel | Ersatzteile für GR.65 | 1602026030
Hersteller: BOSCH
Artikelnummer: EB-0602207008-1602026030
Netto: 9,05 € zzgl. MwSt.
zzgl. 6,90 € Versand (brutto)
einmalig pro Bestellung

Lieferzeit: 5 Werktage

Stück
Pos.
17/8
BOSCH Filzring | Ersatzteile für GR.65 | 1600205008
Hersteller: BOSCH
Artikelnummer: EB-0602207008-1600205008
Netto: 3,94 € zzgl. MwSt.
zzgl. 6,90 € Versand (brutto)
einmalig pro Bestellung

Lieferzeit: 5 Werktage

Stück
Pos.
18/1
BOSCH Dichtung Ø3x53 MM | Ersatzteile für GR.65 | 1600703014
Hersteller: BOSCH
Artikelnummer: EB-0602207008-1600703014
nur Informationsartikel
Nie mehr lieferbar
keine Alternativen
Pos.
18/2
BOSCH Schrumpfschlauch | Ersatzteile für GR.65 | 3600712004
Hersteller: BOSCH
Artikelnummer: EB-0602207008-3600712004
nur Informationsartikel
Nie mehr lieferbar
keine Alternativen
Pos.
13
BOSCH Schalter | Ersatzteile für GR.65 | 1607200020
Hersteller: BOSCH
Artikelnummer: EB-0602207008-1607200020
nur Informationsartikel
Nie mehr lieferbar
keine Alternativen
Pos.
20
BOSCH Typschild | Ersatzteile für GR.65 | 3601106053
Hersteller: BOSCH
Artikelnummer: EB-0602207008-3601106053
Netto: 6,27 € zzgl. MwSt.
zzgl. 6,90 € Versand (brutto)
einmalig pro Bestellung

Lieferzeit: 5 Werktage

Stück
Pos.
21
BOSCH Dichtring | Ersatzteile für GR.65 | 1600209006
Hersteller: BOSCH
Artikelnummer: EB-0602207008-1600209006
Netto: 4,80 € zzgl. MwSt.
zzgl. 6,90 € Versand (brutto)
einmalig pro Bestellung

Lieferzeit: 5 Werktage

Stück
Pos.
25
BOSCH Gewindefurchschraube | Ersatzteile für GR.65 | 3603435003
Hersteller: BOSCH
Artikelnummer: EB-0602207008-3603435003
Netto: 4,80 € zzgl. MwSt.
zzgl. 6,90 € Versand (brutto)
einmalig pro Bestellung

Lieferzeit: 5 Werktage

Stück
Pos.
26
BOSCH Zylinderschraube DIN 84-AM4x8-8.8 | Ersatzteile für GR.65 | 2910021118
Hersteller: BOSCH
Artikelnummer: EB-0602207008-2910021118
Netto: 3,60 € zzgl. MwSt.
zzgl. 6,90 € Versand (brutto)
einmalig pro Bestellung

Lieferzeit: 5 Werktage

Stück
Pos.
18
BOSCH Spindellager | Ersatzteile für GR.65 | 3605806113
Hersteller: BOSCH
Artikelnummer: EB-0602207008-3605806113
Netto: 185,46 € zzgl. MwSt.
zzgl. 6,90 € Versand (brutto)
einmalig pro Bestellung

Lieferzeit: 5 Werktage

Stück
Pos.
27
BOSCH Flachkopfschraube DIN 85-AM4x10-MS | Ersatzteile für GR.65 | 2910110120
Hersteller: BOSCH
Artikelnummer: EB-0602207008-2910110120
Netto: 3,60 € zzgl. MwSt.
zzgl. 6,90 € Versand (brutto)
einmalig pro Bestellung

Lieferzeit: 5 Werktage

Stück
Pos.
19
BOSCH Gleitblech | Ersatzteile für GR.65 | 1601329002
Hersteller: BOSCH
Artikelnummer: EB-0602207008-3601329025
Netto: 4,10 € zzgl. MwSt.
zzgl. 6,90 € Versand (brutto)
einmalig pro Bestellung

Lieferzeit: 5 Werktage

Stück
Pos.
28
BOSCH Blechschraube DIN 7971-BZ2,9x13 | Ersatzteile für GR.65 | 2910211006
Hersteller: BOSCH
Artikelnummer: EB-0602207008-2910211006
Netto: 3,60 € zzgl. MwSt.
zzgl. 6,90 € Versand (brutto)
einmalig pro Bestellung

Lieferzeit: 5 Werktage

Stück
Pos.
29
BOSCH Zylinderschraube | Ersatzteile für GR.65 | 3603450008
Hersteller: BOSCH
Artikelnummer: EB-0602207008-3603450008
Netto: 4,36 € zzgl. MwSt.
zzgl. 6,90 € Versand (brutto)
einmalig pro Bestellung

Lieferzeit: 5 Werktage

Stück
Pos.
30
BOSCH Gewindefurchschraube | Ersatzteile für GR.65 | 2914461403
Hersteller: BOSCH
Artikelnummer: EB-0602207008-2914461403
Netto: 4,36 € zzgl. MwSt.
zzgl. 6,90 € Versand (brutto)
einmalig pro Bestellung

Lieferzeit: 5 Werktage

Stück
Pos.
31
BOSCH Innensechskantschraube DIN 912-M 4x12-8.8 | Ersatzteile für GR.65 | 2910141122
Hersteller: BOSCH
Artikelnummer: EB-0602207008-2910141122
Netto: 4,36 € zzgl. MwSt.
zzgl. 6,90 € Versand (brutto)
einmalig pro Bestellung

Lieferzeit: 5 Werktage

Stück
Pos.
33
BOSCH Unterlegscheibe DIN 433-3,2-ST 50 | Ersatzteile für GR.65 | 2916011005
Hersteller: BOSCH
Artikelnummer: EB-0602207008-2916011005
Netto: 3,60 € zzgl. MwSt.
zzgl. 6,90 € Versand (brutto)
einmalig pro Bestellung

Lieferzeit: 5 Werktage

Stück
Pos.
35
BOSCH Klemmbügel | Ersatzteile für GR.65 | 3601321001
Hersteller: BOSCH
Artikelnummer: EB-0602207008-3601321001
Netto: 5,17 € zzgl. MwSt.
zzgl. 6,90 € Versand (brutto)
einmalig pro Bestellung

Lieferzeit: 5 Werktage

Stück
Pos.
37
BOSCH Federscheibe Ø4,2 MM | Ersatzteile für GR.65 | 3600150006
Hersteller: BOSCH
Artikelnummer: EB-0602207008-3600150006
Netto: 4,56 € zzgl. MwSt.
zzgl. 6,90 € Versand (brutto)
einmalig pro Bestellung

Lieferzeit: 5 Werktage

Stück
Pos.
40
BOSCH Kerbnagel DIN 1476-2x5 MM | Ersatzteile für GR.65 | 3603133001
Hersteller: BOSCH
Artikelnummer: EB-0602207008-3603133001
Netto: 4,56 € zzgl. MwSt.
zzgl. 6,90 € Versand (brutto)
einmalig pro Bestellung

Lieferzeit: 5 Werktage

Stück
Pos.
60
BOSCH Dichtschnur | Ersatzteile für GR.65 | 1601014000
Hersteller: BOSCH
Artikelnummer: EB-0602207008-1601014000
Netto: 4,80 € zzgl. MwSt.
zzgl. 6,90 € Versand (brutto)
einmalig pro Bestellung

Lieferzeit: 5 Werktage

Stück
Pos.
67
BOSCH Dichtplatte | Ersatzteile für GR.65 | 1602388006
Hersteller: BOSCH
Artikelnummer: EB-0602207008-1602388006
Netto: 6,75 € zzgl. MwSt.
zzgl. 6,90 € Versand (brutto)
einmalig pro Bestellung

Lieferzeit: 5 Werktage

Stück
Pos.
68
BOSCH Tülle | Ersatzteile für GR.65 | 1600306001
Hersteller: BOSCH
Artikelnummer: EB-0602207008-1600306001
Netto: 4,56 € zzgl. MwSt.
zzgl. 6,90 € Versand (brutto)
einmalig pro Bestellung

Lieferzeit: 5 Werktage

Stück
Pos.
69
BOSCH O-Ring 22,0x1,5 MM | Ersatzteile für GR.65 | 3600210016
Hersteller: BOSCH
Artikelnummer: EB-0602207008-3600210016
Netto: 3,94 € zzgl. MwSt.
zzgl. 6,90 € Versand (brutto)
einmalig pro Bestellung

Lieferzeit: 5 Werktage

Stück
Pos.
81
BOSCH Läufer Ohne Wicklung | Ersatzteile für GR.65 | 3604080054
Hersteller: BOSCH
Artikelnummer: EB-0602207008-3604080054
Netto: 166,58 € zzgl. MwSt.
zzgl. 6,90 € Versand (brutto)
einmalig pro Bestellung

Lieferzeit: 5 Werktage

Stück
Pos.
81/3
BOSCH Lüfter | Ersatzteile für GR.65 | 3606610010
Hersteller: BOSCH
Artikelnummer: EB-0602207008-3606610010
Netto: 5,65 € zzgl. MwSt.
zzgl. 6,90 € Versand (brutto)
einmalig pro Bestellung

Lieferzeit: 5 Werktage

Stück
Pos.
82
BOSCH Spannscheibe | Ersatzteile für GR.65 | 1600501025
Hersteller: BOSCH
Artikelnummer: EB-0602207008-1600501025
Netto: 28,93 € zzgl. MwSt.
zzgl. 6,90 € Versand (brutto)
einmalig pro Bestellung

Lieferzeit: 5 Werktage

Stück
Pos.
84
BOSCH Zylinderschraube DIN 84-AM4x12-8.8 | Ersatzteile für GR.65 | 2910021122
Hersteller: BOSCH
Artikelnummer: EB-0602207008-2910021122
Netto: 4,36 € zzgl. MwSt.
zzgl. 6,90 € Versand (brutto)
einmalig pro Bestellung

Lieferzeit: 5 Werktage

Stück
Pos.
85
BOSCH Rillenkugellager 12x28x8 | Ersatzteile für GR.65 | 1900905121
Hersteller: BOSCH
Artikelnummer: EB-0602207008-1900905121
Netto: 16,70 € zzgl. MwSt.
zzgl. 6,90 € Versand (brutto)
einmalig pro Bestellung

Lieferzeit: 5 Werktage

Stück
Pos.
86
BOSCH Rillenkugellager 7x22x7 | Ersatzteile für GR.65 | 1610900025
Hersteller: BOSCH
Artikelnummer: EB-0602207008-1610900025
Netto: 13,81 € zzgl. MwSt.
zzgl. 6,90 € Versand (brutto)
einmalig pro Bestellung

Lieferzeit: 5 Werktage

Stück
Pos.
87
BOSCH Aderendhülse | Ersatzteile für GR.65 | 3604477008
Hersteller: BOSCH
Artikelnummer: EB-0602207008-3604477008
Netto: 3,60 € zzgl. MwSt.
zzgl. 6,90 € Versand (brutto)
einmalig pro Bestellung

Lieferzeit: 5 Werktage

Stück
Pos.
92
BOSCH Rillenkugellager | Ersatzteile für GR.65 | 3600905063
Hersteller: BOSCH
Artikelnummer: EB-0602207008-3600905063
Netto: 20,80 € zzgl. MwSt.
zzgl. 6,90 € Versand (brutto)
einmalig pro Bestellung

Lieferzeit: 5 Werktage

Stück
Pos.
93
BOSCH Gewindering | Ersatzteile für GR.65 | 3603344059
Hersteller: BOSCH
Artikelnummer: EB-0602207008-3603344059
Netto: 35,13 € zzgl. MwSt.
zzgl. 6,90 € Versand (brutto)
einmalig pro Bestellung

Lieferzeit: 5 Werktage

Stück
Pos.
99
BOSCH Hinweisschild | Ersatzteile für GR.65 | 3601119236
Hersteller: BOSCH
Artikelnummer: EB-0602207008-3601119236
Netto: 5,17 € zzgl. MwSt.
zzgl. 6,90 € Versand (brutto)
einmalig pro Bestellung

Lieferzeit: 5 Werktage

Stück
Pos.
102
BOSCH Gewindestift | Ersatzteile für GR.65 | 1603402002
Hersteller: BOSCH
Artikelnummer: EB-0602207008-1603402002
Netto: 3,94 € zzgl. MwSt.
zzgl. 6,90 € Versand (brutto)
einmalig pro Bestellung

Lieferzeit: 5 Werktage

Stück
Pos.
651
BOSCH Einmaulschlüssel DIN 894 SW 12 | Ersatzteile für GR.65 | 1907950506
Hersteller: BOSCH
Artikelnummer: EB-0602207008-1907950506
Netto: 11,58 € zzgl. MwSt.
zzgl. 6,90 € Versand (brutto)
einmalig pro Bestellung

Lieferzeit: 5 Werktage

Stück
Pos.
652
BOSCH Einmaulschlüssel DIN 894 SW 15 | Ersatzteile für GR.65 | 1907950509
Hersteller: BOSCH
Artikelnummer: EB-0602207008-1907950509
Netto: 11,58 € zzgl. MwSt.
zzgl. 6,90 € Versand (brutto)
einmalig pro Bestellung

Lieferzeit: 5 Werktage

Stück
Pos.
702
BOSCH Spannzange Ø 1/4 Zoll (6,35 MM) | Ersatzteile für GR.65 | 1608570058
Hersteller: BOSCH
Artikelnummer: EB-0602207008-1608570058
Netto: 32,16 € zzgl. MwSt.
zzgl. 6,90 € Versand (brutto)
einmalig pro Bestellung

Lieferzeit: 5 Werktage

Stück
Pos.
800
BOSCH Schaltersatz | Ersatzteile für GR.65 | 1607000036
Hersteller: BOSCH
Artikelnummer: EB-0602207008-1607000036
nur Informationsartikel
Nie mehr lieferbar
keine Alternativen
Pos.
801
BOSCH Dichtplatte | Ersatzteile für GR.65 | 1602388007
Hersteller: BOSCH
Artikelnummer: EB-0602207008-1602388007
Netto: 10,62 € zzgl. MwSt.
zzgl. 6,90 € Versand (brutto)
einmalig pro Bestellung

Lieferzeit: 5 Werktage

Stück
Pos.
802
BOSCH Motorgehäuse | Ersatzteile für GR.65 | 3605102040
Hersteller: BOSCH
Artikelnummer: EB-0602207008-3605102040
Netto: 185,46 € zzgl. MwSt.
zzgl. 6,90 € Versand (brutto)
einmalig pro Bestellung

Lieferzeit: 5 Werktage

Stück
Pos.
805
BOSCH Handgriff DUNKELBLAU | Ersatzteile für GR.65 | 3605132048
Hersteller: BOSCH
Artikelnummer: EB-0602207008-3605132048
Netto: 55,88 € zzgl. MwSt.
zzgl. 6,90 € Versand (brutto)
einmalig pro Bestellung

Lieferzeit: 5 Werktage

Stück
Pos.
850
BOSCH Elktr Leitg M Anschluss | Ersatzteile für GR.65 | 3607030236
Hersteller: BOSCH
Artikelnummer: EB-0602207008-3607030236
Netto: 70,01 € zzgl. MwSt.
zzgl. 6,90 € Versand (brutto)
einmalig pro Bestellung

Lieferzeit: 5 Werktage

Stück
Pos.
890
BOSCH Zylinderrollenlager | Ersatzteile für GR.65 | 3607020263
Hersteller: BOSCH
Artikelnummer: EB-0602207008-3607020263
Netto: 61,64 € zzgl. MwSt.
zzgl. 6,90 € Versand (brutto)
einmalig pro Bestellung

Lieferzeit: 5 Werktage

Stück
Pos.
83
BOSCH Lagerflansch | Ersatzteile für GR.65 | 3605820054
Hersteller: BOSCH
Artikelnummer: EB-0602207008-3605820054
Netto: 55,88 € zzgl. MwSt.
zzgl. 6,90 € Versand (brutto)
einmalig pro Bestellung

Lieferzeit: 5 Werktage

Stück
Pos.
90
BOSCH Schleifspindel | Ersatzteile für GR.65 | 1603123010
Hersteller: BOSCH
Artikelnummer: EB-0602207008-1603123010
Netto: 166,58 € zzgl. MwSt.
zzgl. 6,90 € Versand (brutto)
einmalig pro Bestellung

Lieferzeit: 5 Werktage

Stück
Pos.
91
BOSCH Führungshülse | Ersatzteile für GR.65 | 1600300040
Hersteller: BOSCH
Artikelnummer: EB-0602207008-1600300040
Netto: 13,81 € zzgl. MwSt.
zzgl. 6,90 € Versand (brutto)
einmalig pro Bestellung

Lieferzeit: 5 Werktage

Stück
Pos.
94
BOSCH Stirnrad Z=18 | Ersatzteile für GR.65 | 1606330007
Hersteller: BOSCH
Artikelnummer: EB-0602207008-1606330007
Netto: 82,83 € zzgl. MwSt.
zzgl. 6,90 € Versand (brutto)
einmalig pro Bestellung

Lieferzeit: 5 Werktage

Stück
Pos.
95
BOSCH Spannzange Ø6 MM | Ersatzteile für GR.65 | 1608570025
Hersteller: BOSCH
Artikelnummer: EB-0602207008-1608570025
Netto: 32,16 € zzgl. MwSt.
zzgl. 6,90 € Versand (brutto)
einmalig pro Bestellung

Lieferzeit: 5 Werktage

Stück
Pos.
97
BOSCH Distanzring | Ersatzteile für GR.65 | 1600202016
Hersteller: BOSCH
Artikelnummer: EB-0602207008-1600202016
Netto: 6,27 € zzgl. MwSt.
zzgl. 6,90 € Versand (brutto)
einmalig pro Bestellung

Lieferzeit: 5 Werktage

Stück
Pos.
101
BOSCH Sprengring | Ersatzteile für GR.65 | 1600224024
Hersteller: BOSCH
Artikelnummer: EB-0602207008-1600224024
Netto: 4,80 € zzgl. MwSt.
zzgl. 6,90 € Versand (brutto)
einmalig pro Bestellung

Lieferzeit: 5 Werktage

Stück
Pos.
803
BOSCH Spindellager | Ersatzteile für GR.65 | 1605806206
Hersteller: BOSCH
Artikelnummer: EB-0602207008-1605806206
Netto: 483,69 € zzgl. MwSt.
zzgl. 6,90 € Versand (brutto)
einmalig pro Bestellung

Lieferzeit: 5 Werktage

Stück

Angaben zur Produktsicherheit

Hersteller:
Robert Bosch Power Tools GmbH
Postfach 30 02 20
70442 Stuttgart

E-Mail:
kontakt@bosch.de