BOSCH HGS 65/50 workster - 0602209633

Artikelnummer: EB-0602209633

Position:

Marke: BOSCH


Bitte Kompatibilität prüfen!

Bitte prüfen Sie unbedingt die 10-stellige Typennummer Ihrer Maschine / Ihres Gerätes. Das Ersatzteil ist nur kompatibel, wenn Sie die Typennummer Ihrer Maschine in der unten stehenden Produktbeschreibung finden.

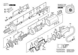
Bitte prüfen Sie ebenfalls detailliert die Explosionszeichnung mit Ihrem Artikelwunsch und der jeweiligen Pos-Nummer.

Alle Elemente, welche vom schwarzen Strich der Pos-Nummer ausgehend berührt / erfasst werden, gehören zu dieser Pos-Nummer und somit zu diesem Artikel. Jede Pos-Nummer ist ein eigenständiger Artikel, welchen Sie in der Auflistung finden.

Sie erhalten stets die aktuellste, neueste Produktversion zu der gewählten Pos-Nummer seitens des Herstellers. Es kann daher je nach Gerätealter vorkommen, dass Sie ggf. weitere, zugehörige Elemente, welche an diese Pos-Nummer grenzen, ebenfalls mittauschen müssen.

Nähere Informationen finden Sie unter dem Link
Hinweise zu Ihrer BOSCH Ersatzteilsuche

Beschreibung

Die aufgelisteten BOSCH Ersatzteile sind mit folgendem Gerät und Modell kompatibel:

BOSCH Gerätename:HGS 65/50 workster
BOSCH Typennummer:0602209633
alternative Schreibweisen:0 602 209 633, 0602 209 633, 0.602.209.633, 0-602-209-633

Bitte prüfen Sie die Typennummer auf Ihrem Gerät um die Kompatibilität des BOSCH Ersatzteils zu gewährleisten.

Die passenden Ersatzteile des BOSCH HGS 65/50 workster (Geradschleifer) mit der Typennummer 0602209633 finden Sie in der nachfolgenden Darstellung geordnet nach der Positionsnummern aus der Explosionszeichnung:

Pos.
2
BOSCH Ständer 200V/300HZ | Ersatzteile für HGS 65/50 | 3604229121
Hersteller: BOSCH
Artikelnummer: EB-0602209633-3604229121
nur Informationsartikel
Nie mehr lieferbar
keine Alternativen
Pos.
5
BOSCH Luftleitring | Ersatzteile für HGS 65/50 | 1600209003
Hersteller: BOSCH
Artikelnummer: EB-0602209633-1600209003
Netto: 8,33 € zzgl. MwSt.
zzgl. 6,90 € Versand (brutto)
einmalig pro Bestellung

Lieferzeit: 5 Werktage

Stück
Pos.
6
BOSCH Mitnehmer | Ersatzteile für HGS 65/50 | 1606442000
Hersteller: BOSCH
Artikelnummer: EB-0602209633-1606442000
Netto: 6,70 € zzgl. MwSt.
zzgl. 6,90 € Versand (brutto)
einmalig pro Bestellung

Lieferzeit: 5 Werktage

Stück
Pos.
9
BOSCH Tülle Ø9,2-Ø12x120 MM | Ersatzteile für HGS 65/50 | 3600703011
Hersteller: BOSCH
Artikelnummer: EB-0602209633-3600703011
Netto: 4,82 € zzgl. MwSt.
zzgl. 6,90 € Versand (brutto)
einmalig pro Bestellung

Lieferzeit: 5 Werktage

Stück
Pos.
11
BOSCH Dichtplatte | Ersatzteile für HGS 65/50 | 1600113003
Hersteller: BOSCH
Artikelnummer: EB-0602209633-1600113003
Netto: 4,82 € zzgl. MwSt.
zzgl. 6,90 € Versand (brutto)
einmalig pro Bestellung

Lieferzeit: 5 Werktage

Stück
Pos.
12
BOSCH O-Ring 45x3MM | Ersatzteile für HGS 65/50 | 1900210146
Hersteller: BOSCH
Artikelnummer: EB-0602209633-1900210146
Netto: 5,67 € zzgl. MwSt.
zzgl. 6,90 € Versand (brutto)
einmalig pro Bestellung

Lieferzeit: 5 Werktage

Stück
Pos.
14
BOSCH Befestigungsschelle | Ersatzteile für HGS 65/50 | 1601302013
Hersteller: BOSCH
Artikelnummer: EB-0602209633-1601302013
Netto: 3,94 € zzgl. MwSt.
zzgl. 6,90 € Versand (brutto)
einmalig pro Bestellung

Lieferzeit: 5 Werktage

Stück
Pos.
17
BOSCH Schalthebel | Ersatzteile für HGS 65/50 | 1602026030
Hersteller: BOSCH
Artikelnummer: EB-0602209633-1602026030
Netto: 9,18 € zzgl. MwSt.
zzgl. 6,90 € Versand (brutto)
einmalig pro Bestellung

Lieferzeit: 5 Werktage

Stück
Pos.
17/8
BOSCH Filzring | Ersatzteile für HGS 65/50 | 1600205008
Hersteller: BOSCH
Artikelnummer: EB-0602209633-1600205008
Netto: 3,94 € zzgl. MwSt.
zzgl. 6,90 € Versand (brutto)
einmalig pro Bestellung

Lieferzeit: 5 Werktage

Stück
Pos.
18
BOSCH Spindelgehaeuse | Ersatzteile für HGS 65/50 | 3605806109
Hersteller: BOSCH
Artikelnummer: EB-0602209633-3605806109
Netto: 169,85 € zzgl. MwSt.
zzgl. 6,90 € Versand (brutto)
einmalig pro Bestellung

Lieferzeit: 5 Werktage

Stück
Pos.
18/2
BOSCH Schrumpfschlauch | Ersatzteile für HGS 65/50 | 3600712004
Hersteller: BOSCH
Artikelnummer: EB-0602209633-3600712004
nur Informationsartikel
Nie mehr lieferbar
keine Alternativen
Pos.
13
BOSCH Schalter | Ersatzteile für HGS 65/50 | 1607200020
Hersteller: BOSCH
Artikelnummer: EB-0602209633-1607200020
nur Informationsartikel
Nie mehr lieferbar
keine Alternativen
Pos.
20
BOSCH Typschild | Ersatzteile für HGS 65/50 | 3601106053
Hersteller: BOSCH
Artikelnummer: EB-0602209633-3601106053
Netto: 6,15 € zzgl. MwSt.
zzgl. 6,90 € Versand (brutto)
einmalig pro Bestellung

Lieferzeit: 5 Werktage

Stück
Pos.
21
BOSCH Dichtring | Ersatzteile für HGS 65/50 | 1600209006
Hersteller: BOSCH
Artikelnummer: EB-0602209633-1600209006
Netto: 4,82 € zzgl. MwSt.
zzgl. 6,90 € Versand (brutto)
einmalig pro Bestellung

Lieferzeit: 5 Werktage

Stück
Pos.
25
BOSCH Gewindefurchschraube | Ersatzteile für HGS 65/50 | 3603435003
Hersteller: BOSCH
Artikelnummer: EB-0602209633-3603435003
Netto: 4,82 € zzgl. MwSt.
zzgl. 6,90 € Versand (brutto)
einmalig pro Bestellung

Lieferzeit: 5 Werktage

Stück
Pos.
26
BOSCH Zylinderschraube DIN 84-AM4x8-8.8 | Ersatzteile für HGS 65/50 | 2910021118
Hersteller: BOSCH
Artikelnummer: EB-0602209633-2910021118
Netto: 3,63 € zzgl. MwSt.
zzgl. 6,90 € Versand (brutto)
einmalig pro Bestellung

Lieferzeit: 5 Werktage

Stück
Pos.
28
BOSCH Blechschraube DIN 7971-BZ2,9x13 | Ersatzteile für HGS 65/50 | 2910211006
Hersteller: BOSCH
Artikelnummer: EB-0602209633-2910211006
Netto: 3,63 € zzgl. MwSt.
zzgl. 6,90 € Versand (brutto)
einmalig pro Bestellung

Lieferzeit: 5 Werktage

Stück
Pos.
29
BOSCH Zylinderschraube | Ersatzteile für HGS 65/50 | 3603450008
Hersteller: BOSCH
Artikelnummer: EB-0602209633-3603450008
Netto: 4,32 € zzgl. MwSt.
zzgl. 6,90 € Versand (brutto)
einmalig pro Bestellung

Lieferzeit: 5 Werktage

Stück
Pos.
30
BOSCH Gewindefurchschraube | Ersatzteile für HGS 65/50 | 2914461403
Hersteller: BOSCH
Artikelnummer: EB-0602209633-2914461403
Netto: 4,32 € zzgl. MwSt.
zzgl. 6,90 € Versand (brutto)
einmalig pro Bestellung

Lieferzeit: 5 Werktage

Stück
Pos.
33
BOSCH Unterlegscheibe DIN 433-3,2-ST 50 | Ersatzteile für HGS 65/50 | 2916011005
Hersteller: BOSCH
Artikelnummer: EB-0602209633-2916011005
Netto: 3,63 € zzgl. MwSt.
zzgl. 6,90 € Versand (brutto)
einmalig pro Bestellung

Lieferzeit: 5 Werktage

Stück
Pos.
34
BOSCH Federscheibe Ø4,2 MM | Ersatzteile für HGS 65/50 | 3600150006
Hersteller: BOSCH
Artikelnummer: EB-0602209633-3600150006
Netto: 4,53 € zzgl. MwSt.
zzgl. 6,90 € Versand (brutto)
einmalig pro Bestellung

Lieferzeit: 5 Werktage

Stück
Pos.
35
BOSCH Klemmbügel | Ersatzteile für HGS 65/50 | 3601321001
Hersteller: BOSCH
Artikelnummer: EB-0602209633-3601321001
Netto: 5,19 € zzgl. MwSt.
zzgl. 6,90 € Versand (brutto)
einmalig pro Bestellung

Lieferzeit: 5 Werktage

Stück
Pos.
40
BOSCH Kerbnagel DIN 1476-2x5 MM | Ersatzteile für HGS 65/50 | 3603133001
Hersteller: BOSCH
Artikelnummer: EB-0602209633-3603133001
Netto: 4,53 € zzgl. MwSt.
zzgl. 6,90 € Versand (brutto)
einmalig pro Bestellung

Lieferzeit: 5 Werktage

Stück
Pos.
60
BOSCH Dichtschnur | Ersatzteile für HGS 65/50 | 1601014000
Hersteller: BOSCH
Artikelnummer: EB-0602209633-1601014000
Netto: 4,82 € zzgl. MwSt.
zzgl. 6,90 € Versand (brutto)
einmalig pro Bestellung

Lieferzeit: 5 Werktage

Stück
Pos.
67
BOSCH Dichtplatte | Ersatzteile für HGS 65/50 | 1602388006
Hersteller: BOSCH
Artikelnummer: EB-0602209633-1602388006
Netto: 6,70 € zzgl. MwSt.
zzgl. 6,90 € Versand (brutto)
einmalig pro Bestellung

Lieferzeit: 5 Werktage

Stück
Pos.
68
BOSCH Tülle | Ersatzteile für HGS 65/50 | 1600306001
Hersteller: BOSCH
Artikelnummer: EB-0602209633-1600306001
Netto: 4,53 € zzgl. MwSt.
zzgl. 6,90 € Versand (brutto)
einmalig pro Bestellung

Lieferzeit: 5 Werktage

Stück
Pos.
69
BOSCH O-Ring 22,0x1,5 MM | Ersatzteile für HGS 65/50 | 3600210016
Hersteller: BOSCH
Artikelnummer: EB-0602209633-3600210016
Netto: 3,94 € zzgl. MwSt.
zzgl. 6,90 € Versand (brutto)
einmalig pro Bestellung

Lieferzeit: 5 Werktage

Stück
Pos.
73
BOSCH Rillenkugellager | Ersatzteile für HGS 65/50 | 3600905063
Hersteller: BOSCH
Artikelnummer: EB-0602209633-3600905063
Netto: 17,38 € zzgl. MwSt.
zzgl. 6,90 € Versand (brutto)
einmalig pro Bestellung

Lieferzeit: 5 Werktage

Stück
Pos.
74
BOSCH Gewindering | Ersatzteile für HGS 65/50 | 3603344059
Hersteller: BOSCH
Artikelnummer: EB-0602209633-3603344059
Netto: 35,77 € zzgl. MwSt.
zzgl. 6,90 € Versand (brutto)
einmalig pro Bestellung

Lieferzeit: 5 Werktage

Stück
Pos.
75
BOSCH Mitnehmer | Ersatzteile für HGS 65/50 | 1600320028
Hersteller: BOSCH
Artikelnummer: EB-0602209633-1600320028
Netto: 35,77 € zzgl. MwSt.
zzgl. 6,90 € Versand (brutto)
einmalig pro Bestellung

Lieferzeit: 5 Werktage

Stück
Pos.
75/1
BOSCH Zylinderstift 4 H 8x12 DIN 7 | Ersatzteile für HGS 65/50 | 2917500095
Hersteller: BOSCH
Artikelnummer: EB-0602209633-2917500095
Netto: 3,94 € zzgl. MwSt.
zzgl. 6,90 € Versand (brutto)
einmalig pro Bestellung

Lieferzeit: 5 Werktage

Stück
Pos.
81
BOSCH Laeufer Ohne Wicklung | Ersatzteile für HGS 65/50 | 3604080054
Hersteller: BOSCH
Artikelnummer: EB-0602209633-3604080054
Netto: 169,85 € zzgl. MwSt.
zzgl. 6,90 € Versand (brutto)
einmalig pro Bestellung

Lieferzeit: 5 Werktage

Stück
Pos.
81/3
BOSCH Lüfter | Ersatzteile für HGS 65/50 | 3606610010
Hersteller: BOSCH
Artikelnummer: EB-0602209633-3606610010
Netto: 5,67 € zzgl. MwSt.
zzgl. 6,90 € Versand (brutto)
einmalig pro Bestellung

Lieferzeit: 5 Werktage

Stück
Pos.
82
BOSCH Spannscheibe | Ersatzteile für HGS 65/50 | 1600501025
Hersteller: BOSCH
Artikelnummer: EB-0602209633-1600501025
Netto: 29,45 € zzgl. MwSt.
zzgl. 6,90 € Versand (brutto)
einmalig pro Bestellung

Lieferzeit: 5 Werktage

Stück
Pos.
83
BOSCH Lagerflansch | Ersatzteile für HGS 65/50 | 3605820065
Hersteller: BOSCH
Artikelnummer: EB-0602209633-3605820065
Netto: 70,50 € zzgl. MwSt.
zzgl. 6,90 € Versand (brutto)
einmalig pro Bestellung

Lieferzeit: 5 Werktage

Stück
Pos.
84
BOSCH Zylinderschraube DIN 84-AM4x18-5.8 | Ersatzteile für HGS 65/50 | 2910011128
Hersteller: BOSCH
Artikelnummer: EB-0602209633-2910011128
Netto: 3,63 € zzgl. MwSt.
zzgl. 6,90 € Versand (brutto)
einmalig pro Bestellung

Lieferzeit: 5 Werktage

Stück
Pos.
85
BOSCH Rillenkugellager 12x28x8 | Ersatzteile für HGS 65/50 | 1900905121
Hersteller: BOSCH
Artikelnummer: EB-0602209633-1900905121
Netto: 12,98 € zzgl. MwSt.
zzgl. 6,90 € Versand (brutto)
einmalig pro Bestellung

Lieferzeit: 5 Werktage

Stück
Pos.
86
BOSCH Rillenkugellager 7x22x7 | Ersatzteile für HGS 65/50 | 1610900025
Hersteller: BOSCH
Artikelnummer: EB-0602209633-1610900025
Netto: 11,92 € zzgl. MwSt.
zzgl. 6,90 € Versand (brutto)
einmalig pro Bestellung

Lieferzeit: 5 Werktage

Stück
Pos.
87
BOSCH Flachstecker | Ersatzteile für HGS 65/50 | 3600452003
Hersteller: BOSCH
Artikelnummer: EB-0602209633-3600452003
Netto: 3,63 € zzgl. MwSt.
zzgl. 6,90 € Versand (brutto)
einmalig pro Bestellung

Lieferzeit: 5 Werktage

Stück
Pos.
91
BOSCH Führungshülse | Ersatzteile für HGS 65/50 | 3600320015
Hersteller: BOSCH
Artikelnummer: EB-0602209633-3600320015
Netto: 24,13 € zzgl. MwSt.
zzgl. 6,90 € Versand (brutto)
einmalig pro Bestellung

Lieferzeit: 5 Werktage

Stück
Pos.
98
BOSCH Sprengring | Ersatzteile für HGS 65/50 | 1600224025
Hersteller: BOSCH
Artikelnummer: EB-0602209633-1600224025
Netto: 4,53 € zzgl. MwSt.
zzgl. 6,90 € Versand (brutto)
einmalig pro Bestellung

Lieferzeit: 5 Werktage

Stück
Pos.
99
BOSCH Hinweisschild | Ersatzteile für HGS 65/50 | 3601119236
Hersteller: BOSCH
Artikelnummer: EB-0602209633-3601119236
Netto: 5,19 € zzgl. MwSt.
zzgl. 6,90 € Versand (brutto)
einmalig pro Bestellung

Lieferzeit: 5 Werktage

Stück
Pos.
102
BOSCH Gewindestift | Ersatzteile für HGS 65/50 | 1603402002
Hersteller: BOSCH
Artikelnummer: EB-0602209633-1603402002
Netto: 3,94 € zzgl. MwSt.
zzgl. 6,90 € Versand (brutto)
einmalig pro Bestellung

Lieferzeit: 5 Werktage

Stück
Pos.
651
BOSCH Einmaulschlüssel DIN 894 SW 12 | Ersatzteile für HGS 65/50 | 1907950506
Hersteller: BOSCH
Artikelnummer: EB-0602209633-1907950506
Netto: 11,92 € zzgl. MwSt.
zzgl. 6,90 € Versand (brutto)
einmalig pro Bestellung

Lieferzeit: 5 Werktage

Stück
Pos.
652
BOSCH Einmaulschlüssel DIN 894 SW 15 | Ersatzteile für HGS 65/50 | 1907950509
Hersteller: BOSCH
Artikelnummer: EB-0602209633-1907950509
Netto: 11,92 € zzgl. MwSt.
zzgl. 6,90 € Versand (brutto)
einmalig pro Bestellung

Lieferzeit: 5 Werktage

Stück
Pos.
801
BOSCH Motorgehäuse | Ersatzteile für HGS 65/50 | 3605102040
Hersteller: BOSCH
Artikelnummer: EB-0602209633-3605102040
Netto: 189,11 € zzgl. MwSt.
zzgl. 6,90 € Versand (brutto)
einmalig pro Bestellung

Lieferzeit: 5 Werktage

Stück
Pos.
808
BOSCH Handgriff DUNKELBLAU | Ersatzteile für HGS 65/50 | 3605132048
Hersteller: BOSCH
Artikelnummer: EB-0602209633-3605132048
Netto: 57,47 € zzgl. MwSt.
zzgl. 6,90 € Versand (brutto)
einmalig pro Bestellung

Lieferzeit: 5 Werktage

Stück
Pos.
813
BOSCH Schaltersatz | Ersatzteile für HGS 65/50 | 1607000036
Hersteller: BOSCH
Artikelnummer: EB-0602209633-1607000036
nur Informationsartikel
Nie mehr lieferbar
keine Alternativen
Pos.
867
BOSCH Dichtplatte | Ersatzteile für HGS 65/50 | 1602388007
Hersteller: BOSCH
Artikelnummer: EB-0602209633-1602388007
Netto: 10,92 € zzgl. MwSt.
zzgl. 6,90 € Versand (brutto)
einmalig pro Bestellung

Lieferzeit: 5 Werktage

Stück
Pos.
881
BOSCH Laeufer Ohne Wicklung | Ersatzteile für HGS 65/50 | 3604080055
Hersteller: BOSCH
Artikelnummer: EB-0602209633-3604080055
Netto: 189,11 € zzgl. MwSt.
zzgl. 6,90 € Versand (brutto)
einmalig pro Bestellung

Lieferzeit: 5 Werktage

Stück
Pos.
78
BOSCH Spannzange | Ersatzteile für HGS 65/50 | 2608570118
Hersteller: BOSCH
Artikelnummer: EB-0602209633-2608570118
Netto: 19,18 € zzgl. MwSt.
zzgl. 6,90 € Versand (brutto)
einmalig pro Bestellung

Lieferzeit: 5 Werktage

Stück
Pos.
90
BOSCH Nadellager | Ersatzteile für HGS 65/50 | 1600910002
Hersteller: BOSCH
Artikelnummer: EB-0602209633-1600910002
Netto: 21,16 € zzgl. MwSt.
zzgl. 6,90 € Versand (brutto)
einmalig pro Bestellung

Lieferzeit: 5 Werktage

Stück
Pos.
92
BOSCH Schleifspindel | Ersatzteile für HGS 65/50 | 1603123011
Hersteller: BOSCH
Artikelnummer: EB-0602209633-1603123011
Netto: 169,85 € zzgl. MwSt.
zzgl. 6,90 € Versand (brutto)
einmalig pro Bestellung

Lieferzeit: 5 Werktage

Stück
Pos.
97
BOSCH Distanzring | Ersatzteile für HGS 65/50 | 1600202016
Hersteller: BOSCH
Artikelnummer: EB-0602209633-1600202016
Netto: 6,15 € zzgl. MwSt.
zzgl. 6,90 € Versand (brutto)
einmalig pro Bestellung

Lieferzeit: 5 Werktage

Stück
Pos.
702
BOSCH Spannzange Ø 1/4" (6,35 MM) | Ersatzteile für HGS 65/50 | 1608570058
Hersteller: BOSCH
Artikelnummer: EB-0602209633-1608570058
Netto: 32,74 € zzgl. MwSt.
zzgl. 6,90 € Versand (brutto)
einmalig pro Bestellung

Lieferzeit: 5 Werktage

Stück
Pos.
810
BOSCH Ersatzteilgruppe | Ersatzteile für HGS 65/50 | 3607031604
Hersteller: BOSCH
Artikelnummer: EB-0602209633-3607031604
Netto: 304,20 € zzgl. MwSt.
zzgl. 6,90 € Versand (brutto)
einmalig pro Bestellung

Lieferzeit: 5 Werktage

Stück
Pos.
818
BOSCH Spindellager | Ersatzteile für HGS 65/50 | 1605806202
Hersteller: BOSCH
Artikelnummer: EB-0602209633-1605806202
Netto: 474,08 € zzgl. MwSt.
zzgl. 6,90 € Versand (brutto)
einmalig pro Bestellung

Lieferzeit: 5 Werktage

Stück
Pos.
872
BOSCH Schleifspindel | Ersatzteile für HGS 65/50 | 3603123017
Hersteller: BOSCH
Artikelnummer: EB-0602209633-3603123017
Netto: 210,92 € zzgl. MwSt.
zzgl. 6,90 € Versand (brutto)
einmalig pro Bestellung

Lieferzeit: 5 Werktage

Stück

Angaben zur Produktsicherheit

Hersteller:
Robert Bosch Power Tools GmbH
Postfach 30 02 20
70442 Stuttgart

E-Mail:
kontakt@bosch.de