BOSCH HW-HANDKETTENSA - 0603220003

Artikelnummer: EB-0603220003

Position:

Marke: BOSCH


Bitte Kompatibilität prüfen!

Bitte prüfen Sie unbedingt die 10-stellige Typennummer Ihrer Maschine / Ihres Gerätes. Das Ersatzteil ist nur kompatibel, wenn Sie die Typennummer Ihrer Maschine in der unten stehenden Produktbeschreibung finden.

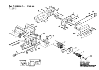
Bitte prüfen Sie ebenfalls detailliert die Explosionszeichnung mit Ihrem Artikelwunsch und der jeweiligen Pos-Nummer.

Alle Elemente, welche vom schwarzen Strich der Pos-Nummer ausgehend berührt / erfasst werden, gehören zu dieser Pos-Nummer und somit zu diesem Artikel. Jede Pos-Nummer ist ein eigenständiger Artikel, welchen Sie in der Auflistung finden.

Sie erhalten stets die aktuellste, neueste Produktversion zu der gewählten Pos-Nummer seitens des Herstellers. Es kann daher je nach Gerätealter vorkommen, dass Sie ggf. weitere, zugehörige Elemente, welche an diese Pos-Nummer grenzen, ebenfalls mittauschen müssen.

Nähere Informationen finden Sie unter dem Link
Hinweise zu Ihrer BOSCH Ersatzteilsuche

Beschreibung

Die aufgelisteten BOSCH Ersatzteile sind mit folgendem Gerät und Modell kompatibel:

BOSCH Gerätename:HW-HANDKETTENSA
BOSCH Typennummer:0603220003
alternative Schreibweisen:0 603 220 003, 0603 220 003, 0.603.220.003, 0-603-220-003

Bitte prüfen Sie die Typennummer auf Ihrem Gerät um die Kompatibilität des BOSCH Ersatzteils zu gewährleisten.

Die passenden Ersatzteile des BOSCH HW-HANDKETTENSA (Hw-Handkettensäge) mit der Typennummer 0603220003 finden Sie in der nachfolgenden Darstellung geordnet nach der Positionsnummern aus der Explosionszeichnung:

Pos.
1
BOSCH Zylinderschraube | Ersatzteile für PKE 30 | 1609390251
Hersteller: BOSCH
Artikelnummer: EB-0603220003-1609390251
nur Informationsartikel
Nie mehr lieferbar
keine Alternativen
Pos.
9
BOSCH Rillenkugellager 7x22x7 | Ersatzteile für PKE 30 | 1900905018
Hersteller: BOSCH
Artikelnummer: EB-0603220003-1900905018
Netto: 15,15 € zzgl. MwSt.
zzgl. 6,90 € Versand (brutto)
einmalig pro Bestellung

Lieferzeit: 5 Werktage

Stück
Pos.
2
BOSCH Gehäusedeckel | Ersatzteile für PKE 30 | 1609390252
Hersteller: BOSCH
Artikelnummer: EB-0603220003-1609390252
nur Informationsartikel
Nie mehr lieferbar
keine Alternativen
Pos.
20
BOSCH Unterlegscheibe DIN 125-A 8,4-ST | Ersatzteile für PKE 30 | 2916011016
Hersteller: BOSCH
Artikelnummer: EB-0603220003-2916011016
Netto: 3,60 € zzgl. MwSt.
zzgl. 6,90 € Versand (brutto)
einmalig pro Bestellung

Lieferzeit: 5 Werktage

Stück
Pos.
26
BOSCH Sechskantmutter DIN 934-M8-8-A | Ersatzteile für PKE 30 | 2915011009
Hersteller: BOSCH
Artikelnummer: EB-0603220003-2915011009
Netto: 4,56 € zzgl. MwSt.
zzgl. 6,90 € Versand (brutto)
einmalig pro Bestellung

Lieferzeit: 5 Werktage

Stück
Pos.
3
BOSCH Handgriff | Ersatzteile für PKE 30 | 1609390253
Hersteller: BOSCH
Artikelnummer: EB-0603220003-1609390253
nur Informationsartikel
Nie mehr lieferbar
keine Alternativen
Pos.
4
BOSCH Zylinderschraube | Ersatzteile für PKE 30 | 1609390254
Hersteller: BOSCH
Artikelnummer: EB-0603220003-1609390254
nur Informationsartikel
Nie mehr lieferbar
keine Alternativen
Pos.
5
BOSCH Gehäusehälfte | Ersatzteile für PKE 30 | 1609390255
Hersteller: BOSCH
Artikelnummer: EB-0603220003-1609390255
nur Informationsartikel
Nie mehr lieferbar
keine Alternativen
Pos.
6
BOSCH Gummipuffer | Ersatzteile für PKE 30 | 1609390256
Hersteller: BOSCH
Artikelnummer: EB-0603220003-1609390256
nur Informationsartikel
Nie mehr lieferbar
keine Alternativen
Pos.
7
BOSCH Zylinderschraube | Ersatzteile für PKE 30 | 1609390257
Hersteller: BOSCH
Artikelnummer: EB-0603220003-1609390257
nur Informationsartikel
Nie mehr lieferbar
keine Alternativen
Pos.
8
BOSCH Zylinderschraube | Ersatzteile für PKE 30 | 1609390258
Hersteller: BOSCH
Artikelnummer: EB-0603220003-1609390258
nur Informationsartikel
Nie mehr lieferbar
keine Alternativen
Pos.
10
BOSCH Welle Mit Zahnrad | Ersatzteile für PKE 30 | 1609390259
Hersteller: BOSCH
Artikelnummer: EB-0603220003-1609390259
nur Informationsartikel
Nie mehr lieferbar
keine Alternativen
Pos.
11
BOSCH Lagerbuchse | Ersatzteile für PKE 30 | 1609390260
Hersteller: BOSCH
Artikelnummer: EB-0603220003-1609390260
nur Informationsartikel
Nie mehr lieferbar
keine Alternativen
Pos.
12
BOSCH Getriebegehäuse | Ersatzteile für PKE 30 | 1609390261
Hersteller: BOSCH
Artikelnummer: EB-0603220003-1609390261
nur Informationsartikel
Nie mehr lieferbar
keine Alternativen
Pos.
13
BOSCH Zylinderschraube | Ersatzteile für PKE 30 | 1609390289
Hersteller: BOSCH
Artikelnummer: EB-0603220003-1609390289
nur Informationsartikel
Nie mehr lieferbar
keine Alternativen
Pos.
14
BOSCH Zylinderschraube | Ersatzteile für PKE 30 | 1609390262
Hersteller: BOSCH
Artikelnummer: EB-0603220003-1609390262
nur Informationsartikel
Nie mehr lieferbar
keine Alternativen
Pos.
15
BOSCH Sägekette | Ersatzteile für PKE 30 | 1609390238
Hersteller: BOSCH
Artikelnummer: EB-0603220003-1609390238
nur Informationsartikel
Nie mehr lieferbar
keine Alternativen
Pos.
16
BOSCH Führungsschiene | Ersatzteile für PKE 30 | 1609390239
Hersteller: BOSCH
Artikelnummer: EB-0603220003-1609390239
nur Informationsartikel
Nie mehr lieferbar
keine Alternativen
Pos.
17
BOSCH Verschlusskappe | Ersatzteile für PKE 30 | 1609390265
Hersteller: BOSCH
Artikelnummer: EB-0603220003-1609390265
nur Informationsartikel
Nie mehr lieferbar
keine Alternativen
Pos.
18
BOSCH Ölbehälter | Ersatzteile für PKE 30 | 1609390266
Hersteller: BOSCH
Artikelnummer: EB-0603220003-1609390266
nur Informationsartikel
Nie mehr lieferbar
keine Alternativen
Pos.
19
BOSCH Hw-Handkettensäge | Ersatzteile für PKE 30 | 1609390267
Hersteller: BOSCH
Artikelnummer: EB-0603220003-1609390267
nur Informationsartikel
Nie mehr lieferbar
keine Alternativen
Pos.
21
BOSCH Sechskantmutter | Ersatzteile für PKE 30 | 1609390268
Hersteller: BOSCH
Artikelnummer: EB-0603220003-1609390268
nur Informationsartikel
Nie mehr lieferbar
keine Alternativen
Pos.
23
BOSCH Schleifgeraet | Ersatzteile für PKE 30 | 1609390240
Hersteller: BOSCH
Artikelnummer: EB-0603220003-1609390240
nur Informationsartikel
Nie mehr lieferbar
keine Alternativen
Pos.
23
BOSCH Schleifstift | Ersatzteile für PKE 30 | 1609390448
Hersteller: BOSCH
Artikelnummer: EB-0603220003-1609390448
nur Informationsartikel
Nie mehr lieferbar
keine Alternativen
Pos.
24
BOSCH Schutzhaube | Ersatzteile für PKE 30 | 1609390271
Hersteller: BOSCH
Artikelnummer: EB-0603220003-1609390271
nur Informationsartikel
Nie mehr lieferbar
keine Alternativen
Pos.
25
BOSCH Federring | Ersatzteile für PKE 30 | 2916680009
Hersteller: BOSCH
Artikelnummer: EB-0603220003-2916680009
nur Informationsartikel
Nie mehr lieferbar
keine Alternativen
Pos.
27
BOSCH Gehäusehälfte | Ersatzteile für PKE 30 | 1609390272
Hersteller: BOSCH
Artikelnummer: EB-0603220003-1609390272
nur Informationsartikel
Nie mehr lieferbar
keine Alternativen
Pos.
28
BOSCH Linsenschraube | Ersatzteile für PKE 30 | 2910641048
Hersteller: BOSCH
Artikelnummer: EB-0603220003-2910641048
nur Informationsartikel
Nie mehr lieferbar
keine Alternativen
Pos.
29
BOSCH Kohlebürstensatz | Ersatzteile für PKE 30 | 1609390288
Hersteller: BOSCH
Artikelnummer: EB-0603220003-1609390288
nur Informationsartikel
Nie mehr lieferbar
keine Alternativen
Pos.
30
BOSCH Bürstenhalter | Ersatzteile für PKE 30 | 1609390264
Hersteller: BOSCH
Artikelnummer: EB-0603220003-1609390264
nur Informationsartikel
Nie mehr lieferbar
keine Alternativen
Pos.
31
BOSCH Netzanschlussleitung EU 230V 0,55m 2 x 1,0mm H07 RN-F | Ersatzteile für PKE 30 | 1604460242
Hersteller: BOSCH
Artikelnummer: EB-0603220003-1604460242
Netto: 8,23 € zzgl. MwSt.
zzgl. 6,90 € Versand (brutto)
einmalig pro Bestellung

Lieferzeit: 5 Werktage

Stück
Pos.
32
BOSCH Tülle | Ersatzteile für PKE 30 | 1609390270
Hersteller: BOSCH
Artikelnummer: EB-0603220003-1609390270
nur Informationsartikel
Nie mehr lieferbar
keine Alternativen
Pos.
33
BOSCH Befestigungsschelle | Ersatzteile für PKE 30 | 1609390273
Hersteller: BOSCH
Artikelnummer: EB-0603220003-1609390273
nur Informationsartikel
Nie mehr lieferbar
keine Alternativen
Pos.
35
BOSCH Entstörkondensator | Ersatzteile für PKE 30 | 1609390274
Hersteller: BOSCH
Artikelnummer: EB-0603220003-1609390274
nur Informationsartikel
Nie mehr lieferbar
keine Alternativen
Pos.
36
BOSCH Ein/Aus-Schalter | Ersatzteile für PKE 30 | 1609390275
Hersteller: BOSCH
Artikelnummer: EB-0603220003-1609390275
nur Informationsartikel
Nie mehr lieferbar
keine Alternativen
Pos.
37
BOSCH Polschuh | Ersatzteile für PKE 30 | 1609390276
Hersteller: BOSCH
Artikelnummer: EB-0603220003-1609390276
nur Informationsartikel
Nie mehr lieferbar
keine Alternativen
Pos.
38
BOSCH Haltebügel | Ersatzteile für PKE 30 | 1609390277
Hersteller: BOSCH
Artikelnummer: EB-0603220003-1609390277
nur Informationsartikel
Nie mehr lieferbar
keine Alternativen
Pos.
39
BOSCH Zylinderschraube | Ersatzteile für PKE 30 | 1609390278
Hersteller: BOSCH
Artikelnummer: EB-0603220003-1609390278
nur Informationsartikel
Nie mehr lieferbar
keine Alternativen
Pos.
40
BOSCH Luftleitring | Ersatzteile für PKE 30 | 1609390279
Hersteller: BOSCH
Artikelnummer: EB-0603220003-1609390279
nur Informationsartikel
Nie mehr lieferbar
keine Alternativen
Pos.
41
BOSCH Anker | Ersatzteile für PKE 30 | 1609390280
Hersteller: BOSCH
Artikelnummer: EB-0603220003-1609390280
nur Informationsartikel
Nie mehr lieferbar
keine Alternativen
Pos.
42
BOSCH Rillenkugellager | Ersatzteile für PKE 30 | 1900905120
Hersteller: BOSCH
Artikelnummer: EB-0603220003-1900905120
nur Informationsartikel
Nie mehr lieferbar
keine Alternativen
Pos.
43
BOSCH Senkschraube | Ersatzteile für PKE 30 | 2910771052
Hersteller: BOSCH
Artikelnummer: EB-0603220003-2910771052
nur Informationsartikel
Nie mehr lieferbar
keine Alternativen
Pos.
45
BOSCH Schutzschild | Ersatzteile für PKE 30 | 1609390282
Hersteller: BOSCH
Artikelnummer: EB-0603220003-1609390282
nur Informationsartikel
Nie mehr lieferbar
keine Alternativen
Pos.
48
BOSCH Zylinderschraube | Ersatzteile für PKE 30 | 1609390283
Hersteller: BOSCH
Artikelnummer: EB-0603220003-1609390283
nur Informationsartikel
Nie mehr lieferbar
keine Alternativen
Pos.
49
BOSCH Haltebolzen | Ersatzteile für PKE 30 | 1609390284
Hersteller: BOSCH
Artikelnummer: EB-0603220003-1609390284
nur Informationsartikel
Nie mehr lieferbar
keine Alternativen
Pos.
52
BOSCH Federring | Ersatzteile für PKE 30 | 2916680003
Hersteller: BOSCH
Artikelnummer: EB-0603220003-2916680003
nur Informationsartikel
Nie mehr lieferbar
keine Alternativen
Pos.
60
BOSCH Typschild | Ersatzteile für PKE 30 | 1601110164
Hersteller: BOSCH
Artikelnummer: EB-0603220003-1601110164
nur Informationsartikel
Nie mehr lieferbar
keine Alternativen
Pos.
61
BOSCH Klebeschild | Ersatzteile für PKE 30 | 1601110173
Hersteller: BOSCH
Artikelnummer: EB-0603220003-1601110173
nur Informationsartikel
Nie mehr lieferbar
keine Alternativen
Pos.
62
BOSCH Hinweisschild | Ersatzteile für PKE 30 | 1601110170
Hersteller: BOSCH
Artikelnummer: EB-0603220003-1601110170
nur Informationsartikel
Nie mehr lieferbar
keine Alternativen
Pos.
650
BOSCH Schutzhaube | Ersatzteile für PKE 30 | 1609390449
Hersteller: BOSCH
Artikelnummer: EB-0603220003-1609390449
nur Informationsartikel
Nie mehr lieferbar
keine Alternativen
Pos.
651
BOSCH Einmaulschlüssel | Ersatzteile für PKE 30 | 1907950507
Hersteller: BOSCH
Artikelnummer: EB-0603220003-1907950507
nur Informationsartikel
Nie mehr lieferbar
keine Alternativen
Pos.
652
BOSCH Schraubendreher | Ersatzteile für PKE 30 | 1907959050
Hersteller: BOSCH
Artikelnummer: EB-0603220003-1907959050
nur Informationsartikel
Nie mehr lieferbar
keine Alternativen

Angaben zur Produktsicherheit

Hersteller:
Robert Bosch Power Tools GmbH
Postfach 30 02 20
70442 Stuttgart

E-Mail:
kontakt@bosch.de