BOSCH HWS 5265/125 - 0602324361

Artikelnummer: EB-0602324361

Position:

Marke: BOSCH


Bitte Kompatibilität prüfen!

Bitte prüfen Sie unbedingt die 10-stellige Typennummer Ihrer Maschine / Ihres Gerätes. Das Ersatzteil ist nur kompatibel, wenn Sie die Typennummer Ihrer Maschine in der unten stehenden Produktbeschreibung finden.

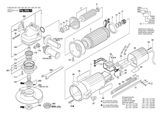
Bitte prüfen Sie ebenfalls detailliert die Explosionszeichnung mit Ihrem Artikelwunsch und der jeweiligen Pos-Nummer.

Alle Elemente, welche vom schwarzen Strich der Pos-Nummer ausgehend berührt / erfasst werden, gehören zu dieser Pos-Nummer und somit zu diesem Artikel. Jede Pos-Nummer ist ein eigenständiger Artikel, welchen Sie in der Auflistung finden.

Sie erhalten stets die aktuellste, neueste Produktversion zu der gewählten Pos-Nummer seitens des Herstellers. Es kann daher je nach Gerätealter vorkommen, dass Sie ggf. weitere, zugehörige Elemente, welche an diese Pos-Nummer grenzen, ebenfalls mittauschen müssen.

Nähere Informationen finden Sie unter dem Link
Hinweise zu Ihrer BOSCH Ersatzteilsuche

Beschreibung

Die aufgelisteten BOSCH Ersatzteile sind mit folgendem Gerät und Modell kompatibel:

BOSCH Gerätename:HWS 5265/125
BOSCH Typennummer:0602324361
alternative Schreibweisen:0 602 324 361, 0602 324 361, 0.602.324.361, 0-602-324-361

Bitte prüfen Sie die Typennummer auf Ihrem Gerät um die Kompatibilität des BOSCH Ersatzteils zu gewährleisten.

Die passenden Ersatzteile des BOSCH HWS 5265/125 (Hf-Winkelschleifer) mit der Typennummer 0602324361 finden Sie in der nachfolgenden Darstellung geordnet nach der Positionsnummern aus der Explosionszeichnung:

Pos.
1
BOSCH Motorgehäuse | Ersatzteile für Hf-Winkelschleifer | 3605102076
Hersteller: BOSCH
Artikelnummer: EB-0602324361-3605102076
Netto: 42,86 € zzgl. MwSt.
zzgl. 6,90 € Versand (brutto)
einmalig pro Bestellung

Lieferzeit: 5 Werktage

Stück
Pos.
891/1
BOSCH Zusatzhandgriff | Ersatzteile für HWS 5265/125 | 1619P16111
Hersteller: BOSCH
Artikelnummer: EB-0602324361-1619P16111
Netto: 4,82 € zzgl. MwSt.
zzgl. 6,90 € Versand (brutto)
einmalig pro Bestellung

Lieferzeit: 14 Werktage

Stück
Pos.
2
BOSCH Ständer 72V/300HZ | Ersatzteile für Hf-Winkelschleifer | 3604229116
Hersteller: BOSCH
Artikelnummer: EB-0602324361-3604229116
nur Informationsartikel
Nie mehr lieferbar
keine Alternativen
Pos.
3
BOSCH Läufer Ohne Wicklung | Ersatzteile für Hf-Winkelschleifer | 3604080053
Hersteller: BOSCH
Artikelnummer: EB-0602324361-3604080053
Netto: 153,18 € zzgl. MwSt.
zzgl. 6,90 € Versand (brutto)
einmalig pro Bestellung

Lieferzeit: 5 Werktage

Stück
Pos.
4
BOSCH Luftleitring | Ersatzteile für Hf-Winkelschleifer | 3600209010
Hersteller: BOSCH
Artikelnummer: EB-0602324361-3600209010
Netto: 14,36 € zzgl. MwSt.
zzgl. 6,90 € Versand (brutto)
einmalig pro Bestellung

Lieferzeit: 5 Werktage

Stück
Pos.
5
BOSCH Dichtring | Ersatzteile für Hf-Winkelschleifer | 1600209006
Hersteller: BOSCH
Artikelnummer: EB-0602324361-1600209006
Netto: 4,82 € zzgl. MwSt.
zzgl. 6,90 € Versand (brutto)
einmalig pro Bestellung

Lieferzeit: 5 Werktage

Stück
Pos.
6
BOSCH Rillenkugellager | Ersatzteile für Hf-Winkelschleifer | 3600905090
Hersteller: BOSCH
Artikelnummer: EB-0602324361-3600905090
Netto: 19,18 € zzgl. MwSt.
zzgl. 6,90 € Versand (brutto)
einmalig pro Bestellung

Lieferzeit: 5 Werktage

Stück
Pos.
7
BOSCH O-Ring 26,0x1,5 MM | Ersatzteile für Hf-Winkelschleifer | 2600210018
Hersteller: BOSCH
Artikelnummer: EB-0602324361-2600210018
Netto: 5,19 € zzgl. MwSt.
zzgl. 6,90 € Versand (brutto)
einmalig pro Bestellung

Lieferzeit: 5 Werktage

Stück
Pos.
8
BOSCH Rillenkugellager | Ersatzteile für Hf-Winkelschleifer | 3608870327
Hersteller: BOSCH
Artikelnummer: EB-0602324361-3608870327
Netto: 11,92 € zzgl. MwSt.
zzgl. 6,90 € Versand (brutto)
einmalig pro Bestellung

Lieferzeit: 5 Werktage

Stück
Pos.
10
BOSCH Klemmbügel | Ersatzteile für Hf-Winkelschleifer | 3601321004
Hersteller: BOSCH
Artikelnummer: EB-0602324361-3601321004
Netto: 4,32 € zzgl. MwSt.
zzgl. 6,90 € Versand (brutto)
einmalig pro Bestellung

Lieferzeit: 5 Werktage

Stück
Pos.
11
BOSCH Federscheibe | Ersatzteile für Hf-Winkelschleifer | 3600150009
Hersteller: BOSCH
Artikelnummer: EB-0602324361-3600150009
Netto: 4,82 € zzgl. MwSt.
zzgl. 6,90 € Versand (brutto)
einmalig pro Bestellung

Lieferzeit: 5 Werktage

Stück
Pos.
12
BOSCH Verbindungsstange | Ersatzteile für Hf-Winkelschleifer | 3602300011
Hersteller: BOSCH
Artikelnummer: EB-0602324361-3602300011
Netto: 14,36 € zzgl. MwSt.
zzgl. 6,90 € Versand (brutto)
einmalig pro Bestellung

Lieferzeit: 5 Werktage

Stück
Pos.
14
BOSCH Sicherungsring DIN 472-26x1,2 MM | Ersatzteile für Hf-Winkelschleifer | 2916660010
Hersteller: BOSCH
Artikelnummer: EB-0602324361-2916660010
Netto: 3,63 € zzgl. MwSt.
zzgl. 6,90 € Versand (brutto)
einmalig pro Bestellung

Lieferzeit: 5 Werktage

Stück
Pos.
15
BOSCH Ausgleichscheibe 19,3 X 25,8 X 0,35 | Ersatzteile für Hf-Winkelschleifer | 3600119016
Hersteller: BOSCH
Artikelnummer: EB-0602324361-3600119016
Netto: 5,19 € zzgl. MwSt.
zzgl. 6,90 € Versand (brutto)
einmalig pro Bestellung

Lieferzeit: 5 Werktage

Stück
Pos.
16
BOSCH O-Ring 18,77x1,78 MM | Ersatzteile für Hf-Winkelschleifer | 3600210082
Hersteller: BOSCH
Artikelnummer: EB-0602324361-3600210082
Netto: 4,32 € zzgl. MwSt.
zzgl. 6,90 € Versand (brutto)
einmalig pro Bestellung

Lieferzeit: 5 Werktage

Stück
Pos.
17
BOSCH Druckfeder | Ersatzteile für Hf-Winkelschleifer | 3604610038
Hersteller: BOSCH
Artikelnummer: EB-0602324361-3604610038
Netto: 5,19 € zzgl. MwSt.
zzgl. 6,90 € Versand (brutto)
einmalig pro Bestellung

Lieferzeit: 5 Werktage

Stück
Pos.
18
BOSCH Zentrierring | Ersatzteile für Hf-Winkelschleifer | 3600203004
Hersteller: BOSCH
Artikelnummer: EB-0602324361-3600203005
nur Informationsartikel
Nie mehr lieferbar
keine Alternativen
Pos.
20
BOSCH Linsenkopfschraube 4x32 | Ersatzteile für Hf-Winkelschleifer | 2603490026
Hersteller: BOSCH
Artikelnummer: EB-0602324361-2603490026
Netto: 3,63 € zzgl. MwSt.
zzgl. 6,90 € Versand (brutto)
einmalig pro Bestellung

Lieferzeit: 5 Werktage

Stück
Pos.
19
BOSCH Blechschraube | Ersatzteile für Hf-Winkelschleifer | 3603435002
Hersteller: BOSCH
Artikelnummer: EB-0602324361-3603435002
Netto: 3,94 € zzgl. MwSt.
zzgl. 6,90 € Versand (brutto)
einmalig pro Bestellung

Lieferzeit: 5 Werktage

Stück
Pos.
23
BOSCH Gewindefurchschraube | Ersatzteile für Hf-Winkelschleifer | 2603435042
Hersteller: BOSCH
Artikelnummer: EB-0602324361-2603435042
Netto: 3,94 € zzgl. MwSt.
zzgl. 6,90 € Versand (brutto)
einmalig pro Bestellung

Lieferzeit: 5 Werktage

Stück
Pos.
57
BOSCH Schaltergriff SCHWARZ | Ersatzteile für Hf-Winkelschleifer | 1602026057
Hersteller: BOSCH
Artikelnummer: EB-0602324361-1602026057
Netto: 3,94 € zzgl. MwSt.
zzgl. 6,90 € Versand (brutto)
einmalig pro Bestellung

Lieferzeit: 5 Werktage

Stück
Pos.
59
BOSCH Tülle Ø6,4-Ø7,2x67 MM | Ersatzteile für Hf-Winkelschleifer | 1600703030
Hersteller: BOSCH
Artikelnummer: EB-0602324361-1600703030
Netto: 4,53 € zzgl. MwSt.
zzgl. 6,90 € Versand (brutto)
einmalig pro Bestellung

Lieferzeit: 5 Werktage

Stück
Pos.
59
BOSCH Tülle Ø7,6-Ø8,2x95 MM | Ersatzteile für Hf-Winkelschleifer | 2600703013
Hersteller: BOSCH
Artikelnummer: EB-0602324361-2600703013
Netto: 4,53 € zzgl. MwSt.
zzgl. 6,90 € Versand (brutto)
einmalig pro Bestellung

Lieferzeit: 5 Werktage

Stück
Pos.
62
BOSCH Torx-Linsenschraube 4x12 | Ersatzteile für Hf-Winkelschleifer | 2603490021
Hersteller: BOSCH
Artikelnummer: EB-0602324361-2603490021
Netto: 3,63 € zzgl. MwSt.
zzgl. 6,90 € Versand (brutto)
einmalig pro Bestellung

Lieferzeit: 5 Werktage

Stück
Pos.
63
BOSCH Befestigungsschelle | Ersatzteile für Hf-Winkelschleifer | 1601302017
Hersteller: BOSCH
Artikelnummer: EB-0602324361-1601302017
Netto: 3,63 € zzgl. MwSt.
zzgl. 6,90 € Versand (brutto)
einmalig pro Bestellung

Lieferzeit: 5 Werktage

Stück
Pos.
65
BOSCH Torx-Linsenschraube 4x20 | Ersatzteile für Hf-Winkelschleifer | 2603490023
Hersteller: BOSCH
Artikelnummer: EB-0602324361-2603490023
Netto: 3,63 € zzgl. MwSt.
zzgl. 6,90 € Versand (brutto)
einmalig pro Bestellung

Lieferzeit: 5 Werktage

Stück
Pos.
69
BOSCH Druckfeder | Ersatzteile für Hf-Winkelschleifer | 1604611026
Hersteller: BOSCH
Artikelnummer: EB-0602324361-1604611026
Netto: 3,63 € zzgl. MwSt.
zzgl. 6,90 € Versand (brutto)
einmalig pro Bestellung

Lieferzeit: 7 Werktage

Stück
Pos.
95
BOSCH Typschild | Ersatzteile für Hf-Winkelschleifer | 3601106054
Hersteller: BOSCH
Artikelnummer: EB-0602324361-3601106054
Netto: 6,15 € zzgl. MwSt.
zzgl. 6,90 € Versand (brutto)
einmalig pro Bestellung

Lieferzeit: 5 Werktage

Stück
Pos.
99
BOSCH Hinweisschild | Ersatzteile für Hf-Winkelschleifer | 3601119236
Hersteller: BOSCH
Artikelnummer: EB-0602324361-3601119236
Netto: 5,19 € zzgl. MwSt.
zzgl. 6,90 € Versand (brutto)
einmalig pro Bestellung

Lieferzeit: 5 Werktage

Stück
Pos.
102
BOSCH Nadelhülse Ø8xØ12x8 MM | Ersatzteile für Hf-Winkelschleifer | 1600910018
Hersteller: BOSCH
Artikelnummer: EB-0602324361-1600910018
Netto: 6,15 € zzgl. MwSt.
zzgl. 6,90 € Versand (brutto)
einmalig pro Bestellung

Lieferzeit: 5 Werktage

Stück
Pos.
103
BOSCH Rillenkugellager | Ersatzteile für Hf-Winkelschleifer | 3600905069
Hersteller: BOSCH
Artikelnummer: EB-0602324361-3600905069
Netto: 14,36 € zzgl. MwSt.
zzgl. 6,90 € Versand (brutto)
einmalig pro Bestellung

Lieferzeit: 5 Werktage

Stück
Pos.
104
BOSCH Schleifspindel | Ersatzteile für Hf-Winkelschleifer | 1607000D6A
Hersteller: BOSCH
Artikelnummer: EB-0602324361-1607000D6A
Netto: 7,76 € zzgl. MwSt.
zzgl. 6,90 € Versand (brutto)
einmalig pro Bestellung

Lieferzeit: 5 Werktage

Stück
Pos.
104
BOSCH Schleifspindel M14, SW17 | Ersatzteile für Hf-Winkelschleifer | 1603523110
Hersteller: BOSCH
Artikelnummer: EB-0602324361-1603523110
Netto: 6,95 € zzgl. MwSt.
zzgl. 6,90 € Versand (brutto)
einmalig pro Bestellung

Lieferzeit: 5 Werktage

Stück
Pos.
107
BOSCH Sicherungsbügel DIN 472-32x1,2 MM | Ersatzteile für Hf-Winkelschleifer | 2916660013
Hersteller: BOSCH
Artikelnummer: EB-0602324361-2916660013
Netto: 4,32 € zzgl. MwSt.
zzgl. 6,90 € Versand (brutto)
einmalig pro Bestellung

Lieferzeit: 5 Werktage

Stück
Pos.
108
BOSCH Ausgleichscheibe 0,1 MM DICK | Ersatzteile für Hf-Winkelschleifer | 1600136012
Hersteller: BOSCH
Artikelnummer: EB-0602324361-1600136012
Netto: 3,63 € zzgl. MwSt.
zzgl. 6,90 € Versand (brutto)
einmalig pro Bestellung

Lieferzeit: 5 Werktage

Stück
Pos.
108
BOSCH Ausgleichscheibe 0,2 MM DICK | Ersatzteile für Hf-Winkelschleifer | 1600136010
Hersteller: BOSCH
Artikelnummer: EB-0602324361-1600136010
Netto: 4,53 € zzgl. MwSt.
zzgl. 6,90 € Versand (brutto)
einmalig pro Bestellung

Lieferzeit: 5 Werktage

Stück
Pos.
108
BOSCH Ausgleichscheibe 0,3 MM DICK | Ersatzteile für Hf-Winkelschleifer | 1600136011
Hersteller: BOSCH
Artikelnummer: EB-0602324361-1600136011
Netto: 4,32 € zzgl. MwSt.
zzgl. 6,90 € Versand (brutto)
einmalig pro Bestellung

Lieferzeit: 5 Werktage

Stück
Pos.
111
BOSCH Gewindefurchschraube DIN 7500-TM4x12 | Ersatzteile für Hf-Winkelschleifer | 2914471401
Hersteller: BOSCH
Artikelnummer: EB-0602324361-2914471401
Netto: 3,94 € zzgl. MwSt.
zzgl. 6,90 € Versand (brutto)
einmalig pro Bestellung

Lieferzeit: 5 Werktage

Stück
Pos.
118
BOSCH Sechskantmutter M7, SW10 | Ersatzteile für Hf-Winkelschleifer | 1603300016
Hersteller: BOSCH
Artikelnummer: EB-0602324361-1603300016
Netto: 3,94 € zzgl. MwSt.
zzgl. 6,90 € Versand (brutto)
einmalig pro Bestellung

Lieferzeit: 5 Werktage

Stück
Pos.
119
BOSCH O-Ring 46,0x1,1 MM ROT | Ersatzteile für Hf-Winkelschleifer | 3600210124
Hersteller: BOSCH
Artikelnummer: EB-0602324361-3600210124
Netto: 4,82 € zzgl. MwSt.
zzgl. 6,90 € Versand (brutto)
einmalig pro Bestellung

Lieferzeit: 5 Werktage

Stück
Pos.
818
BOSCH Flachkopfschraube DIN 85-AM3x6-CUZN | Ersatzteile für Hf-Winkelschleifer | 2910110048
Hersteller: BOSCH
Artikelnummer: EB-0602324361-2910110048
Netto: 3,63 € zzgl. MwSt.
zzgl. 6,90 € Versand (brutto)
einmalig pro Bestellung

Lieferzeit: 5 Werktage

Stück
Pos.
820
BOSCH Druckknopf SCHWARZ | Ersatzteile für Hf-Winkelschleifer | 1607000253
Hersteller: BOSCH
Artikelnummer: EB-0602324361-1607000253
Netto: 4,32 € zzgl. MwSt.
zzgl. 6,90 € Versand (brutto)
einmalig pro Bestellung

Lieferzeit: 5 Werktage

Stück
Pos.
890
BOSCH O-Ring 20,35x1,78 MM | Ersatzteile für Hf-Winkelschleifer | 1600210039
Hersteller: BOSCH
Artikelnummer: EB-0602324361-1600210039
Netto: 4,32 € zzgl. MwSt.
zzgl. 6,90 € Versand (brutto)
einmalig pro Bestellung

Lieferzeit: 5 Werktage

Stück
Pos.
891
BOSCH Zusatzhandgriff M10, Ø37x115 MM ANTIVIBRATION | Ersatzteile für Hf-Winkelschleifer | 1602025031
Hersteller: BOSCH
Artikelnummer: EB-0602324361-1602025031
Netto: 14,92 € zzgl. MwSt.
zzgl. 6,90 € Versand (brutto)
einmalig pro Bestellung

Lieferzeit: 5 Werktage

Stück
Pos.
891/1
BOSCH Zusatzhandgriff M10, Ø32,5x105 MM | Ersatzteile für Hf-Winkelschleifer | 2602025067
Hersteller: BOSCH
Artikelnummer: EB-0602324361-2602025067
nur Informationsartikel
Nie mehr lieferbar
keine Alternativen
Pos.
892
BOSCH Rundmutter M14 | Ersatzteile für Hf-Winkelschleifer | 1603345043
Hersteller: BOSCH
Artikelnummer: EB-0602324361-1603345043
Netto: 8,33 € zzgl. MwSt.
zzgl. 6,90 € Versand (brutto)
einmalig pro Bestellung

Lieferzeit: 5 Werktage

Stück
Pos.
893
BOSCH Zweilochmutterndreher | Ersatzteile für Hf-Winkelschleifer | 1607950052
Hersteller: BOSCH
Artikelnummer: EB-0602324361-1607950052
Netto: 5,19 € zzgl. MwSt.
zzgl. 6,90 € Versand (brutto)
einmalig pro Bestellung

Lieferzeit: 5 Werktage

Stück
Pos.
56
BOSCH Schalter | Ersatzteile für Hf-Winkelschleifer | 3607200024
Hersteller: BOSCH
Artikelnummer: EB-0602324361-3607200024
Netto: 21,16 € zzgl. MwSt.
zzgl. 6,90 € Versand (brutto)
einmalig pro Bestellung

Lieferzeit: 5 Werktage

Stück
Pos.
895
BOSCH Aufspannflansch Ø22,3xØ42 MM | Ersatzteile für Hf-Winkelschleifer | 2605703014
Hersteller: BOSCH
Artikelnummer: EB-0602324361-2605703014
nur Informationsartikel
Nie mehr lieferbar
keine Alternativen
Pos.
58
BOSCH Schalterabdeckung | Ersatzteile für Hf-Winkelschleifer | 3600508035
Hersteller: BOSCH
Artikelnummer: EB-0602324361-3600508035
Netto: 12,98 € zzgl. MwSt.
zzgl. 6,90 € Versand (brutto)
einmalig pro Bestellung

Lieferzeit: 5 Werktage

Stück
Pos.
896
BOSCH Schnellspannmutter M14 | Ersatzteile für Hf-Winkelschleifer | 1603340031
Hersteller: BOSCH
Artikelnummer: EB-0602324361-1603340031
Netto: 44,79 € zzgl. MwSt.
zzgl. 6,90 € Versand (brutto)
einmalig pro Bestellung

Lieferzeit: 5 Werktage

Stück
Pos.
60
BOSCH Elktr Leitg M Anschluss | Ersatzteile für Hf-Winkelschleifer | 3604422066
Hersteller: BOSCH
Artikelnummer: EB-0602324361-3604422066
Netto: 47,09 € zzgl. MwSt.
zzgl. 6,90 € Versand (brutto)
einmalig pro Bestellung

Lieferzeit: 5 Werktage

Stück
Pos.
68
BOSCH Verstellschieber | Ersatzteile für Hf-Winkelschleifer | 3602319014
Hersteller: BOSCH
Artikelnummer: EB-0602324361-3602319014
Netto: 6,15 € zzgl. MwSt.
zzgl. 6,90 € Versand (brutto)
einmalig pro Bestellung

Lieferzeit: 5 Werktage

Stück
Pos.
96
BOSCH Firmenschild | Ersatzteile für Hf-Winkelschleifer | 3601110246
Hersteller: BOSCH
Artikelnummer: EB-0602324361-3601110246
Netto: 5,19 € zzgl. MwSt.
zzgl. 6,90 € Versand (brutto)
einmalig pro Bestellung

Lieferzeit: 5 Werktage

Stück
Pos.
115
BOSCH Tellerrad Z=35 | Ersatzteile für Hf-Winkelschleifer | 3606334087
Hersteller: BOSCH
Artikelnummer: EB-0602324361-3606334087
Netto: 106,72 € zzgl. MwSt.
zzgl. 6,90 € Versand (brutto)
einmalig pro Bestellung

Lieferzeit: 5 Werktage

Stück
Pos.
116
BOSCH Kegelrad | Ersatzteile für Hf-Winkelschleifer | 3606333058
Hersteller: BOSCH
Artikelnummer: EB-0602324361-3606333058
Netto: 63,99 € zzgl. MwSt.
zzgl. 6,90 € Versand (brutto)
einmalig pro Bestellung

Lieferzeit: 5 Werktage

Stück
Pos.
800
BOSCH Getriebegehaeuse | Ersatzteile für Hf-Winkelschleifer | 3607030251
Hersteller: BOSCH
Artikelnummer: EB-0602324361-3607030251
Netto: 96,32 € zzgl. MwSt.
zzgl. 6,90 € Versand (brutto)
einmalig pro Bestellung

Lieferzeit: 5 Werktage

Stück
Pos.
801
BOSCH Lagerflansch | Ersatzteile für Hf-Winkelschleifer | 3607030252
Hersteller: BOSCH
Artikelnummer: EB-0602324361-3607030252
Netto: 96,32 € zzgl. MwSt.
zzgl. 6,90 € Versand (brutto)
einmalig pro Bestellung

Lieferzeit: 5 Werktage

Stück
Pos.
891
BOSCH Zusatzhandgriff | Ersatzteile für HWS 5265/125 | 16020250A0
Hersteller: BOSCH
Artikelnummer: EB-0602324361-16020250A0
Netto: 9,95 € zzgl. MwSt.
zzgl. 6,90 € Versand (brutto)
einmalig pro Bestellung

Lieferzeit: 5 Werktage

Stück
Pos.
894
BOSCH Schutzhaube Ø 125 MM ALT | Ersatzteile für Hf-Winkelschleifer | 1605510155
Hersteller: BOSCH
Artikelnummer: EB-0602324361-1605510155
Netto: 42,86 € zzgl. MwSt.
zzgl. 6,90 € Versand (brutto)
einmalig pro Bestellung

Lieferzeit: 5 Werktage

Stück

Angaben zur Produktsicherheit

Hersteller:
Robert Bosch Power Tools GmbH
Postfach 30 02 20
70442 Stuttgart

E-Mail:
kontakt@bosch.de