BOSCH PEX 420 AE - 0603298603

Artikelnummer: EB-0603298603

Position:

Marke: BOSCH


Bitte Kompatibilität prüfen!

Bitte prüfen Sie unbedingt die 10-stellige Typennummer Ihrer Maschine / Ihres Gerätes. Das Ersatzteil ist nur kompatibel, wenn Sie die Typennummer Ihrer Maschine in der unten stehenden Produktbeschreibung finden.

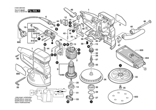
Bitte prüfen Sie ebenfalls detailliert die Explosionszeichnung mit Ihrem Artikelwunsch und der jeweiligen Pos-Nummer.

Alle Elemente, welche vom schwarzen Strich der Pos-Nummer ausgehend berührt / erfasst werden, gehören zu dieser Pos-Nummer und somit zu diesem Artikel. Jede Pos-Nummer ist ein eigenständiger Artikel, welchen Sie in der Auflistung finden.

Sie erhalten stets die aktuellste, neueste Produktversion zu der gewählten Pos-Nummer seitens des Herstellers. Es kann daher je nach Gerätealter vorkommen, dass Sie ggf. weitere, zugehörige Elemente, welche an diese Pos-Nummer grenzen, ebenfalls mittauschen müssen.

Nähere Informationen finden Sie unter dem Link
Hinweise zu Ihrer BOSCH Ersatzteilsuche

Beschreibung

Die aufgelisteten BOSCH Ersatzteile sind mit folgendem Gerät und Modell kompatibel:

BOSCH Gerätename:PEX 420 AE
BOSCH Typennummer:0603298603
alternative Schreibweisen:0 603 298 603, 0603 298 603, 0.603.298.603, 0-603-298-603

Bitte prüfen Sie die Typennummer auf Ihrem Gerät um die Kompatibilität des BOSCH Ersatzteils zu gewährleisten.

Die passenden Ersatzteile des BOSCH PEX 420 AE (Exzenterschleifer) mit der Typennummer 0603298603 finden Sie in der nachfolgenden Darstellung geordnet nach der Positionsnummern aus der Explosionszeichnung:

Pos.
1
BOSCH Gehäuseschale GRUEN | Ersatzteile für PEX 420 AE | 2605104388
Hersteller: BOSCH
Artikelnummer: EB-0603298603-2605104388
nur Informationsartikel
Nie mehr lieferbar
keine Alternativen
Pos.
2
BOSCH Polschuh 230-240V | Ersatzteile für PEX 420 AE | 2604220526
Hersteller: BOSCH
Artikelnummer: EB-0603298603-2604220526
Netto: 19,18 € zzgl. MwSt.
zzgl. 6,90 € Versand (brutto)
einmalig pro Bestellung

Lieferzeit: 5 Werktage

Stück
Pos.
3
BOSCH Anker 230V | Ersatzteile für PEX 420 AE | 2604010881
Hersteller: BOSCH
Artikelnummer: EB-0603298603-2604010881
nur Informationsartikel
Nie mehr lieferbar
keine Alternativen
Pos.
3/60
BOSCH Lüfter | Ersatzteile für PEX 420 AE | 2606610055
Hersteller: BOSCH
Artikelnummer: EB-0603298603-2606610055
Netto: 5,67 € zzgl. MwSt.
zzgl. 6,90 € Versand (brutto)
einmalig pro Bestellung

Lieferzeit: 5 Werktage

Stück
Pos.
4
BOSCH Schalter | Ersatzteile für PEX 420 AE | 2607200260
Hersteller: BOSCH
Artikelnummer: EB-0603298603-2607200260
Netto: 9,18 € zzgl. MwSt.
zzgl. 6,90 € Versand (brutto)
einmalig pro Bestellung

Lieferzeit: 5 Werktage

Stück
Pos.
6
BOSCH Tülle Ø6,4-Ø7,2x76 MM | Ersatzteile für PEX 420 AE | 2600703017
Hersteller: BOSCH
Artikelnummer: EB-0603298603-2600703017
Netto: 4,53 € zzgl. MwSt.
zzgl. 6,90 € Versand (brutto)
einmalig pro Bestellung

Lieferzeit: 5 Werktage

Stück
Pos.
7
BOSCH Leitungshalter | Ersatzteile für PEX 420 AE | 2601035004
Hersteller: BOSCH
Artikelnummer: EB-0603298603-2601035004
Netto: 4,32 € zzgl. MwSt.
zzgl. 6,90 € Versand (brutto)
einmalig pro Bestellung

Lieferzeit: 5 Werktage

Stück
Pos.
9
BOSCH Firmenschild | Ersatzteile für PEX 420 AE | 2601117751
Hersteller: BOSCH
Artikelnummer: EB-0603298603-2601117751
nur Informationsartikel
Nie mehr lieferbar
keine Alternativen
Pos.
12
BOSCH Entstörfilter | Ersatzteile für PEX 420 AE | 1607328028
Hersteller: BOSCH
Artikelnummer: EB-0603298603-1607328028
Netto: 6,15 € zzgl. MwSt.
zzgl. 6,90 € Versand (brutto)
einmalig pro Bestellung

Lieferzeit: 5 Werktage

Stück
Pos.
13
BOSCH Nadelhülse | Ersatzteile für PEX 420 AE | 2600917002
Hersteller: BOSCH
Artikelnummer: EB-0603298603-2600917002
Netto: 5,19 € zzgl. MwSt.
zzgl. 6,90 € Versand (brutto)
einmalig pro Bestellung

Lieferzeit: 5 Werktage

Stück
Pos.
14
BOSCH Rillenkugellager | Ersatzteile für PEX 420 AE | 2600905034
Hersteller: BOSCH
Artikelnummer: EB-0603298603-2600905034
Netto: 11,92 € zzgl. MwSt.
zzgl. 6,90 € Versand (brutto)
einmalig pro Bestellung

Lieferzeit: 7 Werktage

Stück
Pos.
16
BOSCH Bürstenplatte | Ersatzteile für PEX 420 AE | 2604337118
Hersteller: BOSCH
Artikelnummer: EB-0603298603-2604337118
nur Informationsartikel
Nie mehr lieferbar
keine Alternativen
Pos.
18
BOSCH Zylinderschraube M3x6,5-4.8 | Ersatzteile für PEX 420 AE | 2603410001
Hersteller: BOSCH
Artikelnummer: EB-0603298603-2603410001
Netto: 3,94 € zzgl. MwSt.
zzgl. 6,90 € Versand (brutto)
einmalig pro Bestellung

Lieferzeit: 5 Werktage

Stück
Pos.
19
BOSCH Torx-Linsenschraube 4x12 | Ersatzteile für PEX 420 AE | 2603490021
Hersteller: BOSCH
Artikelnummer: EB-0603298603-2603490021
Netto: 3,63 € zzgl. MwSt.
zzgl. 6,90 € Versand (brutto)
einmalig pro Bestellung

Lieferzeit: 5 Werktage

Stück
Pos.
25
BOSCH Unterlegscheibe DIN 315-M8-GT-C | Ersatzteile für PEX 420 AE | 2600100041
Hersteller: BOSCH
Artikelnummer: EB-0603298603-2600100041
Netto: 3,94 € zzgl. MwSt.
zzgl. 6,90 € Versand (brutto)
einmalig pro Bestellung

Lieferzeit: 5 Werktage

Stück
Pos.
26
BOSCH Lüfter | Ersatzteile für PEX 420 AE | 2606610066
Hersteller: BOSCH
Artikelnummer: EB-0603298603-2606610066
nur Informationsartikel
Nie mehr lieferbar
keine Alternativen
Pos.
27
BOSCH Mitnehmer | Ersatzteile für PEX 420 AE | 2606490053
Hersteller: BOSCH
Artikelnummer: EB-0603298603-2606490053
nur Informationsartikel
Nie mehr lieferbar
keine Alternativen
Pos.
28
BOSCH Ausgleichscheibe 0,1 MM | Ersatzteile für PEX 420 AE | 2600000022
Hersteller: BOSCH
Artikelnummer: EB-0603298603-2600000022
Netto: 3,63 € zzgl. MwSt.
zzgl. 6,90 € Versand (brutto)
einmalig pro Bestellung

Lieferzeit: 5 Werktage

Stück
Pos.
28
BOSCH Ausgleichscheibe 0,5 MM | Ersatzteile für PEX 420 AE | 2600000024
Hersteller: BOSCH
Artikelnummer: EB-0603298603-2600000024
Netto: 3,63 € zzgl. MwSt.
zzgl. 6,90 € Versand (brutto)
einmalig pro Bestellung

Lieferzeit: 5 Werktage

Stück
Pos.
29
BOSCH Sicherungsring | Ersatzteile für PEX 420 AE | 2600116014
Hersteller: BOSCH
Artikelnummer: EB-0603298603-2600116014
Netto: 3,63 € zzgl. MwSt.
zzgl. 6,90 € Versand (brutto)
einmalig pro Bestellung

Lieferzeit: 5 Werktage

Stück
Pos.
30
BOSCH Rillenkugellager 15x35x11 | Ersatzteile für PEX 420 AE | 2600905111
Hersteller: BOSCH
Artikelnummer: EB-0603298603-2600905111
nur Informationsartikel
Nie mehr lieferbar
keine Alternativen
Pos.
32
BOSCH Kugel DIN 5401-4 MM-III-ST | Ersatzteile für PEX 420 AE | 1903230007
Hersteller: BOSCH
Artikelnummer: EB-0603298603-1903230007
Netto: 3,94 € zzgl. MwSt.
zzgl. 6,90 € Versand (brutto)
einmalig pro Bestellung

Lieferzeit: 5 Werktage

Stück
Pos.
33
BOSCH Stützteller Ø 150 MM | Ersatzteile für PEX 420 AE | 2608601049
Hersteller: BOSCH
Artikelnummer: EB-0603298603-2608601049
nur Informationsartikel
Nie mehr lieferbar
keine Alternativen
Pos.
35
BOSCH Innensechskantschraube DIN 7984-M8x12-8.8 | Ersatzteile für PEX 420 AE | 2910130238
Hersteller: BOSCH
Artikelnummer: EB-0603298603-2910130238
Netto: 3,63 € zzgl. MwSt.
zzgl. 6,90 € Versand (brutto)
einmalig pro Bestellung

Lieferzeit: 5 Werktage

Stück
Pos.
36
BOSCH Gummipuffer | Ersatzteile für PEX 420 AE | 1603100036
Hersteller: BOSCH
Artikelnummer: EB-0603298603-1603100036
Netto: 3,94 € zzgl. MwSt.
zzgl. 6,90 € Versand (brutto)
einmalig pro Bestellung

Lieferzeit: 5 Werktage

Stück
Pos.
40
BOSCH Dämmplatte | Ersatzteile für PEX 420 AE | 2601022000
Hersteller: BOSCH
Artikelnummer: EB-0603298603-2601022000
nur Informationsartikel
Nie mehr lieferbar
keine Alternativen
Pos.
28
BOSCH Ausgleichscheibe 0,2 MM | Ersatzteile für PEX 420 AE | 2600000023
Hersteller: BOSCH
Artikelnummer: EB-0603298603-2600000025
nur Informationsartikel
Nie mehr lieferbar
keine Alternativen
Pos.
28
BOSCH Ausgleichscheibe 1,0 MM | Ersatzteile für PEX 420 AE | 2600000025
Hersteller: BOSCH
Artikelnummer: EB-0603298603-2600000025
nur Informationsartikel
Nie mehr lieferbar
keine Alternativen
Pos.
42
BOSCH Verbindungsleitung | Ersatzteile für PEX 420 AE | 2604448166
Hersteller: BOSCH
Artikelnummer: EB-0603298603-2604448166
nur Informationsartikel
Nie mehr lieferbar
keine Alternativen
Pos.
43
BOSCH Torx-Linsenschraube 4x20 | Ersatzteile für PEX 420 AE | 2603490023
Hersteller: BOSCH
Artikelnummer: EB-0603298603-2603490023
Netto: 3,63 € zzgl. MwSt.
zzgl. 6,90 € Versand (brutto)
einmalig pro Bestellung

Lieferzeit: 5 Werktage

Stück
Pos.
44
BOSCH Dichtstreifen | Ersatzteile für PEX 420 AE | 2602380003
Hersteller: BOSCH
Artikelnummer: EB-0603298603-2602380003
nur Informationsartikel
Nie mehr lieferbar
keine Alternativen
Pos.
45
BOSCH Handgriff SCHWARZ | Ersatzteile für PEX 420 AE | 2602025068
Hersteller: BOSCH
Artikelnummer: EB-0603298603-2602025068
nur Informationsartikel
Nie mehr lieferbar
keine Alternativen
Pos.
46
BOSCH Flachrundschraube DIN 603-M6x110 | Ersatzteile für PEX 420 AE | 2910285226
Hersteller: BOSCH
Artikelnummer: EB-0603298603-2910285226
Netto: 3,94 € zzgl. MwSt.
zzgl. 6,90 € Versand (brutto)
einmalig pro Bestellung

Lieferzeit: 5 Werktage

Stück
Pos.
47
BOSCH Flügelmutter M6 | Ersatzteile für PEX 420 AE | 1603339006
Hersteller: BOSCH
Artikelnummer: EB-0603298603-1603339006
nur Informationsartikel
Nie mehr lieferbar
keine Alternativen
Pos.
48
BOSCH Schieber | Ersatzteile für PEX 420 AE | 2608005043
Hersteller: BOSCH
Artikelnummer: EB-0603298603-2608005043
Netto: 3,63 € zzgl. MwSt.
zzgl. 6,90 € Versand (brutto)
einmalig pro Bestellung

Lieferzeit: 5 Werktage

Stück
Pos.
50
BOSCH Innensechskantschlüssel 5 MM | Ersatzteile für PEX 420 AE | 2610364015
Hersteller: BOSCH
Artikelnummer: EB-0603298603-2610364015
Netto: 5,19 € zzgl. MwSt.
zzgl. 6,90 € Versand (brutto)
einmalig pro Bestellung

Lieferzeit: 5 Werktage

Stück
Pos.
50
BOSCH Winkelschraubendreher DIN 911-SW5 SCHWARZ | Ersatzteile für PEX 420 AE | 1907950006
Hersteller: BOSCH
Artikelnummer: EB-0603298603-1907950006
Netto: 5,67 € zzgl. MwSt.
zzgl. 6,90 € Versand (brutto)
einmalig pro Bestellung

Lieferzeit: 5 Werktage

Stück
Pos.
51
BOSCH Zahnriemenrad Z=18 | Ersatzteile für PEX 420 AE | 2606625014
Hersteller: BOSCH
Artikelnummer: EB-0603298603-2606625014
nur Informationsartikel
Nie mehr lieferbar
keine Alternativen
Pos.
52
BOSCH Zahnriemenrad Z=30 | Ersatzteile für PEX 420 AE | 2606625015
Hersteller: BOSCH
Artikelnummer: EB-0603298603-2606625015
nur Informationsartikel
Nie mehr lieferbar
keine Alternativen
Pos.
53
BOSCH Zahnriemen | Ersatzteile für PEX 420 AE | 2604736009
Hersteller: BOSCH
Artikelnummer: EB-0603298603-2604736009
Netto: 8,33 € zzgl. MwSt.
zzgl. 6,90 € Versand (brutto)
einmalig pro Bestellung

Lieferzeit: 5 Werktage

Stück
Pos.
55
BOSCH Rillenkugellager | Ersatzteile für PEX 420 AE | 2600923002
Hersteller: BOSCH
Artikelnummer: EB-0603298603-2600923002
nur Informationsartikel
Nie mehr lieferbar
keine Alternativen
Pos.
56
BOSCH Drehzahlregler 230-240V | Ersatzteile für PEX 420 AE | 2608300008
Hersteller: BOSCH
Artikelnummer: EB-0603298603-2608300008
nur Informationsartikel
Nie mehr lieferbar
keine Alternativen
Pos.
57
BOSCH Abtriebswelle | Ersatzteile für PEX 420 AE | 2603124116
Hersteller: BOSCH
Artikelnummer: EB-0603298603-2603124116
nur Informationsartikel
Nie mehr lieferbar
keine Alternativen
Pos.
58
BOSCH Hebel | Ersatzteile für PEX 420 AE | 2601901006
Hersteller: BOSCH
Artikelnummer: EB-0603298603-2601901006
nur Informationsartikel
Nie mehr lieferbar
keine Alternativen
Pos.
59
BOSCH Druckfeder | Ersatzteile für PEX 420 AE | 2604610032
Hersteller: BOSCH
Artikelnummer: EB-0603298603-2604610032
nur Informationsartikel
Nie mehr lieferbar
keine Alternativen
Pos.
60
BOSCH Schraube 4x16 | Ersatzteile für PEX 420 AE | 2603490022
Hersteller: BOSCH
Artikelnummer: EB-0603298603-2603490022
Netto: 3,63 € zzgl. MwSt.
zzgl. 6,90 € Versand (brutto)
einmalig pro Bestellung

Lieferzeit: 5 Werktage

Stück
Pos.
653
BOSCH Schleifblattsatz 3 STUECK | Ersatzteile für PEX 420 AE | 2608604098
Hersteller: BOSCH
Artikelnummer: EB-0603298603-2608604098
nur Informationsartikel
Nie mehr lieferbar
keine Alternativen
Pos.
655
BOSCH Adapter | Ersatzteile für PEX 420 AE | 2605702039
Hersteller: BOSCH
Artikelnummer: EB-0603298603-2605702039
Netto: 5,19 € zzgl. MwSt.
zzgl. 6,90 € Versand (brutto)
einmalig pro Bestellung

Lieferzeit: 5 Werktage

Stück
Pos.
805
BOSCH Netzanschlussleitung EU 2,65m 2 x 1,0mm H05 RN-F | Ersatzteile für PEX 420 AE | 1607000388
Hersteller: BOSCH
Artikelnummer: EB-0603298603-1607000388
Netto: 10,92 € zzgl. MwSt.
zzgl. 6,90 € Versand (brutto)
einmalig pro Bestellung

Lieferzeit: 5 Werktage

Stück
Pos.
808
BOSCH Typschild | Ersatzteile für PEX 420 AE | 2601117755
Hersteller: BOSCH
Artikelnummer: EB-0603298603-2601117755
nur Informationsartikel
Nie mehr lieferbar
keine Alternativen
Pos.
816/04
BOSCH Kohlebürstensatz | Ersatzteile für PEX 420 AE | 2604321917
Hersteller: BOSCH
Artikelnummer: EB-0603298603-2604321917
nur Informationsartikel
Nie mehr lieferbar
keine Alternativen
Pos.
816/05
BOSCH Druckfeder | Ersatzteile für PEX 420 AE | 2604610026
Hersteller: BOSCH
Artikelnummer: EB-0603298603-2604610026
Netto: 4,53 € zzgl. MwSt.
zzgl. 6,90 € Versand (brutto)
einmalig pro Bestellung

Lieferzeit: 5 Werktage

Packung
Pos.
816/06
BOSCH Rastkappe | Ersatzteile für PEX 420 AE | 2601329051
Hersteller: BOSCH
Artikelnummer: EB-0603298603-2601329051
Netto: 3,94 € zzgl. MwSt.
zzgl. 6,90 € Versand (brutto)
einmalig pro Bestellung

Lieferzeit: 5 Werktage

Stück
Pos.
816/06/1
BOSCH Rastkappe | Ersatzteile für PEX 420 AE | 2601322013
Hersteller: BOSCH
Artikelnummer: EB-0603298603-2601322013
Netto: 3,94 € zzgl. MwSt.
zzgl. 6,90 € Versand (brutto)
einmalig pro Bestellung

Lieferzeit: 5 Werktage

Stück
Pos.
654
BOSCH Staubkasten | Ersatzteile für PEX 420 AE | 2605411129
Hersteller: BOSCH
Artikelnummer: EB-0603298603-2605411129
Netto: 11,92 € zzgl. MwSt.
zzgl. 6,90 € Versand (brutto)
einmalig pro Bestellung

Lieferzeit: 5 Werktage

Stück

Angaben zur Produktsicherheit

Hersteller:
Robert Bosch Power Tools GmbH
Postfach 30 02 20
70442 Stuttgart

E-Mail:
kontakt@bosch.de