BOSCH Heizkörper | Ersatzteile für PHG 500 | 1609201501

Artikelnummer: EB-0603268003-1609201501

Position: 36

Marke: BOSCH


Bitte Kompatibilität prüfen!

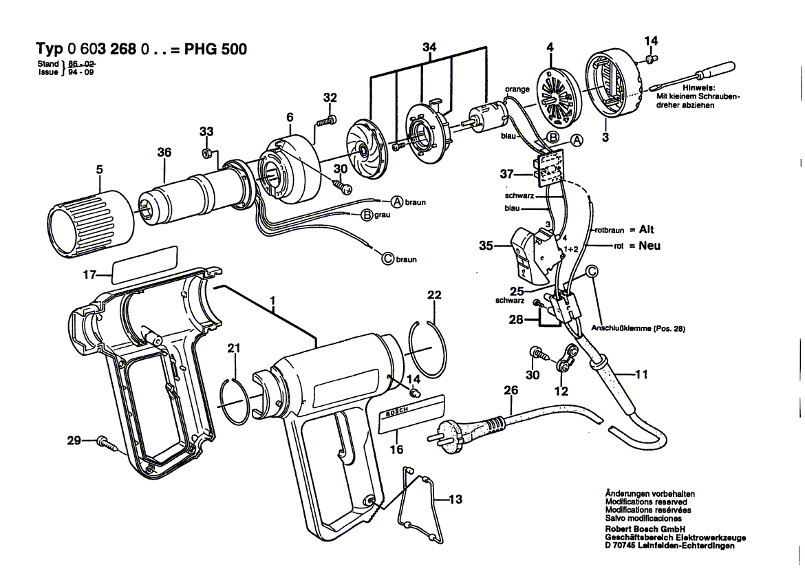
Bitte prüfen Sie unbedingt die 10-stellige Typennummer Ihrer Maschine / Ihres Gerätes. Das Ersatzteil ist nur kompatibel, wenn Sie die Typennummer Ihrer Maschine in der unten stehenden Produktbeschreibung finden.

Bitte prüfen Sie ebenfalls detailliert die Explosionszeichnung mit Ihrem Artikelwunsch und der jeweiligen Pos-Nummer.

Alle Elemente, welche vom schwarzen Strich der Pos-Nummer ausgehend berührt / erfasst werden, gehören zu dieser Pos-Nummer und somit zu diesem Artikel. Jede Pos-Nummer ist ein eigenständiger Artikel, welchen Sie in der Auflistung finden.

Sie erhalten stets die aktuellste, neueste Produktversion zu der gewählten Pos-Nummer seitens des Herstellers. Es kann daher je nach Gerätealter vorkommen, dass Sie ggf. weitere, zugehörige Elemente, welche an diese Pos-Nummer grenzen, ebenfalls mittauschen müssen.

Nähere Informationen finden Sie unter dem Link
Hinweise zu Ihrer BOSCH Ersatzteilsuche
Leider wird dieses Ersatzteil seitens des Herstellers nicht mehr und nie wieder hergestellt.

Es gibt somit leider keine Alternative oder Ersatz, da dieser ansonsten hier gelistet / genannt wäre.

Bitte prüfen Sie alternativ ggf. auch Gebrauchtwarenmärkte und Kleinanzeigenplattformen.

Beschreibung

  • Heizkörper
  • Original Bosch Zubehör / BOSCH Ersatzteil (1609201501)
  • im Gerät verbaut: 1
Dieses BOSCH Ersatzteil ist mit folgendem Gerät und Modell kompatibel:
  • BOSCH Gerätename: PHG 500
  • BOSCH Explosionszeichnung: Position 36
  • BOSCH Typennummer: 0603268003
  • BOSCH Typennummer alternative Schreibweisen: 0 603 268 003, 0603 268 003, 0.603.268.003, 0-603-268-003
    Bitte prüfen Sie diese Typennummer auf Ihrem Gerät um die Kompatibilität des BOSCH Ersatzteils zu gewährleisten.
Weitere BOSCH Ersatzteile des Gerätes PHG 500 (Heissluftgebläse) mit der Typennummer 0603268003 finden Sie in der nachfolgenden Darstellung und im Dropdown zu Ihrer Auswahl:

Pos.
1
BOSCH Motorgehäuse | Ersatzteile für PHG 500 | 1609201481
Hersteller: BOSCH
Artikelnummer: EB-0603268003-1609201481
nur Informationsartikel
Nie mehr lieferbar
keine Alternativen
Pos.
5
BOSCH Schutzrohr | Ersatzteile für PHG 500 | 1609201484
Hersteller: BOSCH
Artikelnummer: EB-0603268003-1609201484
Netto: 9,18 € zzgl. MwSt.
zzgl. 6,90 € Versand (brutto)
einmalig pro Bestellung

Lieferzeit: 5 Werktage

Pos.
11
BOSCH Tülle | Ersatzteile für PHG 500 | 1609202793
Hersteller: BOSCH
Artikelnummer: EB-0603268003-1609202793
Netto: 4,53 € zzgl. MwSt.
zzgl. 6,90 € Versand (brutto)
einmalig pro Bestellung

Lieferzeit: 5 Werktage

Pos.
13
BOSCH Stützbügel | Ersatzteile für PHG 500 | 1609202794
Hersteller: BOSCH
Artikelnummer: EB-0603268003-1609202794
Netto: 4,32 € zzgl. MwSt.
zzgl. 6,90 € Versand (brutto)
einmalig pro Bestellung

Lieferzeit: 5 Werktage

Pos.
3
BOSCH Verschlussdeckel | Ersatzteile für PHG 500 | 1609201482
Hersteller: BOSCH
Artikelnummer: EB-0603268003-1609201482
nur Informationsartikel
Nie mehr lieferbar
keine Alternativen
Pos.
21
BOSCH Sprengring CA.Ø2,3xØ47 MM | Ersatzteile für PHG 500 | 1609201490
Hersteller: BOSCH
Artikelnummer: EB-0603268003-1609201490
Netto: 4,32 € zzgl. MwSt.
zzgl. 6,90 € Versand (brutto)
einmalig pro Bestellung

Lieferzeit: 5 Werktage

Pos.
4
BOSCH Schlitzscheibe | Ersatzteile für PHG 500 | 1609201483
Hersteller: BOSCH
Artikelnummer: EB-0603268003-1609201483
nur Informationsartikel
Nie mehr lieferbar
keine Alternativen
Pos.
26
BOSCH Netzanschlussleitung | Ersatzteile für PHG 500 | 1609201493
Hersteller: BOSCH
Artikelnummer: EB-0603268003-1609201493
nur Informationsartikel
Nie mehr lieferbar
keine Alternativen
Pos.
28
BOSCH Anschlussklemme 2-POLIG | Ersatzteile für PHG 500 | 1609390042
Hersteller: BOSCH
Artikelnummer: EB-0603268003-1609390042
Netto: 3,94 € zzgl. MwSt.
zzgl. 6,90 € Versand (brutto)
einmalig pro Bestellung

Lieferzeit: 5 Werktage

Pos.
6
BOSCH Lüftergehäuse | Ersatzteile für PHG 500 | 1609201485
Hersteller: BOSCH
Artikelnummer: EB-0603268003-1609201485
nur Informationsartikel
Nie mehr lieferbar
keine Alternativen
Pos.
29
BOSCH Blechschraube DIN 7983-B2,9x16 | Ersatzteile für PHG 500 | 2910615507
Hersteller: BOSCH
Artikelnummer: EB-0603268003-2910615507
Netto: 4,14 € zzgl. MwSt.
zzgl. 6,90 € Versand (brutto)
einmalig pro Bestellung

Lieferzeit: 5 Werktage

Pos.
30
BOSCH Blechschraube DIN 7981-ST 2,9x13-F-H | Ersatzteile für PHG 500 | 2910614406
Hersteller: BOSCH
Artikelnummer: EB-0603268003-2910614406
Netto: 3,63 € zzgl. MwSt.
zzgl. 6,90 € Versand (brutto)
einmalig pro Bestellung

Lieferzeit: 5 Werktage

Pos.
33
BOSCH Sechskantmutter DIN 934-M 3-m-8 | Ersatzteile für PHG 500 | 2915011003
Hersteller: BOSCH
Artikelnummer: EB-0603268003-2915011003
Netto: 3,60 € zzgl. MwSt.
zzgl. 6,90 € Versand (brutto)
einmalig pro Bestellung

Lieferzeit: 5 Werktage

Pos.
34
BOSCH Gleichstrommotor 115-240V | Ersatzteile für PHG 500 | 1609201572
Hersteller: BOSCH
Artikelnummer: EB-0603268003-1609201572
Netto: 14,36 € zzgl. MwSt.
zzgl. 6,90 € Versand (brutto)
einmalig pro Bestellung

Lieferzeit: 5 Werktage

Pos.
35
BOSCH Ein/Aus-Schalter | Ersatzteile für PHG 500 | 1609201500
Hersteller: BOSCH
Artikelnummer: EB-0603268003-1609201500
Netto: 9,95 € zzgl. MwSt.
zzgl. 6,90 € Versand (brutto)
einmalig pro Bestellung

Lieferzeit: 5 Werktage

Pos.
12
BOSCH Befestigungsschelle | Ersatzteile für PHG 500 | 1609201487
Hersteller: BOSCH
Artikelnummer: EB-0603268003-1609201487
nur Informationsartikel
Nie mehr lieferbar
keine Alternativen
Pos.
14
BOSCH Gummipuffer | Ersatzteile für PHG 500 | 1609201489
Hersteller: BOSCH
Artikelnummer: EB-0603268003-1609201489
nur Informationsartikel
Nie mehr lieferbar
keine Alternativen
Pos.
16
BOSCH Klebeschild | Ersatzteile für PHG 500 | 1601110325
Hersteller: BOSCH
Artikelnummer: EB-0603268003-1601110325
nur Informationsartikel
Nie mehr lieferbar
keine Alternativen
Pos.
17
BOSCH Typschild | Ersatzteile für PHG 500 | 1601110326
Hersteller: BOSCH
Artikelnummer: EB-0603268003-1601110326
nur Informationsartikel
Nie mehr lieferbar
keine Alternativen
Pos.
22
BOSCH Sprengring | Ersatzteile für PHG 500 | 1609201491
Hersteller: BOSCH
Artikelnummer: EB-0603268003-1609201491
nur Informationsartikel
Nie mehr lieferbar
keine Alternativen
Pos.
25
BOSCH Elektr Leitung | Ersatzteile für PHG 500 | 1609201492
Hersteller: BOSCH
Artikelnummer: EB-0603268003-1609201492
nur Informationsartikel
Nie mehr lieferbar
keine Alternativen
Pos.
32
BOSCH Blechschraube | Ersatzteile für PHG 500 | 2910644052
Hersteller: BOSCH
Artikelnummer: EB-0603268003-2910644052
nur Informationsartikel
Nie mehr lieferbar
keine Alternativen
Pos.
36
BOSCH Heizkörper | Ersatzteile für PHG 500 | 1609201501
Hersteller: BOSCH
Artikelnummer: EB-0603268003-1609201501
nur Informationsartikel
Nie mehr lieferbar
keine Alternativen
Pos.
37
BOSCH Leiterplatte Bestückt | Ersatzteile für PHG 500 | 1609201505
Hersteller: BOSCH
Artikelnummer: EB-0603268003-1609201505
nur Informationsartikel
Nie mehr lieferbar
keine Alternativen
Pos.
701
BOSCH Teilesatz | Ersatzteile für PHG 500 | 1609390450
Hersteller: BOSCH
Artikelnummer: EB-0603268003-1609390450
nur Informationsartikel
Nie mehr lieferbar
keine Alternativen
Pos.
702
BOSCH Breitstrahldüse | Ersatzteile für PHG 500 | 1609390451
Hersteller: BOSCH
Artikelnummer: EB-0603268003-1609390451
Netto: 23,96 € zzgl. MwSt.
zzgl. 6,90 € Versand (brutto)
einmalig pro Bestellung

Lieferzeit: 5 Werktage

Pos.
703
BOSCH Flachstrahldüse | Ersatzteile für PHG 500 | 1609390452
Hersteller: BOSCH
Artikelnummer: EB-0603268003-1609390452
Netto: 23,96 € zzgl. MwSt.
zzgl. 6,90 € Versand (brutto)
einmalig pro Bestellung

Lieferzeit: 5 Werktage

Pos.
704
BOSCH Rundstrahldüse | Ersatzteile für PHG 500 | 1609390453
Hersteller: BOSCH
Artikelnummer: EB-0603268003-1609390453
Netto: 20,30 € zzgl. MwSt.
zzgl. 6,90 € Versand (brutto)
einmalig pro Bestellung

Lieferzeit: 5 Werktage

Pos.
705
BOSCH Reduzierhülse | Ersatzteile für PHG 500 | 1609201648
Hersteller: BOSCH
Artikelnummer: EB-0603268003-1609201648
Netto: 20,30 € zzgl. MwSt.
zzgl. 6,90 € Versand (brutto)
einmalig pro Bestellung

Lieferzeit: 5 Werktage

Pos.
706
BOSCH Klinge | Ersatzteile für PHG 500 | 1609201745
Hersteller: BOSCH
Artikelnummer: EB-0603268003-1609201745
nur Informationsartikel
Nie mehr lieferbar
keine Alternativen
Pos.
707
BOSCH Klinge | Ersatzteile für PHG 500 | 1609201746
Hersteller: BOSCH
Artikelnummer: EB-0603268003-1609201746
nur Informationsartikel
Nie mehr lieferbar
keine Alternativen

Angaben zur Produktsicherheit

Hersteller:
Robert Bosch Power Tools GmbH
Postfach 30 02 20
70442 Stuttgart

E-Mail:
kontakt@bosch.de