BOSCH Ritzel | Ersatzteile für SRP-AK5,5/C | 3606300166

Artikelnummer: EB-0607453424-3606300166

Position: 26

Marke: BOSCH


Bitte Kompatibilität prüfen!

Bitte prüfen Sie unbedingt die 10-stellige Typennummer Ihrer Maschine / Ihres Gerätes. Das Ersatzteil ist nur kompatibel, wenn Sie die Typennummer Ihrer Maschine in der unten stehenden Produktbeschreibung finden.

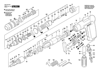
Bitte prüfen Sie ebenfalls detailliert die Explosionszeichnung mit Ihrem Artikelwunsch und der jeweiligen Pos-Nummer.

Alle Elemente, welche vom schwarzen Strich der Pos-Nummer ausgehend berührt / erfasst werden, gehören zu dieser Pos-Nummer und somit zu diesem Artikel. Jede Pos-Nummer ist ein eigenständiger Artikel, welchen Sie in der Auflistung finden.

Sie erhalten stets die aktuellste, neueste Produktversion zu der gewählten Pos-Nummer seitens des Herstellers. Es kann daher je nach Gerätealter vorkommen, dass Sie ggf. weitere, zugehörige Elemente, welche an diese Pos-Nummer grenzen, ebenfalls mittauschen müssen.

Nähere Informationen finden Sie unter dem Link
Hinweise zu Ihrer BOSCH Ersatzteilsuche

Preisübersicht

Einzelpreis: 24,13 €* (Brutto: 28,71 €)
Gesamtpreis: 24,13 €* 
Position:

Lieferzeit: 5 Werktage


Beschreibung

  • Ritzel
  • Original Bosch Zubehör / BOSCH Ersatzteil (3606300166)
  • im Gerät verbaut: 1
Dieses BOSCH Ersatzteil ist mit folgendem Gerät und Modell kompatibel:
  • BOSCH Gerätename: SRP-AK5,5/C
  • BOSCH Explosionszeichnung: Position 26
  • BOSCH Typennummer: 0607453424
  • BOSCH Typennummer alternative Schreibweisen: 0 607 453 424, 0607 453 424, 0.607.453.424, 0-607-453-424
    Bitte prüfen Sie diese Typennummer auf Ihrem Gerät um die Kompatibilität des BOSCH Ersatzteils zu gewährleisten.
Weitere BOSCH Ersatzteile des Gerätes SRP-AK5,5/C (Pw-Schrauber-Ind) mit der Typennummer 0607453424 finden Sie in der nachfolgenden Darstellung und im Dropdown zu Ihrer Auswahl:

Pos.
1
BOSCH Motorgehäuse | Ersatzteile für 180 WATT-SERIE | 3605108121
Hersteller: BOSCH
Artikelnummer: EB-0607453424-3605108121
Netto: 189,11 € zzgl. MwSt.
zzgl. 6,90 € Versand (brutto)
einmalig pro Bestellung

Lieferzeit: 5 Werktage

Pos.
2
BOSCH Stator 180W | Ersatzteile für 180 WATT-SERIE | 3604090050
Hersteller: BOSCH
Artikelnummer: EB-0607453424-3604090050
Netto: 86,83 € zzgl. MwSt.
zzgl. 6,90 € Versand (brutto)
einmalig pro Bestellung

Lieferzeit: 5 Werktage

Pos.
3
BOSCH Rotor | Ersatzteile für 180 WATT-SERIE | 3604220082
Hersteller: BOSCH
Artikelnummer: EB-0607453424-3604220082
nur Informationsartikel
Nie mehr lieferbar
keine Alternativen
Pos.
5
BOSCH Lagerflansch | Ersatzteile für 180 WATT-SERIE | 3605700107
Hersteller: BOSCH
Artikelnummer: EB-0607453424-3605700107
Netto: 32,74 € zzgl. MwSt.
zzgl. 6,90 € Versand (brutto)
einmalig pro Bestellung

Lieferzeit: 5 Werktage

Pos.
6
BOSCH Rillenkugellager 7x19x6 | Ersatzteile für 180 WATT-SERIE | 1900905044
Hersteller: BOSCH
Artikelnummer: EB-0607453424-1900905044
Netto: 7,76 € zzgl. MwSt.
zzgl. 6,90 € Versand (brutto)
einmalig pro Bestellung

Lieferzeit: 5 Werktage

Pos.
7
BOSCH Lagerflansch | Ersatzteile für 180 WATT-SERIE | 3605700108
Hersteller: BOSCH
Artikelnummer: EB-0607453424-3605700108
Netto: 39,11 € zzgl. MwSt.
zzgl. 6,90 € Versand (brutto)
einmalig pro Bestellung

Lieferzeit: 5 Werktage

Pos.
8
BOSCH Rillenkugellager 7x17x5 | Ersatzteile für 180 WATT-SERIE | 1900905028
Hersteller: BOSCH
Artikelnummer: EB-0607453424-1900905028
Netto: 29,45 € zzgl. MwSt.
zzgl. 6,90 € Versand (brutto)
einmalig pro Bestellung

Lieferzeit: 5 Werktage

Pos.
9
BOSCH Anschlagscheibe | Ersatzteile für 180 WATT-SERIE | 3600101048
Hersteller: BOSCH
Artikelnummer: EB-0607453424-3600101048
nur Informationsartikel
Nie mehr lieferbar
keine Alternativen
Pos.
32
BOSCH Nadelkranz INA K3x5x7 | Ersatzteile für 180 WATT-SERIE | 3600913000
Hersteller: BOSCH
Artikelnummer: EB-0607453424-3600913000
Netto: 5,67 € zzgl. MwSt.
zzgl. 6,90 € Versand (brutto)
einmalig pro Bestellung

Lieferzeit: 5 Werktage

Pos.
33
BOSCH Nadelrolle | Ersatzteile für 180 WATT-SERIE | 3603201000
Hersteller: BOSCH
Artikelnummer: EB-0607453424-3603201000
Netto: 3,94 € zzgl. MwSt.
zzgl. 6,90 € Versand (brutto)
einmalig pro Bestellung

Lieferzeit: 5 Werktage

Pos.
39
BOSCH Stirnrad | Ersatzteile für 180 WATT-SERIE | 3606316114
Hersteller: BOSCH
Artikelnummer: EB-0607453424-3606316114
Netto: 11,92 € zzgl. MwSt.
zzgl. 6,90 € Versand (brutto)
einmalig pro Bestellung

Lieferzeit: 5 Werktage

Pos.
39
BOSCH Stirnrad Z=12 | Ersatzteile für 180 WATT-SERIE | 3606316014
Hersteller: BOSCH
Artikelnummer: EB-0607453424-3606316014
nur Informationsartikel
Nie mehr lieferbar
keine Alternativen
Pos.
41
BOSCH Rillenkugellager | Ersatzteile für 180 WATT-SERIE | 3600905015
Hersteller: BOSCH
Artikelnummer: EB-0607453424-3600905015
Netto: 14,36 € zzgl. MwSt.
zzgl. 6,90 € Versand (brutto)
einmalig pro Bestellung

Lieferzeit: 5 Werktage

Pos.
60
BOSCH Sieb | Ersatzteile für 180 WATT-SERIE | 3600002000
Hersteller: BOSCH
Artikelnummer: EB-0607453424-3600002000
Netto: 5,19 € zzgl. MwSt.
zzgl. 6,90 € Versand (brutto)
einmalig pro Bestellung

Lieferzeit: 5 Werktage

Pos.
63
BOSCH Zylinderstift | Ersatzteile für 180 WATT-SERIE | 3603201060
Hersteller: BOSCH
Artikelnummer: EB-0607453424-3603201060
nur Informationsartikel
Nie mehr lieferbar
keine Alternativen
Pos.
26
BOSCH Ritzel | Ersatzteile für SRP-AK5,5/C | 3606300166
Hersteller: BOSCH
Artikelnummer: EB-0607453424-3606300166
Netto: 24,13 € zzgl. MwSt.
zzgl. 6,90 € Versand (brutto)
einmalig pro Bestellung

Lieferzeit: 5 Werktage

Pos.
26
BOSCH Ritzel Z=15 | Ersatzteile für 180 WATT-SERIE | 3606300015
Hersteller: BOSCH
Artikelnummer: EB-0607453424-3606300015
Netto: 19,77 € zzgl. MwSt.
zzgl. 6,90 € Versand (brutto)
einmalig pro Bestellung

Lieferzeit: 5 Werktage

Pos.
65
BOSCH Nadelrolle DIN 5402-A 2x19,8G5 | Ersatzteile für 180 WATT-SERIE | 3603100026
Hersteller: BOSCH
Artikelnummer: EB-0607453424-3603100026
Netto: 4,32 € zzgl. MwSt.
zzgl. 6,90 € Versand (brutto)
einmalig pro Bestellung

Lieferzeit: 5 Werktage

Pos.
27
BOSCH Anschlagscheibe | Ersatzteile für 180 WATT-SERIE | 3600101047
Hersteller: BOSCH
Artikelnummer: EB-0607453424-3600101047
Netto: 4,32 € zzgl. MwSt.
zzgl. 6,90 € Versand (brutto)
einmalig pro Bestellung

Lieferzeit: 5 Werktage

Pos.
28
BOSCH Zahnkranz Ø19,5 MM | Ersatzteile für 180 WATT-SERIE | 3606334085
Hersteller: BOSCH
Artikelnummer: EB-0607453424-3606334085
Netto: 8,33 € zzgl. MwSt.
zzgl. 6,90 € Versand (brutto)
einmalig pro Bestellung

Lieferzeit: 5 Werktage

Pos.
29
BOSCH Planetenträger | Ersatzteile für 180 WATT-SERIE | 3606337181
Hersteller: BOSCH
Artikelnummer: EB-0607453424-3606337181
Netto: 42,86 € zzgl. MwSt.
zzgl. 6,90 € Versand (brutto)
einmalig pro Bestellung

Lieferzeit: 5 Werktage

Pos.
68
BOSCH Kugel DIN 5401-Ø7MM-III-ST | Ersatzteile für 180 WATT-SERIE | 1903230013
Hersteller: BOSCH
Artikelnummer: EB-0607453424-1903230013
Netto: 4,32 € zzgl. MwSt.
zzgl. 6,90 € Versand (brutto)
einmalig pro Bestellung

Lieferzeit: 6 Werktage

Pos.
69
BOSCH O-Ring 15x2 MM | Ersatzteile für 180 WATT-SERIE | 1900210112
Hersteller: BOSCH
Artikelnummer: EB-0607453424-1900210112
Netto: 4,53 € zzgl. MwSt.
zzgl. 6,90 € Versand (brutto)
einmalig pro Bestellung

Lieferzeit: 5 Werktage

Pos.
31
BOSCH Stirnrad | Ersatzteile für SRP-AK5,5/C | 3606316115
Hersteller: BOSCH
Artikelnummer: EB-0607453424-3606316115
Netto: 17,38 € zzgl. MwSt.
zzgl. 6,90 € Versand (brutto)
einmalig pro Bestellung

Lieferzeit: 5 Werktage

Pos.
31
BOSCH Stirnrad Z=13 | Ersatzteile für 180 WATT-SERIE | 3606316010
Hersteller: BOSCH
Artikelnummer: EB-0607453424-3606316010
nur Informationsartikel
Nie mehr lieferbar
keine Alternativen
Pos.
36
BOSCH Rillenkugellager 12x21x5 | Ersatzteile für 180 WATT-SERIE | 3600905002
Hersteller: BOSCH
Artikelnummer: EB-0607453424-3600905002
Netto: 14,36 € zzgl. MwSt.
zzgl. 6,90 € Versand (brutto)
einmalig pro Bestellung

Lieferzeit: 5 Werktage

Pos.
78
BOSCH Zylinderstift 3M6x24 DIN 7-C35K | Ersatzteile für 180 WATT-SERIE | 2917610083
Hersteller: BOSCH
Artikelnummer: EB-0607453424-2917610083
Netto: 3,94 € zzgl. MwSt.
zzgl. 6,90 € Versand (brutto)
einmalig pro Bestellung

Lieferzeit: 5 Werktage

Pos.
83
BOSCH Druckfeder | Ersatzteile für 180 WATT-SERIE | 3604611006
Hersteller: BOSCH
Artikelnummer: EB-0607453424-3604611006
Netto: 4,32 € zzgl. MwSt.
zzgl. 6,90 € Versand (brutto)
einmalig pro Bestellung

Lieferzeit: 5 Werktage

Pos.
38
BOSCH Planetenträger | Ersatzteile für 180 WATT-SERIE | 3606337015
Hersteller: BOSCH
Artikelnummer: EB-0607453424-3606337015
Netto: 86,83 € zzgl. MwSt.
zzgl. 6,90 € Versand (brutto)
einmalig pro Bestellung

Lieferzeit: 5 Werktage

Pos.
95
BOSCH Typschild | Ersatzteile für 180 WATT-SERIE | 160111A3HF
Hersteller: BOSCH
Artikelnummer: EB-0607453424-160111A3HF
Netto: 5,19 € zzgl. MwSt.
zzgl. 6,90 € Versand (brutto)
einmalig pro Bestellung

Lieferzeit: 5 Werktage

Pos.
95
BOSCH Typschild 26x42 MM | Ersatzteile für 180 WATT-SERIE | 3601100001
Hersteller: BOSCH
Artikelnummer: EB-0607453424-3601100001
Netto: 4,32 € zzgl. MwSt.
zzgl. 6,90 € Versand (brutto)
einmalig pro Bestellung

Lieferzeit: 5 Werktage

Pos.
96
BOSCH Firmenschild SCHATTENSEITE | Ersatzteile für 180 WATT-SERIE | 1601110481
Hersteller: BOSCH
Artikelnummer: EB-0607453424-1601110481
Netto: 4,32 € zzgl. MwSt.
zzgl. 6,90 € Versand (brutto)
einmalig pro Bestellung

Lieferzeit: 5 Werktage

Pos.
97
BOSCH Kerbnagel | Ersatzteile für 180 WATT-SERIE | 3603133000
Hersteller: BOSCH
Artikelnummer: EB-0607453424-3603133000
Netto: 4,53 € zzgl. MwSt.
zzgl. 6,90 € Versand (brutto)
einmalig pro Bestellung

Lieferzeit: 5 Werktage

Pos.
99
BOSCH Hinweisschild | Ersatzteile für 180 WATT-SERIE | 3601119236
Hersteller: BOSCH
Artikelnummer: EB-0607453424-3601119236
Netto: 5,19 € zzgl. MwSt.
zzgl. 6,90 € Versand (brutto)
einmalig pro Bestellung

Lieferzeit: 5 Werktage

Pos.
106
BOSCH Druckfeder | Ersatzteile für 180 WATT-SERIE | 3604617000
Hersteller: BOSCH
Artikelnummer: EB-0607453424-3604617000
Netto: 3,94 € zzgl. MwSt.
zzgl. 6,90 € Versand (brutto)
einmalig pro Bestellung

Lieferzeit: 5 Werktage

Pos.
108
BOSCH Druckfeder | Ersatzteile für 180 WATT-SERIE | 3604610002
Hersteller: BOSCH
Artikelnummer: EB-0607453424-3604610002
Netto: 5,19 € zzgl. MwSt.
zzgl. 6,90 € Versand (brutto)
einmalig pro Bestellung

Lieferzeit: 5 Werktage

Pos.
109
BOSCH Druckfeder | Ersatzteile für 180 WATT-SERIE | 3604619003
Hersteller: BOSCH
Artikelnummer: EB-0607453424-3604619003
Netto: 6,70 € zzgl. MwSt.
zzgl. 6,90 € Versand (brutto)
einmalig pro Bestellung

Lieferzeit: 5 Werktage

Pos.
113
BOSCH Klemmhülse | Ersatzteile für 180 WATT-SERIE | 3600311016
Hersteller: BOSCH
Artikelnummer: EB-0607453424-3600311016
Netto: 17,38 € zzgl. MwSt.
zzgl. 6,90 € Versand (brutto)
einmalig pro Bestellung

Lieferzeit: 5 Werktage

Pos.
114
BOSCH Sinterbuchse | Ersatzteile für 180 WATT-SERIE | 3600301004
Hersteller: BOSCH
Artikelnummer: EB-0607453424-3600301004
Netto: 5,15 € zzgl. MwSt.
zzgl. 6,90 € Versand (brutto)
einmalig pro Bestellung

Lieferzeit: 5 Werktage

Pos.
56
BOSCH Anschlussstutzen | Ersatzteile für 180 WATT-SERIE | 3603458017
Hersteller: BOSCH
Artikelnummer: EB-0607453424-3603458017
Netto: 9,18 € zzgl. MwSt.
zzgl. 6,90 € Versand (brutto)
einmalig pro Bestellung

Lieferzeit: 5 Werktage

Pos.
118
BOSCH Sperrbolzen | Ersatzteile für 180 WATT-SERIE | 3603150203
Hersteller: BOSCH
Artikelnummer: EB-0607453424-3603150203
Netto: 39,11 € zzgl. MwSt.
zzgl. 6,90 € Versand (brutto)
einmalig pro Bestellung

Lieferzeit: 5 Werktage

Pos.
57
BOSCH Führungshülse | Ersatzteile für 180 WATT-SERIE | 3600364002
Hersteller: BOSCH
Artikelnummer: EB-0607453424-3600364002
nur Informationsartikel
Nie mehr lieferbar
keine Alternativen
Pos.
125
BOSCH Stützring | Ersatzteile für 180 WATT-SERIE | 3600202006
Hersteller: BOSCH
Artikelnummer: EB-0607453424-3600202006
Netto: 4,82 € zzgl. MwSt.
zzgl. 6,90 € Versand (brutto)
einmalig pro Bestellung

Lieferzeit: 5 Werktage

Pos.
126
BOSCH Sprengring | Ersatzteile für 180 WATT-SERIE | 3600224006
Hersteller: BOSCH
Artikelnummer: EB-0607453424-3600224006
Netto: 4,82 € zzgl. MwSt.
zzgl. 6,90 € Versand (brutto)
einmalig pro Bestellung

Lieferzeit: 5 Werktage

Pos.
127
BOSCH Kugel DIN 5401-4 MM-III-ST | Ersatzteile für 180 WATT-SERIE | 1903230007
Hersteller: BOSCH
Artikelnummer: EB-0607453424-1903230007
Netto: 3,94 € zzgl. MwSt.
zzgl. 6,90 € Versand (brutto)
einmalig pro Bestellung

Lieferzeit: 5 Werktage

Pos.
128
BOSCH Kugel DIN 5401-5 G28 | Ersatzteile für 180 WATT-SERIE | 1903230009
Hersteller: BOSCH
Artikelnummer: EB-0607453424-1903230009
Netto: 3,63 € zzgl. MwSt.
zzgl. 6,90 € Versand (brutto)
einmalig pro Bestellung

Lieferzeit: 5 Werktage

Pos.
64
BOSCH Zylinderstift 35,3 MM | Ersatzteile für 180 WATT-SERIE | 3603201002
Hersteller: BOSCH
Artikelnummer: EB-0607453424-3603201002
Netto: 6,15 € zzgl. MwSt.
zzgl. 6,90 € Versand (brutto)
einmalig pro Bestellung

Lieferzeit: 5 Werktage

Pos.
129
BOSCH Kugel DIN 5401-3 MM-III-ST | Ersatzteile für 180 WATT-SERIE | 1903230004
Hersteller: BOSCH
Artikelnummer: EB-0607453424-1903230004
Netto: 4,32 € zzgl. MwSt.
zzgl. 6,90 € Versand (brutto)
einmalig pro Bestellung

Lieferzeit: 5 Werktage

Pos.
130
BOSCH Kugel DIN 5401-2,5MM-III-ST | Ersatzteile für 180 WATT-SERIE | 1903230003
Hersteller: BOSCH
Artikelnummer: EB-0607453424-1903230003
Netto: 4,32 € zzgl. MwSt.
zzgl. 6,90 € Versand (brutto)
einmalig pro Bestellung

Lieferzeit: 5 Werktage

Pos.
66
BOSCH Zylinderstift | Ersatzteile für 180 WATT-SERIE | 3603201010
Hersteller: BOSCH
Artikelnummer: EB-0607453424-3603201010
Netto: 8,33 € zzgl. MwSt.
zzgl. 6,90 € Versand (brutto)
einmalig pro Bestellung

Lieferzeit: 5 Werktage

Pos.
132
BOSCH Verschlussschraube | Ersatzteile für 180 WATT-SERIE | 3603463000
Hersteller: BOSCH
Artikelnummer: EB-0607453424-3603463000
Netto: 4,53 € zzgl. MwSt.
zzgl. 6,90 € Versand (brutto)
einmalig pro Bestellung

Lieferzeit: 5 Werktage

Pos.
67
BOSCH Steuerschieber | Ersatzteile für 180 WATT-SERIE | 3608750003
Hersteller: BOSCH
Artikelnummer: EB-0607453424-3608750003
Netto: 9,18 € zzgl. MwSt.
zzgl. 6,90 € Versand (brutto)
einmalig pro Bestellung

Lieferzeit: 5 Werktage

Pos.
133
BOSCH Spiralspannstift DIN 7343-2x5 | Ersatzteile für 180 WATT-SERIE | 2917800033
Hersteller: BOSCH
Artikelnummer: EB-0607453424-2917800033
Netto: 3,63 € zzgl. MwSt.
zzgl. 6,90 € Versand (brutto)
einmalig pro Bestellung

Lieferzeit: 5 Werktage

Pos.
140
BOSCH Sprengring 14 DIN 9045 | Ersatzteile für 180 WATT-SERIE | 2916600008
Hersteller: BOSCH
Artikelnummer: EB-0607453424-2916600008
Netto: 4,82 € zzgl. MwSt.
zzgl. 6,90 € Versand (brutto)
einmalig pro Bestellung

Lieferzeit: 5 Werktage

Pos.
70
BOSCH Kugel Ø9 MM | Ersatzteile für 180 WATT-SERIE | 3603230004
Hersteller: BOSCH
Artikelnummer: EB-0607453424-3603230004
Netto: 5,19 € zzgl. MwSt.
zzgl. 6,90 € Versand (brutto)
einmalig pro Bestellung

Lieferzeit: 5 Werktage

Pos.
657
BOSCH Winkelstück | Ersatzteile für 180 WATT-SERIE | 3601329007
Hersteller: BOSCH
Artikelnummer: EB-0607453424-3601329007
Netto: 5,67 € zzgl. MwSt.
zzgl. 6,90 € Versand (brutto)
einmalig pro Bestellung

Lieferzeit: 5 Werktage

Pos.
71
BOSCH Druckfeder | Ersatzteile für 180 WATT-SERIE | 3604643003
Hersteller: BOSCH
Artikelnummer: EB-0607453424-3604643003
Netto: 3,94 € zzgl. MwSt.
zzgl. 6,90 € Versand (brutto)
einmalig pro Bestellung

Lieferzeit: 5 Werktage

Pos.
706
BOSCH Druckfeder WEISS | Ersatzteile für 180 WATT-SERIE | 3604618003
Hersteller: BOSCH
Artikelnummer: EB-0607453424-3604618003
Netto: 7,76 € zzgl. MwSt.
zzgl. 6,90 € Versand (brutto)
einmalig pro Bestellung

Lieferzeit: 5 Werktage

Pos.
708
BOSCH Einmaulschlüssel SW22 | Ersatzteile für 180 WATT-SERIE | 1607950505
Hersteller: BOSCH
Artikelnummer: EB-0607453424-1607950505
Netto: 14,36 € zzgl. MwSt.
zzgl. 6,90 € Versand (brutto)
einmalig pro Bestellung

Lieferzeit: 5 Werktage

Pos.
712
BOSCH Stiftschlüssel | Ersatzteile für 180 WATT-SERIE | 3607950001
Hersteller: BOSCH
Artikelnummer: EB-0607453424-3607950001
Netto: 4,76 € zzgl. MwSt.
zzgl. 6,90 € Versand (brutto)
einmalig pro Bestellung

Lieferzeit: 5 Werktage

Pos.
75
BOSCH Zwischenstück | Ersatzteile für 180 WATT-SERIE | 3602305006
Hersteller: BOSCH
Artikelnummer: EB-0607453424-3602305006
Netto: 6,70 € zzgl. MwSt.
zzgl. 6,90 € Versand (brutto)
einmalig pro Bestellung

Lieferzeit: 5 Werktage

Pos.
76
BOSCH O-Ring | Ersatzteile für 180 WATT-SERIE | 3600210094
Hersteller: BOSCH
Artikelnummer: EB-0607453424-3600210094
Netto: 4,82 € zzgl. MwSt.
zzgl. 6,90 € Versand (brutto)
einmalig pro Bestellung

Lieferzeit: 5 Werktage

Pos.
77
BOSCH Schalthebel | Ersatzteile für 180 WATT-SERIE | 3602053002
Hersteller: BOSCH
Artikelnummer: EB-0607453424-3602053002
Netto: 5,67 € zzgl. MwSt.
zzgl. 6,90 € Versand (brutto)
einmalig pro Bestellung

Lieferzeit: 5 Werktage

Pos.
802
BOSCH Ersatzteilgruppe | Ersatzteile für 180 WATT-SERIE | 3607031309
Hersteller: BOSCH
Artikelnummer: EB-0607453424-3607031309
nur Informationsartikel
Nie mehr lieferbar
keine Alternativen
Pos.
88
BOSCH Schalldämpfer | Ersatzteile für 180 WATT-SERIE | 3601010004
Hersteller: BOSCH
Artikelnummer: EB-0607453424-3601010004
Netto: 4,32 € zzgl. MwSt.
zzgl. 6,90 € Versand (brutto)
einmalig pro Bestellung

Lieferzeit: 5 Werktage

Pos.
89
BOSCH Schalldämpfer | Ersatzteile für 180 WATT-SERIE | 3600009000
Hersteller: BOSCH
Artikelnummer: EB-0607453424-3600009000
Netto: 4,32 € zzgl. MwSt.
zzgl. 6,90 € Versand (brutto)
einmalig pro Bestellung

Lieferzeit: 5 Werktage

Pos.
100
BOSCH Gerätegehäuse | Ersatzteile für 180 WATT-SERIE | 3605125007
Hersteller: BOSCH
Artikelnummer: EB-0607453424-3605125007
nur Informationsartikel
Nie mehr lieferbar
keine Alternativen
Pos.
101
BOSCH Kupplungsteil | Ersatzteile für 180 WATT-SERIE | 3606432007
Hersteller: BOSCH
Artikelnummer: EB-0607453424-3606432007
Netto: 96,32 € zzgl. MwSt.
zzgl. 6,90 € Versand (brutto)
einmalig pro Bestellung

Lieferzeit: 5 Werktage

Pos.
102
BOSCH Antriebswelle | Ersatzteile für 180 WATT-SERIE | 3606122011
Hersteller: BOSCH
Artikelnummer: EB-0607453424-3606122011
Netto: 106,72 € zzgl. MwSt.
zzgl. 6,90 € Versand (brutto)
einmalig pro Bestellung

Lieferzeit: 5 Werktage

Pos.
107
BOSCH Druckfeder | Ersatzteile für 180 WATT-SERIE | 3604610006
Hersteller: BOSCH
Artikelnummer: EB-0607453424-3604610006
Netto: 4,32 € zzgl. MwSt.
zzgl. 6,90 € Versand (brutto)
einmalig pro Bestellung

Lieferzeit: 5 Werktage

Pos.
110
BOSCH Sprengring | Ersatzteile für 180 WATT-SERIE | 3604601002
Hersteller: BOSCH
Artikelnummer: EB-0607453424-3604601002
Netto: 3,94 € zzgl. MwSt.
zzgl. 6,90 € Versand (brutto)
einmalig pro Bestellung

Lieferzeit: 5 Werktage

Pos.
115
BOSCH Verschlussplatte | Ersatzteile für 180 WATT-SERIE | 3600001002
Hersteller: BOSCH
Artikelnummer: EB-0607453424-3600001002
Netto: 5,19 € zzgl. MwSt.
zzgl. 6,90 € Versand (brutto)
einmalig pro Bestellung

Lieferzeit: 5 Werktage

Pos.
116
BOSCH Verstellscheibe | Ersatzteile für 180 WATT-SERIE | 3600134003
Hersteller: BOSCH
Artikelnummer: EB-0607453424-3600134003
nur Informationsartikel
Nie mehr lieferbar
keine Alternativen
Pos.
119
BOSCH Lagerscheibe | Ersatzteile für 180 WATT-SERIE | 3600114002
Hersteller: BOSCH
Artikelnummer: EB-0607453424-3600114002
Netto: 10,92 € zzgl. MwSt.
zzgl. 6,90 € Versand (brutto)
einmalig pro Bestellung

Lieferzeit: 5 Werktage

Pos.
120
BOSCH Rundmutter | Ersatzteile für 180 WATT-SERIE | 3603344009
Hersteller: BOSCH
Artikelnummer: EB-0607453424-3603344009
Netto: 24,13 € zzgl. MwSt.
zzgl. 6,90 € Versand (brutto)
einmalig pro Bestellung

Lieferzeit: 5 Werktage

Pos.
124
BOSCH Kupplungsscheibe | Ersatzteile für 180 WATT-SERIE | 3600220001
Hersteller: BOSCH
Artikelnummer: EB-0607453424-3600220001
Netto: 9,95 € zzgl. MwSt.
zzgl. 6,90 € Versand (brutto)
einmalig pro Bestellung

Lieferzeit: 5 Werktage

Pos.
652
BOSCH Schlauchstutzen | Ersatzteile für 180 WATT-SERIE | 3603386066
Hersteller: BOSCH
Artikelnummer: EB-0607453424-3603386066
Netto: 12,98 € zzgl. MwSt.
zzgl. 6,90 € Versand (brutto)
einmalig pro Bestellung

Lieferzeit: 5 Werktage

Pos.
753
BOSCH Schalldämpfer | Ersatzteile für 180 WATT-SERIE | 3607000074
Hersteller: BOSCH
Artikelnummer: EB-0607453424-3607000074
Netto: 21,16 € zzgl. MwSt.
zzgl. 6,90 € Versand (brutto)
einmalig pro Bestellung

Lieferzeit: 5 Werktage

Pos.
801
BOSCH Et-Abschaltkupplung | Ersatzteile für 180 WATT-SERIE | 3607031123
Hersteller: BOSCH
Artikelnummer: EB-0607453424-3607031123
Netto: 295,66 € zzgl. MwSt.
zzgl. 6,90 € Versand (brutto)
einmalig pro Bestellung

Lieferzeit: 5 Werktage

Pos.
804
BOSCH Ersatzteilgruppe 5 STUECK | Ersatzteile für 180 WATT-SERIE | 3607031304
Hersteller: BOSCH
Artikelnummer: EB-0607453424-3607031304
Netto: 24,13 € zzgl. MwSt.
zzgl. 6,90 € Versand (brutto)
einmalig pro Bestellung

Lieferzeit: 5 Werktage

Pos.
821
BOSCH Ersatzteilgruppe | Ersatzteile für 180 WATT-SERIE | 3607031087
Hersteller: BOSCH
Artikelnummer: EB-0607453424-3607031087
Netto: 11,92 € zzgl. MwSt.
zzgl. 6,90 € Versand (brutto)
einmalig pro Bestellung

Lieferzeit: 5 Werktage

Pos.
828
BOSCH Ersatzteilgruppe | Ersatzteile für 180 WATT-SERIE | 3607031583
Hersteller: BOSCH
Artikelnummer: EB-0607453424-3607031583
Netto: 241,95 € zzgl. MwSt.
zzgl. 6,90 € Versand (brutto)
einmalig pro Bestellung

Lieferzeit: 5 Werktage

Pos.
843
BOSCH Teilesatz 2 STUECK | Ersatzteile für 180 WATT-SERIE | 3607010010
Hersteller: BOSCH
Artikelnummer: EB-0607453424-3607010010
Netto: 7,76 € zzgl. MwSt.
zzgl. 6,90 € Versand (brutto)
einmalig pro Bestellung

Lieferzeit: 5 Werktage

Pos.
855
BOSCH Teilesatz 10 STUECK | Ersatzteile für 180 WATT-SERIE | 3607010000
Hersteller: BOSCH
Artikelnummer: EB-0607453424-3607010000
Netto: 6,70 € zzgl. MwSt.
zzgl. 6,90 € Versand (brutto)
einmalig pro Bestellung

Lieferzeit: 5 Werktage

Pos.
858
BOSCH Teilesatz 10 STUECK | Ersatzteile für 180 WATT-SERIE | 3607010023
Hersteller: BOSCH
Artikelnummer: EB-0607453424-3607010023
Netto: 6,70 € zzgl. MwSt.
zzgl. 6,90 € Versand (brutto)
einmalig pro Bestellung

Lieferzeit: 5 Werktage

Pos.
882
BOSCH O-Ring 10 STUECK | Ersatzteile für 180 WATT-SERIE | 3607010006
Hersteller: BOSCH
Artikelnummer: EB-0607453424-3607010006
Netto: 29,45 € zzgl. MwSt.
zzgl. 6,90 € Versand (brutto)
einmalig pro Bestellung

Lieferzeit: 5 Werktage

Angaben zur Produktsicherheit

Hersteller:
Robert Bosch Power Tools GmbH
Postfach 30 02 20
70442 Stuttgart

E-Mail:
kontakt@bosch.de