BOSCH Ständer 265V/200HZ | Ersatzteile für Hf-Bohrmaschine, Hf-Geradschleifer - 1604229181
- 
Vergleichsliste - Bitte fügen Sie mindestens 2 Artikel hinzu, um den Vergleich durchzuführen.
 
GRATIS VERSAND AB 200 EUR*
MARKENQUALITÄT ZU TOP-PREISEN
SCHNELLE LIEFERUNG
- 0,00 € *
- 
 Anmelden - Anmelden sicher
- 
Ich bin Neukunde Jetzt kostenlos registrieren
  
- Service
- 0,00 € *
- 
 Anmelden - Anmelden sicher
- 
Ich bin Neukunde Jetzt kostenlos registrieren
  
- Service
- Übersicht
- Ersatzteile
- BOSCH Ersatzteile
- BOSCH Ersatzteile
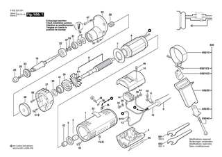
- BOSCH Ständer 265V/200HZ | Ersatzteile für Hf-Bohrmaschine, Hf-Geradschleifer - 1604229181
