BOSCH Tülle Ø6,9 MM | Ersatzteile für Bohrmaschine - 2600707059

Artikelnummer: 2600707059

:

Marke: BOSCH

Kategorie: BOSCH Ersatzteile

Bitte Kompatibilität prüfen!

Bitte prüfen Sie unbedingt die 10-stellige Typennummer Ihrer Maschine / Ihres Gerätes. Das Ersatzteil ist nur kompatibel, wenn Sie die Typennummer Ihrer Maschine in der unten stehenden Produktbeschreibung finden.

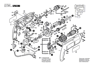
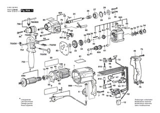
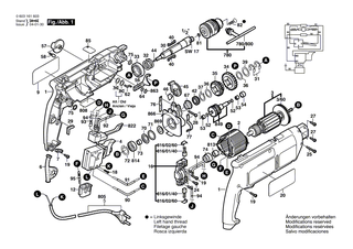
Bitte prüfen Sie ebenfalls detailliert die Explosionszeichnung mit Ihrem Artikelwunsch und der jeweiligen Pos-Nummer.

Alle Elemente, welche vom schwarzen Strich der Pos-Nummer ausgehend berührt / erfasst werden, gehören zu dieser Pos-Nummer und somit zu diesem Artikel. Jede Pos-Nummer ist ein eigenständiger Artikel, welchen Sie in der Auflistung finden.

Sie erhalten stets die aktuellste, neueste Produktversion zu der gewählten Pos-Nummer seitens des Herstellers. Es kann daher je nach Gerätealter vorkommen, dass Sie ggf. weitere, zugehörige Elemente, welche an diese Pos-Nummer grenzen, ebenfalls mittauschen müssen.

Nähere Informationen finden Sie unter dem Link
Hinweise zu Ihrer BOSCH Ersatzteilsuche

Preisübersicht

Einzelpreis: 5,19 €* (Brutto: 6,18 €)
Gesamtpreis: 5,19 €* 

Lieferzeit: 5 Werktage


Beschreibung

  • Tülle Ø6,9 MM
  • Original Bosch Zubehör / Ersatzteil (2600707059)
  • im Gerät verbaut: 1
Bitte prüfen Sie die Typennummer auf Ihrem Gerät, um die Kompatibilität des BOSCH Ersatzteils zu gewährleisten.

Dieses Ersatzteil ist für folgende Modelle und Geräte kompatibel:
  • GSB 13 RE (Typennummer: 3601B17102)
    Siehe auch Position 6 in BOSCH-Ersatzteilzeichnung.
  • GSB 13 RE (Typennummer: 3601B17107)
    Siehe auch Position 6 in BOSCH-Ersatzteilzeichnung.
  • GBM 6 (Typennummer: 0601145103)
    Siehe auch Position 6 in BOSCH-Ersatzteilzeichnung.
  • GBM 6 (Typennummer: 0601145108)
    Siehe auch Position 6 in BOSCH-Ersatzteilzeichnung.
  • GBM 6 (Typennummer: 0601145165)
    Siehe auch Position 6 in BOSCH-Ersatzteilzeichnung.
  • GSB 18-2 RE (Typennummer: 3601AA21P0)
    Siehe auch Position 6 in BOSCH-Ersatzteilzeichnung.
  • GSB 680 PROFI (Typennummer: 0601184351)
    Siehe auch Position 6 in BOSCH-Ersatzteilzeichnung.
  • GSB 16 RE (Typennummer: 0601140632)
    Siehe auch Position 6 in BOSCH-Ersatzteilzeichnung.
  • PBH 20-RF (Typennummer: 0603243503)
    Siehe auch Position 6 in BOSCH-Ersatzteilzeichnung.
  • GSB 13 RE (Typennummer: 3601B3D5D0)
    Siehe auch Position 806 in BOSCH-Ersatzteilzeichnung.
  • GSB 13 RE (Typennummer: 3601B3D5G0)
    Siehe auch Position 806 in BOSCH-Ersatzteilzeichnung.
  • GGW 10 E (Typennummer: 0601462803)
    Siehe auch Position 6 in BOSCH-Ersatzteilzeichnung.
  • GSB 450 RE (Typennummer: 0601149703)
    Siehe auch Position 6 in BOSCH-Ersatzteilzeichnung.
  • GSB 450 RE (Typennummer: 0601149708)
    Siehe auch Position 6 in BOSCH-Ersatzteilzeichnung.
  • PBH 2RE (Typennummer: 0603295603)
    Siehe auch Position 6 in BOSCH-Ersatzteilzeichnung.
  • PBH 2R (Typennummer: 0603295703)
    Siehe auch Position 6 in BOSCH-Ersatzteilzeichnung.
  • PBH 1 (Typennummer: 0603302003)
    Siehe auch Position 6 in BOSCH-Ersatzteilzeichnung.
  • GSB 13 RE (Typennummer: 3601B17106)
    Siehe auch Position 6 in BOSCH-Ersatzteilzeichnung.
  • SB 350-2 (Typennummer: 0603241003)
    Siehe auch Position 13 in BOSCH-Ersatzteilzeichnung.
  • SB 400 (Typennummer: 0603241503)
    Siehe auch Position 13 in BOSCH-Ersatzteilzeichnung.
  • SB 400 RLE (Typennummer: 0603241603)
    Siehe auch Position 13 in BOSCH-Ersatzteilzeichnung.
  • SB 400-E (Typennummer: 0603241703)
    Siehe auch Position 13 in BOSCH-Ersatzteilzeichnung.
  • SB 350 (Typennummer: 0603241803)
    Siehe auch Position 13 in BOSCH-Ersatzteilzeichnung.
  • Bohrmaschine (Typennummer: 0601122003)
    Siehe auch Position 7 in BOSCH-Ersatzteilzeichnung.
  • . (Typennummer: 0601122060)
    Siehe auch Position 7 in BOSCH-Ersatzteilzeichnung.
  • Bohrmaschine (Typennummer: 0601122062)
    Siehe auch Position 7 in BOSCH-Ersatzteilzeichnung.
  • . (Typennummer: 0601122703)
    Siehe auch Position 7 in BOSCH-Ersatzteilzeichnung.
  • Bohrmaschine (Typennummer: 0601122760)
    Siehe auch Position 7 in BOSCH-Ersatzteilzeichnung.
  • Bohrmaschine (Typennummer: 0601122762)
    Siehe auch Position 7 in BOSCH-Ersatzteilzeichnung.
  • Bohrmaschine (Typennummer: 0601122803)
    Siehe auch Position 7 in BOSCH-Ersatzteilzeichnung.
  • Bohrmaschine (Typennummer: 0601122860)
    Siehe auch Position 7 in BOSCH-Ersatzteilzeichnung.
  • . (Typennummer: 0601122903)
    Siehe auch Position 7 in BOSCH-Ersatzteilzeichnung.
  • Bohrmaschine (Typennummer: 0601122960)
    Siehe auch Position 7 in BOSCH-Ersatzteilzeichnung.
  • ELECTRONIC (Typennummer: 0601158703)
    Siehe auch Position 7 in BOSCH-Ersatzteilzeichnung.
  • ELECTRONIC (Typennummer: 0601158760)
    Siehe auch Position 7 in BOSCH-Ersatzteilzeichnung.
  • PSB 550-RE (Typennummer: 0603169663)
    Siehe auch Position 6 in BOSCH-Ersatzteilzeichnung.
  • PSB 550 RE (Typennummer: 0603169703)
    Siehe auch Position 6 in BOSCH-Ersatzteilzeichnung.
  • CSB 570 RE (Typennummer: 0603997981)
    Siehe auch Position 6 in BOSCH-Ersatzteilzeichnung.
  • GWB 10 (Typennummer: 0601132003)
    Siehe auch Position 125 in BOSCH-Ersatzteilzeichnung.
  • GWB 10 RE (Typennummer: 0601132703)
    Siehe auch Position 6 in BOSCH-Ersatzteilzeichnung.
  • GWB 10 RE (Typennummer: 0601132708)
    Siehe auch Position 6 in BOSCH-Ersatzteilzeichnung.
  • GSB 18-2 (Typennummer: 0601180003)
    Siehe auch Position 74 in BOSCH-Ersatzteilzeichnung.
  • GSB 18-2 E (Typennummer: 0601180703)
    Siehe auch Position 74 in BOSCH-Ersatzteilzeichnung.
  • CSB 800-2 E (Typennummer: 0603149403)
    Siehe auch Position 6 in BOSCH-Ersatzteilzeichnung.
  • CSB 620-2 E (Typennummer: 0603149703)
    Siehe auch Position 74 in BOSCH-Ersatzteilzeichnung.
  • CSB 800-2 E (Typennummer: 0603149803)
    Siehe auch Position 6 in BOSCH-Ersatzteilzeichnung.
  • GSB 13 RE (Typennummer: 3601B17100)
    Siehe auch Position 6 in BOSCH-Ersatzteilzeichnung.
  • GBM 13-2 (Typennummer: 0601169003)
    Siehe auch Position 6 in BOSCH-Ersatzteilzeichnung.
  • Bohrmaschine (Typennummer: 0601125003)
    Siehe auch Position 57 in BOSCH-Ersatzteilzeichnung.
  • GBM 350 (Typennummer: 0601139003)
    Siehe auch Position 6 in BOSCH-Ersatzteilzeichnung.
  • GBM 350 (Typennummer: 0601139060)
    Siehe auch Position 6 in BOSCH-Ersatzteilzeichnung.
  • GBM 350 (Typennummer: 0601139061)
    Siehe auch Position 6 in BOSCH-Ersatzteilzeichnung.
  • Bohrmaschine (Typennummer: 0601126003)
    Siehe auch Position 57 in BOSCH-Ersatzteilzeichnung.
  • Bohrmaschine (Typennummer: 0601126703)
    Siehe auch Position 57 in BOSCH-Ersatzteilzeichnung.
  • Bohrmaschine (Typennummer: 0601127003)
    Siehe auch Position 64 in BOSCH-Ersatzteilzeichnung.
  • Bohrmaschine (Typennummer: 0601127703)
    Siehe auch Position 64 in BOSCH-Ersatzteilzeichnung.
  • Bohrmaschine (Typennummer: 0601129003)
    Siehe auch Position 6 in BOSCH-Ersatzteilzeichnung.
  • GBM 450 (Typennummer: 0601144003)
    Siehe auch Position 6 in BOSCH-Ersatzteilzeichnung.
  • GBM 450 (Typennummer: 0601144008)
    Siehe auch Position 6 in BOSCH-Ersatzteilzeichnung.
  • . (Typennummer: 0601182003)
    Siehe auch Position 6 in BOSCH-Ersatzteilzeichnung.
  • GBM 450 (Typennummer: 0601144065)
    Siehe auch Position 6 in BOSCH-Ersatzteilzeichnung.
  • GSB 16-2 (Typennummer: 0601182703)
    Siehe auch Position 6 in BOSCH-Ersatzteilzeichnung.
  • GBM 450 RE (Typennummer: 0601144503)
    Siehe auch Position 6 in BOSCH-Ersatzteilzeichnung.
  • GBM 450 RE (Typennummer: 0601144508)
    Siehe auch Position 6 in BOSCH-Ersatzteilzeichnung.
  • GBM 450 RE (Typennummer: 0601144565)
    Siehe auch Position 6 in BOSCH-Ersatzteilzeichnung.
  • GBM 450 RE (Typennummer: 0601144578)
    Siehe auch Position 6 in BOSCH-Ersatzteilzeichnung.
  • CSB 800-2 RE (Typennummer: 0603148603)
    Siehe auch Position 6 in BOSCH-Ersatzteilzeichnung.
  • CSB 800-2 RLE (Typennummer: 0603148703)
    Siehe auch Position 6 in

Angaben zur Produktsicherheit

Hersteller:
Robert Bosch Power Tools GmbH
Postfach 30 02 20
70442 Stuttgart

E-Mail:
kontakt@bosch.de