BOSCH USW(J)77..S 3 - 0601301012

Artikelnummer: EB-0601301012

Position:

Marke: BOSCH


Bitte Kompatibilität prüfen!

Bitte prüfen Sie unbedingt die 10-stellige Typennummer Ihrer Maschine / Ihres Gerätes. Das Ersatzteil ist nur kompatibel, wenn Sie die Typennummer Ihrer Maschine in der unten stehenden Produktbeschreibung finden.

Bitte prüfen Sie ebenfalls detailliert die Explosionszeichnung mit Ihrem Artikelwunsch und der jeweiligen Pos-Nummer.

Alle Elemente, welche vom schwarzen Strich der Pos-Nummer ausgehend berührt / erfasst werden, gehören zu dieser Pos-Nummer und somit zu diesem Artikel. Jede Pos-Nummer ist ein eigenständiger Artikel, welchen Sie in der Auflistung finden.

Sie erhalten stets die aktuellste, neueste Produktversion zu der gewählten Pos-Nummer seitens des Herstellers. Es kann daher je nach Gerätealter vorkommen, dass Sie ggf. weitere, zugehörige Elemente, welche an diese Pos-Nummer grenzen, ebenfalls mittauschen müssen.

Nähere Informationen finden Sie unter dem Link
Hinweise zu Ihrer BOSCH Ersatzteilsuche

Beschreibung

Die aufgelisteten BOSCH Ersatzteile sind mit folgendem Gerät und Modell kompatibel:

BOSCH Gerätename:USW(J)77..S 3
BOSCH Typennummer:0601301012
alternative Schreibweisen:0 601 301 012, 0601 301 012, 0.601.301.012, 0-601-301-012

Bitte prüfen Sie die Typennummer auf Ihrem Gerät um die Kompatibilität des BOSCH Ersatzteils zu gewährleisten.

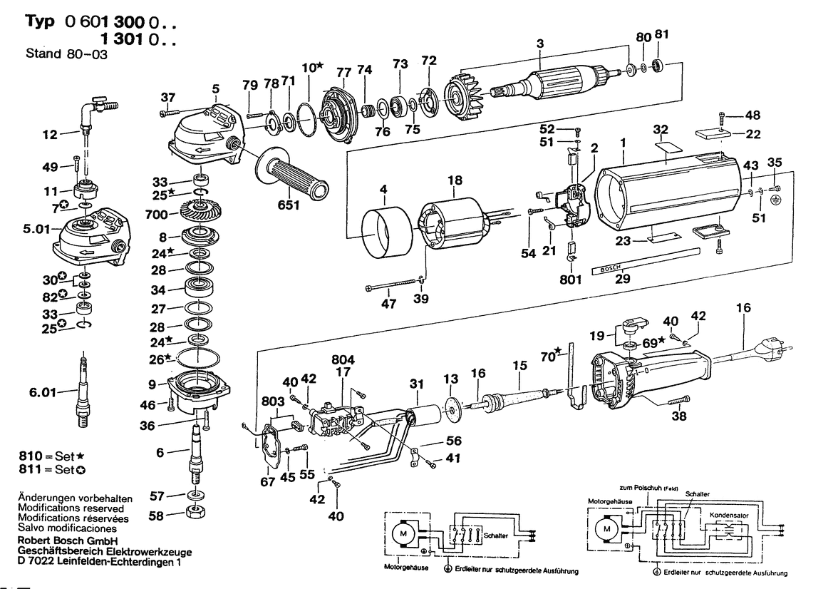
Die passenden Ersatzteile des BOSCH USW(J)77..S 3 (Winkelschleifer) mit der Typennummer 0601301012 finden Sie in der nachfolgenden Darstellung geordnet nach der Positionsnummern aus der Explosionszeichnung:

Pos.
1
BOSCH Motorgehäuse | Ersatzteile für USW(J)77..S 3 | 1605108042
Hersteller: BOSCH
Artikelnummer: EB-0601301012-1605108042
nur Informationsartikel
Nie mehr lieferbar
keine Alternativen
Pos.
2
BOSCH Bürstenhalter | Ersatzteile für USW(J)77..S 3 | 1604336006
Hersteller: BOSCH
Artikelnummer: EB-0601301012-1604336006
nur Informationsartikel
Nie mehr lieferbar
keine Alternativen
Pos.
3
BOSCH Anker 110-115V | Ersatzteile für USW(J)77..S 3 | 1604010034
Hersteller: BOSCH
Artikelnummer: EB-0601301012-1604010034
nur Informationsartikel
Nie mehr lieferbar
keine Alternativen
Pos.
4
BOSCH Luftleitring | Ersatzteile für USW(J)77..S 3 | 1600209002
Hersteller: BOSCH
Artikelnummer: EB-0601301012-1600209002
Netto: 6,27 € zzgl. MwSt.
zzgl. 6,90 € Versand (brutto)
einmalig pro Bestellung

Lieferzeit: 5 Werktage

Stück
Pos.
5
BOSCH Getriebegehäuse | Ersatzteile für USW(J)77..S 3 | 3605806132
Hersteller: BOSCH
Artikelnummer: EB-0601301012-3605806132
nur Informationsartikel
Nie mehr lieferbar
keine Alternativen
Pos.
6
BOSCH Schleifspindel | Ersatzteile für USW(J)77..S 3 | 1603523034
Hersteller: BOSCH
Artikelnummer: EB-0601301012-1603523034
nur Informationsartikel
Nie mehr lieferbar
keine Alternativen
Pos.
6/01
BOSCH Schleifspindel 5/8 Zoll-UNC-2A | Ersatzteile für USW(J)77..S 3 | 1603523091
Hersteller: BOSCH
Artikelnummer: EB-0601301012-1603523091
nur Informationsartikel
Nie mehr lieferbar
keine Alternativen
Pos.
7
BOSCH Tellerscheibe | Ersatzteile für USW(J)77..S 3 | 1600109002
Hersteller: BOSCH
Artikelnummer: EB-0601301012-1600109002
nur Informationsartikel
Nie mehr lieferbar
keine Alternativen
Pos.
8
BOSCH Spannscheibe | Ersatzteile für USW(J)77..S 3 | 1600521013
Hersteller: BOSCH
Artikelnummer: EB-0601301012-1600521013
nur Informationsartikel
Nie mehr lieferbar
keine Alternativen
Pos.
9
BOSCH Lagerflansch | Ersatzteile für USW(J)77..S 3 | 3607030375
Hersteller: BOSCH
Artikelnummer: EB-0601301012-3607030375
Netto: 166,58 € zzgl. MwSt.
zzgl. 6,90 € Versand (brutto)
einmalig pro Bestellung

Lieferzeit: 5 Werktage

Stück
Pos.
10
BOSCH O-Ring 45x3MM | Ersatzteile für USW(J)77..S 3 | 1900210146
Hersteller: BOSCH
Artikelnummer: EB-0601301012-1900210146
Netto: 5,65 € zzgl. MwSt.
zzgl. 6,90 € Versand (brutto)
einmalig pro Bestellung

Lieferzeit: 5 Werktage

Stück
Pos.
11
BOSCH Anschlussflansch | Ersatzteile für USW(J)77..S 3 | 1600328012
Hersteller: BOSCH
Artikelnummer: EB-0601301012-1600328012
nur Informationsartikel
Nie mehr lieferbar
keine Alternativen
Pos.
12
BOSCH Abstellhahn | Ersatzteile für USW(J)77..S 3 | 1607415002
Hersteller: BOSCH
Artikelnummer: EB-0601301012-1607415002
Netto: 34,68 € zzgl. MwSt.
zzgl. 6,90 € Versand (brutto)
einmalig pro Bestellung

Lieferzeit: 5 Werktage

Stück
Pos.
13
BOSCH Dichtung | Ersatzteile für USW(J)77..S 3 | 1600113002
Hersteller: BOSCH
Artikelnummer: EB-0601301012-1600113002
Netto: 3,94 € zzgl. MwSt.
zzgl. 6,90 € Versand (brutto)
einmalig pro Bestellung

Lieferzeit: 5 Werktage

Stück
Pos.
14
BOSCH Handgriff DUNKELBLAU | Ersatzteile für USW(J)77..S 3 | 3605132048
Hersteller: BOSCH
Artikelnummer: EB-0601301012-3605132048
Netto: 55,88 € zzgl. MwSt.
zzgl. 6,90 € Versand (brutto)
einmalig pro Bestellung

Lieferzeit: 5 Werktage

Stück
Pos.
15
BOSCH Tülle Ø9,2-Ø12x120 MM | Ersatzteile für USW(J)77..S 3 | 3600703011
Hersteller: BOSCH
Artikelnummer: EB-0601301012-3600703011
Netto: 4,80 € zzgl. MwSt.
zzgl. 6,90 € Versand (brutto)
einmalig pro Bestellung

Lieferzeit: 5 Werktage

Stück
Pos.
16
BOSCH Netzanschlussleitung EU 4,15m 2 x 1,5mm H07 RN-F | Ersatzteile für USW(J)77..S 3 | 1607000228
Hersteller: BOSCH
Artikelnummer: EB-0601301012-1607000228
Netto: 20,80 € zzgl. MwSt.
zzgl. 6,90 € Versand (brutto)
einmalig pro Bestellung

Lieferzeit: 5 Werktage

Stück
Pos.
17
BOSCH Schaltersatz | Ersatzteile für USW(J)77..S 3 | 1607000034
Hersteller: BOSCH
Artikelnummer: EB-0601301012-1607000034
nur Informationsartikel
Nie mehr lieferbar
keine Alternativen
Pos.
18
BOSCH Polschuh 110-115V | Ersatzteile für USW(J)77..S 3 | 1604220029
Hersteller: BOSCH
Artikelnummer: EB-0601301012-1604220029
nur Informationsartikel
Nie mehr lieferbar
keine Alternativen
Pos.
19
BOSCH Schalthebel | Ersatzteile für USW(J)77..S 3 | 1602026030
Hersteller: BOSCH
Artikelnummer: EB-0601301012-1602026030
Netto: 9,05 € zzgl. MwSt.
zzgl. 6,90 € Versand (brutto)
einmalig pro Bestellung

Lieferzeit: 5 Werktage

Stück
Pos.
21
BOSCH Spiralfeder | Ersatzteile für USW(J)77..S 3 | 1604652015
Hersteller: BOSCH
Artikelnummer: EB-0601301012-1604652015
Netto: 4,80 € zzgl. MwSt.
zzgl. 6,90 € Versand (brutto)
einmalig pro Bestellung

Lieferzeit: 5 Werktage

Stück
Pos.
22
BOSCH Verschlussdeckel BLAU | Ersatzteile für USW(J)77..S 3 | 3605500057
Hersteller: BOSCH
Artikelnummer: EB-0601301012-3605500057
nur Informationsartikel
Nie mehr lieferbar
keine Alternativen
Pos.
23
BOSCH Typschild | Ersatzteile für USW(J)77..S 3 | 160111A3H3
Hersteller: BOSCH
Artikelnummer: EB-0601301012-160111A3H3
Netto: 4,56 € zzgl. MwSt.
zzgl. 6,90 € Versand (brutto)
einmalig pro Bestellung

Lieferzeit: 5 Werktage

Stück
Pos.
23
BOSCH Typschild 26x52 MM | Ersatzteile für USW(J)77..S 3 | 1601106032
Hersteller: BOSCH
Artikelnummer: EB-0601301012-1601106032
nur Informationsartikel
Nie mehr lieferbar
keine Alternativen
Pos.
24
BOSCH Dichtscheibe | Ersatzteile für USW(J)77..S 3 | 1600108048
Hersteller: BOSCH
Artikelnummer: EB-0601301012-1600108048
Netto: 3,94 € zzgl. MwSt.
zzgl. 6,90 € Versand (brutto)
einmalig pro Bestellung

Lieferzeit: 5 Werktage

Stück
Pos.
25
BOSCH Sprengring Ø22 MM | Ersatzteile für USW(J)77..S 3 | 2916620011
Hersteller: BOSCH
Artikelnummer: EB-0601301012-2916620011
Netto: 3,94 € zzgl. MwSt.
zzgl. 6,90 € Versand (brutto)
einmalig pro Bestellung

Lieferzeit: 5 Werktage

Stück
Pos.
26
BOSCH O-Ring 66,0x3,0 MM | Ersatzteile für USW(J)77..S 3 | 1600210005
Hersteller: BOSCH
Artikelnummer: EB-0601301012-1600210005
Netto: 4,80 € zzgl. MwSt.
zzgl. 6,90 € Versand (brutto)
einmalig pro Bestellung

Lieferzeit: 5 Werktage

Stück
Pos.
27
BOSCH Ausgleichscheibe 0,05 MM DICK | Ersatzteile für USW(J)77..S 3 | 1600102638
Hersteller: BOSCH
Artikelnummer: EB-0601301012-1600102638
Netto: 3,92 € zzgl. MwSt.
zzgl. 6,90 € Versand (brutto)
einmalig pro Bestellung

Lieferzeit: 5 Werktage

Stück
Pos.
27
BOSCH Ausgleichscheibe 0,1 MM DICK | Ersatzteile für USW(J)77..S 3 | 1600102639
Hersteller: BOSCH
Artikelnummer: EB-0601301012-1600102639
Netto: 4,10 € zzgl. MwSt.
zzgl. 6,90 € Versand (brutto)
einmalig pro Bestellung

Lieferzeit: 5 Werktage

Stück
Pos.
27
BOSCH Ausgleichscheibe 0,15 MM DICK | Ersatzteile für USW(J)77..S 3 | 1600102640
Hersteller: BOSCH
Artikelnummer: EB-0601301012-1600102640
Netto: 4,10 € zzgl. MwSt.
zzgl. 6,90 € Versand (brutto)
einmalig pro Bestellung

Lieferzeit: 5 Werktage

Stück
Pos.
28
BOSCH Sicherungsring 47x1,75MM, DIN 472 | Ersatzteile für USW(J)77..S 3 | 2916660021
Hersteller: BOSCH
Artikelnummer: EB-0601301012-2916660021
Netto: 5,65 € zzgl. MwSt.
zzgl. 6,90 € Versand (brutto)
einmalig pro Bestellung

Lieferzeit: 5 Werktage

Stück
Pos.
29
BOSCH Firmenschild | Ersatzteile für USW(J)77..S 3 | 1601110003
Hersteller: BOSCH
Artikelnummer: EB-0601301012-1601110003
nur Informationsartikel
Nie mehr lieferbar
keine Alternativen
Pos.
31
BOSCH Entstörkondensator | Ersatzteile für USW(J)77..S 3 | 1607329005
Hersteller: BOSCH
Artikelnummer: EB-0601301012-1607329005
nur Informationsartikel
Nie mehr lieferbar
keine Alternativen
Pos.
33
BOSCH Nadellager Ø14 MM | Ersatzteile für USW(J)77..S 3 | 2600910001
Hersteller: BOSCH
Artikelnummer: EB-0601301012-2600910001
Netto: 5,65 € zzgl. MwSt.
zzgl. 6,90 € Versand (brutto)
einmalig pro Bestellung

Lieferzeit: 5 Werktage

Stück
Pos.
34
BOSCH Rillenkugellager 17x47x14 | Ersatzteile für USW(J)77..S 3 | 1900900352
Hersteller: BOSCH
Artikelnummer: EB-0601301012-1900900352
Netto: 23,72 € zzgl. MwSt.
zzgl. 6,90 € Versand (brutto)
einmalig pro Bestellung

Lieferzeit: 5 Werktage

Stück
Pos.
35
BOSCH Flachkopfschraube DIN 85 AM 4x6-MS | Ersatzteile für USW(J)77..S 3 | 2910110116
Hersteller: BOSCH
Artikelnummer: EB-0601301012-2910110116
Netto: 3,60 € zzgl. MwSt.
zzgl. 6,90 € Versand (brutto)
einmalig pro Bestellung

Lieferzeit: 5 Werktage

Stück
Pos.
36
BOSCH Zylinderschraube DIN 84-AM5x25-5.8 | Ersatzteile für USW(J)77..S 3 | 2910011164
Hersteller: BOSCH
Artikelnummer: EB-0601301012-2910011164
nur Informationsartikel
Nie mehr lieferbar
keine Alternativen
Pos.
37
BOSCH Zylinderschraube AM 5x18 DIN 84-5.8 | Ersatzteile für USW(J)77..S 3 | 2910011160
Hersteller: BOSCH
Artikelnummer: EB-0601301012-2910011160
nur Informationsartikel
Nie mehr lieferbar
keine Alternativen
Pos.
38
BOSCH Zylinderschraube DIN 84-AM5x28-8.8 | Ersatzteile für USW(J)77..S 3 | 2910021165
Hersteller: BOSCH
Artikelnummer: EB-0601301012-2910021165
nur Informationsartikel
Nie mehr lieferbar
keine Alternativen
Pos.
39
BOSCH Federring DIN 128-A5-FST | Ersatzteile für USW(J)77..S 3 | 2916690004
Hersteller: BOSCH
Artikelnummer: EB-0601301012-2916690004
Netto: 3,94 € zzgl. MwSt.
zzgl. 6,90 € Versand (brutto)
einmalig pro Bestellung

Lieferzeit: 5 Werktage

Stück
Pos.
40
BOSCH Zylinderschraube DIN 84-AM3x8-8.8 | Ersatzteile für USW(J)77..S 3 | 2910021050
Hersteller: BOSCH
Artikelnummer: EB-0601301012-2910021050
Netto: 3,60 € zzgl. MwSt.
zzgl. 6,90 € Versand (brutto)
einmalig pro Bestellung

Lieferzeit: 5 Werktage

Stück
Pos.
41
BOSCH Zylinderschraube DIN 84-AM4x12-5.8 | Ersatzteile für USW(J)77..S 3 | 2910011122
Hersteller: BOSCH
Artikelnummer: EB-0601301012-2910011122
nur Informationsartikel
Nie mehr lieferbar
keine Alternativen
Pos.
42
BOSCH Federscheibe A 3 DIN 137-ST | Ersatzteile für USW(J)77..S 3 | 2916060003
Hersteller: BOSCH
Artikelnummer: EB-0601301012-2916060003
nur Informationsartikel
Nie mehr lieferbar
keine Alternativen
Pos.
43
BOSCH Unterlegscheibe A 4,3 DIN 125-ST | Ersatzteile für USW(J)77..S 3 | 2916010410
Hersteller: BOSCH
Artikelnummer: EB-0601301012-2916010410
nur Informationsartikel
Nie mehr lieferbar
keine Alternativen
Pos.
45
BOSCH Unterlegscheibe DIN 125-A3,2-ST | Ersatzteile für USW(J)77..S 3 | 2916011006
Hersteller: BOSCH
Artikelnummer: EB-0601301012-2916011006
Netto: 3,94 € zzgl. MwSt.
zzgl. 6,90 € Versand (brutto)
einmalig pro Bestellung

Lieferzeit: 5 Werktage

Stück
Pos.
46
BOSCH Zylinderschraube DIN 84-AM5x15-5.8 | Ersatzteile für USW(J)77..S 3 | 2910011157
Hersteller: BOSCH
Artikelnummer: EB-0601301012-2910011157
nur Informationsartikel
Nie mehr lieferbar
keine Alternativen
Pos.
47
BOSCH Zylinderschraube | Ersatzteile für USW(J)77..S 3 | 1603410008
Hersteller: BOSCH
Artikelnummer: EB-0601301012-1603410008
nur Informationsartikel
Nie mehr lieferbar
keine Alternativen
Pos.
48
BOSCH Zylinderschraube DIN 84-AM4x15-8.8 | Ersatzteile für USW(J)77..S 3 | 2910021125
Hersteller: BOSCH
Artikelnummer: EB-0601301012-2910021125
Netto: 3,60 € zzgl. MwSt.
zzgl. 6,90 € Versand (brutto)
einmalig pro Bestellung

Lieferzeit: 5 Werktage

Stück
Pos.
49
BOSCH Zylinderschraube DIN 84-AM4x20-8.8 | Ersatzteile für USW(J)77..S 3 | 2910021130
Hersteller: BOSCH
Artikelnummer: EB-0601301012-2910021130
Netto: 3,60 € zzgl. MwSt.
zzgl. 6,90 € Versand (brutto)
einmalig pro Bestellung

Lieferzeit: 5 Werktage

Stück
Pos.
51
BOSCH Federscheibe DIN 137-A4 | Ersatzteile für USW(J)77..S 3 | 1600150006
Hersteller: BOSCH
Artikelnummer: EB-0601301012-1600150006
nur Informationsartikel
Nie mehr lieferbar
keine Alternativen
Pos.
52
BOSCH Zylinderschraube DIN 84-AM4x10-5.8 | Ersatzteile für USW(J)77..S 3 | 2910011120
Hersteller: BOSCH
Artikelnummer: EB-0601301012-2910011120
Netto: 3,60 € zzgl. MwSt.
zzgl. 6,90 € Versand (brutto)
einmalig pro Bestellung

Lieferzeit: 5 Werktage

Stück
Pos.
54
BOSCH Blechschraube DIN 7971-ST3,9x16-F | Ersatzteile für USW(J)77..S 3 | 2910211019
Hersteller: BOSCH
Artikelnummer: EB-0601301012-2910211019
Netto: 3,60 € zzgl. MwSt.
zzgl. 6,90 € Versand (brutto)
einmalig pro Bestellung

Lieferzeit: 5 Werktage

Stück
Pos.
55
BOSCH Blechschraube DIN 7971-BZ2,9x6,5 | Ersatzteile für USW(J)77..S 3 | 2910211004
Hersteller: BOSCH
Artikelnummer: EB-0601301012-2910211004
nur Informationsartikel
Nie mehr lieferbar
keine Alternativen
Pos.
56
BOSCH Befestigungsschelle | Ersatzteile für USW(J)77..S 3 | 1601302013
Hersteller: BOSCH
Artikelnummer: EB-0601301012-1601302013
Netto: 3,94 € zzgl. MwSt.
zzgl. 6,90 € Versand (brutto)
einmalig pro Bestellung

Lieferzeit: 5 Werktage

Stück
Pos.
57
BOSCH O-Ring | Ersatzteile für USW(J)77..S 3 | 1000202026
Hersteller: BOSCH
Artikelnummer: EB-0601301012-1000202026
nur Informationsartikel
Nie mehr lieferbar
keine Alternativen
Pos.
58
BOSCH Sechskantmutter DIN 934-M 14-6G | Ersatzteile für USW(J)77..S 3 | 2915011012
Hersteller: BOSCH
Artikelnummer: EB-0601301012-2915011012
nur Informationsartikel
Nie mehr lieferbar
keine Alternativen
Pos.
69
BOSCH Filzring | Ersatzteile für USW(J)77..S 3 | 1600205008
Hersteller: BOSCH
Artikelnummer: EB-0601301012-1600205008
Netto: 3,94 € zzgl. MwSt.
zzgl. 6,90 € Versand (brutto)
einmalig pro Bestellung

Lieferzeit: 5 Werktage

Stück
Pos.
70
BOSCH Dichtschnur | Ersatzteile für USW(J)77..S 3 | 1601014000
Hersteller: BOSCH
Artikelnummer: EB-0601301012-1601014000
Netto: 4,80 € zzgl. MwSt.
zzgl. 6,90 € Versand (brutto)
einmalig pro Bestellung

Lieferzeit: 5 Werktage

Stück
Pos.
71
BOSCH Filzscheibe | Ersatzteile für USW(J)77..S 3 | 1600108018
Hersteller: BOSCH
Artikelnummer: EB-0601301012-1600108018
Netto: 4,56 € zzgl. MwSt.
zzgl. 6,90 € Versand (brutto)
einmalig pro Bestellung

Lieferzeit: 5 Werktage

Stück
Pos.
72
BOSCH Lagerdeckel | Ersatzteile für USW(J)77..S 3 | 1600501019
Hersteller: BOSCH
Artikelnummer: EB-0601301012-1600501019
Netto: 20,80 € zzgl. MwSt.
zzgl. 6,90 € Versand (brutto)
einmalig pro Bestellung

Lieferzeit: 5 Werktage

Stück
Pos.
73
BOSCH Rillenkugellager 17x35x10 | Ersatzteile für USW(J)77..S 3 | 1600900020
Hersteller: BOSCH
Artikelnummer: EB-0601301012-1600900020
nur Informationsartikel
Nie mehr lieferbar
keine Alternativen
Pos.
74
BOSCH Gewindering | Ersatzteile für USW(J)77..S 3 | 1603344030
Hersteller: BOSCH
Artikelnummer: EB-0601301012-1603344030
Netto: 51,18 € zzgl. MwSt.
zzgl. 6,90 € Versand (brutto)
einmalig pro Bestellung

Lieferzeit: 5 Werktage

Stück
Pos.
75
BOSCH Ausgleichscheibe 0,3 MM DICK | Ersatzteile für USW(J)77..S 3 | 1600101641
Hersteller: BOSCH
Artikelnummer: EB-0601301012-1600101641
Netto: 5,17 € zzgl. MwSt.
zzgl. 6,90 € Versand (brutto)
einmalig pro Bestellung

Lieferzeit: 5 Werktage

Stück
Pos.
76
BOSCH Ausgleichscheibe 0,05 MM DICK | Ersatzteile für USW(J)77..S 3 | 1600101650
Hersteller: BOSCH
Artikelnummer: EB-0601301012-1600101650
Netto: 4,56 € zzgl. MwSt.
zzgl. 6,90 € Versand (brutto)
einmalig pro Bestellung

Lieferzeit: 5 Werktage

Stück
Pos.
76
BOSCH Ausgleichscheibe 0,1 MM DICK | Ersatzteile für USW(J)77..S 3 | 1600101648
Hersteller: BOSCH
Artikelnummer: EB-0601301012-1600101648
Netto: 3,94 € zzgl. MwSt.
zzgl. 6,90 € Versand (brutto)
einmalig pro Bestellung

Lieferzeit: 5 Werktage

Stück
Pos.
77
BOSCH Lagerflansch | Ersatzteile für USW(J)77..S 3 | 3605820064
Hersteller: BOSCH
Artikelnummer: EB-0601301012-3605820064
Netto: 61,64 € zzgl. MwSt.
zzgl. 6,90 € Versand (brutto)
einmalig pro Bestellung

Lieferzeit: 5 Werktage

Stück
Pos.
78
BOSCH Abdeckscheibe | Ersatzteile für USW(J)77..S 3 | 1600501024
Hersteller: BOSCH
Artikelnummer: EB-0601301012-1600501024
Netto: 13,81 € zzgl. MwSt.
zzgl. 6,90 € Versand (brutto)
einmalig pro Bestellung

Lieferzeit: 5 Werktage

Stück
Pos.
79
BOSCH Senkschraube DIN 63-AM4x20-8.8 | Ersatzteile für USW(J)77..S 3 | 2910511130
Hersteller: BOSCH
Artikelnummer: EB-0601301012-2910511130
nur Informationsartikel
Nie mehr lieferbar
keine Alternativen
Pos.
80
BOSCH Ausgleichscheibe 0,10 MM DICK | Ersatzteile für USW(J)77..S 3 | 1420100023
Hersteller: BOSCH
Artikelnummer: EB-0601301012-1420100023
nur Informationsartikel
Nie mehr lieferbar
keine Alternativen
Pos.
81
BOSCH Kugellager 7x22x7 | Ersatzteile für USW(J)77..S 3 | 1900905018
Hersteller: BOSCH
Artikelnummer: EB-0601301012-1900905018
Netto: 15,15 € zzgl. MwSt.
zzgl. 6,90 € Versand (brutto)
einmalig pro Bestellung

Lieferzeit: 5 Werktage

Stück
Pos.
651
BOSCH Zusatzhandgriff M14 SCHWARZ | Ersatzteile für USW(J)77..S 3 | 1602025022
Hersteller: BOSCH
Artikelnummer: EB-0601301012-1602025022
Netto: 11,41 € zzgl. MwSt.
zzgl. 6,90 € Versand (brutto)
einmalig pro Bestellung

Lieferzeit: 5 Werktage

Stück
Pos.
651
BOSCH Zusatzhandgriff M14, Ø37x115 MM SCHWARZ | Ersatzteile für USW(J)77..S 3 | 1602025030
Hersteller: BOSCH
Artikelnummer: EB-0601301012-1602025030
Netto: 14,92 € zzgl. MwSt.
zzgl. 6,90 € Versand (brutto)
einmalig pro Bestellung

Lieferzeit: 5 Werktage

Stück
Pos.
700
BOSCH Kegelrad Z=54 | Ersatzteile für USW(J)77..S 3 | 1606333082
Hersteller: BOSCH
Artikelnummer: EB-0601301012-1606333082
Netto: 101,78 € zzgl. MwSt.
zzgl. 6,90 € Versand (brutto)
einmalig pro Bestellung

Lieferzeit: 5 Werktage

Stück
Pos.
801
BOSCH Kohlebürstensatz | Ersatzteile für USW(J)77..S 3 | 1607014102
Hersteller: BOSCH
Artikelnummer: EB-0601301012-1607014102
nur Informationsartikel
Nie mehr lieferbar
keine Alternativen
Pos.
76
BOSCH Ausgleichscheibe | Ersatzteile für USW(J)77..S 3 | 1600102002
Hersteller: BOSCH
Artikelnummer: EB-0601301012-1600102002
nur Informationsartikel
Nie mehr lieferbar
keine Alternativen
Pos.
76
BOSCH Ausgleichscheibe 0,15 MM DICK | Ersatzteile für USW(J)77..S 3 | 1600101649
Hersteller: BOSCH
Artikelnummer: EB-0601301012-1600102002
nur Informationsartikel
Nie mehr lieferbar
keine Alternativen
Pos.
803
BOSCH Dichtplatte | Ersatzteile für USW(J)77..S 3 | 1602388007
Hersteller: BOSCH
Artikelnummer: EB-0601301012-1602388007
Netto: 10,62 € zzgl. MwSt.
zzgl. 6,90 € Versand (brutto)
einmalig pro Bestellung

Lieferzeit: 5 Werktage

Stück
Pos.
810
BOSCH Dichtungssatz | Ersatzteile für USW(J)77..S 3 | 1607000058
Hersteller: BOSCH
Artikelnummer: EB-0601301012-1607000058
nur Informationsartikel
Nie mehr lieferbar
keine Alternativen
Pos.
811
BOSCH Dichtungssatz | Ersatzteile für USW(J)77..S 3 | 1607000044
Hersteller: BOSCH
Artikelnummer: EB-0601301012-1607000044
nur Informationsartikel
Nie mehr lieferbar
keine Alternativen
Pos.
651
BOSCH Zusatzhandgriff | Ersatzteile für USW(J)77..S 3 | 160202509Z
Hersteller: BOSCH
Artikelnummer: EB-0601301012-16020250A1
Netto: 13,81 € zzgl. MwSt.
zzgl. 6,90 € Versand (brutto)
einmalig pro Bestellung

Lieferzeit: 5 Werktage

Stück

Angaben zur Produktsicherheit

Hersteller:
Robert Bosch Power Tools GmbH
Postfach 30 02 20
70442 Stuttgart

E-Mail:
kontakt@bosch.de