BOSCH Werkzeugaufnahme | Ersatzteile für Akku-Schrauber, Iw-Akku-Schrauber - 3607218009

Artikelnummer: 3607218009

:

Marke: BOSCH

Kategorie: BOSCH Ersatzteile

Bitte Kompatibilität prüfen!

Bitte prüfen Sie unbedingt die 10-stellige Typennummer Ihrer Maschine / Ihres Gerätes. Das Ersatzteil ist nur kompatibel, wenn Sie die Typennummer Ihrer Maschine in der unten stehenden Produktbeschreibung finden.

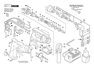
Bitte prüfen Sie ebenfalls detailliert die Explosionszeichnung mit Ihrem Artikelwunsch und der jeweiligen Pos-Nummer.

Alle Elemente, welche vom schwarzen Strich der Pos-Nummer ausgehend berührt / erfasst werden, gehören zu dieser Pos-Nummer und somit zu diesem Artikel. Jede Pos-Nummer ist ein eigenständiger Artikel, welchen Sie in der Auflistung finden.

Sie erhalten stets die aktuellste, neueste Produktversion zu der gewählten Pos-Nummer seitens des Herstellers. Es kann daher je nach Gerätealter vorkommen, dass Sie ggf. weitere, zugehörige Elemente, welche an diese Pos-Nummer grenzen, ebenfalls mittauschen müssen.

Nähere Informationen finden Sie unter dem Link
Hinweise zu Ihrer BOSCH Ersatzteilsuche

Preisübersicht

Einzelpreis: 45,85 €* (Brutto: 54,56 €)
Gesamtpreis: 45,85 €* 

Lieferzeit: 5 Werktage


Beschreibung

  • Werkzeugaufnahme
  • Original Bosch Zubehör / Ersatzteil (3607218009)
  • im Gerät verbaut: 1
Bitte prüfen Sie die Typennummer auf Ihrem Gerät, um die Kompatibilität des BOSCH Ersatzteils zu gewährleisten.

Dieses Ersatzteil ist für folgende Modelle und Geräte kompatibel:
  • Akku-Schrauber (Typennummer: 0602490401)
    Siehe auch Position 26 in BOSCH-Ersatzteilzeichnung.
  • Iw-Akku-Schrauber (Typennummer: 0602490402)
    Siehe auch Position 26 in BOSCH-Ersatzteilzeichnung.
  • Akku-Schrauber (Typennummer: 0602490411)
    Siehe auch Position 26 in BOSCH-Ersatzteilzeichnung.
  • Akku-Schrauber (Typennummer: 0602490412)
    Siehe auch Position 26 in BOSCH-Ersatzteilzeichnung.
  • Akku-Schrauber (Typennummer: 0602490421)
    Siehe auch Position 26 in BOSCH-Ersatzteilzeichnung.
  • Akku-Schrauber (Typennummer: 0602490422)
    Siehe auch Position 26 in BOSCH-Ersatzteilzeichnung.
  • IASR 9,6-12V (Typennummer: 0602490601)
    Siehe auch Position 26 in BOSCH-Ersatzteilzeichnung.
  • IASR 9,6-12V (Typennummer: 0602490602)
    Siehe auch Position 26 in BOSCH-Ersatzteilzeichnung.
  • IASR 9,6-12V (Typennummer: 0602490611)
    Siehe auch Position 26 in BOSCH-Ersatzteilzeichnung.
  • IASR 9,6-12V (Typennummer: 0602490612)
    Siehe auch Position 26 in BOSCH-Ersatzteilzeichnung.
  • IASR 9,6-12V (Typennummer: 0602490621)
    Siehe auch Position 26 in BOSCH-Ersatzteilzeichnung.
  • IASR 9,6-12V (Typennummer: 0602490622)
    Siehe auch Position 26 in BOSCH-Ersatzteilzeichnung.
  • Akku-Schrauber (Typennummer: 0602490631)
    Siehe auch Position 26 in BOSCH-Ersatzteilzeichnung.
  • Akku-Schrauber (Typennummer: 0602490632)
    Siehe auch Position 26 in BOSCH-Ersatzteilzeichnung.

Angaben zur Produktsicherheit

Hersteller:
Robert Bosch Power Tools GmbH
Postfach 30 02 20
70442 Stuttgart

E-Mail:
kontakt@bosch.de