BOSCH Winkelbohrkopf - 2608000A00

Artikelnummer: EB-2608000A00

Position:

Marke: BOSCH


Bitte Kompatibilität prüfen!

Bitte prüfen Sie unbedingt die 10-stellige Typennummer Ihrer Maschine / Ihres Gerätes. Das Ersatzteil ist nur kompatibel, wenn Sie die Typennummer Ihrer Maschine in der unten stehenden Produktbeschreibung finden.

Bitte prüfen Sie ebenfalls detailliert die Explosionszeichnung mit Ihrem Artikelwunsch und der jeweiligen Pos-Nummer.

Alle Elemente, welche vom schwarzen Strich der Pos-Nummer ausgehend berührt / erfasst werden, gehören zu dieser Pos-Nummer und somit zu diesem Artikel. Jede Pos-Nummer ist ein eigenständiger Artikel, welchen Sie in der Auflistung finden.

Sie erhalten stets die aktuellste, neueste Produktversion zu der gewählten Pos-Nummer seitens des Herstellers. Es kann daher je nach Gerätealter vorkommen, dass Sie ggf. weitere, zugehörige Elemente, welche an diese Pos-Nummer grenzen, ebenfalls mittauschen müssen.

Nähere Informationen finden Sie unter dem Link
Hinweise zu Ihrer BOSCH Ersatzteilsuche

Beschreibung

Die aufgelisteten BOSCH Ersatzteile sind mit folgendem Gerät und Modell kompatibel:

BOSCH Gerätename:Winkelbohrkopf
BOSCH Typennummer:2608000A00
alternative Schreibweisen:2 608 000 A00, 2608 000 A00, 2.608.000.A00, 2-608-000-A00

Bitte prüfen Sie die Typennummer auf Ihrem Gerät um die Kompatibilität des BOSCH Ersatzteils zu gewährleisten.

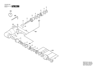
Die passenden Ersatzteile des BOSCH Winkelbohrkopf mit der Typennummer 2608000A00 finden Sie in der nachfolgenden Darstellung geordnet nach der Positionsnummern aus der Explosionszeichnung:

Pos.
1/1/3
BOSCH Sechskantmutter | Ersatzteile für RHA-50 | 3603435044
Hersteller: BOSCH
Artikelnummer: EB-2608000A00-3603435044
Netto: 5,67 € zzgl. MwSt.
zzgl. 6,90 € Versand (brutto)
einmalig pro Bestellung

Lieferzeit: 5 Werktage

Stück
Pos.
1/1/4
BOSCH Innensechskantschraube DIN 912-M6x30-8.8 | Ersatzteile für RHA-50 | 2910141205
Hersteller: BOSCH
Artikelnummer: EB-2608000A00-2910141205
Netto: 4,53 € zzgl. MwSt.
zzgl. 6,90 € Versand (brutto)
einmalig pro Bestellung

Lieferzeit: 5 Werktage

Stück
Pos.
2
BOSCH Mitnehmerbolzen | Ersatzteile für RHA-50 | 2603106006
Hersteller: BOSCH
Artikelnummer: EB-2608000A00-2603106006
nur Informationsartikel
Nie mehr lieferbar
keine Alternativen
Pos.
3
BOSCH Sicherungsring DIN 471 21x1,2MM | Ersatzteile für RHA-50 | 2916650034
Hersteller: BOSCH
Artikelnummer: EB-2608000A00-2916650034
nur Informationsartikel
Nie mehr lieferbar
keine Alternativen
Pos.
4
BOSCH Unterlegscheibe | Ersatzteile für RHA-50 | 1600102006
Hersteller: BOSCH
Artikelnummer: EB-2608000A00-1600102006
Netto: 4,32 € zzgl. MwSt.
zzgl. 6,90 € Versand (brutto)
einmalig pro Bestellung

Lieferzeit: 5 Werktage

Stück
Pos.
5
BOSCH Nadellager | Ersatzteile für RHA-50 | 3610939000
Hersteller: BOSCH
Artikelnummer: EB-2608000A00-3610939000
nur Informationsartikel
Nie mehr lieferbar
keine Alternativen
Pos.
10
BOSCH Kugel DIN 5401-4 MM-III-ST | Ersatzteile für RHA-50 | 1903230007
Hersteller: BOSCH
Artikelnummer: EB-2608000A00-1903230007
Netto: 3,94 € zzgl. MwSt.
zzgl. 6,90 € Versand (brutto)
einmalig pro Bestellung

Lieferzeit: 5 Werktage

Stück
Pos.
17
BOSCH Kugel DIN 5401-Ø7MM-III-ST | Ersatzteile für RHA-50 | 1903230013
Hersteller: BOSCH
Artikelnummer: EB-2608000A00-1903230013
Netto: 4,32 € zzgl. MwSt.
zzgl. 6,90 € Versand (brutto)
einmalig pro Bestellung

Lieferzeit: 7 Werktage

Stück
Pos.
8
BOSCH Kegelrad Z=25 | Ersatzteile für RHA-50 | 3616333000
Hersteller: BOSCH
Artikelnummer: EB-2608000A00-3616333000
Netto: 47,09 € zzgl. MwSt.
zzgl. 6,90 € Versand (brutto)
einmalig pro Bestellung

Lieferzeit: 5 Werktage

Stück
Pos.
19
BOSCH Schutzkappe L=17 MM, SDS-PLUS | Ersatzteile für RHA-50 | 1610508008
Hersteller: BOSCH
Artikelnummer: EB-2608000A00-1610508008
Netto: 4,32 € zzgl. MwSt.
zzgl. 6,90 € Versand (brutto)
einmalig pro Bestellung

Lieferzeit: 5 Werktage

Stück
Pos.
9
BOSCH Schlagbolzen | Ersatzteile für RHA-50 | 3613121001
Hersteller: BOSCH
Artikelnummer: EB-2608000A00-3613121001
Netto: 21,16 € zzgl. MwSt.
zzgl. 6,90 € Versand (brutto)
einmalig pro Bestellung

Lieferzeit: 5 Werktage

Stück
Pos.
20
BOSCH Firmenschild | Ersatzteile für RHA-50 | 3601119055
Hersteller: BOSCH
Artikelnummer: EB-2608000A00-3601119055
Netto: 5,19 € zzgl. MwSt.
zzgl. 6,90 € Versand (brutto)
einmalig pro Bestellung

Lieferzeit: 5 Werktage

Stück
Pos.
11
BOSCH Kegelrad Z=25 | Ersatzteile für RHA-50 | 3616490000
Hersteller: BOSCH
Artikelnummer: EB-2608000A00-3616490000
Netto: 70,50 € zzgl. MwSt.
zzgl. 6,90 € Versand (brutto)
einmalig pro Bestellung

Lieferzeit: 5 Werktage

Stück
Pos.
650
BOSCH Winkelschraubendreher DIN 911-SW5 SCHWARZ | Ersatzteile für RHA-50 | 1907950006
Hersteller: BOSCH
Artikelnummer: EB-2608000A00-1907950006
Netto: 5,67 € zzgl. MwSt.
zzgl. 6,90 € Versand (brutto)
einmalig pro Bestellung

Lieferzeit: 5 Werktage

Stück
Pos.
818
BOSCH Schutzhülse SDS-PLUS | Ersatzteile für RHA-50 | 1617000163
Hersteller: BOSCH
Artikelnummer: EB-2608000A00-1617000163
Netto: 7,76 € zzgl. MwSt.
zzgl. 6,90 € Versand (brutto)
einmalig pro Bestellung

Lieferzeit: 5 Werktage

Stück
Pos.
650
BOSCH Innensechskantschlüssel | Ersatzteile für RHA-50 | 2610364015
Hersteller: BOSCH
Artikelnummer: EB-2608000A00-2610364015
Netto: 5,19 € zzgl. MwSt.
zzgl. 6,90 € Versand (brutto)
einmalig pro Bestellung

Lieferzeit: 5 Werktage

Stück
Pos.
653
BOSCH Distanzring | Ersatzteile für RHA-50 | 2608000623
Hersteller: BOSCH
Artikelnummer: EB-2608000A00-2608000623
nur Informationsartikel
Nie mehr lieferbar
keine Alternativen
Pos.
801
BOSCH Teilesatz | Ersatzteile für RHA-50 | 2605105969
Hersteller: BOSCH
Artikelnummer: EB-2608000A00-2605105969
Netto: 96,32 € zzgl. MwSt.
zzgl. 6,90 € Versand (brutto)
einmalig pro Bestellung

Lieferzeit: 5 Werktage

Stück
Pos.
807
BOSCH Teilesatz | Ersatzteile für RHA-50 | 3607031588
Hersteller: BOSCH
Artikelnummer: EB-2608000A00-3607031588
nur Informationsartikel
Nie mehr lieferbar
keine Alternativen

Angaben zur Produktsicherheit

Hersteller:
Robert Bosch Power Tools GmbH
Postfach 30 02 20
70442 Stuttgart

E-Mail:
kontakt@bosch.de