BOSCH WINKELSCHRAUBER - 0602471107

Artikelnummer: EB-0602471107

Position:

Marke: BOSCH


Bitte Kompatibilität prüfen!

Bitte prüfen Sie unbedingt die 10-stellige Typennummer Ihrer Maschine / Ihres Gerätes. Das Ersatzteil ist nur kompatibel, wenn Sie die Typennummer Ihrer Maschine in der unten stehenden Produktbeschreibung finden.

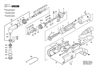
Bitte prüfen Sie ebenfalls detailliert die Explosionszeichnung mit Ihrem Artikelwunsch und der jeweiligen Pos-Nummer.

Alle Elemente, welche vom schwarzen Strich der Pos-Nummer ausgehend berührt / erfasst werden, gehören zu dieser Pos-Nummer und somit zu diesem Artikel. Jede Pos-Nummer ist ein eigenständiger Artikel, welchen Sie in der Auflistung finden.

Sie erhalten stets die aktuellste, neueste Produktversion zu der gewählten Pos-Nummer seitens des Herstellers. Es kann daher je nach Gerätealter vorkommen, dass Sie ggf. weitere, zugehörige Elemente, welche an diese Pos-Nummer grenzen, ebenfalls mittauschen müssen.

Nähere Informationen finden Sie unter dem Link
Hinweise zu Ihrer BOSCH Ersatzteilsuche

Beschreibung

Die aufgelisteten BOSCH Ersatzteile sind mit folgendem Gerät und Modell kompatibel:

BOSCH Gerätename:WINKELSCHRAUBER
BOSCH Typennummer:0602471107
alternative Schreibweisen:0 602 471 107, 0602 471 107, 0.602.471.107, 0-602-471-107

Bitte prüfen Sie die Typennummer auf Ihrem Gerät um die Kompatibilität des BOSCH Ersatzteils zu gewährleisten.

Die passenden Ersatzteile des BOSCH WINKELSCHRAUBER (Winkelschrauber) mit der Typennummer 0602471107 finden Sie in der nachfolgenden Darstellung geordnet nach der Positionsnummern aus der Explosionszeichnung:

Pos.
1
BOSCH Motorgehäuse | Ersatzteile für Winkelschrauber | 3605102044
Hersteller: BOSCH
Artikelnummer: EB-0602471107-3605102044
Netto: 226,83 € zzgl. MwSt.
zzgl. 6,90 € Versand (brutto)
einmalig pro Bestellung

Lieferzeit: 5 Werktage

Stück
Pos.
2
BOSCH Ständer 72V/200HZ,110V/300HZ | Ersatzteile für Winkelschrauber | 1604229202
Hersteller: BOSCH
Artikelnummer: EB-0602471107-1604229202
Netto: 268,24 € zzgl. MwSt.
zzgl. 6,90 € Versand (brutto)
einmalig pro Bestellung

Lieferzeit: 5 Werktage

Stück
Pos.
3
BOSCH Laeufer Ohne Wicklung | Ersatzteile für Winkelschrauber | 3604080015
Hersteller: BOSCH
Artikelnummer: EB-0602471107-3604080015
Netto: 168,24 € zzgl. MwSt.
zzgl. 6,90 € Versand (brutto)
einmalig pro Bestellung

Lieferzeit: 5 Werktage

Stück
Pos.
4
BOSCH Luftleitring | Ersatzteile für Winkelschrauber | 1600502005
Hersteller: BOSCH
Artikelnummer: EB-0602471107-1600502005
Netto: 4,56 € zzgl. MwSt.
zzgl. 6,90 € Versand (brutto)
einmalig pro Bestellung

Lieferzeit: 5 Werktage

Stück
Pos.
5
BOSCH Zwischenlager | Ersatzteile für Winkelschrauber | 3605700099
Hersteller: BOSCH
Artikelnummer: EB-0602471107-3605700099
Netto: 95,11 € zzgl. MwSt.
zzgl. 6,90 € Versand (brutto)
einmalig pro Bestellung

Lieferzeit: 5 Werktage

Stück
Pos.
6
BOSCH Rillenkugellager 9x24x7 | Ersatzteile für Winkelschrauber | 1900905017
Hersteller: BOSCH
Artikelnummer: EB-0602471107-1900905017
Netto: 20,80 € zzgl. MwSt.
zzgl. 6,90 € Versand (brutto)
einmalig pro Bestellung

Lieferzeit: 5 Werktage

Stück
Pos.
8
BOSCH Rillenkugellager 625-2Z DIN 625 | Ersatzteile für Winkelschrauber | 1900905015
Hersteller: BOSCH
Artikelnummer: EB-0602471107-1900905015
Netto: 26,41 € zzgl. MwSt.
zzgl. 6,90 € Versand (brutto)
einmalig pro Bestellung

Lieferzeit: 5 Werktage

Stück
Pos.
9
BOSCH Klemmbügel | Ersatzteile für Winkelschrauber | 3601321001
Hersteller: BOSCH
Artikelnummer: EB-0602471107-3601321001
Netto: 5,17 € zzgl. MwSt.
zzgl. 6,90 € Versand (brutto)
einmalig pro Bestellung

Lieferzeit: 5 Werktage

Stück
Pos.
10
BOSCH Federscheibe Ø4,2 MM | Ersatzteile für Winkelschrauber | 3600150006
Hersteller: BOSCH
Artikelnummer: EB-0602471107-3600150006
Netto: 4,56 € zzgl. MwSt.
zzgl. 6,90 € Versand (brutto)
einmalig pro Bestellung

Lieferzeit: 5 Werktage

Stück
Pos.
11
BOSCH Flachkopfschraube DIN 85-AM4x10-MS | Ersatzteile für Winkelschrauber | 2910110120
Hersteller: BOSCH
Artikelnummer: EB-0602471107-2910110120
Netto: 3,60 € zzgl. MwSt.
zzgl. 6,90 € Versand (brutto)
einmalig pro Bestellung

Lieferzeit: 5 Werktage

Stück
Pos.
12
BOSCH Gewindestift | Ersatzteile für Winkelschrauber | 3603402000
Hersteller: BOSCH
Artikelnummer: EB-0602471107-3603402000
Netto: 3,94 € zzgl. MwSt.
zzgl. 6,90 € Versand (brutto)
einmalig pro Bestellung

Lieferzeit: 5 Werktage

Stück
Pos.
14
BOSCH Gummiring 6MM,Ø12xØ16,4x3MM | Ersatzteile für Winkelschrauber | 3600206002
Hersteller: BOSCH
Artikelnummer: EB-0602471107-3600206002
Netto: 4,27 € zzgl. MwSt.
zzgl. 6,90 € Versand (brutto)
einmalig pro Bestellung

Lieferzeit: 5 Werktage

Stück
Pos.
15
BOSCH Zylinderschraube DIN 84-AM4x16-8.8 | Ersatzteile für Winkelschrauber | 2910021126
Hersteller: BOSCH
Artikelnummer: EB-0602471107-2910021126
Netto: 3,60 € zzgl. MwSt.
zzgl. 6,90 € Versand (brutto)
einmalig pro Bestellung

Lieferzeit: 5 Werktage

Stück
Pos.
16
BOSCH O-Ring 53,0x2,0 MM | Ersatzteile für Winkelschrauber | 3600210017
Hersteller: BOSCH
Artikelnummer: EB-0602471107-3600210017
Netto: 5,17 € zzgl. MwSt.
zzgl. 6,90 € Versand (brutto)
einmalig pro Bestellung

Lieferzeit: 5 Werktage

Stück
Pos.
56
BOSCH Schalter | Ersatzteile für Winkelschrauber | 3607200041
Hersteller: BOSCH
Artikelnummer: EB-0602471107-3607200041
Netto: 38,04 € zzgl. MwSt.
zzgl. 6,90 € Versand (brutto)
einmalig pro Bestellung

Lieferzeit: 5 Werktage

Stück
Pos.
59
BOSCH Tülle Ø9,2-Ø12x120 MM | Ersatzteile für Winkelschrauber | 3600703011
Hersteller: BOSCH
Artikelnummer: EB-0602471107-3600703011
Netto: 4,80 € zzgl. MwSt.
zzgl. 6,90 € Versand (brutto)
einmalig pro Bestellung

Lieferzeit: 5 Werktage

Stück
Pos.
60
BOSCH Pvc-Elektr Leitung | Ersatzteile für Winkelschrauber | 3604412000
Hersteller: BOSCH
Artikelnummer: EB-0602471107-3604412000
nur Informationsartikel
Nie mehr lieferbar
keine Alternativen
Pos.
60
BOSCH Wendelleitung | Ersatzteile für Winkelschrauber | 3604462005
Hersteller: BOSCH
Artikelnummer: EB-0602471107-3604462005
Netto: 67,72 € zzgl. MwSt.
zzgl. 6,90 € Versand (brutto)
einmalig pro Bestellung

Lieferzeit: 5 Werktage

Stück
Pos.
61
BOSCH Blechschraube DIN 7971-BZ3,9x19 | Ersatzteile für Winkelschrauber | 2910211020
Hersteller: BOSCH
Artikelnummer: EB-0602471107-2910211020
Netto: 4,36 € zzgl. MwSt.
zzgl. 6,90 € Versand (brutto)
einmalig pro Bestellung

Lieferzeit: 5 Werktage

Stück
Pos.
62
BOSCH Zylinderschraube DIN 84-AM4x6-8.8 | Ersatzteile für Winkelschrauber | 2910021116
Hersteller: BOSCH
Artikelnummer: EB-0602471107-2910021116
Netto: 4,36 € zzgl. MwSt.
zzgl. 6,90 € Versand (brutto)
einmalig pro Bestellung

Lieferzeit: 5 Werktage

Stück
Pos.
63
BOSCH Befestigungsschelle | Ersatzteile für Winkelschrauber | 1601302014
Hersteller: BOSCH
Artikelnummer: EB-0602471107-1601302014
Netto: 4,56 € zzgl. MwSt.
zzgl. 6,90 € Versand (brutto)
einmalig pro Bestellung

Lieferzeit: 5 Werktage

Stück
Pos.
65
BOSCH Schalter | Ersatzteile für Winkelschrauber | 3607200000
Hersteller: BOSCH
Artikelnummer: EB-0602471107-3607200000
Netto: 16,70 € zzgl. MwSt.
zzgl. 6,90 € Versand (brutto)
einmalig pro Bestellung

Lieferzeit: 5 Werktage

Stück
Pos.
67
BOSCH Aderendhülse | Ersatzteile für Winkelschrauber | 3604477008
Hersteller: BOSCH
Artikelnummer: EB-0602471107-3604477008
Netto: 3,60 € zzgl. MwSt.
zzgl. 6,90 € Versand (brutto)
einmalig pro Bestellung

Lieferzeit: 5 Werktage

Stück
Pos.
73
BOSCH Fächerscheibe A 4,3 DIN 6798-ST | Ersatzteile für Winkelschrauber | 2916070006
Hersteller: BOSCH
Artikelnummer: EB-0602471107-2916070006
Netto: 3,60 € zzgl. MwSt.
zzgl. 6,90 € Versand (brutto)
einmalig pro Bestellung

Lieferzeit: 5 Werktage

Stück
Pos.
76
BOSCH Kupplungsstecker | Ersatzteile für Winkelschrauber | 3604484003
Hersteller: BOSCH
Artikelnummer: EB-0602471107-3604484003
nur Informationsartikel
Nie mehr lieferbar
keine Alternativen
Pos.
95
BOSCH Typschild | Ersatzteile für Winkelschrauber | 3601106053
Hersteller: BOSCH
Artikelnummer: EB-0602471107-3601106053
Netto: 6,27 € zzgl. MwSt.
zzgl. 6,90 € Versand (brutto)
einmalig pro Bestellung

Lieferzeit: 5 Werktage

Stück
Pos.
96
BOSCH Firmenschild | Ersatzteile für Winkelschrauber | 1601110483
Hersteller: BOSCH
Artikelnummer: EB-0602471107-1601110483
Netto: 4,56 € zzgl. MwSt.
zzgl. 6,90 € Versand (brutto)
einmalig pro Bestellung

Lieferzeit: 5 Werktage

Stück
Pos.
98
BOSCH Klebeschild | Ersatzteile für Winkelschrauber | 3601103012
Hersteller: BOSCH
Artikelnummer: EB-0602471107-3601103012
Netto: 4,31 € zzgl. MwSt.
zzgl. 6,90 € Versand (brutto)
einmalig pro Bestellung

Lieferzeit: 5 Werktage

Stück
Pos.
215
BOSCH Nadelkranz INA K3x5x7 | Ersatzteile für Winkelschrauber | 3600913000
Hersteller: BOSCH
Artikelnummer: EB-0602471107-3600913000
Netto: 5,65 € zzgl. MwSt.
zzgl. 6,90 € Versand (brutto)
einmalig pro Bestellung

Lieferzeit: 5 Werktage

Stück
Pos.
227
BOSCH Anschlagscheibe | Ersatzteile für Winkelschrauber | 3600101001
Hersteller: BOSCH
Artikelnummer: EB-0602471107-3600101001
Netto: 4,56 € zzgl. MwSt.
zzgl. 6,90 € Versand (brutto)
einmalig pro Bestellung

Lieferzeit: 5 Werktage

Stück
Pos.
228
BOSCH Zahnkranz | Ersatzteile für Winkelschrauber | 3606334042
Hersteller: BOSCH
Artikelnummer: EB-0602471107-3606334042
Netto: 201,58 € zzgl. MwSt.
zzgl. 6,90 € Versand (brutto)
einmalig pro Bestellung

Lieferzeit: 5 Werktage

Stück
Pos.
230
BOSCH Stirnrad | Ersatzteile für Winkelschrauber | 3606316101
Hersteller: BOSCH
Artikelnummer: EB-0602471107-3606316101
Netto: 18,86 € zzgl. MwSt.
zzgl. 6,90 € Versand (brutto)
einmalig pro Bestellung

Lieferzeit: 5 Werktage

Stück
Pos.
230
BOSCH Stirnrad Z=19 | Ersatzteile für Winkelschrauber | 3606316003
Hersteller: BOSCH
Artikelnummer: EB-0602471107-3606316003
Netto: 7,90 € zzgl. MwSt.
zzgl. 6,90 € Versand (brutto)
einmalig pro Bestellung

Lieferzeit: 5 Werktage

Stück
Pos.
233
BOSCH Nadelrolle | Ersatzteile für Winkelschrauber | 3603201000
Hersteller: BOSCH
Artikelnummer: EB-0602471107-3603201000
Netto: 3,94 € zzgl. MwSt.
zzgl. 6,90 € Versand (brutto)
einmalig pro Bestellung

Lieferzeit: 5 Werktage

Stück
Pos.
239
BOSCH Planetenträger | Ersatzteile für Winkelschrauber | 3606337082
Hersteller: BOSCH
Artikelnummer: EB-0602471107-3606337082
Netto: 251,22 € zzgl. MwSt.
zzgl. 6,90 € Versand (brutto)
einmalig pro Bestellung

Lieferzeit: 5 Werktage

Stück
Pos.
245
BOSCH Planetenträger | Ersatzteile für Winkelschrauber | 3606337081
Hersteller: BOSCH
Artikelnummer: EB-0602471107-3606337081
Netto: 126,58 € zzgl. MwSt.
zzgl. 6,90 € Versand (brutto)
einmalig pro Bestellung

Lieferzeit: 5 Werktage

Stück
Pos.
248
BOSCH Stirnrad | Ersatzteile für Winkelschrauber | 3606316052
Hersteller: BOSCH
Artikelnummer: EB-0602471107-3606316052
Netto: 20,80 € zzgl. MwSt.
zzgl. 6,90 € Versand (brutto)
einmalig pro Bestellung

Lieferzeit: 5 Werktage

Stück
Pos.
341
BOSCH Überwurfmutter | Ersatzteile für Winkelschrauber | 3603340016
Hersteller: BOSCH
Artikelnummer: EB-0602471107-3603340016
nur Informationsartikel
Nie mehr lieferbar
keine Alternativen
Pos.
342
BOSCH Sprengring | Ersatzteile für Winkelschrauber | 1600116004
Hersteller: BOSCH
Artikelnummer: EB-0602471107-1600116004
nur Informationsartikel
Nie mehr lieferbar
keine Alternativen
Pos.
343
BOSCH Sicherungsring DIN 472-28x1,2 MM | Ersatzteile für Winkelschrauber | 2916660011
Hersteller: BOSCH
Artikelnummer: EB-0602471107-2916660011
Netto: 3,94 € zzgl. MwSt.
zzgl. 6,90 € Versand (brutto)
einmalig pro Bestellung

Lieferzeit: 5 Werktage

Stück
Pos.
344
BOSCH Lagerscheibe 15X28X2,75 | Ersatzteile für Winkelschrauber | 3600150003
Hersteller: BOSCH
Artikelnummer: EB-0602471107-3600150003
Netto: 10,62 € zzgl. MwSt.
zzgl. 6,90 € Versand (brutto)
einmalig pro Bestellung

Lieferzeit: 5 Werktage

Stück
Pos.
346
BOSCH O-Ring 30x2,5 MM | Ersatzteile für Winkelschrauber | 1900210131
Hersteller: BOSCH
Artikelnummer: EB-0602471107-1900210131
Netto: 5,65 € zzgl. MwSt.
zzgl. 6,90 € Versand (brutto)
einmalig pro Bestellung

Lieferzeit: 5 Werktage

Stück
Pos.
58
BOSCH Handgriff | Ersatzteile für Winkelschrauber | 3605132041
Hersteller: BOSCH
Artikelnummer: EB-0602471107-3605132041
Netto: 24,84 € zzgl. MwSt.
zzgl. 6,90 € Versand (brutto)
einmalig pro Bestellung

Lieferzeit: 5 Werktage

Stück
Pos.
353
BOSCH O-Ring 12,0x1,5 MM | Ersatzteile für Winkelschrauber | 3600210086
Hersteller: BOSCH
Artikelnummer: EB-0602471107-3600210086
Netto: 4,80 € zzgl. MwSt.
zzgl. 6,90 € Versand (brutto)
einmalig pro Bestellung

Lieferzeit: 5 Werktage

Stück
Pos.
356
BOSCH Axialnadelkranz | Ersatzteile für Winkelschrauber | 1610913000
Hersteller: BOSCH
Artikelnummer: EB-0602471107-1610913000
Netto: 4,80 € zzgl. MwSt.
zzgl. 6,90 € Versand (brutto)
einmalig pro Bestellung

Lieferzeit: 5 Werktage

Stück
Pos.
357
BOSCH Nadelhülse | Ersatzteile für Winkelschrauber | 2600914004
Hersteller: BOSCH
Artikelnummer: EB-0602471107-2600914004
Netto: 5,65 € zzgl. MwSt.
zzgl. 6,90 € Versand (brutto)
einmalig pro Bestellung

Lieferzeit: 5 Werktage

Stück
Pos.
359
BOSCH Ausgleichscheibe | Ersatzteile für Winkelschrauber | 3600102008
Hersteller: BOSCH
Artikelnummer: EB-0602471107-3600102008
Netto: 4,56 € zzgl. MwSt.
zzgl. 6,90 € Versand (brutto)
einmalig pro Bestellung

Lieferzeit: 5 Werktage

Stück
Pos.
360
BOSCH Führungshülse | Ersatzteile für Winkelschrauber | 3600320016
Hersteller: BOSCH
Artikelnummer: EB-0602471107-3600320016
Netto: 12,50 € zzgl. MwSt.
zzgl. 6,90 € Versand (brutto)
einmalig pro Bestellung

Lieferzeit: 5 Werktage

Stück
Pos.
361
BOSCH Druckfeder | Ersatzteile für Winkelschrauber | 1604611004
Hersteller: BOSCH
Artikelnummer: EB-0602471107-1604611004
Netto: 4,80 € zzgl. MwSt.
zzgl. 6,90 € Versand (brutto)
einmalig pro Bestellung

Lieferzeit: 5 Werktage

Stück
Pos.
363
BOSCH O-Ring 26,0x1,5 MM | Ersatzteile für Winkelschrauber | 2600210018
Hersteller: BOSCH
Artikelnummer: EB-0602471107-2600210018
Netto: 5,17 € zzgl. MwSt.
zzgl. 6,90 € Versand (brutto)
einmalig pro Bestellung

Lieferzeit: 5 Werktage

Stück
Pos.
364
BOSCH Ausgleichscheibe | Ersatzteile für Winkelschrauber | 3608870176
Hersteller: BOSCH
Artikelnummer: EB-0602471107-3608870176
Netto: 4,36 € zzgl. MwSt.
zzgl. 6,90 € Versand (brutto)
einmalig pro Bestellung

Lieferzeit: 5 Werktage

Stück
Pos.
365
BOSCH Stützscheibe 1,2 MM DICK | Ersatzteile für Winkelschrauber | 1610101627
Hersteller: BOSCH
Artikelnummer: EB-0602471107-1610101627
Netto: 3,60 € zzgl. MwSt.
zzgl. 6,90 € Versand (brutto)
einmalig pro Bestellung

Lieferzeit: 5 Werktage

Stück
Pos.
99
BOSCH Hinweisschild | Ersatzteile für Winkelschrauber | 3601119236
Hersteller: BOSCH
Artikelnummer: EB-0602471107-3601119236
Netto: 5,17 € zzgl. MwSt.
zzgl. 6,90 € Versand (brutto)
einmalig pro Bestellung

Lieferzeit: 5 Werktage

Stück
Pos.
226
BOSCH Ritzel | Ersatzteile für Winkelschrauber | 3606300060
Hersteller: BOSCH
Artikelnummer: EB-0602471107-3606300060
nur Informationsartikel
Nie mehr lieferbar
keine Alternativen
Pos.
231
BOSCH Anlaufscheibe | Ersatzteile für Winkelschrauber | 3600113010
Hersteller: BOSCH
Artikelnummer: EB-0602471107-3600113010
Netto: 4,80 € zzgl. MwSt.
zzgl. 6,90 € Versand (brutto)
einmalig pro Bestellung

Lieferzeit: 5 Werktage

Stück
Pos.
234
BOSCH Nadelrolle | Ersatzteile für Winkelschrauber | 3603201044
Hersteller: BOSCH
Artikelnummer: EB-0602471107-3603201044
Netto: 3,94 € zzgl. MwSt.
zzgl. 6,90 € Versand (brutto)
einmalig pro Bestellung

Lieferzeit: 5 Werktage

Stück
Pos.
236
BOSCH Rillenkugellager | Ersatzteile für Winkelschrauber | 3600900016
Hersteller: BOSCH
Artikelnummer: EB-0602471107-3600900016
nur Informationsartikel
Nie mehr lieferbar
keine Alternativen
Pos.
241
BOSCH Rillenkugellager | Ersatzteile für Winkelschrauber | 3600900017
Hersteller: BOSCH
Artikelnummer: EB-0602471107-3600900017
nur Informationsartikel
Nie mehr lieferbar
keine Alternativen
Pos.
249
BOSCH Nadelkranz | Ersatzteile für Winkelschrauber | 3600903001
Hersteller: BOSCH
Artikelnummer: EB-0602471107-3600903001
Netto: 8,23 € zzgl. MwSt.
zzgl. 6,90 € Versand (brutto)
einmalig pro Bestellung

Lieferzeit: 5 Werktage

Stück
Pos.
253
BOSCH Anlaufscheibe | Ersatzteile für Winkelschrauber | 3600101024
Hersteller: BOSCH
Artikelnummer: EB-0602471107-3600101024
Netto: 7,66 € zzgl. MwSt.
zzgl. 6,90 € Versand (brutto)
einmalig pro Bestellung

Lieferzeit: 5 Werktage

Stück
Pos.
339
BOSCH Spindelgehaeuse | Ersatzteile für Winkelschrauber | 3608873773
Hersteller: BOSCH
Artikelnummer: EB-0602471107-3608873773
Netto: 433,37 € zzgl. MwSt.
zzgl. 6,90 € Versand (brutto)
einmalig pro Bestellung

Lieferzeit: 5 Werktage

Stück
Pos.
340
BOSCH Lagerscheibe | Ersatzteile für Winkelschrauber | 3600103004
Hersteller: BOSCH
Artikelnummer: EB-0602471107-3600103004
Netto: 11,58 € zzgl. MwSt.
zzgl. 6,90 € Versand (brutto)
einmalig pro Bestellung

Lieferzeit: 5 Werktage

Stück
Pos.
347
BOSCH Nadelhülse | Ersatzteile für Winkelschrauber | 3600917010
Hersteller: BOSCH
Artikelnummer: EB-0602471107-3600917010
Netto: 23,72 € zzgl. MwSt.
zzgl. 6,90 € Versand (brutto)
einmalig pro Bestellung

Lieferzeit: 5 Werktage

Stück
Pos.
348
BOSCH Nadellager | Ersatzteile für Winkelschrauber | 2000910002
Hersteller: BOSCH
Artikelnummer: EB-0602471107-2000910002
Netto: 5,17 € zzgl. MwSt.
zzgl. 6,90 € Versand (brutto)
einmalig pro Bestellung

Lieferzeit: 5 Werktage

Stück
Pos.
350
BOSCH Kegelrad Z=10 | Ersatzteile für Winkelschrauber | 3606100009
Hersteller: BOSCH
Artikelnummer: EB-0602471107-3606100009
Netto: 166,58 € zzgl. MwSt.
zzgl. 6,90 € Versand (brutto)
einmalig pro Bestellung

Lieferzeit: 5 Werktage

Stück
Pos.
351
BOSCH Tellerrad Z=14 | Ersatzteile für Winkelschrauber | 3606100007
Hersteller: BOSCH
Artikelnummer: EB-0602471107-3606100007
Netto: 185,46 € zzgl. MwSt.
zzgl. 6,90 € Versand (brutto)
einmalig pro Bestellung

Lieferzeit: 5 Werktage

Stück
Pos.
352
BOSCH Lagerflansch | Ersatzteile für Winkelschrauber | 3603490002
Hersteller: BOSCH
Artikelnummer: EB-0602471107-3603490002
Netto: 91,88 € zzgl. MwSt.
zzgl. 6,90 € Versand (brutto)
einmalig pro Bestellung

Lieferzeit: 5 Werktage

Stück
Pos.
354
BOSCH Nadelkranz | Ersatzteile für Winkelschrauber | 3600915002
Hersteller: BOSCH
Artikelnummer: EB-0602471107-3600915002
Netto: 12,50 € zzgl. MwSt.
zzgl. 6,90 € Versand (brutto)
einmalig pro Bestellung

Lieferzeit: 5 Werktage

Stück
Pos.
358
BOSCH Nadelrolle | Ersatzteile für Winkelschrauber | 3603201038
Hersteller: BOSCH
Artikelnummer: EB-0602471107-3603201038
nur Informationsartikel
Nie mehr lieferbar
keine Alternativen
Pos.
359
BOSCH Ausgleichscheibe | Ersatzteile für Winkelschrauber | 3600102007
Hersteller: BOSCH
Artikelnummer: EB-0602471107-3600102007
Netto: 4,80 € zzgl. MwSt.
zzgl. 6,90 € Versand (brutto)
einmalig pro Bestellung

Lieferzeit: 5 Werktage

Stück
Pos.
362
BOSCH Druckbolzen | Ersatzteile für Winkelschrauber | 1603124060
Hersteller: BOSCH
Artikelnummer: EB-0602471107-1603124060
Netto: 6,75 € zzgl. MwSt.
zzgl. 6,90 € Versand (brutto)
einmalig pro Bestellung

Lieferzeit: 5 Werktage

Stück
Pos.
364
BOSCH Ausgleichscheibe | Ersatzteile für Winkelschrauber | 3608870173
Hersteller: BOSCH
Artikelnummer: EB-0602471107-3608870173
Netto: 4,80 € zzgl. MwSt.
zzgl. 6,90 € Versand (brutto)
einmalig pro Bestellung

Lieferzeit: 5 Werktage

Stück
Pos.
650
BOSCH Aufhängebügel | Ersatzteile für Winkelschrauber | 2601310002
Hersteller: BOSCH
Artikelnummer: EB-0602471107-2601310002
Netto: 13,81 € zzgl. MwSt.
zzgl. 6,90 € Versand (brutto)
einmalig pro Bestellung

Lieferzeit: 5 Werktage

Stück

Angaben zur Produktsicherheit

Hersteller:
Robert Bosch Power Tools GmbH
Postfach 30 02 20
70442 Stuttgart

E-Mail:
kontakt@bosch.de