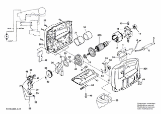
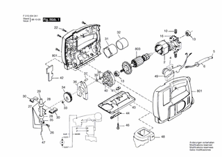
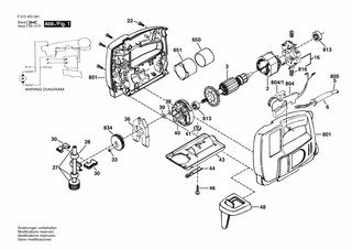
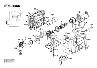
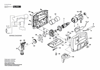
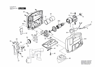
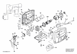
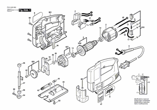
BOSCH Ersatzteile nach Maschine