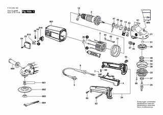
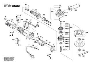
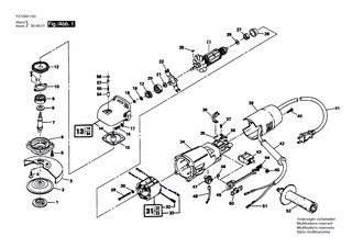
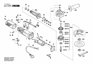
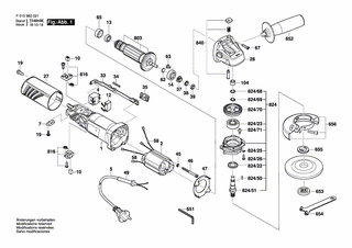
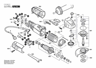
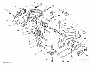
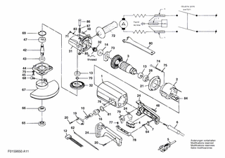
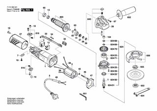
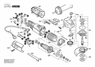
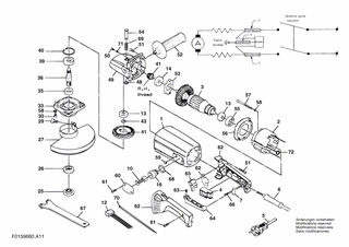
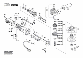
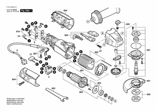
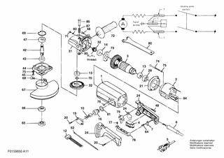
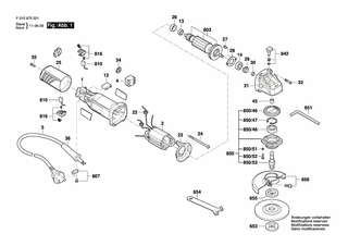
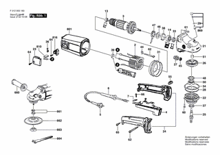
BOSCH Ersatzteile nach Maschine