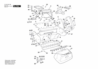
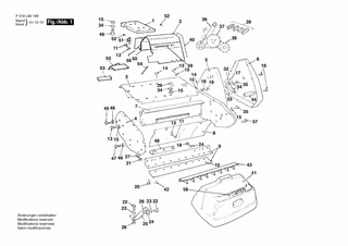
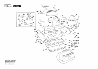
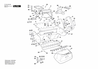
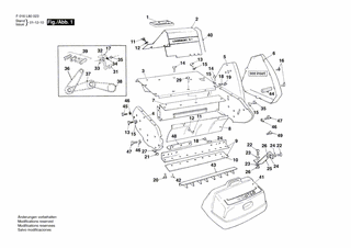
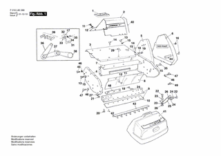
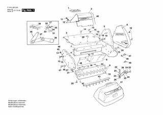
BOSCH Ersatzteile nach Maschine