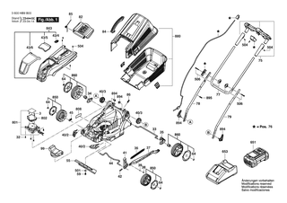
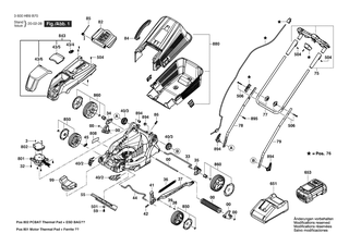
BOSCH Ersatzteile nach Maschine