BOSCH Typschild | Ersatzteile für Schlagbohrmaschine | 160111A3H3

Artikelnummer: EB-0603240701-160111A3H3

Position: 888

Marke: BOSCH


Bitte Kompatibilität prüfen!

Bitte prüfen Sie unbedingt die 10-stellige Typennummer Ihrer Maschine / Ihres Gerätes. Das Ersatzteil ist nur kompatibel, wenn Sie die Typennummer Ihrer Maschine in der unten stehenden Produktbeschreibung finden.

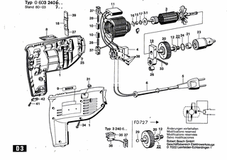
Bitte prüfen Sie ebenfalls detailliert die Explosionszeichnung mit Ihrem Artikelwunsch und der jeweiligen Pos-Nummer.

Alle Elemente, welche vom schwarzen Strich der Pos-Nummer ausgehend berührt / erfasst werden, gehören zu dieser Pos-Nummer und somit zu diesem Artikel. Jede Pos-Nummer ist ein eigenständiger Artikel, welchen Sie in der Auflistung finden.

Sie erhalten stets die aktuellste, neueste Produktversion zu der gewählten Pos-Nummer seitens des Herstellers. Es kann daher je nach Gerätealter vorkommen, dass Sie ggf. weitere, zugehörige Elemente, welche an diese Pos-Nummer grenzen, ebenfalls mittauschen müssen.

Nähere Informationen finden Sie unter dem Link
Hinweise zu Ihrer BOSCH Ersatzteilsuche

Preisübersicht

Einzelpreis: 4,56 €* (Brutto: 5,43 €)
Gesamtpreis: 4,56 €* 
Position:

Lieferzeit: 5 Werktage


Beschreibung

  • Typschild
  • Original Bosch Zubehör / BOSCH Ersatzteil (160111A3H3)
  • im Gerät verbaut: 1
Dieses BOSCH Ersatzteil ist mit folgendem Gerät und Modell kompatibel:
  • BOSCH Gerätename: Schlagbohrmaschine
  • BOSCH Explosionszeichnung: Position 888
  • BOSCH Typennummer: 0603240701
  • BOSCH Typennummer alternative Schreibweisen: 0 603 240 701, 0603 240 701, 0.603.240.701, 0-603-240-701
    Bitte prüfen Sie diese Typennummer auf Ihrem Gerät um die Kompatibilität des BOSCH Ersatzteils zu gewährleisten.
Weitere BOSCH Ersatzteile des Gerätes Schlagbohrmaschine mit der Typennummer 0603240701 finden Sie in der nachfolgenden Darstellung und im Dropdown zu Ihrer Auswahl:

Pos.
1
BOSCH Gehäuseschale | Ersatzteile für Schlagbohrmaschine | 2605104935
Hersteller: BOSCH
Artikelnummer: EB-0603240701-2605104935
nur Informationsartikel
Nie mehr lieferbar
keine Alternativen
Pos.
2
BOSCH Polschuh 110V | Ersatzteile für Schlagbohrmaschine | 2604220336
Hersteller: BOSCH
Artikelnummer: EB-0603240701-2604220336
nur Informationsartikel
Nie mehr lieferbar
keine Alternativen
Pos.
3
BOSCH Anker Mit Lüfter 110V | Ersatzteile für Schlagbohrmaschine | 2604010487
Hersteller: BOSCH
Artikelnummer: EB-0603240701-2604010487
nur Informationsartikel
Nie mehr lieferbar
keine Alternativen
Pos.
4
BOSCH Ein/Aus-Schalter | Ersatzteile für Schlagbohrmaschine | 1609202464
Hersteller: BOSCH
Artikelnummer: EB-0603240701-1607200060
Netto: 20,80 € zzgl. MwSt.
zzgl. 6,90 € Versand (brutto)
einmalig pro Bestellung

Lieferzeit: 5 Werktage

Pos.
5
BOSCH Netzanschlussleitung | Ersatzteile für Schlagbohrmaschine | 2604460075
Hersteller: BOSCH
Artikelnummer: EB-0603240701-2604460075
nur Informationsartikel
Nie mehr lieferbar
keine Alternativen
Pos.
6
BOSCH Tülle Ø9,5 MM | Ersatzteile für Schlagbohrmaschine | 2600703006
Hersteller: BOSCH
Artikelnummer: EB-0603240701-2600703006
nur Informationsartikel
Nie mehr lieferbar
keine Alternativen
Pos.
6
BOSCH Tülle Ø6,4-Ø7,5x75 MM | Ersatzteile für Schlagbohrmaschine | 1600703016
Hersteller: BOSCH
Artikelnummer: EB-0603240701-1600703016
Netto: 3,60 € zzgl. MwSt.
zzgl. 6,90 € Versand (brutto)
einmalig pro Bestellung

Lieferzeit: 5 Werktage

Pos.
8
BOSCH Typschild | Ersatzteile für Schlagbohrmaschine | 2601105051
Hersteller: BOSCH
Artikelnummer: EB-0603240701-2601105051
nur Informationsartikel
Nie mehr lieferbar
keine Alternativen
Pos.
9
BOSCH Firmenschild | Ersatzteile für Schlagbohrmaschine | 1601110013
Hersteller: BOSCH
Artikelnummer: EB-0603240701-1601110013
nur Informationsartikel
Nie mehr lieferbar
keine Alternativen
Pos.
12
BOSCH Ausgleichscheibe 0,3 MM | Ersatzteile für Schlagbohrmaschine | 2600101617
Hersteller: BOSCH
Artikelnummer: EB-0603240701-2600101617
Netto: 3,94 € zzgl. MwSt.
zzgl. 6,90 € Versand (brutto)
einmalig pro Bestellung

Lieferzeit: 5 Werktage

Pos.
12
BOSCH Ausgleichscheibe 0,5 MM | Ersatzteile für Schlagbohrmaschine | 2600101616
Hersteller: BOSCH
Artikelnummer: EB-0603240701-2600101616
Netto: 4,80 € zzgl. MwSt.
zzgl. 6,90 € Versand (brutto)
einmalig pro Bestellung

Lieferzeit: 5 Werktage

Pos.
13
BOSCH Schmierfilz | Ersatzteile für Schlagbohrmaschine | 2601020005
Hersteller: BOSCH
Artikelnummer: EB-0603240701-2601020005
nur Informationsartikel
Nie mehr lieferbar
keine Alternativen
Pos.
15
BOSCH Sinterbuchse | Ersatzteile für Schlagbohrmaschine | 1900301004
Hersteller: BOSCH
Artikelnummer: EB-0603240701-1900301004
nur Informationsartikel
Nie mehr lieferbar
keine Alternativen
Pos.
16
BOSCH Druckplatte 1,5 MM | Ersatzteile für Schlagbohrmaschine | 1601000013
Hersteller: BOSCH
Artikelnummer: EB-0603240701-1601000013
nur Informationsartikel
Nie mehr lieferbar
keine Alternativen
Pos.
16
BOSCH Zwischenplatte 0,3 MM | Ersatzteile für Schlagbohrmaschine | 2601000018
Hersteller: BOSCH
Artikelnummer: EB-0603240701-2601000018
nur Informationsartikel
Nie mehr lieferbar
keine Alternativen
Pos.
17
BOSCH O-Ring 8,0x2,5 MM | Ersatzteile für Schlagbohrmaschine | 1610210014
Hersteller: BOSCH
Artikelnummer: EB-0603240701-1610210014
nur Informationsartikel
Nie mehr lieferbar
keine Alternativen
Pos.
18
BOSCH Verstellschieber | Ersatzteile für Schlagbohrmaschine | 2601322003
Hersteller: BOSCH
Artikelnummer: EB-0603240701-2601322003
nur Informationsartikel
Nie mehr lieferbar
keine Alternativen
Pos.
19
BOSCH Lagerbrücke | Ersatzteile für Schlagbohrmaschine | 2605807901
Hersteller: BOSCH
Artikelnummer: EB-0603240701-2605807901
nur Informationsartikel
Nie mehr lieferbar
keine Alternativen
Pos.
20
BOSCH Stirnrad Z=46 | Ersatzteile für Schlagbohrmaschine | 2606320013
Hersteller: BOSCH
Artikelnummer: EB-0603240701-2606320013
nur Informationsartikel
Nie mehr lieferbar
keine Alternativen
Pos.
21
BOSCH Zylinderrollenlager | Ersatzteile für Schlagbohrmaschine | 1900301014
Hersteller: BOSCH
Artikelnummer: EB-0603240701-1900301014
nur Informationsartikel
Nie mehr lieferbar
keine Alternativen
Pos.
22
BOSCH Bohrspindel | Ersatzteile für Schlagbohrmaschine | 2603515003
Hersteller: BOSCH
Artikelnummer: EB-0603240701-2606135902
nur Informationsartikel
Nie mehr lieferbar
keine Alternativen
Pos.
23
BOSCH Bohrfutter Ø 1-10 MM, 3/8 Zoll | Ersatzteile für Schlagbohrmaschine | 1608571033
Hersteller: BOSCH
Artikelnummer: EB-0603240701-1608571033
nur Informationsartikel
Nie mehr lieferbar
keine Alternativen
Pos.
23
BOSCH Bohrfutterschlüssel SG2 | Ersatzteile für Schlagbohrmaschine | 2607950007
Hersteller: BOSCH
Artikelnummer: EB-0603240701-2607950007
Netto: 7,26 € zzgl. MwSt.
zzgl. 6,90 € Versand (brutto)
einmalig pro Bestellung

Lieferzeit: 5 Werktage

Pos.
24
BOSCH O-Ring 15x2,5 MM | Ersatzteile für Schlagbohrmaschine | 1900210113
Hersteller: BOSCH
Artikelnummer: EB-0603240701-1900210113
Netto: 4,56 € zzgl. MwSt.
zzgl. 6,90 € Versand (brutto)
einmalig pro Bestellung

Lieferzeit: 5 Werktage

Pos.
25
BOSCH Kugel DIN 5401-5 G28 | Ersatzteile für Schlagbohrmaschine | 1903230009
Hersteller: BOSCH
Artikelnummer: EB-0603240701-1903230009
Netto: 3,60 € zzgl. MwSt.
zzgl. 6,90 € Versand (brutto)
einmalig pro Bestellung

Lieferzeit: 5 Werktage

Pos.
26
BOSCH Nadelhülse Ø8xØ12x10 MM | Ersatzteile für Schlagbohrmaschine | 1610910057
Hersteller: BOSCH
Artikelnummer: EB-0603240701-1610910057
Netto: 4,80 € zzgl. MwSt.
zzgl. 6,90 € Versand (brutto)
einmalig pro Bestellung

Lieferzeit: 5 Werktage

Pos.
27
BOSCH Schutzkappe | Ersatzteile für Schlagbohrmaschine | 2600522002
Hersteller: BOSCH
Artikelnummer: EB-0603240701-2600522002
nur Informationsartikel
Nie mehr lieferbar
keine Alternativen
Pos.
28
BOSCH Druckfeder | Ersatzteile für Schlagbohrmaschine | 2604610009
Hersteller: BOSCH
Artikelnummer: EB-0603240701-2604610009
nur Informationsartikel
Nie mehr lieferbar
keine Alternativen
Pos.
29
BOSCH Kugel DIN 5401-Ø7MM-III-ST | Ersatzteile für Schlagbohrmaschine | 1903230013
Hersteller: BOSCH
Artikelnummer: EB-0603240701-1903230013
Netto: 4,36 € zzgl. MwSt.
zzgl. 6,90 € Versand (brutto)
einmalig pro Bestellung

Lieferzeit: 5 Werktage

Pos.
31
BOSCH Sechskantmutter DIN 934-M6-8-A | Ersatzteile für Schlagbohrmaschine | 2915011007
Hersteller: BOSCH
Artikelnummer: EB-0603240701-2915011007
Netto: 3,60 € zzgl. MwSt.
zzgl. 6,90 € Versand (brutto)
einmalig pro Bestellung

Lieferzeit: 5 Werktage

Pos.
32
BOSCH Nadelrolle A 3x15,8G2DIN5402 | Ersatzteile für Schlagbohrmaschine | 1903201044
Hersteller: BOSCH
Artikelnummer: EB-0603240701-1903201044
Netto: 4,27 € zzgl. MwSt.
zzgl. 6,90 € Versand (brutto)
einmalig pro Bestellung

Lieferzeit: 5 Werktage

Pos.
33
BOSCH Linsenkopfschraube 4x32 | Ersatzteile für Schlagbohrmaschine | 2603490026
Hersteller: BOSCH
Artikelnummer: EB-0603240701-2603490026
Netto: 3,60 € zzgl. MwSt.
zzgl. 6,90 € Versand (brutto)
einmalig pro Bestellung

Lieferzeit: 5 Werktage

Pos.
34
BOSCH Blechschraube DIN 7971-ST3,9x16-F | Ersatzteile für Schlagbohrmaschine | 2910211019
Hersteller: BOSCH
Artikelnummer: EB-0603240701-2910211019
Netto: 3,60 € zzgl. MwSt.
zzgl. 6,90 € Versand (brutto)
einmalig pro Bestellung

Lieferzeit: 5 Werktage

Pos.
35
BOSCH Ein/Aus-Schalter | Ersatzteile für Schlagbohrmaschine | 2607200904
Hersteller: BOSCH
Artikelnummer: EB-0603240701-2607200904
nur Informationsartikel
Nie mehr lieferbar
keine Alternativen
Pos.
36
BOSCH Si-Diode | Ersatzteile für Schlagbohrmaschine | 2607320008
Hersteller: BOSCH
Artikelnummer: EB-0603240701-2607320008
nur Informationsartikel
Nie mehr lieferbar
keine Alternativen
Pos.
37
BOSCH Bürstenhalter | Ersatzteile für Schlagbohrmaschine | 2604337001
Hersteller: BOSCH
Artikelnummer: EB-0603240701-2604337001
nur Informationsartikel
Nie mehr lieferbar
keine Alternativen
Pos.
38
BOSCH Zylinderschraube M3x6,5-4.8 | Ersatzteile für Schlagbohrmaschine | 2603410001
Hersteller: BOSCH
Artikelnummer: EB-0603240701-2603410001
Netto: 3,94 € zzgl. MwSt.
zzgl. 6,90 € Versand (brutto)
einmalig pro Bestellung

Lieferzeit: 5 Werktage

Pos.
39
BOSCH Schutzkappe | Ersatzteile für Schlagbohrmaschine | 2600522003
Hersteller: BOSCH
Artikelnummer: EB-0603240701-2600522003
nur Informationsartikel
Nie mehr lieferbar
keine Alternativen
Pos.
41
BOSCH Blechschraube DIN 7971-BZ2,9x6,5 | Ersatzteile für Schlagbohrmaschine | 2910211004
Hersteller: BOSCH
Artikelnummer: EB-0603240701-2910211004
nur Informationsartikel
Nie mehr lieferbar
keine Alternativen
Pos.
42
BOSCH Befestigungsschelle | Ersatzteile für Schlagbohrmaschine | 1601034026
Hersteller: BOSCH
Artikelnummer: EB-0603240701-1601034026
nur Informationsartikel
Nie mehr lieferbar
keine Alternativen
Pos.
700
BOSCH Handgriff M6 | Ersatzteile für Schlagbohrmaschine | 2602025023
Hersteller: BOSCH
Artikelnummer: EB-0603240701-2602025023
nur Informationsartikel
Nie mehr lieferbar
keine Alternativen
Pos.
810
BOSCH Kohlebürste | Ersatzteile für Schlagbohrmaschine | 1604321900
Hersteller: BOSCH
Artikelnummer: EB-0603240701-1604321900
nur Informationsartikel
Nie mehr lieferbar
keine Alternativen
Pos.
888
BOSCH Typschild | Ersatzteile für Schlagbohrmaschine | 160111A3H3
Hersteller: BOSCH
Artikelnummer: EB-0603240701-160111A3H3
Netto: 4,56 € zzgl. MwSt.
zzgl. 6,90 € Versand (brutto)
einmalig pro Bestellung

Lieferzeit: 5 Werktage

Pos.
888
BOSCH Typschild 26x52 MM | Ersatzteile für Schlagbohrmaschine | 1601106032
Hersteller: BOSCH
Artikelnummer: EB-0603240701-1601106032
nur Informationsartikel
Nie mehr lieferbar
keine Alternativen

Angaben zur Produktsicherheit

Hersteller:
Robert Bosch Power Tools GmbH
Postfach 30 02 20
70442 Stuttgart

E-Mail:
kontakt@bosch.de