BOSCH Blechschraube DIN 7971-ST3,9x22-F | Ersatzteile für Bohrhammer | 2910211021

Artikelnummer: EB-0611201048-2910211021

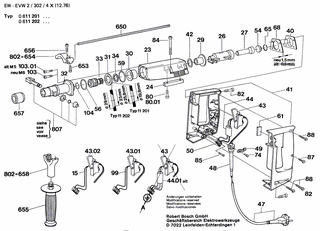
Position: 88

Marke: BOSCH


Bitte Kompatibilität prüfen!

Bitte prüfen Sie unbedingt die 10-stellige Typennummer Ihrer Maschine / Ihres Gerätes. Das Ersatzteil ist nur kompatibel, wenn Sie die Typennummer Ihrer Maschine in der unten stehenden Produktbeschreibung finden.

Bitte prüfen Sie ebenfalls detailliert die Explosionszeichnung mit Ihrem Artikelwunsch und der jeweiligen Pos-Nummer.

Alle Elemente, welche vom schwarzen Strich der Pos-Nummer ausgehend berührt / erfasst werden, gehören zu dieser Pos-Nummer und somit zu diesem Artikel. Jede Pos-Nummer ist ein eigenständiger Artikel, welchen Sie in der Auflistung finden.

Sie erhalten stets die aktuellste, neueste Produktversion zu der gewählten Pos-Nummer seitens des Herstellers. Es kann daher je nach Gerätealter vorkommen, dass Sie ggf. weitere, zugehörige Elemente, welche an diese Pos-Nummer grenzen, ebenfalls mittauschen müssen.

Nähere Informationen finden Sie unter dem Link
Hinweise zu Ihrer BOSCH Ersatzteilsuche

Preisübersicht

Einzelpreis: 3,94 €* (Brutto: 4,69 €)
Gesamtpreis: 3,94 €* 
Position:

Lieferzeit: 5 Werktage


Beschreibung

  • Blechschraube DIN 7971-ST3,9x22-F
  • Original Bosch Zubehör / BOSCH Ersatzteil (2910211021)
  • im Gerät verbaut: 1
Dieses BOSCH Ersatzteil ist mit folgendem Gerät und Modell kompatibel:
  • BOSCH Gerätename: Bohrhammer
  • BOSCH Explosionszeichnung: Position 88
  • BOSCH Typennummer: 0611201048
  • BOSCH Typennummer alternative Schreibweisen: 0 611 201 048, 0611 201 048, 0.611.201.048, 0-611-201-048
    Bitte prüfen Sie diese Typennummer auf Ihrem Gerät um die Kompatibilität des BOSCH Ersatzteils zu gewährleisten.
Weitere BOSCH Ersatzteile des Gerätes Bohrhammer mit der Typennummer 0611201048 finden Sie in der nachfolgenden Darstellung und im Dropdown zu Ihrer Auswahl:

Pos.
1
BOSCH Motorgehäuse | Ersatzteile für Bohrhammer | 1615102052
Hersteller: BOSCH
Artikelnummer: EB-0611201048-1615102052
nur Informationsartikel
Nie mehr lieferbar
keine Alternativen
Pos.
20/20
BOSCH Lagerbolzen | Ersatzteile für Bohrhammer | 1613100007
Hersteller: BOSCH
Artikelnummer: EB-0611201048-1613100007
nur Informationsartikel
Nie mehr lieferbar
keine Alternativen
Pos.
2
BOSCH Polschuh 220-230V | Ersatzteile für Bohrhammer | 1614220042
Hersteller: BOSCH
Artikelnummer: EB-0611201048-1614220042
nur Informationsartikel
Nie mehr lieferbar
keine Alternativen
Pos.
3
BOSCH Dichtring | Ersatzteile für Bohrhammer | 1610205000
Hersteller: BOSCH
Artikelnummer: EB-0611201048-1610205000
nur Informationsartikel
Nie mehr lieferbar
keine Alternativen
Pos.
4
BOSCH Nadellager | Ersatzteile für Bohrhammer | 1610910052
Hersteller: BOSCH
Artikelnummer: EB-0611201048-1610910052
nur Informationsartikel
Nie mehr lieferbar
keine Alternativen
Pos.
5
BOSCH Anker 220-230V | Ersatzteile für Bohrhammer | 1614011023
Hersteller: BOSCH
Artikelnummer: EB-0611201048-1614011023
nur Informationsartikel
Nie mehr lieferbar
keine Alternativen
Pos.
6
BOSCH Flanschlager | Ersatzteile für Bohrhammer | 1615805045
Hersteller: BOSCH
Artikelnummer: EB-0611201048-1615805045
nur Informationsartikel
Nie mehr lieferbar
keine Alternativen
Pos.
7
BOSCH Rillenkugellager | Ersatzteile für Bohrhammer | 1610905000
Hersteller: BOSCH
Artikelnummer: EB-0611201048-1610905000
nur Informationsartikel
Nie mehr lieferbar
keine Alternativen
Pos.
8
BOSCH Zwischenplatte | Ersatzteile für Bohrhammer | 1611038015
Hersteller: BOSCH
Artikelnummer: EB-0611201048-1611038015
nur Informationsartikel
Nie mehr lieferbar
keine Alternativen
Pos.
9
BOSCH Lüfter | Ersatzteile für Bohrhammer | 1616610044
Hersteller: BOSCH
Artikelnummer: EB-0611201048-1616610044
nur Informationsartikel
Nie mehr lieferbar
keine Alternativen
Pos.
10
BOSCH Gehäusedeckel | Ersatzteile für Bohrhammer | 1615500123
Hersteller: BOSCH
Artikelnummer: EB-0611201048-1615500123
nur Informationsartikel
Nie mehr lieferbar
keine Alternativen
Pos.
12
BOSCH Spiralfeder | Ersatzteile für Bohrhammer | 1614652000
Hersteller: BOSCH
Artikelnummer: EB-0611201048-1614652000
nur Informationsartikel
Nie mehr lieferbar
keine Alternativen
Pos.
13
BOSCH Verschlussdeckel | Ersatzteile für Bohrhammer | 3615500502
Hersteller: BOSCH
Artikelnummer: EB-0611201048-3615500502
nur Informationsartikel
Nie mehr lieferbar
keine Alternativen
Pos.
16
BOSCH Lagergehäuse | Ersatzteile für Bohrhammer | 1615820045
Hersteller: BOSCH
Artikelnummer: EB-0611201048-1615820045
nur Informationsartikel
Nie mehr lieferbar
keine Alternativen
Pos.
17
BOSCH Nadelhülse | Ersatzteile für Bohrhammer | 1610910044
Hersteller: BOSCH
Artikelnummer: EB-0611201048-1610910044
nur Informationsartikel
Nie mehr lieferbar
keine Alternativen
Pos.
19
BOSCH Nadelhülse | Ersatzteile für Bohrhammer | 1610910048
Hersteller: BOSCH
Artikelnummer: EB-0611201048-1610910048
nur Informationsartikel
Nie mehr lieferbar
keine Alternativen
Pos.
20
BOSCH Exzenterwelle Z=46 | Ersatzteile für Bohrhammer | 1616110013
Hersteller: BOSCH
Artikelnummer: EB-0611201048-1616110013
nur Informationsartikel
Nie mehr lieferbar
keine Alternativen
Pos.
21
BOSCH Stirnrad Z=18 | Ersatzteile für Bohrhammer | 1616317013
Hersteller: BOSCH
Artikelnummer: EB-0611201048-1616317013
nur Informationsartikel
Nie mehr lieferbar
keine Alternativen
Pos.
22
BOSCH Lagerbuchse | Ersatzteile für Bohrhammer | 1610300043
Hersteller: BOSCH
Artikelnummer: EB-0611201048-1610300043
nur Informationsartikel
Nie mehr lieferbar
keine Alternativen
Pos.
23
BOSCH Getriebegehäuse | Ersatzteile für Bohrhammer | 1615806017
Hersteller: BOSCH
Artikelnummer: EB-0611201048-1615806017
nur Informationsartikel
Nie mehr lieferbar
keine Alternativen
Pos.
24
BOSCH Führungsschiene | Ersatzteile für Bohrhammer | 1612317003
Hersteller: BOSCH
Artikelnummer: EB-0611201048-1612317003
nur Informationsartikel
Nie mehr lieferbar
keine Alternativen
Pos.
26
BOSCH Hammerkolben | Ersatzteile für Bohrhammer | 1618700033
Hersteller: BOSCH
Artikelnummer: EB-0611201048-1618700033
nur Informationsartikel
Nie mehr lieferbar
keine Alternativen
Pos.
27
BOSCH Schläger | Ersatzteile für Bohrhammer | 1618710030
Hersteller: BOSCH
Artikelnummer: EB-0611201048-1618710030
nur Informationsartikel
Nie mehr lieferbar
keine Alternativen
Pos.
29
BOSCH Kegelrad Z=29 | Ersatzteile für Bohrhammer | 1616333001
Hersteller: BOSCH
Artikelnummer: EB-0611201048-1616333001
nur Informationsartikel
Nie mehr lieferbar
keine Alternativen
Pos.
30
BOSCH Distanzbuchse | Ersatzteile für Bohrhammer | 1610322004
Hersteller: BOSCH
Artikelnummer: EB-0611201048-1610322004
nur Informationsartikel
Nie mehr lieferbar
keine Alternativen
Pos.
31
BOSCH Stützscheibe | Ersatzteile für Bohrhammer | 1610120018
Hersteller: BOSCH
Artikelnummer: EB-0611201048-1610120018
nur Informationsartikel
Nie mehr lieferbar
keine Alternativen
Pos.
33
BOSCH Bohrhalter | Ersatzteile für Bohrhammer | 1618598037
Hersteller: BOSCH
Artikelnummer: EB-0611201048-1618598037
nur Informationsartikel
Nie mehr lieferbar
keine Alternativen
Pos.
34
BOSCH Haltering | Ersatzteile für Bohrhammer | 1610224001
Hersteller: BOSCH
Artikelnummer: EB-0611201048-1610224001
Netto: 3,60 € zzgl. MwSt.
zzgl. 6,90 € Versand (brutto)
einmalig pro Bestellung

Lieferzeit: 5 Werktage

Pos.
40
BOSCH Verschlussdeckel | Ersatzteile für Bohrhammer | 1615500194
Hersteller: BOSCH
Artikelnummer: EB-0611201048-1615500194
nur Informationsartikel
Nie mehr lieferbar
keine Alternativen
Pos.
41
BOSCH Handgriff | Ersatzteile für Bohrhammer | 1615133019
Hersteller: BOSCH
Artikelnummer: EB-0611201048-1615133019
nur Informationsartikel
Nie mehr lieferbar
keine Alternativen
Pos.
42
BOSCH Ausgleichscheibe Ø32xØ25x0,3 MM | Ersatzteile für Bohrhammer | 2100102016
Hersteller: BOSCH
Artikelnummer: EB-0611201048-2100102016
nur Informationsartikel
Nie mehr lieferbar
keine Alternativen
Pos.
43
BOSCH Ein/Aus-Schalter | Ersatzteile für Bohrhammer | 1617200017
Hersteller: BOSCH
Artikelnummer: EB-0611201048-1617200017
nur Informationsartikel
Nie mehr lieferbar
keine Alternativen
Pos.
44
BOSCH Entstörfilter | Ersatzteile für Bohrhammer | 1617328002
Hersteller: BOSCH
Artikelnummer: EB-0611201048-1617328002
nur Informationsartikel
Nie mehr lieferbar
keine Alternativen
Pos.
45
BOSCH Axialnadelkranz | Ersatzteile für Bohrhammer | 1610913000
Hersteller: BOSCH
Artikelnummer: EB-0611201048-1610913000
Netto: 4,80 € zzgl. MwSt.
zzgl. 6,90 € Versand (brutto)
einmalig pro Bestellung

Lieferzeit: 5 Werktage

Pos.
46
BOSCH Axiallagerscheibe 1,0 MM DICK | Ersatzteile für Bohrhammer | 1610101008
Hersteller: BOSCH
Artikelnummer: EB-0611201048-1610101008
nur Informationsartikel
Nie mehr lieferbar
keine Alternativen
Pos.
47
BOSCH Netzanschlussleitung EU 4,15m 2 x 1,0mm H07 RN-F | Ersatzteile für Bohrhammer | 1607000227
Hersteller: BOSCH
Artikelnummer: EB-0611201048-1607000227
Netto: 20,80 € zzgl. MwSt.
zzgl. 6,90 € Versand (brutto)
einmalig pro Bestellung

Lieferzeit: 5 Werktage

Pos.
48
BOSCH Tülle Ø9,2-Ø12x120 MM | Ersatzteile für Bohrhammer | 3600703011
Hersteller: BOSCH
Artikelnummer: EB-0611201048-3600703011
Netto: 4,80 € zzgl. MwSt.
zzgl. 6,90 € Versand (brutto)
einmalig pro Bestellung

Lieferzeit: 5 Werktage

Pos.
49
BOSCH Befestigungsschelle | Ersatzteile für Bohrhammer | 1601302013
Hersteller: BOSCH
Artikelnummer: EB-0611201048-1601302013
Netto: 3,94 € zzgl. MwSt.
zzgl. 6,90 € Versand (brutto)
einmalig pro Bestellung

Lieferzeit: 5 Werktage

Pos.
50
BOSCH Klemmenleiste 3x6 MM | Ersatzteile für Bohrhammer | 1901091013
Hersteller: BOSCH
Artikelnummer: EB-0611201048-1901091013
nur Informationsartikel
Nie mehr lieferbar
keine Alternativen
Pos.
52
BOSCH Typschild | Ersatzteile für Bohrhammer | 160111A3H3
Hersteller: BOSCH
Artikelnummer: EB-0611201048-160111A3H3
Netto: 4,56 € zzgl. MwSt.
zzgl. 6,90 € Versand (brutto)
einmalig pro Bestellung

Lieferzeit: 5 Werktage

Pos.
53
BOSCH Firmenschild | Ersatzteile für Bohrhammer | 1611110194
Hersteller: BOSCH
Artikelnummer: EB-0611201048-1611110194
nur Informationsartikel
Nie mehr lieferbar
keine Alternativen
Pos.
54
BOSCH Verschlussdeckel | Ersatzteile für Bohrhammer | 1610501031
Hersteller: BOSCH
Artikelnummer: EB-0611201048-1610501031
nur Informationsartikel
Nie mehr lieferbar
keine Alternativen
Pos.
56
BOSCH O-Ring 35,0x1,5 MM | Ersatzteile für Bohrhammer | 1600210010
Hersteller: BOSCH
Artikelnummer: EB-0611201048-1600210010
nur Informationsartikel
Nie mehr lieferbar
keine Alternativen
Pos.
57
BOSCH Unterlegscheibe 1,0 MM DICK | Ersatzteile für Bohrhammer | 1600102623
Hersteller: BOSCH
Artikelnummer: EB-0611201048-1600102623
nur Informationsartikel
Nie mehr lieferbar
keine Alternativen
Pos.
58
BOSCH Federscheibe DIN 137-A4 | Ersatzteile für Bohrhammer | 1600150006
Hersteller: BOSCH
Artikelnummer: EB-0611201048-1600150006
nur Informationsartikel
Nie mehr lieferbar
keine Alternativen
Pos.
59
BOSCH O-Ring 28,0x6,0 MM | Ersatzteile für Bohrhammer | 1610210015
Hersteller: BOSCH
Artikelnummer: EB-0611201048-1610210015
nur Informationsartikel
Nie mehr lieferbar
keine Alternativen
Pos.
61
BOSCH Isolierstreifen 33x10x6 MM | Ersatzteile für Bohrhammer | 1602381001
Hersteller: BOSCH
Artikelnummer: EB-0611201048-1602381001
nur Informationsartikel
Nie mehr lieferbar
keine Alternativen
Pos.
62
BOSCH Sicherungsring DIN 472-28x1,2 MM | Ersatzteile für Bohrhammer | 2916660011
Hersteller: BOSCH
Artikelnummer: EB-0611201048-2916660011
Netto: 3,94 € zzgl. MwSt.
zzgl. 6,90 € Versand (brutto)
einmalig pro Bestellung

Lieferzeit: 5 Werktage

Pos.
64
BOSCH Halbrundkerbnagel 2x6 DIN 1476-ST | Ersatzteile für Bohrhammer | 2917721034
Hersteller: BOSCH
Artikelnummer: EB-0611201048-2917721034
Netto: 3,60 € zzgl. MwSt.
zzgl. 6,90 € Versand (brutto)
einmalig pro Bestellung

Lieferzeit: 5 Werktage

Pos.
65
BOSCH Sprengring 26 DIN 9045 | Ersatzteile für Bohrhammer | 2916601014
Hersteller: BOSCH
Artikelnummer: EB-0611201048-2916601014
nur Informationsartikel
Nie mehr lieferbar
keine Alternativen
Pos.
66
BOSCH Dichtplatte | Ersatzteile für Bohrhammer | 1611015006
Hersteller: BOSCH
Artikelnummer: EB-0611201048-1611015006
nur Informationsartikel
Nie mehr lieferbar
keine Alternativen
Pos.
67
BOSCH Dichtplatte | Ersatzteile für Bohrhammer | 1611015007
Hersteller: BOSCH
Artikelnummer: EB-0611201048-1611015007
nur Informationsartikel
Nie mehr lieferbar
keine Alternativen
Pos.
68
BOSCH Dichtplatte 1,5 MM | Ersatzteile für Bohrhammer | 1611015015
Hersteller: BOSCH
Artikelnummer: EB-0611201048-1611015015
nur Informationsartikel
Nie mehr lieferbar
keine Alternativen
Pos.
70
BOSCH Sechskantmutter DIN 985-M8-8 | Ersatzteile für Bohrhammer | 2915061005
Hersteller: BOSCH
Artikelnummer: EB-0611201048-2915061005
Netto: 4,56 € zzgl. MwSt.
zzgl. 6,90 € Versand (brutto)
einmalig pro Bestellung

Lieferzeit: 5 Werktage

Pos.
74
BOSCH Zylinderschraube DIN 84-AM4x6-8.8 | Ersatzteile für Bohrhammer | 2910021116
Hersteller: BOSCH
Artikelnummer: EB-0611201048-2910021116
Netto: 4,36 € zzgl. MwSt.
zzgl. 6,90 € Versand (brutto)
einmalig pro Bestellung

Lieferzeit: 5 Werktage

Pos.
75
BOSCH Zylinderschraube DIN 84-AM4x10-8.8 | Ersatzteile für Bohrhammer | 2910021120
Hersteller: BOSCH
Artikelnummer: EB-0611201048-2910021120
Netto: 3,60 € zzgl. MwSt.
zzgl. 6,90 € Versand (brutto)
einmalig pro Bestellung

Lieferzeit: 5 Werktage

Pos.
77
BOSCH Zylinderschraube DIN 84-BM5x55-8.8 | Ersatzteile für Bohrhammer | 2910021176
Hersteller: BOSCH
Artikelnummer: EB-0611201048-2910021176
nur Informationsartikel
Nie mehr lieferbar
keine Alternativen
Pos.
80
BOSCH Innensechskantschraube | Ersatzteile für Bohrhammer | 3603414028
Hersteller: BOSCH
Artikelnummer: EB-0611201048-3603414028
Netto: 3,94 € zzgl. MwSt.
zzgl. 6,90 € Versand (brutto)
einmalig pro Bestellung

Lieferzeit: 5 Werktage

Pos.
82
BOSCH Innensechskantschraube M5x25 DIN 912-10.9 | Ersatzteile für Bohrhammer | 2910151164
Hersteller: BOSCH
Artikelnummer: EB-0611201048-2910151164
Netto: 3,60 € zzgl. MwSt.
zzgl. 6,90 € Versand (brutto)
einmalig pro Bestellung

Lieferzeit: 5 Werktage

Pos.
83
BOSCH Teilesatz 2 STUECK | Ersatzteile für Bohrhammer | 1617000120
Hersteller: BOSCH
Artikelnummer: EB-0611201048-1617000120
nur Informationsartikel
Nie mehr lieferbar
keine Alternativen
Pos.
84
BOSCH Innensechskantschraube | Ersatzteile für Bohrhammer | 1617000121
Hersteller: BOSCH
Artikelnummer: EB-0611201048-1617000121
nur Informationsartikel
Nie mehr lieferbar
keine Alternativen
Pos.
85
BOSCH Blechschraube DIN 7971-BZ2,9x16 | Ersatzteile für Bohrhammer | 2910211007
Hersteller: BOSCH
Artikelnummer: EB-0611201048-2910211007
nur Informationsartikel
Nie mehr lieferbar
keine Alternativen
Pos.
86
BOSCH Blechschraube DIN 7972-B3,9x13 | Ersatzteile für Bohrhammer | 2910601118
Hersteller: BOSCH
Artikelnummer: EB-0611201048-2910601118
Netto: 3,60 € zzgl. MwSt.
zzgl. 6,90 € Versand (brutto)
einmalig pro Bestellung

Lieferzeit: 5 Werktage

Pos.
87
BOSCH Blechschraube DIN 7971-BZ3,5x13 | Ersatzteile für Bohrhammer | 2910211011
Hersteller: BOSCH
Artikelnummer: EB-0611201048-2910211011
Netto: 3,60 € zzgl. MwSt.
zzgl. 6,90 € Versand (brutto)
einmalig pro Bestellung

Lieferzeit: 5 Werktage

Pos.
88
BOSCH Blechschraube DIN 7971-ST3,9x22-F | Ersatzteile für Bohrhammer | 2910211021
Hersteller: BOSCH
Artikelnummer: EB-0611201048-2910211021
Netto: 3,94 € zzgl. MwSt.
zzgl. 6,90 € Versand (brutto)
einmalig pro Bestellung

Lieferzeit: 5 Werktage

Pos.
89
BOSCH Stirnrad Z=43 | Ersatzteile für Bohrhammer | 1616309007
Hersteller: BOSCH
Artikelnummer: EB-0611201048-1616309007
nur Informationsartikel
Nie mehr lieferbar
keine Alternativen
Pos.
90
BOSCH Zahnwelle Z=8 | Ersatzteile für Bohrhammer | 1616333003
Hersteller: BOSCH
Artikelnummer: EB-0611201048-1616333003
nur Informationsartikel
Nie mehr lieferbar
keine Alternativen
Pos.
91
BOSCH Kupplungsteil | Ersatzteile für Bohrhammer | 1610320008
Hersteller: BOSCH
Artikelnummer: EB-0611201048-1610320008
nur Informationsartikel
Nie mehr lieferbar
keine Alternativen
Pos.
94
BOSCH Kugel DIN 5401-5 G28 | Ersatzteile für Bohrhammer | 1903230009
Hersteller: BOSCH
Artikelnummer: EB-0611201048-1903230009
Netto: 3,60 € zzgl. MwSt.
zzgl. 6,90 € Versand (brutto)
einmalig pro Bestellung

Lieferzeit: 5 Werktage

Pos.
95
BOSCH Kupplungsteil | Ersatzteile für Bohrhammer | 1610320009
Hersteller: BOSCH
Artikelnummer: EB-0611201048-1610320009
nur Informationsartikel
Nie mehr lieferbar
keine Alternativen
Pos.
103
BOSCH Innensechskantschraube DIN 912-M6x18-8.8 | Ersatzteile für Bohrhammer | 2910141199
Hersteller: BOSCH
Artikelnummer: EB-0611201048-2910141199
Netto: 5,17 € zzgl. MwSt.
zzgl. 6,90 € Versand (brutto)
einmalig pro Bestellung

Lieferzeit: 5 Werktage

Pos.
103
BOSCH Innensechskantschraube M5x20 MM | Ersatzteile für Bohrhammer | 1613414005
Hersteller: BOSCH
Artikelnummer: EB-0611201048-1613414005
nur Informationsartikel
Nie mehr lieferbar
keine Alternativen
Pos.
104
BOSCH Sprengring 22 DIN 9045 | Ersatzteile für Bohrhammer | 2916603012
Hersteller: BOSCH
Artikelnummer: EB-0611201048-2916603012
nur Informationsartikel
Nie mehr lieferbar
keine Alternativen
Pos.
650
BOSCH Tiefenanschlag SW 6x330 MM | Ersatzteile für Bohrhammer | 1613001003
Hersteller: BOSCH
Artikelnummer: EB-0611201048-1613001003
Netto: 8,84 € zzgl. MwSt.
zzgl. 6,90 € Versand (brutto)
einmalig pro Bestellung

Lieferzeit: 5 Werktage

Pos.
652
BOSCH Winkelschraubendreher DIN 911-4 | Ersatzteile für Bohrhammer | 2607950004
Hersteller: BOSCH
Artikelnummer: EB-0611201048-2607950004
Netto: 3,94 € zzgl. MwSt.
zzgl. 6,90 € Versand (brutto)
einmalig pro Bestellung

Lieferzeit: 5 Werktage

Pos.
653
BOSCH Innensechskantschraube DIN 912-M5x12-8.8 | Ersatzteile für Bohrhammer | 2910141154
Hersteller: BOSCH
Artikelnummer: EB-0611201048-2910141154
nur Informationsartikel
Nie mehr lieferbar
keine Alternativen
Pos.
657
BOSCH Verschlusskappe | Ersatzteile für Bohrhammer | 2600508018
Hersteller: BOSCH
Artikelnummer: EB-0611201048-2600508018
Netto: 4,56 € zzgl. MwSt.
zzgl. 6,90 € Versand (brutto)
einmalig pro Bestellung

Lieferzeit: 5 Werktage

Pos.
660
BOSCH Bohrhalter | Ersatzteile für Bohrhammer | 1618598038
Hersteller: BOSCH
Artikelnummer: EB-0611201048-1618598038
nur Informationsartikel
Nie mehr lieferbar
keine Alternativen
Pos.
800
BOSCH Teilesatz | Ersatzteile für Bohrhammer | 1617000022
Hersteller: BOSCH
Artikelnummer: EB-0611201048-1617000022
nur Informationsartikel
Nie mehr lieferbar
keine Alternativen
Pos.
801
BOSCH Stirnrad Z=43/8 | Ersatzteile für Bohrhammer | 1616309009
Hersteller: BOSCH
Artikelnummer: EB-0611201048-1616309009
nur Informationsartikel
Nie mehr lieferbar
keine Alternativen
Pos.
802
BOSCH Verschleissteilsatz | Ersatzteile für Bohrhammer | 1617000018
Hersteller: BOSCH
Artikelnummer: EB-0611201048-1617000018
nur Informationsartikel
Nie mehr lieferbar
keine Alternativen
Pos.
806
BOSCH Werkzeughalter | Ersatzteile für Bohrhammer | 1618597902
Hersteller: BOSCH
Artikelnummer: EB-0611201048-1618597902
nur Informationsartikel
Nie mehr lieferbar
keine Alternativen
Pos.
807
BOSCH Sperrbolzen-Set | Ersatzteile für Bohrhammer | 1617000014
Hersteller: BOSCH
Artikelnummer: EB-0611201048-1617000014
nur Informationsartikel
Nie mehr lieferbar
keine Alternativen
Pos.
808
BOSCH Kohlebürstensatz | Ersatzteile für Bohrhammer | 1617014110
Hersteller: BOSCH
Artikelnummer: EB-0611201048-1617014110
Netto: 15,15 € zzgl. MwSt.
zzgl. 6,90 € Versand (brutto)
einmalig pro Bestellung

Lieferzeit: 5 Werktage

Pos.
820
BOSCH Umbausatz | Ersatzteile für Bohrhammer | 1617031000
Hersteller: BOSCH
Artikelnummer: EB-0611201048-1617031000
nur Informationsartikel
Nie mehr lieferbar
keine Alternativen

Angaben zur Produktsicherheit

Hersteller:
Robert Bosch Power Tools GmbH
Postfach 30 02 20
70442 Stuttgart

E-Mail:
kontakt@bosch.de