BOSCH Schraube | Ersatzteile für 0760 | 1619PA2410

Artikelnummer: EB-F015076024-1619PA2410

Position: 825/40

Marke: BOSCH


Bitte Kompatibilität prüfen!

Bitte prüfen Sie unbedingt die 10-stellige Typennummer Ihrer Maschine / Ihres Gerätes. Das Ersatzteil ist nur kompatibel, wenn Sie die Typennummer Ihrer Maschine in der unten stehenden Produktbeschreibung finden.

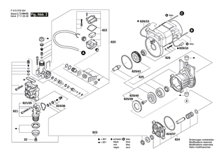
Bitte prüfen Sie ebenfalls detailliert die Explosionszeichnung mit Ihrem Artikelwunsch und der jeweiligen Pos-Nummer.

Alle Elemente, welche vom schwarzen Strich der Pos-Nummer ausgehend berührt / erfasst werden, gehören zu dieser Pos-Nummer und somit zu diesem Artikel. Jede Pos-Nummer ist ein eigenständiger Artikel, welchen Sie in der Auflistung finden.

Sie erhalten stets die aktuellste, neueste Produktversion zu der gewählten Pos-Nummer seitens des Herstellers. Es kann daher je nach Gerätealter vorkommen, dass Sie ggf. weitere, zugehörige Elemente, welche an diese Pos-Nummer grenzen, ebenfalls mittauschen müssen.

Nähere Informationen finden Sie unter dem Link
Hinweise zu Ihrer BOSCH Ersatzteilsuche

Preisübersicht

Einzelpreis: 3,60 €* (Brutto: 4,28 €)
Gesamtpreis: 3,60 €* 
Position:

Lieferzeit: 5 Werktage


Beschreibung

  • Schraube
  • Original Bosch Zubehör / BOSCH Ersatzteil (1619PA2410)
  • im Gerät verbaut: 1
Dieses BOSCH Ersatzteil ist mit folgendem Gerät und Modell kompatibel:
  • BOSCH Gerätename: 0760
  • BOSCH Explosionszeichnung: Position 825/40
  • BOSCH Typennummer: F015076024
  • BOSCH Typennummer alternative Schreibweisen: F 015 076 024, F015 076 024, F.015.076.024, F-015-076-024
    Bitte prüfen Sie diese Typennummer auf Ihrem Gerät um die Kompatibilität des BOSCH Ersatzteils zu gewährleisten.
Weitere BOSCH Ersatzteile des Gerätes 0760 (Hochdruckreiniger) mit der Typennummer F015076024 finden Sie in der nachfolgenden Darstellung und im Dropdown zu Ihrer Auswahl:

Pos.
650/1
BOSCH Spritzpistole | Ersatzteile für 0760 | 1619PA4265
Hersteller: BOSCH
Artikelnummer: EB-F015076024-1619PA4265
nur Informationsartikel
Nie mehr lieferbar
keine Alternativen
Pos.
650/2
BOSCH Spritzdüse | Ersatzteile für 0760 | 1619PA4266
Hersteller: BOSCH
Artikelnummer: EB-F015076024-1619PA4266
nur Informationsartikel
Nie mehr lieferbar
keine Alternativen
Pos.
650/3
BOSCH Siebrohr | Ersatzteile für 0760 | 1619PA4267
Hersteller: BOSCH
Artikelnummer: EB-F015076024-1619PA4267
nur Informationsartikel
Nie mehr lieferbar
keine Alternativen
Pos.
821/35
BOSCH Dichtring | Ersatzteile für 0760 | 1619PA2404
Hersteller: BOSCH
Artikelnummer: EB-F015076024-1619PA2404
Netto: 3,60 € zzgl. MwSt.
zzgl. 6,90 € Versand (brutto)
einmalig pro Bestellung

Lieferzeit: 5 Werktage

Pos.
823/36
BOSCH Ventil | Ersatzteile für 0760 | 1619PA2407
Hersteller: BOSCH
Artikelnummer: EB-F015076024-1619PA2407
Netto: 4,56 € zzgl. MwSt.
zzgl. 6,90 € Versand (brutto)
einmalig pro Bestellung

Lieferzeit: 5 Werktage

Pos.
824/37
BOSCH O-Ring | Ersatzteile für 0760 | 1619PA2408
Hersteller: BOSCH
Artikelnummer: EB-F015076024-1619PA2408
Netto: 3,60 € zzgl. MwSt.
zzgl. 6,90 € Versand (brutto)
einmalig pro Bestellung

Lieferzeit: 5 Werktage

Pos.
825/39
BOSCH Kugellager | Ersatzteile für 0760 | 1619PA2409
Hersteller: BOSCH
Artikelnummer: EB-F015076024-1619PA2409
Netto: 5,17 € zzgl. MwSt.
zzgl. 6,90 € Versand (brutto)
einmalig pro Bestellung

Lieferzeit: 5 Werktage

Pos.
825/40
BOSCH Schraube | Ersatzteile für 0760 | 1619PA2410
Hersteller: BOSCH
Artikelnummer: EB-F015076024-1619PA2410
Netto: 3,60 € zzgl. MwSt.
zzgl. 6,90 € Versand (brutto)
einmalig pro Bestellung

Lieferzeit: 5 Werktage

Pos.
825/41
BOSCH Dichtring | Ersatzteile für 0760 | 1619PA2411
Hersteller: BOSCH
Artikelnummer: EB-F015076024-1619PA2411
nur Informationsartikel
Nie mehr lieferbar
keine Alternativen
Pos.
826/10
BOSCH Kohlebürste | Ersatzteile für 0760 | 1619PA2415
Hersteller: BOSCH
Artikelnummer: EB-F015076024-1619PA2415
nur Informationsartikel
Nie mehr lieferbar
keine Alternativen
Pos.
4
BOSCH Hauptschalter | Ersatzteile für 0760 | 1619PA1993
Hersteller: BOSCH
Artikelnummer: EB-F015076024-1619PA1993
Netto: 5,17 € zzgl. MwSt.
zzgl. 6,90 € Versand (brutto)
einmalig pro Bestellung

Lieferzeit: 5 Werktage

Pos.
5
BOSCH Netzanschlussleitung | Ersatzteile für 0760 | 1619PA1996
Hersteller: BOSCH
Artikelnummer: EB-F015076024-1619PA1996
nur Informationsartikel
Nie mehr lieferbar
keine Alternativen
Pos.
12
BOSCH Entstörkondensator | Ersatzteile für 0760 | 2610Z01414
Hersteller: BOSCH
Artikelnummer: EB-F015076024-2610Z01414
nur Informationsartikel
Nie mehr lieferbar
keine Alternativen
Pos.
22
BOSCH Kabeldurchführungstülle | Ersatzteile für 0760 | 1619PA1991
Hersteller: BOSCH
Artikelnummer: EB-F015076024-1619PA1991
Netto: 3,60 € zzgl. MwSt.
zzgl. 6,90 € Versand (brutto)
einmalig pro Bestellung

Lieferzeit: 5 Werktage

Pos.
28
BOSCH Entstördrossel | Ersatzteile für 0760 | 2610Z01415
Hersteller: BOSCH
Artikelnummer: EB-F015076024-2610Z01415
nur Informationsartikel
Nie mehr lieferbar
keine Alternativen
Pos.
32
BOSCH Durchführungsfilter | Ersatzteile für 0760 | 1619PA2406
Hersteller: BOSCH
Artikelnummer: EB-F015076024-1619PA2406
nur Informationsartikel
Nie mehr lieferbar
keine Alternativen
Pos.
33
BOSCH Schraube | Ersatzteile für 0760 | 1619PA2402
Hersteller: BOSCH
Artikelnummer: EB-F015076024-1619PA2402
nur Informationsartikel
Nie mehr lieferbar
keine Alternativen
Pos.
650
BOSCH Spritzpistole | Ersatzteile für 0760 | 1619PA2021
Hersteller: BOSCH
Artikelnummer: EB-F015076024-1619PA2021
nur Informationsartikel
Nie mehr lieferbar
keine Alternativen
Pos.
651
BOSCH Hochdruckschlauch | Ersatzteile für 0760 | 1619PA2401
Hersteller: BOSCH
Artikelnummer: EB-F015076024-1619PA2401
Netto: 18,86 € zzgl. MwSt.
zzgl. 6,90 € Versand (brutto)
einmalig pro Bestellung

Lieferzeit: 5 Werktage

Pos.
652
BOSCH Flasche | Ersatzteile für 0760 | 2610Z01421
Hersteller: BOSCH
Artikelnummer: EB-F015076024-2610Z01421
nur Informationsartikel
Nie mehr lieferbar
keine Alternativen
Pos.
653
BOSCH Einhängehaken | Ersatzteile für 0760 | 1619PA1994
Hersteller: BOSCH
Artikelnummer: EB-F015076024-1619PA1994
nur Informationsartikel
Nie mehr lieferbar
keine Alternativen
Pos.
654
BOSCH Wasseranschluss | Ersatzteile für 0760 | 1619PA2025
Hersteller: BOSCH
Artikelnummer: EB-F015076024-1619PA2025
nur Informationsartikel
Nie mehr lieferbar
keine Alternativen
Pos.
657
BOSCH Durchführungsfilter | Ersatzteile für 0760 | 1619PA2907
Hersteller: BOSCH
Artikelnummer: EB-F015076024-1619PA2907
nur Informationsartikel
Nie mehr lieferbar
keine Alternativen
Pos.
801
BOSCH Gehäusesatz | Ersatzteile für 0760 | 1619PA1992
Hersteller: BOSCH
Artikelnummer: EB-F015076024-1619PA1992
nur Informationsartikel
Nie mehr lieferbar
keine Alternativen
Pos.
807
BOSCH Leitungshalter | Ersatzteile für 0760 | 2610Z01419
Hersteller: BOSCH
Artikelnummer: EB-F015076024-2610Z01419
nur Informationsartikel
Nie mehr lieferbar
keine Alternativen
Pos.
820
BOSCH Pumpe | Ersatzteile für 0760 | 1619PA2508
Hersteller: BOSCH
Artikelnummer: EB-F015076024-1619PA2508
nur Informationsartikel
Nie mehr lieferbar
keine Alternativen
Pos.
821
BOSCH Wasserkammer | Ersatzteile für 0760 | 1619PA2421
Hersteller: BOSCH
Artikelnummer: EB-F015076024-1619PA2421
Netto: 5,17 € zzgl. MwSt.
zzgl. 6,90 € Versand (brutto)
einmalig pro Bestellung

Lieferzeit: 5 Werktage

Pos.
822
BOSCH Mikroschalter | Ersatzteile für 0760 | 2610Z01407
Hersteller: BOSCH
Artikelnummer: EB-F015076024-2610Z01407
nur Informationsartikel
Nie mehr lieferbar
keine Alternativen
Pos.
823
BOSCH Pumpengehäuse | Ersatzteile für 0760 | 1619PA2422
Hersteller: BOSCH
Artikelnummer: EB-F015076024-1619PA2422
nur Informationsartikel
Nie mehr lieferbar
keine Alternativen
Pos.
824
BOSCH Kolbengruppe | Ersatzteile für 0760 | 1619PA2423
Hersteller: BOSCH
Artikelnummer: EB-F015076024-1619PA2423
Netto: 9,75 € zzgl. MwSt.
zzgl. 6,90 € Versand (brutto)
einmalig pro Bestellung

Lieferzeit: 5 Werktage

Pos.
825
BOSCH Tankeinheit | Ersatzteile für 0760 | 1619PA2023
Hersteller: BOSCH
Artikelnummer: EB-F015076024-1619PA2023
Netto: 10,62 € zzgl. MwSt.
zzgl. 6,90 € Versand (brutto)
einmalig pro Bestellung

Lieferzeit: 5 Werktage

Pos.
826
BOSCH Scheibenspülermotor | Ersatzteile für 0760 | 1619PA2424
Hersteller: BOSCH
Artikelnummer: EB-F015076024-1619PA2424
Netto: 46,22 € zzgl. MwSt.
zzgl. 6,90 € Versand (brutto)
einmalig pro Bestellung

Lieferzeit: 5 Werktage

Pos.
827
BOSCH Abdeckung | Ersatzteile für 0760 | 2610Z01413
Hersteller: BOSCH
Artikelnummer: EB-F015076024-2610Z01413
nur Informationsartikel
Nie mehr lieferbar
keine Alternativen
Pos.
829
BOSCH Schaltkasten | Ersatzteile für 0760 | 1619PA2024
Hersteller: BOSCH
Artikelnummer: EB-F015076024-1619PA2024
nur Informationsartikel
Nie mehr lieferbar
keine Alternativen
Pos.
831
BOSCH Anpass-Set | Ersatzteile für 0760 | 2610Z01425
Hersteller: BOSCH
Artikelnummer: EB-F015076024-2610Z01425
nur Informationsartikel
Nie mehr lieferbar
keine Alternativen
Pos.
850
BOSCH O-Ring | Ersatzteile für 0760 | 1619PA4630
Hersteller: BOSCH
Artikelnummer: EB-F015076024-1619PA4630
nur Informationsartikel
Nie mehr lieferbar
keine Alternativen

Angaben zur Produktsicherheit

Hersteller:
Robert Bosch Power Tools GmbH
Postfach 30 02 20
70442 Stuttgart

E-Mail:
kontakt@bosch.de