BOSCH Leitungshalter | Ersatzteile für 1005 VSR | 2601035001

Artikelnummer: EB-0601144562-2601035001

Position: 7

Marke: BOSCH


Bitte Kompatibilität prüfen!

Bitte prüfen Sie unbedingt die 10-stellige Typennummer Ihrer Maschine / Ihres Gerätes. Das Ersatzteil ist nur kompatibel, wenn Sie die Typennummer Ihrer Maschine in der unten stehenden Produktbeschreibung finden.

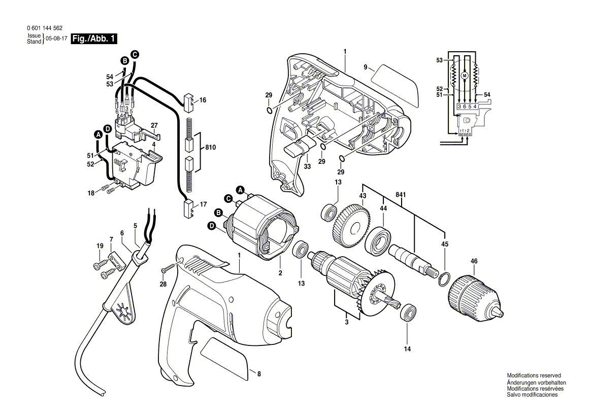
Bitte prüfen Sie ebenfalls detailliert die Explosionszeichnung mit Ihrem Artikelwunsch und der jeweiligen Pos-Nummer.

Alle Elemente, welche vom schwarzen Strich der Pos-Nummer ausgehend berührt / erfasst werden, gehören zu dieser Pos-Nummer und somit zu diesem Artikel. Jede Pos-Nummer ist ein eigenständiger Artikel, welchen Sie in der Auflistung finden.

Sie erhalten stets die aktuellste, neueste Produktversion zu der gewählten Pos-Nummer seitens des Herstellers. Es kann daher je nach Gerätealter vorkommen, dass Sie ggf. weitere, zugehörige Elemente, welche an diese Pos-Nummer grenzen, ebenfalls mittauschen müssen.

Nähere Informationen finden Sie unter dem Link
Hinweise zu Ihrer BOSCH Ersatzteilsuche

Preisübersicht

Einzelpreis: 3,94 €* (Brutto: 4,69 €)
Gesamtpreis: 3,94 €* 
Position:

Lieferzeit: 5 Werktage


Beschreibung

  • Leitungshalter
  • Original Bosch Zubehör / BOSCH Ersatzteil (2601035001)
  • im Gerät verbaut: 1
Dieses BOSCH Ersatzteil ist mit folgendem Gerät und Modell kompatibel:
  • BOSCH Gerätename: 1005 VSR
  • BOSCH Explosionszeichnung: Position 7
  • BOSCH Typennummer: 0601144562
  • BOSCH Typennummer alternative Schreibweisen: 0 601 144 562, 0601 144 562, 0.601.144.562, 0-601-144-562
    Bitte prüfen Sie diese Typennummer auf Ihrem Gerät um die Kompatibilität des BOSCH Ersatzteils zu gewährleisten.
Weitere BOSCH Ersatzteile des Gerätes 1005 VSR (Bohrmaschine) mit der Typennummer 0601144562 finden Sie in der nachfolgenden Darstellung und im Dropdown zu Ihrer Auswahl:

Pos.
1
BOSCH Gehäuseschale BLAU | Ersatzteile für 1005 VSR | 2605104590
Hersteller: BOSCH
Artikelnummer: EB-0601144562-2605104590
Netto: 11,58 € zzgl. MwSt.
zzgl. 6,90 € Versand (brutto)
einmalig pro Bestellung

Lieferzeit: 5 Werktage

Pos.
2
BOSCH Polschuh 110-115V | Ersatzteile für 1005 VSR | 2604220626
Hersteller: BOSCH
Artikelnummer: EB-0601144562-2604220626
nur Informationsartikel
Nie mehr lieferbar
keine Alternativen
Pos.
3
BOSCH Anker 110-120V | Ersatzteile für 1005 VSR | 2604011204
Hersteller: BOSCH
Artikelnummer: EB-0601144562-2604011204
Netto: 26,41 € zzgl. MwSt.
zzgl. 6,90 € Versand (brutto)
einmalig pro Bestellung

Lieferzeit: 5 Werktage

Pos.
4
BOSCH Schalter | Ersatzteile für 1005 VSR | 2607200406
Hersteller: BOSCH
Artikelnummer: EB-0601144562-2607200406
nur Informationsartikel
Nie mehr lieferbar
keine Alternativen
Pos.
5
BOSCH Netzanschlussleitung USA/CDN 2,15m 2 x 082mm SJ 18/2 | Ersatzteile für 1005 VSR | 2604460121
Hersteller: BOSCH
Artikelnummer: EB-0601144562-2604460121
nur Informationsartikel
Nie mehr lieferbar
keine Alternativen
Pos.
6
BOSCH Tülle Ø11,6-Ø12,5x84 MM | Ersatzteile für 1005 VSR | 2600707060
Hersteller: BOSCH
Artikelnummer: EB-0601144562-2600707060
Netto: 4,56 € zzgl. MwSt.
zzgl. 6,90 € Versand (brutto)
einmalig pro Bestellung

Lieferzeit: 5 Werktage

Pos.
7
BOSCH Leitungshalter | Ersatzteile für 1005 VSR | 2601035001
Hersteller: BOSCH
Artikelnummer: EB-0601144562-2601035001
Netto: 3,94 € zzgl. MwSt.
zzgl. 6,90 € Versand (brutto)
einmalig pro Bestellung

Lieferzeit: 5 Werktage

Pos.
8
BOSCH Typenetikett | Ersatzteile für 1005 VSR | 2609130218
Hersteller: BOSCH
Artikelnummer: EB-0601144562-2609130218
nur Informationsartikel
Nie mehr lieferbar
keine Alternativen
Pos.
9
BOSCH Firmenschild | Ersatzteile für 1005 VSR | 2609130219
Hersteller: BOSCH
Artikelnummer: EB-0601144562-2609130219
nur Informationsartikel
Nie mehr lieferbar
keine Alternativen
Pos.
13
BOSCH Rillenkugellager 8x19x6 | Ersatzteile für 1005 VSR | 2600905046
Hersteller: BOSCH
Artikelnummer: EB-0601144562-2600905046
Netto: 9,75 € zzgl. MwSt.
zzgl. 6,90 € Versand (brutto)
einmalig pro Bestellung

Lieferzeit: 5 Werktage

Pos.
14
BOSCH Rillenkugellager | Ersatzteile für 1005 VSR | 2609110054
Hersteller: BOSCH
Artikelnummer: EB-0601144562-2609110054
nur Informationsartikel
Nie mehr lieferbar
keine Alternativen
Pos.
16
BOSCH Bürstenhalter | Ersatzteile für 1005 VSR | 2604449050
Hersteller: BOSCH
Artikelnummer: EB-0601144562-2604449050
nur Informationsartikel
Nie mehr lieferbar
keine Alternativen
Pos.
17
BOSCH Bürstenhalter | Ersatzteile für 1005 VSR | 2604449051
Hersteller: BOSCH
Artikelnummer: EB-0601144562-2604449051
nur Informationsartikel
Nie mehr lieferbar
keine Alternativen
Pos.
18
BOSCH Zylinderschraube M3x6,5-4.8 | Ersatzteile für 1005 VSR | 2603410001
Hersteller: BOSCH
Artikelnummer: EB-0601144562-2603410001
Netto: 3,94 € zzgl. MwSt.
zzgl. 6,90 € Versand (brutto)
einmalig pro Bestellung

Lieferzeit: 5 Werktage

Pos.
19
BOSCH Blechschraube DIN 7981-ST3,9x16-C-H | Ersatzteile für 1005 VSR | 2910611019
Hersteller: BOSCH
Artikelnummer: EB-0601144562-2910611019
nur Informationsartikel
Nie mehr lieferbar
keine Alternativen
Pos.
27
BOSCH Umschalter | Ersatzteile für 1005 VSR | 2607200416
Hersteller: BOSCH
Artikelnummer: EB-0601144562-2607200416
Netto: 11,58 € zzgl. MwSt.
zzgl. 6,90 € Versand (brutto)
einmalig pro Bestellung

Lieferzeit: 5 Werktage

Pos.
28
BOSCH Blechschraube | Ersatzteile für 1005 VSR | 2603435065
Hersteller: BOSCH
Artikelnummer: EB-0601144562-2603435065
nur Informationsartikel
Nie mehr lieferbar
keine Alternativen
Pos.
29
BOSCH O-Ring 5,0x1,5 MM | Ersatzteile für 1005 VSR | 1900210000
Hersteller: BOSCH
Artikelnummer: EB-0601144562-1900210000
Netto: 3,94 € zzgl. MwSt.
zzgl. 6,90 € Versand (brutto)
einmalig pro Bestellung

Lieferzeit: 5 Werktage

Pos.
33
BOSCH Schutzdeckel | Ersatzteile für 1005 VSR | 2609100002
Hersteller: BOSCH
Artikelnummer: EB-0601144562-2609100002
nur Informationsartikel
Nie mehr lieferbar
keine Alternativen
Pos.
43
BOSCH Stirnrad | Ersatzteile für 1005 VSR | 2609110045
Hersteller: BOSCH
Artikelnummer: EB-0601144562-2609110045
nur Informationsartikel
Nie mehr lieferbar
keine Alternativen
Pos.
44
BOSCH Rillenkugellager 15x32x9 | Ersatzteile für 1005 VSR | 1900905122
Hersteller: BOSCH
Artikelnummer: EB-0601144562-1900905122
Netto: 9,05 € zzgl. MwSt.
zzgl. 6,90 € Versand (brutto)
einmalig pro Bestellung

Lieferzeit: 5 Werktage

Pos.
45
BOSCH Sicherungsbügel DIN 471-15x1-FSt | Ersatzteile für 1005 VSR | 2916650006
Hersteller: BOSCH
Artikelnummer: EB-0601144562-2916650006
Netto: 3,94 € zzgl. MwSt.
zzgl. 6,90 € Versand (brutto)
einmalig pro Bestellung

Lieferzeit: 5 Werktage

Pos.
46
BOSCH Schnellspannbohrfutter 3/8" | Ersatzteile für 1005 VSR | 2610910300
Hersteller: BOSCH
Artikelnummer: EB-0601144562-2610910300
Netto: 38,40 € zzgl. MwSt.
zzgl. 6,90 € Versand (brutto)
einmalig pro Bestellung

Lieferzeit: 5 Werktage

Pos.
51
BOSCH Verbindungsleitung | Ersatzteile für 1005 VSR | 2604448212
Hersteller: BOSCH
Artikelnummer: EB-0601144562-2604448212
Netto: 3,92 € zzgl. MwSt.
zzgl. 6,90 € Versand (brutto)
einmalig pro Bestellung

Lieferzeit: 5 Werktage

Pos.
52
BOSCH Elektr Leitung L=173 MM WEISS | Ersatzteile für 1005 VSR | 2604448060
Hersteller: BOSCH
Artikelnummer: EB-0601144562-2604448060
nur Informationsartikel
Nie mehr lieferbar
keine Alternativen
Pos.
53
BOSCH Verbindungsleitung | Ersatzteile für 1005 VSR | 2609120004
Hersteller: BOSCH
Artikelnummer: EB-0601144562-2609120004
Netto: 3,59 € zzgl. MwSt.
zzgl. 6,90 € Versand (brutto)
einmalig pro Bestellung

Lieferzeit: 5 Werktage

Pos.
54
BOSCH Verbindungsleitung | Ersatzteile für 1005 VSR | 2609120005
Hersteller: BOSCH
Artikelnummer: EB-0601144562-2609120005
Netto: 3,92 € zzgl. MwSt.
zzgl. 6,90 € Versand (brutto)
einmalig pro Bestellung

Lieferzeit: 5 Werktage

Pos.
810
BOSCH Kohlebürstensatz | Ersatzteile für 1005 VSR | 2604321904
Hersteller: BOSCH
Artikelnummer: EB-0601144562-2604321904
Netto: 9,05 € zzgl. MwSt.
zzgl. 6,90 € Versand (brutto)
einmalig pro Bestellung

Lieferzeit: 5 Werktage

Pos.
841
BOSCH Bohrspindel 3/8" | Ersatzteile für 1005 VSR | 2609110026
Hersteller: BOSCH
Artikelnummer: EB-0601144562-2609110026
nur Informationsartikel
Nie mehr lieferbar
keine Alternativen

Angaben zur Produktsicherheit

Hersteller:
Robert Bosch Power Tools GmbH
Postfach 30 02 20
70442 Stuttgart

E-Mail:
kontakt@bosch.de