BOSCH Netzanschlussleitung CH 230V 4,15m 2 x 1,0mm H05 RN-F | Ersatzteile für 1023 | 1604460403

Artikelnummer: EB-F015102312-1604460403

Position: 5

Marke: BOSCH


Bitte Kompatibilität prüfen!

Bitte prüfen Sie unbedingt die 10-stellige Typennummer Ihrer Maschine / Ihres Gerätes. Das Ersatzteil ist nur kompatibel, wenn Sie die Typennummer Ihrer Maschine in der unten stehenden Produktbeschreibung finden.

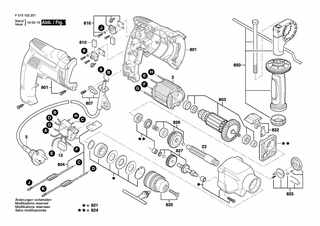
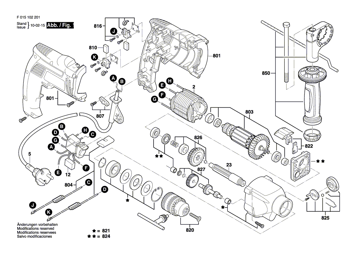
Bitte prüfen Sie ebenfalls detailliert die Explosionszeichnung mit Ihrem Artikelwunsch und der jeweiligen Pos-Nummer.

Alle Elemente, welche vom schwarzen Strich der Pos-Nummer ausgehend berührt / erfasst werden, gehören zu dieser Pos-Nummer und somit zu diesem Artikel. Jede Pos-Nummer ist ein eigenständiger Artikel, welchen Sie in der Auflistung finden.

Sie erhalten stets die aktuellste, neueste Produktversion zu der gewählten Pos-Nummer seitens des Herstellers. Es kann daher je nach Gerätealter vorkommen, dass Sie ggf. weitere, zugehörige Elemente, welche an diese Pos-Nummer grenzen, ebenfalls mittauschen müssen.

Nähere Informationen finden Sie unter dem Link
Hinweise zu Ihrer BOSCH Ersatzteilsuche

Preisübersicht

Einzelpreis: 14,36 €* (Brutto: 17,09 €)
Gesamtpreis: 14,36 €* 
Position:

Lieferzeit: 5 Werktage


Beschreibung

  • Netzanschlussleitung CH 230V 4,15m 2 x 1,0mm H05 RN-F
  • Original Bosch Zubehör / BOSCH Ersatzteil (1604460403)
  • im Gerät verbaut: 1
Dieses BOSCH Ersatzteil ist mit folgendem Gerät und Modell kompatibel:
  • BOSCH Gerätename: 1023
  • BOSCH Explosionszeichnung: Position 5
  • BOSCH Typennummer: F015102312
  • BOSCH Typennummer alternative Schreibweisen: F 015 102 312, F015 102 312, F.015.102.312, F-015-102-312
    Bitte prüfen Sie diese Typennummer auf Ihrem Gerät um die Kompatibilität des BOSCH Ersatzteils zu gewährleisten.
Weitere BOSCH Ersatzteile des Gerätes 1023 (Schlagbohrmaschine) mit der Typennummer F015102312 finden Sie in der nachfolgenden Darstellung und im Dropdown zu Ihrer Auswahl:

Pos.
2
BOSCH Polschuh 230V | Ersatzteile für 1023 | 2610Z01524
Hersteller: BOSCH
Artikelnummer: EB-F015102312-2610Z01524
nur Informationsartikel
Nie mehr lieferbar
keine Alternativen
Pos.
5
BOSCH Netzanschlussleitung CH 230V 4,15m 2 x 1,0mm H05 RN-F | Ersatzteile für 1023 | 1604460403
Hersteller: BOSCH
Artikelnummer: EB-F015102312-1604460403
Netto: 13,61 € zzgl. MwSt.
zzgl. 6,90 € Versand (brutto)
einmalig pro Bestellung

Lieferzeit: 5 Werktage

Pos.
12
BOSCH Störunterdrückung | Ersatzteile für 1023 | 2610Z00931
Hersteller: BOSCH
Artikelnummer: EB-F015102312-2610Z00931
nur Informationsartikel
Nie mehr lieferbar
keine Alternativen
Pos.
23
BOSCH Spindel | Ersatzteile für 1023 | 2610Z01004
Hersteller: BOSCH
Artikelnummer: EB-F015102312-2610Z01004
nur Informationsartikel
Nie mehr lieferbar
keine Alternativen
Pos.
801
BOSCH Motorgehäuse | Ersatzteile für 1023 | 2610Z01009
Hersteller: BOSCH
Artikelnummer: EB-F015102312-2610Z01009
nur Informationsartikel
Nie mehr lieferbar
keine Alternativen
Pos.
803
BOSCH Ankersatz 230V | Ersatzteile für 1023 | 2610Z01523
Hersteller: BOSCH
Artikelnummer: EB-F015102312-2610Z01523
nur Informationsartikel
Nie mehr lieferbar
keine Alternativen
Pos.
804
BOSCH Schalter-Set | Ersatzteile für 1023 | 2610Z01525
Hersteller: BOSCH
Artikelnummer: EB-F015102312-2610Z01525
nur Informationsartikel
Nie mehr lieferbar
keine Alternativen
Pos.
807
BOSCH Kabeltülle | Ersatzteile für 1023 | 2610Z00932
Hersteller: BOSCH
Artikelnummer: EB-F015102312-2610Z00932
nur Informationsartikel
Nie mehr lieferbar
keine Alternativen
Pos.
810
BOSCH Kohlebürste | Ersatzteile für 1023 | 2610Z00927
Hersteller: BOSCH
Artikelnummer: EB-F015102312-2610Z00927
nur Informationsartikel
Nie mehr lieferbar
keine Alternativen
Pos.
816
BOSCH Bürstenhalter | Ersatzteile für 1023 | 2610Z00928
Hersteller: BOSCH
Artikelnummer: EB-F015102312-2610Z00928
nur Informationsartikel
Nie mehr lieferbar
keine Alternativen
Pos.
820
BOSCH Bohrfutter | Ersatzteile für 1023 | 2610Z00923
Hersteller: BOSCH
Artikelnummer: EB-F015102312-2610Z00923
nur Informationsartikel
Nie mehr lieferbar
keine Alternativen
Pos.
821
BOSCH Gehäusevorderteil | Ersatzteile für 1023 | 2610Z00924
Hersteller: BOSCH
Artikelnummer: EB-F015102312-2610Z00924
nur Informationsartikel
Nie mehr lieferbar
keine Alternativen
Pos.
822
BOSCH Knopf | Ersatzteile für 1023 | 2610Z00926
Hersteller: BOSCH
Artikelnummer: EB-F015102312-2610Z00926
nur Informationsartikel
Nie mehr lieferbar
keine Alternativen
Pos.
824
BOSCH Tragplatte | Ersatzteile für 1023 | 2610Z01007
Hersteller: BOSCH
Artikelnummer: EB-F015102312-2610Z01007
nur Informationsartikel
Nie mehr lieferbar
keine Alternativen
Pos.
825
BOSCH Knopfsatz | Ersatzteile für 1023 | 2610Z01006
Hersteller: BOSCH
Artikelnummer: EB-F015102312-2610Z01006
nur Informationsartikel
Nie mehr lieferbar
keine Alternativen
Pos.
826
BOSCH Getriebeeinheit | Ersatzteile für 1023 | 2610Z01005
Hersteller: BOSCH
Artikelnummer: EB-F015102312-2610Z01005
nur Informationsartikel
Nie mehr lieferbar
keine Alternativen
Pos.
827
BOSCH Getriebe | Ersatzteile für 1023 | 2610Z01008
Hersteller: BOSCH
Artikelnummer: EB-F015102312-2610Z01008
nur Informationsartikel
Nie mehr lieferbar
keine Alternativen
Pos.
850
BOSCH Zusatzhandgriff | Ersatzteile für 1023 | 2610Z01719
Hersteller: BOSCH
Artikelnummer: EB-F015102312-2610Z01719
nur Informationsartikel
Nie mehr lieferbar
keine Alternativen

Angaben zur Produktsicherheit

Hersteller:
Robert Bosch Power Tools GmbH
Postfach 30 02 20
70442 Stuttgart

E-Mail:
kontakt@bosch.de