BOSCH Netzanschlussleitung CH 2,75m 2 x 1,0mm H05 VV-F | Ersatzteile für 1054 | 1604460423

Artikelnummer: EB-F015105401-1604460423

Position: 5

Marke: BOSCH


Bitte Kompatibilität prüfen!

Bitte prüfen Sie unbedingt die 10-stellige Typennummer Ihrer Maschine / Ihres Gerätes. Das Ersatzteil ist nur kompatibel, wenn Sie die Typennummer Ihrer Maschine in der unten stehenden Produktbeschreibung finden.

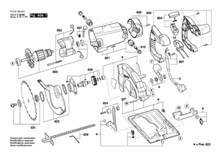
Bitte prüfen Sie ebenfalls detailliert die Explosionszeichnung mit Ihrem Artikelwunsch und der jeweiligen Pos-Nummer.

Alle Elemente, welche vom schwarzen Strich der Pos-Nummer ausgehend berührt / erfasst werden, gehören zu dieser Pos-Nummer und somit zu diesem Artikel. Jede Pos-Nummer ist ein eigenständiger Artikel, welchen Sie in der Auflistung finden.

Sie erhalten stets die aktuellste, neueste Produktversion zu der gewählten Pos-Nummer seitens des Herstellers. Es kann daher je nach Gerätealter vorkommen, dass Sie ggf. weitere, zugehörige Elemente, welche an diese Pos-Nummer grenzen, ebenfalls mittauschen müssen.

Nähere Informationen finden Sie unter dem Link
Hinweise zu Ihrer BOSCH Ersatzteilsuche

Preisübersicht

Einzelpreis: 9,18 €* (Brutto: 10,92 €)
Gesamtpreis: 9,18 €* 
Position:

Lieferzeit: 5 Werktage


Beschreibung

  • Netzanschlussleitung CH 2,75m 2 x 1,0mm H05 VV-F
  • Original Bosch Zubehör / BOSCH Ersatzteil (1604460423)
  • im Gerät verbaut: 1
Dieses BOSCH Ersatzteil ist mit folgendem Gerät und Modell kompatibel:
  • BOSCH Gerätename: 1054
  • BOSCH Explosionszeichnung: Position 5
  • BOSCH Typennummer: F015105401
  • BOSCH Typennummer alternative Schreibweisen: F 015 105 401, F015 105 401, F.015.105.401, F-015-105-401
    Bitte prüfen Sie diese Typennummer auf Ihrem Gerät um die Kompatibilität des BOSCH Ersatzteils zu gewährleisten.
Weitere BOSCH Ersatzteile des Gerätes 1054 (Handkreissäge) mit der Typennummer F015105401 finden Sie in der nachfolgenden Darstellung und im Dropdown zu Ihrer Auswahl:

Pos.
5
BOSCH Netzanschlussleitung CH 2,75m 2 x 1,0mm H05 VV-F | Ersatzteile für 1054 | 1604460423
Hersteller: BOSCH
Artikelnummer: EB-F015105401-1604460423
Netto: 9,05 € zzgl. MwSt.
zzgl. 6,90 € Versand (brutto)
einmalig pro Bestellung

Lieferzeit: 5 Werktage

Pos.
5
BOSCH Netzanschlussleitung EU 2,65m 2 x 1,0mm H05 VV-F | Ersatzteile für 1054 | 2610362954
Hersteller: BOSCH
Artikelnummer: EB-F015105401-2610362954
nur Informationsartikel
Nie mehr lieferbar
keine Alternativen
Pos.
5
BOSCH Netzanschlussleitung GB 230V 2,65m 2 x 1,0mm H05 VV-F | Ersatzteile für 1054 | 1604460124
Hersteller: BOSCH
Artikelnummer: EB-F015105401-1604460124
nur Informationsartikel
Nie mehr lieferbar
keine Alternativen
Pos.
12
BOSCH Entstörkondensator | Ersatzteile für 1054 | 2610Z08363
Hersteller: BOSCH
Artikelnummer: EB-F015105401-2610Z08363
nur Informationsartikel
Nie mehr lieferbar
keine Alternativen
Pos.
801
BOSCH Motorgehäuse | Ersatzteile für 1054 | 2610Z08358
Hersteller: BOSCH
Artikelnummer: EB-F015105401-2610Z08358
nur Informationsartikel
Nie mehr lieferbar
keine Alternativen
Pos.
802
BOSCH Polschuh | Ersatzteile für 1054 | 2610Z08362
Hersteller: BOSCH
Artikelnummer: EB-F015105401-2610Z08362
nur Informationsartikel
Nie mehr lieferbar
keine Alternativen
Pos.
803
BOSCH Anker | Ersatzteile für 1054 | 2610Z08361
Hersteller: BOSCH
Artikelnummer: EB-F015105401-2610Z08361
nur Informationsartikel
Nie mehr lieferbar
keine Alternativen
Pos.
804
BOSCH Schalter-Set | Ersatzteile für 1054 | 2610Z08355
Hersteller: BOSCH
Artikelnummer: EB-F015105401-2610Z08355
nur Informationsartikel
Nie mehr lieferbar
keine Alternativen
Pos.
807
BOSCH Tülle | Ersatzteile für 1054 | 2610Z08356
Hersteller: BOSCH
Artikelnummer: EB-F015105401-2610Z08356
nur Informationsartikel
Nie mehr lieferbar
keine Alternativen
Pos.
810
BOSCH Kohlebürstensatz | Ersatzteile für 1054 | 2610Z08357
Hersteller: BOSCH
Artikelnummer: EB-F015105401-2610Z08357
nur Informationsartikel
Nie mehr lieferbar
keine Alternativen
Pos.
821
BOSCH Aufspannflansch | Ersatzteile für 1054 | 2610Z08350
Hersteller: BOSCH
Artikelnummer: EB-F015105401-2610Z08350
nur Informationsartikel
Nie mehr lieferbar
keine Alternativen
Pos.
822
BOSCH Schutzoberteil | Ersatzteile für 1054 | 2610Z08351
Hersteller: BOSCH
Artikelnummer: EB-F015105401-2610Z08351
nur Informationsartikel
Nie mehr lieferbar
keine Alternativen
Pos.
823
BOSCH Schutzunterteil | Ersatzteile für 1054 | 2610Z08352
Hersteller: BOSCH
Artikelnummer: EB-F015105401-2610Z08352
nur Informationsartikel
Nie mehr lieferbar
keine Alternativen
Pos.
824
BOSCH Gummianschlag | Ersatzteile für 1054 | 2610Z08353
Hersteller: BOSCH
Artikelnummer: EB-F015105401-2610Z08353
nur Informationsartikel
Nie mehr lieferbar
keine Alternativen
Pos.
825
BOSCH Handgriff-Set | Ersatzteile für 1054 | 2610Z08354
Hersteller: BOSCH
Artikelnummer: EB-F015105401-2610Z08354
nur Informationsartikel
Nie mehr lieferbar
keine Alternativen
Pos.
826
BOSCH Gehäusedeckel | Ersatzteile für 1054 | 2610Z08359
Hersteller: BOSCH
Artikelnummer: EB-F015105401-2610Z08359
nur Informationsartikel
Nie mehr lieferbar
keine Alternativen
Pos.
827
BOSCH Feststelleinheit | Ersatzteile für 1054 | 2610Z08360
Hersteller: BOSCH
Artikelnummer: EB-F015105401-2610Z08360
nur Informationsartikel
Nie mehr lieferbar
keine Alternativen
Pos.
828
BOSCH Abtriebswelle | Ersatzteile für 1054 | 2610Z08364
Hersteller: BOSCH
Artikelnummer: EB-F015105401-2610Z08364
nur Informationsartikel
Nie mehr lieferbar
keine Alternativen
Pos.
829
BOSCH Ersatzteilsatz | Ersatzteile für 1054 | 2610Z08365
Hersteller: BOSCH
Artikelnummer: EB-F015105401-2610Z08365
nur Informationsartikel
Nie mehr lieferbar
keine Alternativen

Angaben zur Produktsicherheit

Hersteller:
Robert Bosch Power Tools GmbH
Postfach 30 02 20
70442 Stuttgart

E-Mail:
kontakt@bosch.de