BOSCH Rastkappe | Ersatzteile für 1194 A VSR | 2600590006

Artikelnummer: EB-0601194639-2600590006

Position: 71

Marke: BOSCH


Bitte Kompatibilität prüfen!

Bitte prüfen Sie unbedingt die 10-stellige Typennummer Ihrer Maschine / Ihres Gerätes. Das Ersatzteil ist nur kompatibel, wenn Sie die Typennummer Ihrer Maschine in der unten stehenden Produktbeschreibung finden.

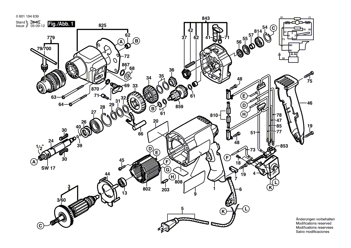
Bitte prüfen Sie ebenfalls detailliert die Explosionszeichnung mit Ihrem Artikelwunsch und der jeweiligen Pos-Nummer.

Alle Elemente, welche vom schwarzen Strich der Pos-Nummer ausgehend berührt / erfasst werden, gehören zu dieser Pos-Nummer und somit zu diesem Artikel. Jede Pos-Nummer ist ein eigenständiger Artikel, welchen Sie in der Auflistung finden.

Sie erhalten stets die aktuellste, neueste Produktversion zu der gewählten Pos-Nummer seitens des Herstellers. Es kann daher je nach Gerätealter vorkommen, dass Sie ggf. weitere, zugehörige Elemente, welche an diese Pos-Nummer grenzen, ebenfalls mittauschen müssen.

Nähere Informationen finden Sie unter dem Link
Hinweise zu Ihrer BOSCH Ersatzteilsuche

Preisübersicht

Einzelpreis: 3,94 €* (Brutto: 4,69 €)
Gesamtpreis: 3,94 €* 
Position:

Lieferzeit: 5 Werktage


Beschreibung

  • Rastkappe
  • Original Bosch Zubehör / BOSCH Ersatzteil (2600590006)
  • im Gerät verbaut: 1
Dieses BOSCH Ersatzteil ist mit folgendem Gerät und Modell kompatibel:
  • BOSCH Gerätename: 1194 A VSR
  • BOSCH Explosionszeichnung: Position 71
  • BOSCH Typennummer: 0601194639
  • BOSCH Typennummer alternative Schreibweisen: 0 601 194 639, 0601 194 639, 0.601.194.639, 0-601-194-639
    Bitte prüfen Sie diese Typennummer auf Ihrem Gerät um die Kompatibilität des BOSCH Ersatzteils zu gewährleisten.
Weitere BOSCH Ersatzteile des Gerätes 1194 A VSR (Schlagbohrmaschine) mit der Typennummer 0601194639 finden Sie in der nachfolgenden Darstellung und im Dropdown zu Ihrer Auswahl:

Pos.
1
BOSCH Motorgehäuse BLAU | Ersatzteile für 1194 A VSR | 2605104322
Hersteller: BOSCH
Artikelnummer: EB-0601194639-2605104322
nur Informationsartikel
Nie mehr lieferbar
keine Alternativen
Pos.
3/60
BOSCH Lüfter | Ersatzteile für 1194 A VSR | 2606610029
Hersteller: BOSCH
Artikelnummer: EB-0601194639-2606610029
Netto: 4,53 € zzgl. MwSt.
zzgl. 6,90 € Versand (brutto)
einmalig pro Bestellung

Lieferzeit: 5 Werktage

Pos.
79/700
BOSCH Bohrfutterschlüssel SG2 | Ersatzteile für 1194 A VSR | 2607950007
Hersteller: BOSCH
Artikelnummer: EB-0601194639-2607950007
Netto: 7,30 € zzgl. MwSt.
zzgl. 6,90 € Versand (brutto)
einmalig pro Bestellung

Lieferzeit: 5 Werktage

Pos.
799/20
BOSCH Sechskantmutter DIN 934-M6-8-A | Ersatzteile für 1194 A VSR | 2915011007
Hersteller: BOSCH
Artikelnummer: EB-0601194639-2915011007
Netto: 3,63 € zzgl. MwSt.
zzgl. 6,90 € Versand (brutto)
einmalig pro Bestellung

Lieferzeit: 5 Werktage

Pos.
799/30
BOSCH Flügelschraube M6x(15)55 | Ersatzteile für 1194 A VSR | 1613480007
Hersteller: BOSCH
Artikelnummer: EB-0601194639-1613480007
Netto: 3,94 € zzgl. MwSt.
zzgl. 6,90 € Versand (brutto)
einmalig pro Bestellung

Lieferzeit: 5 Werktage

Pos.
799/50
BOSCH Spannplatte M6 | Ersatzteile für 1194 A VSR | 2608040014
Hersteller: BOSCH
Artikelnummer: EB-0601194639-2608040014
nur Informationsartikel
Nie mehr lieferbar
keine Alternativen
Pos.
799/60
BOSCH Flügelschraube M6x20 MM | Ersatzteile für 1194 A VSR | 1613480008
Hersteller: BOSCH
Artikelnummer: EB-0601194639-1613480008
Netto: 3,94 € zzgl. MwSt.
zzgl. 6,90 € Versand (brutto)
einmalig pro Bestellung

Lieferzeit: 5 Werktage

Pos.
3
BOSCH Anker 115-120V | Ersatzteile für 1194 A VSR | 2604011229
Hersteller: BOSCH
Artikelnummer: EB-0601194639-2604011229
nur Informationsartikel
Nie mehr lieferbar
keine Alternativen
Pos.
4
BOSCH Schalter | Ersatzteile für 1194 A VSR | 2607200203
Hersteller: BOSCH
Artikelnummer: EB-0601194639-2607200203
nur Informationsartikel
Nie mehr lieferbar
keine Alternativen
Pos.
5
BOSCH Netzanschlussleitung USA/CDN 2,15m 2 x 082mm SJ 18/2 | Ersatzteile für 1194 A VSR | 2604460121
Hersteller: BOSCH
Artikelnummer: EB-0601194639-2604460121
nur Informationsartikel
Nie mehr lieferbar
keine Alternativen
Pos.
6
BOSCH Tülle Ø11,6-Ø12,5x84 MM | Ersatzteile für 1194 A VSR | 2600707060
Hersteller: BOSCH
Artikelnummer: EB-0601194639-2600707060
Netto: 4,53 € zzgl. MwSt.
zzgl. 6,90 € Versand (brutto)
einmalig pro Bestellung

Lieferzeit: 5 Werktage

Pos.
7
BOSCH Leitungshalter | Ersatzteile für 1194 A VSR | 2601035001
Hersteller: BOSCH
Artikelnummer: EB-0601194639-2601035001
Netto: 3,94 € zzgl. MwSt.
zzgl. 6,90 € Versand (brutto)
einmalig pro Bestellung

Lieferzeit: 5 Werktage

Pos.
9
BOSCH Firmenschild | Ersatzteile für 1194 A VSR | 2601117258
Hersteller: BOSCH
Artikelnummer: EB-0601194639-2601117258
nur Informationsartikel
Nie mehr lieferbar
keine Alternativen
Pos.
13
BOSCH Kugellager 7x22x7 | Ersatzteile für 1194 A VSR | 1900905018
Hersteller: BOSCH
Artikelnummer: EB-0601194639-1900905018
Netto: 15,75 € zzgl. MwSt.
zzgl. 6,90 € Versand (brutto)
einmalig pro Bestellung

Lieferzeit: 5 Werktage

Pos.
18
BOSCH Zylinderschraube M3x6,5-4.8 | Ersatzteile für 1194 A VSR | 2603410001
Hersteller: BOSCH
Artikelnummer: EB-0601194639-2603410001
Netto: 3,94 € zzgl. MwSt.
zzgl. 6,90 € Versand (brutto)
einmalig pro Bestellung

Lieferzeit: 5 Werktage

Pos.
19
BOSCH Schraube 4x16 | Ersatzteile für 1194 A VSR | 2603490022
Hersteller: BOSCH
Artikelnummer: EB-0601194639-2603490022
Netto: 3,63 € zzgl. MwSt.
zzgl. 6,90 € Versand (brutto)
einmalig pro Bestellung

Lieferzeit: 5 Werktage

Pos.
20
BOSCH Hinweisschild | Ersatzteile für 1194 A VSR | 2601117147
Hersteller: BOSCH
Artikelnummer: EB-0601194639-2601117147
nur Informationsartikel
Nie mehr lieferbar
keine Alternativen
Pos.
24
BOSCH Bohrspindel 1/2" | Ersatzteile für 1194 A VSR | 2606135013
Hersteller: BOSCH
Artikelnummer: EB-0601194639-2606135013
nur Informationsartikel
Nie mehr lieferbar
keine Alternativen
Pos.
26
BOSCH Druckfeder | Ersatzteile für 1194 A VSR | 2604616002
Hersteller: BOSCH
Artikelnummer: EB-0601194639-2604616002
Netto: 3,94 € zzgl. MwSt.
zzgl. 6,90 € Versand (brutto)
einmalig pro Bestellung

Lieferzeit: 5 Werktage

Pos.
27
BOSCH Rillenkugellager 17x35x10 | Ersatzteile für 1194 A VSR | 1900905163
Hersteller: BOSCH
Artikelnummer: EB-0601194639-1900905163
Netto: 9,95 € zzgl. MwSt.
zzgl. 6,90 € Versand (brutto)
einmalig pro Bestellung

Lieferzeit: 5 Werktage

Pos.
28
BOSCH Sicherungsring DIN 472 35x1,5 MM | Ersatzteile für 1194 A VSR | 2916660014
Hersteller: BOSCH
Artikelnummer: EB-0601194639-2916660014
Netto: 3,94 € zzgl. MwSt.
zzgl. 6,90 € Versand (brutto)
einmalig pro Bestellung

Lieferzeit: 5 Werktage

Pos.
29
BOSCH Sicherungsring DIN 471 17x1 MM | Ersatzteile für 1194 A VSR | 2916650008
Hersteller: BOSCH
Artikelnummer: EB-0601194639-2916650008
Netto: 3,94 € zzgl. MwSt.
zzgl. 6,90 € Versand (brutto)
einmalig pro Bestellung

Lieferzeit: 5 Werktage

Pos.
30
BOSCH Flachkeil | Ersatzteile für 1194 A VSR | 2602300028
Hersteller: BOSCH
Artikelnummer: EB-0601194639-2602300028
nur Informationsartikel
Nie mehr lieferbar
keine Alternativen
Pos.
31
BOSCH Haltescheibe | Ersatzteile für 1194 A VSR | 2600101671
Hersteller: BOSCH
Artikelnummer: EB-0601194639-2600101671
Netto: 3,94 € zzgl. MwSt.
zzgl. 6,90 € Versand (brutto)
einmalig pro Bestellung

Lieferzeit: 5 Werktage

Pos.
32
BOSCH Ausgleichscheibe 1,0 MM | Ersatzteile für 1194 A VSR | 2600101515
Hersteller: BOSCH
Artikelnummer: EB-0601194639-2600101515
Netto: 3,63 € zzgl. MwSt.
zzgl. 6,90 € Versand (brutto)
einmalig pro Bestellung

Lieferzeit: 5 Werktage

Pos.
33
BOSCH Stirnrad Z=48 | Ersatzteile für 1194 A VSR | 2606317045
Hersteller: BOSCH
Artikelnummer: EB-0601194639-2606317045
Netto: 9,95 € zzgl. MwSt.
zzgl. 6,90 € Versand (brutto)
einmalig pro Bestellung

Lieferzeit: 5 Werktage

Pos.
34
BOSCH Stirnrad | Ersatzteile für 1194 A VSR | 2606317074
Hersteller: BOSCH
Artikelnummer: EB-0601194639-2606317074
nur Informationsartikel
Nie mehr lieferbar
keine Alternativen
Pos.
35
BOSCH Ausgleichscheibe 0,3 MM | Ersatzteile für 1194 A VSR | 2600101617
Hersteller: BOSCH
Artikelnummer: EB-0601194639-2600101617
nur Informationsartikel
Nie mehr lieferbar
keine Alternativen
Pos.
35
BOSCH Ausgleichscheibe 0,5 MM | Ersatzteile für 1194 A VSR | 2600101616
Hersteller: BOSCH
Artikelnummer: EB-0601194639-2600101616
Netto: 4,82 € zzgl. MwSt.
zzgl. 6,90 € Versand (brutto)
einmalig pro Bestellung

Lieferzeit: 5 Werktage

Pos.
36
BOSCH Rastscheibe | Ersatzteile für 1194 A VSR | 2600190052
Hersteller: BOSCH
Artikelnummer: EB-0601194639-2600190052
nur Informationsartikel
Nie mehr lieferbar
keine Alternativen
Pos.
37
BOSCH Rastscheibe | Ersatzteile für 1194 A VSR | 2600190057
Hersteller: BOSCH
Artikelnummer: EB-0601194639-2600190057
nur Informationsartikel
Nie mehr lieferbar
keine Alternativen
Pos.
39
BOSCH Distanzscheibe 0,2 MM | Ersatzteile für 1194 A VSR | 2600000012
Hersteller: BOSCH
Artikelnummer: EB-0601194639-2600000012
Netto: 3,63 € zzgl. MwSt.
zzgl. 6,90 € Versand (brutto)
einmalig pro Bestellung

Lieferzeit: 5 Werktage

Pos.
39
BOSCH Distanzscheibe 0,5 MM | Ersatzteile für 1194 A VSR | 2600000014
Hersteller: BOSCH
Artikelnummer: EB-0601194639-2600000014
Netto: 3,63 € zzgl. MwSt.
zzgl. 6,90 € Versand (brutto)
einmalig pro Bestellung

Lieferzeit: 5 Werktage

Pos.
40
BOSCH Kugel DIN 5401-5,5MM-III-ST | Ersatzteile für 1194 A VSR | 1903230010
Hersteller: BOSCH
Artikelnummer: EB-0601194639-1903230010
Netto: 3,63 € zzgl. MwSt.
zzgl. 6,90 € Versand (brutto)
einmalig pro Bestellung

Lieferzeit: 5 Werktage

Pos.
41
BOSCH Drehknopf | Ersatzteile für 1194 A VSR | 2602026017
Hersteller: BOSCH
Artikelnummer: EB-0601194639-2602026017
Netto: 7,76 € zzgl. MwSt.
zzgl. 6,90 € Versand (brutto)
einmalig pro Bestellung

Lieferzeit: 5 Werktage

Pos.
42
BOSCH Spannstift 4x30 MM DIN 7346 | Ersatzteile für 1194 A VSR | 2917780105
Hersteller: BOSCH
Artikelnummer: EB-0601194639-2917780105
Netto: 3,63 € zzgl. MwSt.
zzgl. 6,90 € Versand (brutto)
einmalig pro Bestellung

Lieferzeit: 5 Werktage

Pos.
44
BOSCH Abdeckscheibe | Ersatzteile für 1194 A VSR | 2601328033
Hersteller: BOSCH
Artikelnummer: EB-0601194639-2601328033
nur Informationsartikel
Nie mehr lieferbar
keine Alternativen
Pos.
45
BOSCH Blechschraube | Ersatzteile für 1194 A VSR | 2603435086
Hersteller: BOSCH
Artikelnummer: EB-0601194639-2603435086
Netto: 3,63 € zzgl. MwSt.
zzgl. 6,90 € Versand (brutto)
einmalig pro Bestellung

Lieferzeit: 5 Werktage

Pos.
46
BOSCH Gehäusedeckel BLAU | Ersatzteile für 1194 A VSR | 2605132049
Hersteller: BOSCH
Artikelnummer: EB-0601194639-2605132049
Netto: 7,58 € zzgl. MwSt.
zzgl. 6,90 € Versand (brutto)
einmalig pro Bestellung

Lieferzeit: 5 Werktage

Pos.
47
BOSCH Bürstenhalter | Ersatzteile für 1194 A VSR | 2604449053
Hersteller: BOSCH
Artikelnummer: EB-0601194639-2604449053
nur Informationsartikel
Nie mehr lieferbar
keine Alternativen
Pos.
48
BOSCH Torx-Linsenschraube 3x10 | Ersatzteile für 1194 A VSR | 2603490017
Hersteller: BOSCH
Artikelnummer: EB-0601194639-2603490017
Netto: 4,32 € zzgl. MwSt.
zzgl. 6,90 € Versand (brutto)
einmalig pro Bestellung

Lieferzeit: 5 Werktage

Pos.
51
BOSCH Elektr Leitung L=130 MM WEISS | Ersatzteile für 1194 A VSR | 2604448005
Hersteller: BOSCH
Artikelnummer: EB-0601194639-2604448005
Netto: 3,94 € zzgl. MwSt.
zzgl. 6,90 € Versand (brutto)
einmalig pro Bestellung

Lieferzeit: 5 Werktage

Pos.
54
BOSCH Sicherungsring DIN 472-24x1,2 MM | Ersatzteile für 1194 A VSR | 2916660008
Hersteller: BOSCH
Artikelnummer: EB-0601194639-2916660008
Netto: 4,32 € zzgl. MwSt.
zzgl. 6,90 € Versand (brutto)
einmalig pro Bestellung

Lieferzeit: 5 Werktage

Pos.
55
BOSCH Tellerscheibe | Ersatzteile für 1194 A VSR | 2600500002
Hersteller: BOSCH
Artikelnummer: EB-0601194639-2600500002
Netto: 3,94 € zzgl. MwSt.
zzgl. 6,90 € Versand (brutto)
einmalig pro Bestellung

Lieferzeit: 5 Werktage

Pos.
56
BOSCH Filzring | Ersatzteile für 1194 A VSR | 2600108077
Hersteller: BOSCH
Artikelnummer: EB-0601194639-2600108077
Netto: 3,94 € zzgl. MwSt.
zzgl. 6,90 € Versand (brutto)
einmalig pro Bestellung

Lieferzeit: 5 Werktage

Pos.
57
BOSCH Steckhülse | Ersatzteile für 1194 A VSR | 2600400008
Hersteller: BOSCH
Artikelnummer: EB-0601194639-2600400008
Netto: 3,94 € zzgl. MwSt.
zzgl. 6,90 € Versand (brutto)
einmalig pro Bestellung

Lieferzeit: 5 Werktage

Pos.
61
BOSCH Ausgleichscheibe 0,3 MM | Ersatzteile für 1194 A VSR | 2600100607
Hersteller: BOSCH
Artikelnummer: EB-0601194639-2600100607
Netto: 3,94 € zzgl. MwSt.
zzgl. 6,90 € Versand (brutto)
einmalig pro Bestellung

Lieferzeit: 5 Werktage

Pos.
62
BOSCH Nadellager Ø6 MM | Ersatzteile für 1194 A VSR | 2600914010
Hersteller: BOSCH
Artikelnummer: EB-0601194639-2600914010
Netto: 4,82 € zzgl. MwSt.
zzgl. 6,90 € Versand (brutto)
einmalig pro Bestellung

Lieferzeit: 5 Werktage

Pos.
63
BOSCH Schaftschraube | Ersatzteile für 1194 A VSR | 2603435070
Hersteller: BOSCH
Artikelnummer: EB-0601194639-2603435070
nur Informationsartikel
Nie mehr lieferbar
keine Alternativen
Pos.
64
BOSCH Schaftschraube 65 MM | Ersatzteile für 1194 A VSR | 2603435071
Hersteller: BOSCH
Artikelnummer: EB-0601194639-2603435071
nur Informationsartikel
Nie mehr lieferbar
keine Alternativen
Pos.
66
BOSCH Verstellschieber | Ersatzteile für 1194 A VSR | 2602033006
Hersteller: BOSCH
Artikelnummer: EB-0601194639-2602033006
Netto: 4,82 € zzgl. MwSt.
zzgl. 6,90 € Versand (brutto)
einmalig pro Bestellung

Lieferzeit: 5 Werktage

Pos.
68
BOSCH Distanzscheibe | Ersatzteile für 1194 A VSR | 2600100618
Hersteller: BOSCH
Artikelnummer: EB-0601194639-2600100618
Netto: 3,63 € zzgl. MwSt.
zzgl. 6,90 € Versand (brutto)
einmalig pro Bestellung

Lieferzeit: 5 Werktage

Pos.
69
BOSCH Drehknopf SCHWARZ | Ersatzteile für 1194 A VSR | 2602026038
Hersteller: BOSCH
Artikelnummer: EB-0601194639-2602026038
nur Informationsartikel
Nie mehr lieferbar
keine Alternativen
Pos.
71
BOSCH Rastkappe | Ersatzteile für 1194 A VSR | 2600590006
Hersteller: BOSCH
Artikelnummer: EB-0601194639-2600590006
Netto: 3,94 € zzgl. MwSt.
zzgl. 6,90 € Versand (brutto)
einmalig pro Bestellung

Lieferzeit: 5 Werktage

Pos.
72
BOSCH Flachdichtung | Ersatzteile für 1194 A VSR | 2601073012
Hersteller: BOSCH
Artikelnummer: EB-0601194639-2601073012
Netto: 3,63 € zzgl. MwSt.
zzgl. 6,90 € Versand (brutto)
einmalig pro Bestellung

Lieferzeit: 5 Werktage

Pos.
73
BOSCH Verbindungskabel L=110 MM WEISS | Ersatzteile für 1194 A VSR | 2604448146
Hersteller: BOSCH
Artikelnummer: EB-0601194639-2604448146
Netto: 3,94 € zzgl. MwSt.
zzgl. 6,90 € Versand (brutto)
einmalig pro Bestellung

Lieferzeit: 5 Werktage

Pos.
75
BOSCH Torx-Linsenschraube 4x25 | Ersatzteile für 1194 A VSR | 2603490024
Hersteller: BOSCH
Artikelnummer: EB-0601194639-2603490024
Netto: 3,94 € zzgl. MwSt.
zzgl. 6,90 € Versand (brutto)
einmalig pro Bestellung

Lieferzeit: 5 Werktage

Pos.
77
BOSCH Verbindungskabel L=68 MM WEISS | Ersatzteile für 1194 A VSR | 2604448100
Hersteller: BOSCH
Artikelnummer: EB-0601194639-2604448100
Netto: 3,63 € zzgl. MwSt.
zzgl. 6,90 € Versand (brutto)
einmalig pro Bestellung

Lieferzeit: 5 Werktage

Pos.
78
BOSCH Verbindungsleitung L=98 MM SCHWARZ | Ersatzteile für 1194 A VSR | 2604448074
Hersteller: BOSCH
Artikelnummer: EB-0601194639-2604448074
Netto: 4,32 € zzgl. MwSt.
zzgl. 6,90 € Versand (brutto)
einmalig pro Bestellung

Lieferzeit: 5 Werktage

Pos.
85
BOSCH Bürstenhalter | Ersatzteile für 1194 A VSR | 2604449054
Hersteller: BOSCH
Artikelnummer: EB-0601194639-2604449054
nur Informationsartikel
Nie mehr lieferbar
keine Alternativen
Pos.
203
BOSCH Schrumpfschlauch 25-1MM | Ersatzteile für 1194 A VSR | 2600409014
Hersteller: BOSCH
Artikelnummer: EB-0601194639-2600409014
Netto: 3,94 € zzgl. MwSt.
zzgl. 6,90 € Versand (brutto)
einmalig pro Bestellung

Lieferzeit: 5 Werktage

Pos.
779
BOSCH Zahnkranzbohrfutter Ø1,5-13 MM | Ersatzteile für 1194 A VSR | 1608571080
Hersteller: BOSCH
Artikelnummer: EB-0601194639-1608571080
Netto: 24,13 € zzgl. MwSt.
zzgl. 6,90 € Versand (brutto)
einmalig pro Bestellung

Lieferzeit: 5 Werktage

Pos.
798
BOSCH Tiefenanschlag SW 6x210 MM | Ersatzteile für 1194 A VSR | 1613001005
Hersteller: BOSCH
Artikelnummer: EB-0601194639-1613001005
nur Informationsartikel
Nie mehr lieferbar
keine Alternativen
Pos.
799
BOSCH Zusatzhandgriff | Ersatzteile für 1194 AVSR | 1619PB4323
Hersteller: BOSCH
Artikelnummer: EB-0601194639-1619PB4323
Netto: 9,18 € zzgl. MwSt.
zzgl. 6,90 € Versand (brutto)
einmalig pro Bestellung

Lieferzeit: 5 Werktage

Pos.
799
BOSCH Zusatzhandgriff Ø43 MM SCHWARZ | Ersatzteile für 1194 A VSR | 1612025031
Hersteller: BOSCH
Artikelnummer: EB-0601194639-1612025031
nur Informationsartikel
Nie mehr lieferbar
keine Alternativen
Pos.
802
BOSCH Polschuh 115V | Ersatzteile für 1194 A VSR | 2604220907
Hersteller: BOSCH
Artikelnummer: EB-0601194639-2604220907
nur Informationsartikel
Nie mehr lieferbar
keine Alternativen
Pos.
808
BOSCH Typenschild | Ersatzteile für 1194 A VSR | 2601117275
Hersteller: BOSCH
Artikelnummer: EB-0601194639-2601117275
nur Informationsartikel
Nie mehr lieferbar
keine Alternativen
Pos.
810
BOSCH Kohlebürstensatz | Ersatzteile für 1194 A VSR | 2604321940
Hersteller: BOSCH
Artikelnummer: EB-0601194639-2604321940
nur Informationsartikel
Nie mehr lieferbar
keine Alternativen
Pos.
814
BOSCH Kugellager 9x24x7 | Ersatzteile für 1194 A VSR | 2600905095
Hersteller: BOSCH
Artikelnummer: EB-0601194639-2600905095
Netto: 10,92 € zzgl. MwSt.
zzgl. 6,90 € Versand (brutto)
einmalig pro Bestellung

Lieferzeit: 5 Werktage

Pos.
825
BOSCH Getriebegehäuse | Ersatzteile für 1194 A VSR | 2605806895
Hersteller: BOSCH
Artikelnummer: EB-0601194639-2605806895
nur Informationsartikel
Nie mehr lieferbar
keine Alternativen
Pos.
843
BOSCH Zwischenflansch | Ersatzteile für 1194 A VSR | 2605700936
Hersteller: BOSCH
Artikelnummer: EB-0601194639-2605700936
nur Informationsartikel
Nie mehr lieferbar
keine Alternativen
Pos.
853
BOSCH Umschalter | Ersatzteile für 1194 A VSR | 2607200231
Hersteller: BOSCH
Artikelnummer: EB-0601194639-2607200231
Netto: 14,36 € zzgl. MwSt.
zzgl. 6,90 € Versand (brutto)
einmalig pro Bestellung

Lieferzeit: 5 Werktage

Pos.
859
BOSCH Vorgelege | Ersatzteile für 1194 A VSR | 2606100920
Hersteller: BOSCH
Artikelnummer: EB-0601194639-2606100920
Netto: 19,18 € zzgl. MwSt.
zzgl. 6,90 € Versand (brutto)
einmalig pro Bestellung

Lieferzeit: 5 Werktage

Pos.
867
BOSCH Sicherungsscheibe DIN 6799-4-FSt | Ersatzteile für 1194 A VSR | 2916080007
Hersteller: BOSCH
Artikelnummer: EB-0601194639-2916080007
Netto: 4,53 € zzgl. MwSt.
zzgl. 6,90 € Versand (brutto)
einmalig pro Bestellung

Lieferzeit: 5 Werktage

Pos.
870
BOSCH Teilesatz | Ersatzteile für 1194 A VSR | 2607010226
Hersteller: BOSCH
Artikelnummer: EB-0601194639-2607010226
nur Informationsartikel
Nie mehr lieferbar
keine Alternativen

Angaben zur Produktsicherheit

Hersteller:
Robert Bosch Power Tools GmbH
Postfach 30 02 20
70442 Stuttgart

E-Mail:
kontakt@bosch.de