BOSCH Torx-Linsenschraube 8x16 | Ersatzteile für 1205H1 | 2610374916

Artikelnummer: EB-F0151205C1-2610374916

Position: 22

Marke: BOSCH


Bitte Kompatibilität prüfen!

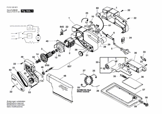
Bitte prüfen Sie unbedingt die 10-stellige Typennummer Ihrer Maschine / Ihres Gerätes. Das Ersatzteil ist nur kompatibel, wenn Sie die Typennummer Ihrer Maschine in der unten stehenden Produktbeschreibung finden.

Bitte prüfen Sie ebenfalls detailliert die Explosionszeichnung mit Ihrem Artikelwunsch und der jeweiligen Pos-Nummer.

Alle Elemente, welche vom schwarzen Strich der Pos-Nummer ausgehend berührt / erfasst werden, gehören zu dieser Pos-Nummer und somit zu diesem Artikel. Jede Pos-Nummer ist ein eigenständiger Artikel, welchen Sie in der Auflistung finden.

Sie erhalten stets die aktuellste, neueste Produktversion zu der gewählten Pos-Nummer seitens des Herstellers. Es kann daher je nach Gerätealter vorkommen, dass Sie ggf. weitere, zugehörige Elemente, welche an diese Pos-Nummer grenzen, ebenfalls mittauschen müssen.

Nähere Informationen finden Sie unter dem Link
Hinweise zu Ihrer BOSCH Ersatzteilsuche

Preisübersicht

Einzelpreis: 3,94 €* (Brutto: 4,69 €)
Gesamtpreis: 3,94 €* 
Position:

Lieferzeit: 5 Werktage


Beschreibung

  • Torx-Linsenschraube 8x16
  • Original Bosch Zubehör / BOSCH Ersatzteil (2610374916)
  • im Gerät verbaut: 1
Dieses BOSCH Ersatzteil ist mit folgendem Gerät und Modell kompatibel:
  • BOSCH Gerätename: 1205H1
  • BOSCH Explosionszeichnung: Position 22
  • BOSCH Typennummer: F0151205C1
  • BOSCH Typennummer alternative Schreibweisen: F 015 120 5C1, F015 120 5C1, F.015.120.5C1, F-015-120-5C1
    Bitte prüfen Sie diese Typennummer auf Ihrem Gerät um die Kompatibilität des BOSCH Ersatzteils zu gewährleisten.
Weitere BOSCH Ersatzteile des Gerätes 1205H1 (.) mit der Typennummer F0151205C1 finden Sie in der nachfolgenden Darstellung und im Dropdown zu Ihrer Auswahl:

Pos.
1
BOSCH Motorgehäuse | Ersatzteile für 1205H1 | 2610373727
Hersteller: BOSCH
Artikelnummer: EB-F0151205C1-2610373727
nur Informationsartikel
Nie mehr lieferbar
keine Alternativen
Pos.
3/50
BOSCH Lüfter | Ersatzteile für 1205H1 | 2610919664
Hersteller: BOSCH
Artikelnummer: EB-F0151205C1-2610919664
nur Informationsartikel
Nie mehr lieferbar
keine Alternativen
Pos.
2
BOSCH Polschuh 230V | Ersatzteile für 1205H1 | 2610383209
Hersteller: BOSCH
Artikelnummer: EB-F0151205C1-2610383209
nur Informationsartikel
Nie mehr lieferbar
keine Alternativen
Pos.
3
BOSCH Teilesatz | Ersatzteile für 1205H1 | 2610374862
Hersteller: BOSCH
Artikelnummer: EB-F0151205C1-2610374862
nur Informationsartikel
Nie mehr lieferbar
keine Alternativen
Pos.
4
BOSCH Schalter ROT | Ersatzteile für 1205H1 | 2610390787
Hersteller: BOSCH
Artikelnummer: EB-F0151205C1-2610390787
nur Informationsartikel
Nie mehr lieferbar
keine Alternativen
Pos.
5
BOSCH Netzanschlussleitung CH 2,75m 2 x 1,0mm H05 VV-F | Ersatzteile für 1205H1 | 2610371799
Hersteller: BOSCH
Artikelnummer: EB-F0151205C1-2610371799
nur Informationsartikel
Nie mehr lieferbar
keine Alternativen
Pos.
6
BOSCH Tülle | Ersatzteile für 1205H1 | 2610360176
Hersteller: BOSCH
Artikelnummer: EB-F0151205C1-2610360176
Netto: 3,94 € zzgl. MwSt.
zzgl. 6,90 € Versand (brutto)
einmalig pro Bestellung

Lieferzeit: 5 Werktage

Pos.
10
BOSCH Bürstenhalter | Ersatzteile für 1205H1 | 2610376874
Hersteller: BOSCH
Artikelnummer: EB-F0151205C1-2610376874
nur Informationsartikel
Nie mehr lieferbar
keine Alternativen
Pos.
12
BOSCH Kondensator | Ersatzteile für 1205H1 | 2610374704
Hersteller: BOSCH
Artikelnummer: EB-F0151205C1-2610374704
nur Informationsartikel
Nie mehr lieferbar
keine Alternativen
Pos.
13
BOSCH Kugellager | Ersatzteile für 1205H1 | 2610388290
Hersteller: BOSCH
Artikelnummer: EB-F0151205C1-2610388290
nur Informationsartikel
Nie mehr lieferbar
keine Alternativen
Pos.
14
BOSCH Rillenkugellager 8x22x7 | Ersatzteile für 1205H1 | 2600905052
Hersteller: BOSCH
Artikelnummer: EB-F0151205C1-2600905052
Netto: 7,66 € zzgl. MwSt.
zzgl. 6,90 € Versand (brutto)
einmalig pro Bestellung

Lieferzeit: 5 Werktage

Pos.
22
BOSCH Torx-Linsenschraube 8x16 | Ersatzteile für 1205H1 | 2610374916
Hersteller: BOSCH
Artikelnummer: EB-F0151205C1-2610374916
Netto: 3,94 € zzgl. MwSt.
zzgl. 6,90 € Versand (brutto)
einmalig pro Bestellung

Lieferzeit: 5 Werktage

Pos.
24
BOSCH Platte ROT | Ersatzteile für 1205H1 | 2610390788
Hersteller: BOSCH
Artikelnummer: EB-F0151205C1-2610390788
nur Informationsartikel
Nie mehr lieferbar
keine Alternativen
Pos.
25
BOSCH Elektr Leitung | Ersatzteile für 1205H1 | 2610377376
Hersteller: BOSCH
Artikelnummer: EB-F0151205C1-2610377376
nur Informationsartikel
Nie mehr lieferbar
keine Alternativen
Pos.
26
BOSCH Elektr Leitung | Ersatzteile für 1205H1 | 2610374032
Hersteller: BOSCH
Artikelnummer: EB-F0151205C1-2610374032
nur Informationsartikel
Nie mehr lieferbar
keine Alternativen
Pos.
27
BOSCH Elektr Leitung GRUEN | Ersatzteile für 1205H1 | 2610336024
Hersteller: BOSCH
Artikelnummer: EB-F0151205C1-2610336024
nur Informationsartikel
Nie mehr lieferbar
keine Alternativen
Pos.
28
BOSCH Achse | Ersatzteile für 1205H1 | 2610376040
Hersteller: BOSCH
Artikelnummer: EB-F0151205C1-2610376040
nur Informationsartikel
Nie mehr lieferbar
keine Alternativen
Pos.
29
BOSCH Gummiring | Ersatzteile für 1205H1 | 2610391336
Hersteller: BOSCH
Artikelnummer: EB-F0151205C1-2610391336
Netto: 4,56 € zzgl. MwSt.
zzgl. 6,90 € Versand (brutto)
einmalig pro Bestellung

Lieferzeit: 5 Werktage

Pos.
30
BOSCH Unterlage | Ersatzteile für 1205H1 | 2610909579
Hersteller: BOSCH
Artikelnummer: EB-F0151205C1-2610909579
nur Informationsartikel
Nie mehr lieferbar
keine Alternativen
Pos.
31
BOSCH Lager | Ersatzteile für 1205H1 | 2610372789
Hersteller: BOSCH
Artikelnummer: EB-F0151205C1-2610372789
nur Informationsartikel
Nie mehr lieferbar
keine Alternativen
Pos.
32
BOSCH Gabel | Ersatzteile für 1205H1 | 2610376140
Hersteller: BOSCH
Artikelnummer: EB-F0151205C1-2610376140
nur Informationsartikel
Nie mehr lieferbar
keine Alternativen
Pos.
33
BOSCH Hebel | Ersatzteile für 1205H1 | 2610386442
Hersteller: BOSCH
Artikelnummer: EB-F0151205C1-2610386442
nur Informationsartikel
Nie mehr lieferbar
keine Alternativen
Pos.
34
BOSCH Feder | Ersatzteile für 1205H1 | 2610373415
Hersteller: BOSCH
Artikelnummer: EB-F0151205C1-2610373415
nur Informationsartikel
Nie mehr lieferbar
keine Alternativen
Pos.
35
BOSCH Feder | Ersatzteile für 1205H1 | 2610372781
Hersteller: BOSCH
Artikelnummer: EB-F0151205C1-2610372781
nur Informationsartikel
Nie mehr lieferbar
keine Alternativen
Pos.
36
BOSCH Unterlage | Ersatzteile für 1205H1 | 2610386470
Hersteller: BOSCH
Artikelnummer: EB-F0151205C1-2610386470
nur Informationsartikel
Nie mehr lieferbar
keine Alternativen
Pos.
38
BOSCH Nadellager | Ersatzteile für 1205H1 | 2610063954
Hersteller: BOSCH
Artikelnummer: EB-F0151205C1-2610063954
nur Informationsartikel
Nie mehr lieferbar
keine Alternativen
Pos.
40
BOSCH Luftleitblech | Ersatzteile für 1205H1 | 2610919663
Hersteller: BOSCH
Artikelnummer: EB-F0151205C1-2610919663
Netto: 4,80 € zzgl. MwSt.
zzgl. 6,90 € Versand (brutto)
einmalig pro Bestellung

Lieferzeit: 5 Werktage

Pos.
46
BOSCH Kugellager | Ersatzteile für 1205H1 | 2610374860
Hersteller: BOSCH
Artikelnummer: EB-F0151205C1-2610374860
nur Informationsartikel
Nie mehr lieferbar
keine Alternativen
Pos.
48
BOSCH Staubbeutel ROT | Ersatzteile für 1205H1 | 2610390791
Hersteller: BOSCH
Artikelnummer: EB-F0151205C1-2610390791
nur Informationsartikel
Nie mehr lieferbar
keine Alternativen
Pos.
49
BOSCH Lagerdeckel | Ersatzteile für 1205H1 | 2610909578
Hersteller: BOSCH
Artikelnummer: EB-F0151205C1-2610909578
Netto: 7,66 € zzgl. MwSt.
zzgl. 6,90 € Versand (brutto)
einmalig pro Bestellung

Lieferzeit: 5 Werktage

Pos.
50
BOSCH Riemenscheibe | Ersatzteile für 1205H1 | 2610386472
Hersteller: BOSCH
Artikelnummer: EB-F0151205C1-2610386472
nur Informationsartikel
Nie mehr lieferbar
keine Alternativen
Pos.
51
BOSCH Zahnriemen | Ersatzteile für 1205H1 | 2610398698
Hersteller: BOSCH
Artikelnummer: EB-F0151205C1-2610398698
nur Informationsartikel
Nie mehr lieferbar
keine Alternativen
Pos.
52
BOSCH Deckel | Ersatzteile für 1205H1 | 2610909583
Hersteller: BOSCH
Artikelnummer: EB-F0151205C1-2610909583
nur Informationsartikel
Nie mehr lieferbar
keine Alternativen
Pos.
53
BOSCH Torx-Linsenschraube 8x60 | Ersatzteile für 1205H1 | 2610374994
Hersteller: BOSCH
Artikelnummer: EB-F0151205C1-2610374994
Netto: 3,94 € zzgl. MwSt.
zzgl. 6,90 € Versand (brutto)
einmalig pro Bestellung

Lieferzeit: 5 Werktage

Pos.
54
BOSCH Riemenscheibe | Ersatzteile für 1205H1 | 2610354001
Hersteller: BOSCH
Artikelnummer: EB-F0151205C1-2610354001
Netto: 5,17 € zzgl. MwSt.
zzgl. 6,90 € Versand (brutto)
einmalig pro Bestellung

Lieferzeit: 5 Werktage

Pos.
55
BOSCH Buchse | Ersatzteile für 1205H1 | 2610373997
Hersteller: BOSCH
Artikelnummer: EB-F0151205C1-2610373997
nur Informationsartikel
Nie mehr lieferbar
keine Alternativen
Pos.
57
BOSCH Fuss | Ersatzteile für 1205H1 | 2610372786
Hersteller: BOSCH
Artikelnummer: EB-F0151205C1-2610372786
nur Informationsartikel
Nie mehr lieferbar
keine Alternativen
Pos.
58
BOSCH Schraube ROT | Ersatzteile für 1205H1 | 2610390789
Hersteller: BOSCH
Artikelnummer: EB-F0151205C1-2610390789
nur Informationsartikel
Nie mehr lieferbar
keine Alternativen
Pos.
59
BOSCH Feder | Ersatzteile für 1205H1 | 2610373496
Hersteller: BOSCH
Artikelnummer: EB-F0151205C1-2610373496
nur Informationsartikel
Nie mehr lieferbar
keine Alternativen
Pos.
60
BOSCH Schalter ROT | Ersatzteile für 1205H1 | 2610391066
Hersteller: BOSCH
Artikelnummer: EB-F0151205C1-2610391066
nur Informationsartikel
Nie mehr lieferbar
keine Alternativen
Pos.
837
BOSCH Getriebe | Ersatzteile für 1205H1 | 2610393092
Hersteller: BOSCH
Artikelnummer: EB-F0151205C1-2610393092
nur Informationsartikel
Nie mehr lieferbar
keine Alternativen
Pos.
845
BOSCH Hebelarm | Ersatzteile für 1205H1 | 2610392590
Hersteller: BOSCH
Artikelnummer: EB-F0151205C1-2610392590
Netto: 7,66 € zzgl. MwSt.
zzgl. 6,90 € Versand (brutto)
einmalig pro Bestellung

Lieferzeit: 5 Werktage

Angaben zur Produktsicherheit

Hersteller:
Robert Bosch Power Tools GmbH
Postfach 30 02 20
70442 Stuttgart

E-Mail:
kontakt@bosch.de