BOSCH Lüfterdeckel BLAU | Ersatzteile für 1273 DVS | 3605500579

Artikelnummer: EB-0601273734-3605500579

Position: 61

Marke: BOSCH


Bitte Kompatibilität prüfen!

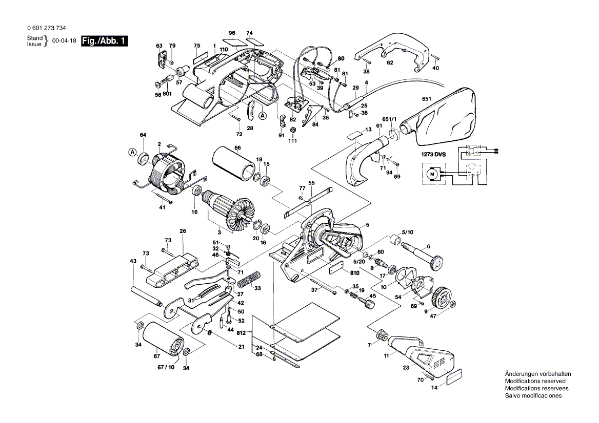
Bitte prüfen Sie unbedingt die 10-stellige Typennummer Ihrer Maschine / Ihres Gerätes. Das Ersatzteil ist nur kompatibel, wenn Sie die Typennummer Ihrer Maschine in der unten stehenden Produktbeschreibung finden.

Bitte prüfen Sie ebenfalls detailliert die Explosionszeichnung mit Ihrem Artikelwunsch und der jeweiligen Pos-Nummer.

Alle Elemente, welche vom schwarzen Strich der Pos-Nummer ausgehend berührt / erfasst werden, gehören zu dieser Pos-Nummer und somit zu diesem Artikel. Jede Pos-Nummer ist ein eigenständiger Artikel, welchen Sie in der Auflistung finden.

Sie erhalten stets die aktuellste, neueste Produktversion zu der gewählten Pos-Nummer seitens des Herstellers. Es kann daher je nach Gerätealter vorkommen, dass Sie ggf. weitere, zugehörige Elemente, welche an diese Pos-Nummer grenzen, ebenfalls mittauschen müssen.

Nähere Informationen finden Sie unter dem Link
Hinweise zu Ihrer BOSCH Ersatzteilsuche

Preisübersicht

Einzelpreis: 7,30 €* (Brutto: 8,69 €)
Gesamtpreis: 7,30 €* 
Position:

Lieferzeit: 5 Werktage


Beschreibung

  • Lüfterdeckel BLAU
  • Original Bosch Zubehör / BOSCH Ersatzteil (3605500579)
  • im Gerät verbaut: 1
Dieses BOSCH Ersatzteil ist mit folgendem Gerät und Modell kompatibel:
  • BOSCH Gerätename: 1273 DVS
  • BOSCH Explosionszeichnung: Position 61
  • BOSCH Typennummer: 0601273734
  • BOSCH Typennummer alternative Schreibweisen: 0 601 273 734, 0601 273 734, 0.601.273.734, 0-601-273-734
    Bitte prüfen Sie diese Typennummer auf Ihrem Gerät um die Kompatibilität des BOSCH Ersatzteils zu gewährleisten.
Weitere BOSCH Ersatzteile des Gerätes 1273 DVS (Bandschleifer) mit der Typennummer 0601273734 finden Sie in der nachfolgenden Darstellung und im Dropdown zu Ihrer Auswahl:

Pos.
1
BOSCH Motorgehäuse | Ersatzteile für 1273 DVS | 3605108561
Hersteller: BOSCH
Artikelnummer: EB-0601273734-3605108561
nur Informationsartikel
Nie mehr lieferbar
keine Alternativen
Pos.
5/10
BOSCH Lagerbuchse Ø 15,9 MM | Ersatzteile für 1273 DVS | 3600301501
Hersteller: BOSCH
Artikelnummer: EB-0601273734-3600301501
nur Informationsartikel
Nie mehr lieferbar
keine Alternativen
Pos.
5/20
BOSCH Lagerbuchse Ø 7,8 MM | Ersatzteile für 1273 DVS | 3600301502
Hersteller: BOSCH
Artikelnummer: EB-0601273734-3600301502
Netto: 4,82 € zzgl. MwSt.
zzgl. 6,90 € Versand (brutto)
einmalig pro Bestellung

Lieferzeit: 5 Werktage

Pos.
651/1
BOSCH Haltefeder | Ersatzteile für 1273 DVS | 3601253503
Hersteller: BOSCH
Artikelnummer: EB-0601273734-3601253503
nur Informationsartikel
Nie mehr lieferbar
keine Alternativen
Pos.
67/10
BOSCH Lagerbuchse | Ersatzteile für 1273 DVS | 3600301500
Hersteller: BOSCH
Artikelnummer: EB-0601273734-3600301500
nur Informationsartikel
Nie mehr lieferbar
keine Alternativen
Pos.
2
BOSCH Polschuh 110-115V | Ersatzteile für 1273 DVS | 3604220542
Hersteller: BOSCH
Artikelnummer: EB-0601273734-3604220542
nur Informationsartikel
Nie mehr lieferbar
keine Alternativen
Pos.
3
BOSCH Anker 110-115V | Ersatzteile für 1273 DVS | 3604011526
Hersteller: BOSCH
Artikelnummer: EB-0601273734-3604011526
nur Informationsartikel
Nie mehr lieferbar
keine Alternativen
Pos.
4
BOSCH Netzanschlussleitung USA/CDN 3,275m 2 x 1,32mm SJ 16/2 | Ersatzteile für 1273 DVS | 3604460514
Hersteller: BOSCH
Artikelnummer: EB-0601273734-3604460514
Netto: 15,75 € zzgl. MwSt.
zzgl. 6,90 € Versand (brutto)
einmalig pro Bestellung

Lieferzeit: 5 Werktage

Pos.
5
BOSCH Getriebegehäuse | Ersatzteile für 1273 DVS | 3605806508
Hersteller: BOSCH
Artikelnummer: EB-0601273734-3605806508
nur Informationsartikel
Nie mehr lieferbar
keine Alternativen
Pos.
6
BOSCH Welle Mit Zahnrad Z=41 LINKSGEWINDE | Ersatzteile für 1273 DVS | 3606100510
Hersteller: BOSCH
Artikelnummer: EB-0601273734-3606100510
Netto: 28,44 € zzgl. MwSt.
zzgl. 6,90 € Versand (brutto)
einmalig pro Bestellung

Lieferzeit: 5 Werktage

Pos.
7
BOSCH Zahnriemenrad Z=12 | Ersatzteile für 1273 DVS | 3606625531
Hersteller: BOSCH
Artikelnummer: EB-0601273734-3606625531
Netto: 19,18 € zzgl. MwSt.
zzgl. 6,90 € Versand (brutto)
einmalig pro Bestellung

Lieferzeit: 5 Werktage

Pos.
8
BOSCH Zahnwelle Z=15 | Ersatzteile für 1273 DVS | 3606302500
Hersteller: BOSCH
Artikelnummer: EB-0601273734-3606302500
nur Informationsartikel
Nie mehr lieferbar
keine Alternativen
Pos.
9
BOSCH Zahnriemenrad Z=34 | Ersatzteile für 1273 DVS | 3606625529
Hersteller: BOSCH
Artikelnummer: EB-0601273734-3606625529
Netto: 19,18 € zzgl. MwSt.
zzgl. 6,90 € Versand (brutto)
einmalig pro Bestellung

Lieferzeit: 5 Werktage

Pos.
10
BOSCH Einlage 0,8 MM | Ersatzteile für 1273 DVS | 3601015503
Hersteller: BOSCH
Artikelnummer: EB-0601273734-3601015503
Netto: 4,76 € zzgl. MwSt.
zzgl. 6,90 € Versand (brutto)
einmalig pro Bestellung

Lieferzeit: 5 Werktage

Pos.
11
BOSCH Zahnriemen 14,3 MM, Z=60 | Ersatzteile für 1273 DVS | 3604736505
Hersteller: BOSCH
Artikelnummer: EB-0601273734-3604736505
nur Informationsartikel
Nie mehr lieferbar
keine Alternativen
Pos.
13
BOSCH Hinweisschild | Ersatzteile für 1273 DVS | 2610967533
Hersteller: BOSCH
Artikelnummer: EB-0601273734-2610967533
Netto: 5,21 € zzgl. MwSt.
zzgl. 6,90 € Versand (brutto)
einmalig pro Bestellung

Lieferzeit: 5 Werktage

Pos.
14
BOSCH Firmenschild | Ersatzteile für 1273 DVS | 3601119682
Hersteller: BOSCH
Artikelnummer: EB-0601273734-3601119682
Netto: 9,20 € zzgl. MwSt.
zzgl. 6,90 € Versand (brutto)
einmalig pro Bestellung

Lieferzeit: 5 Werktage

Pos.
15
BOSCH Rillenkugellager 12x32x10 | Ersatzteile für 1273 DVS | 1600905007
Hersteller: BOSCH
Artikelnummer: EB-0601273734-1600905007
Netto: 9,63 € zzgl. MwSt.
zzgl. 6,90 € Versand (brutto)
einmalig pro Bestellung

Lieferzeit: 5 Werktage

Pos.
16
BOSCH Kugellager | Ersatzteile für 1273 DVS | 2610904891
Hersteller: BOSCH
Artikelnummer: EB-0601273734-2610904891
nur Informationsartikel
Nie mehr lieferbar
keine Alternativen
Pos.
17
BOSCH Rillenkugellager 12x28x8 | Ersatzteile für 1273 DVS | 1900905161
Hersteller: BOSCH
Artikelnummer: EB-0601273734-1900905161
Netto: 19,18 € zzgl. MwSt.
zzgl. 6,90 € Versand (brutto)
einmalig pro Bestellung

Lieferzeit: 5 Werktage

Pos.
18
BOSCH Sicherungsring | Ersatzteile für 1273 DVS | 3600119509
Hersteller: BOSCH
Artikelnummer: EB-0601273734-3600119509
nur Informationsartikel
Nie mehr lieferbar
keine Alternativen
Pos.
19
BOSCH Druckfeder | Ersatzteile für 1273 DVS | 3604625500
Hersteller: BOSCH
Artikelnummer: EB-0601273734-3604625500
nur Informationsartikel
Nie mehr lieferbar
keine Alternativen
Pos.
20
BOSCH Sicherungsring | Ersatzteile für 1273 DVS | 3600119503
Hersteller: BOSCH
Artikelnummer: EB-0601273734-3600119503
nur Informationsartikel
Nie mehr lieferbar
keine Alternativen
Pos.
21
BOSCH Sicherungsring DIN 471-10x1MM-FSt | Ersatzteile für 1273 DVS | 2916650001
Hersteller: BOSCH
Artikelnummer: EB-0601273734-2916650001
Netto: 4,53 € zzgl. MwSt.
zzgl. 6,90 € Versand (brutto)
einmalig pro Bestellung

Lieferzeit: 5 Werktage

Pos.
23
BOSCH Getriebedeckel BLAU | Ersatzteile für 1273 DVS | 2610990025
Hersteller: BOSCH
Artikelnummer: EB-0601273734-2610990025
Netto: 9,18 € zzgl. MwSt.
zzgl. 6,90 € Versand (brutto)
einmalig pro Bestellung

Lieferzeit: 5 Werktage

Pos.
24
BOSCH Druckleiste | Ersatzteile für 1273 DVS | 3601036500
Hersteller: BOSCH
Artikelnummer: EB-0601273734-3601036500
Netto: 4,53 € zzgl. MwSt.
zzgl. 6,90 € Versand (brutto)
einmalig pro Bestellung

Lieferzeit: 5 Werktage

Pos.
25
BOSCH Befestigungsschelle | Ersatzteile für 1273 DVS | 3601032500
Hersteller: BOSCH
Artikelnummer: EB-0601273734-3601032500
Netto: 7,76 € zzgl. MwSt.
zzgl. 6,90 € Versand (brutto)
einmalig pro Bestellung

Lieferzeit: 5 Werktage

Pos.
26
BOSCH Schutzblech | Ersatzteile für 1273 DVS | 3605510525
Hersteller: BOSCH
Artikelnummer: EB-0601273734-3605510525
Netto: 11,92 € zzgl. MwSt.
zzgl. 6,90 € Versand (brutto)
einmalig pro Bestellung

Lieferzeit: 5 Werktage

Pos.
27
BOSCH Hebel | Ersatzteile für 1273 DVS | 3601923502
Hersteller: BOSCH
Artikelnummer: EB-0601273734-3601923502
Netto: 14,36 € zzgl. MwSt.
zzgl. 6,90 € Versand (brutto)
einmalig pro Bestellung

Lieferzeit: 5 Werktage

Pos.
28
BOSCH Luftleitring | Ersatzteile für 1273 DVS | 3605108566
Hersteller: BOSCH
Artikelnummer: EB-0601273734-3605108566
nur Informationsartikel
Nie mehr lieferbar
keine Alternativen
Pos.
29
BOSCH Tülle Ø 9,4 MM | Ersatzteile für 1273 DVS | 3600707503
Hersteller: BOSCH
Artikelnummer: EB-0601273734-3600707503
Netto: 5,19 € zzgl. MwSt.
zzgl. 6,90 € Versand (brutto)
einmalig pro Bestellung

Lieferzeit: 5 Werktage

Pos.
31
BOSCH Blattfeder | Ersatzteile für 1273 DVS | 3601254500
Hersteller: BOSCH
Artikelnummer: EB-0601273734-3601254500
nur Informationsartikel
Nie mehr lieferbar
keine Alternativen
Pos.
32
BOSCH Schenkelfeder | Ersatzteile für 1273 DVS | 3604651500
Hersteller: BOSCH
Artikelnummer: EB-0601273734-3604651500
nur Informationsartikel
Nie mehr lieferbar
keine Alternativen
Pos.
33
BOSCH Feder | Ersatzteile für 1273 DVS | 3604619500
Hersteller: BOSCH
Artikelnummer: EB-0601273734-3604619500
nur Informationsartikel
Nie mehr lieferbar
keine Alternativen
Pos.
34
BOSCH Ausgleichscheibe | Ersatzteile für 1273 DVS | 3600101501
Hersteller: BOSCH
Artikelnummer: EB-0601273734-3600101501
Netto: 4,54 € zzgl. MwSt.
zzgl. 6,90 € Versand (brutto)
einmalig pro Bestellung

Lieferzeit: 5 Werktage

Pos.
35
BOSCH Ausgleichscheibe | Ersatzteile für 1273 DVS | 2610992475
Hersteller: BOSCH
Artikelnummer: EB-0601273734-2610992475
Netto: 3,94 € zzgl. MwSt.
zzgl. 6,90 € Versand (brutto)
einmalig pro Bestellung

Lieferzeit: 5 Werktage

Pos.
36
BOSCH Blechschraube DIN 7981-ST3,5x13-C-H | Ersatzteile für 1273 DVS | 2910611011
Hersteller: BOSCH
Artikelnummer: EB-0601273734-2910611011
nur Informationsartikel
Nie mehr lieferbar
keine Alternativen
Pos.
37
BOSCH Blechschraube | Ersatzteile für 1273 DVS | 2610991306
Hersteller: BOSCH
Artikelnummer: EB-0601273734-2610991306
Netto: 3,94 € zzgl. MwSt.
zzgl. 6,90 € Versand (brutto)
einmalig pro Bestellung

Lieferzeit: 5 Werktage

Pos.
38
BOSCH Blechschraube DIN 7981-ST3,5x19-C-H | Ersatzteile für 1273 DVS | 2910611013
Hersteller: BOSCH
Artikelnummer: EB-0601273734-2910611013
nur Informationsartikel
Nie mehr lieferbar
keine Alternativen
Pos.
39
BOSCH Blechschraube DIN 7981-ST4,2x9,5-F-H | Ersatzteile für 1273 DVS | 2910611424
Hersteller: BOSCH
Artikelnummer: EB-0601273734-2910611424
nur Informationsartikel
Nie mehr lieferbar
keine Alternativen
Pos.
40
BOSCH Blechschraube DIN 7981-ST4,2x22-C-H | Ersatzteile für 1273 DVS | 2910611028
Hersteller: BOSCH
Artikelnummer: EB-0601273734-2910611028
nur Informationsartikel
Nie mehr lieferbar
keine Alternativen
Pos.
41
BOSCH Schraube B 4,8x45 MM | Ersatzteile für 1273 DVS | 3603415560
Hersteller: BOSCH
Artikelnummer: EB-0601273734-3603415560
Netto: 3,63 € zzgl. MwSt.
zzgl. 6,90 € Versand (brutto)
einmalig pro Bestellung

Lieferzeit: 5 Werktage

Pos.
42
BOSCH Haltebügel | Ersatzteile für 1273 DVS | 3601321524
Hersteller: BOSCH
Artikelnummer: EB-0601273734-3601321524
nur Informationsartikel
Nie mehr lieferbar
keine Alternativen
Pos.
43
BOSCH Lagerwelle | Ersatzteile für 1273 DVS | 3603004501
Hersteller: BOSCH
Artikelnummer: EB-0601273734-3603004501
Netto: 14,36 € zzgl. MwSt.
zzgl. 6,90 € Versand (brutto)
einmalig pro Bestellung

Lieferzeit: 5 Werktage

Pos.
44
BOSCH Schwenkachse | Ersatzteile für 1273 DVS | 3603405509
Hersteller: BOSCH
Artikelnummer: EB-0601273734-3603405509
Netto: 4,53 € zzgl. MwSt.
zzgl. 6,90 € Versand (brutto)
einmalig pro Bestellung

Lieferzeit: 5 Werktage

Pos.
45
BOSCH Einstellschlüssel | Ersatzteile für 1273 DVS | 3603481507
Hersteller: BOSCH
Artikelnummer: EB-0601273734-3603481507
nur Informationsartikel
Nie mehr lieferbar
keine Alternativen
Pos.
46
BOSCH Befestigungswinkel | Ersatzteile für 1273 DVS | 3601230500
Hersteller: BOSCH
Artikelnummer: EB-0601273734-3601230500
Netto: 4,53 € zzgl. MwSt.
zzgl. 6,90 € Versand (brutto)
einmalig pro Bestellung

Lieferzeit: 5 Werktage

Pos.
47
BOSCH Sechskantmutter DIN 439-BM10-04 | Ersatzteile für 1273 DVS | 2915051108
Hersteller: BOSCH
Artikelnummer: EB-0601273734-2915051108
nur Informationsartikel
Nie mehr lieferbar
keine Alternativen
Pos.
50
BOSCH Federscheibe | Ersatzteile für 1273 DVS | 3600150505
Hersteller: BOSCH
Artikelnummer: EB-0601273734-3600150505
Netto: 4,53 € zzgl. MwSt.
zzgl. 6,90 € Versand (brutto)
einmalig pro Bestellung

Lieferzeit: 5 Werktage

Pos.
51
BOSCH Federkapsel M 5x0,8 MM | Ersatzteile für 1273 DVS | 3603315500
Hersteller: BOSCH
Artikelnummer: EB-0601273734-3603315500
Netto: 4,53 € zzgl. MwSt.
zzgl. 6,90 € Versand (brutto)
einmalig pro Bestellung

Lieferzeit: 5 Werktage

Pos.
52
BOSCH Sechskantschraube 5x0,8 MM | Ersatzteile für 1273 DVS | 3603453500
Hersteller: BOSCH
Artikelnummer: EB-0601273734-3603453500
Netto: 5,19 € zzgl. MwSt.
zzgl. 6,90 € Versand (brutto)
einmalig pro Bestellung

Lieferzeit: 5 Werktage

Pos.
53
BOSCH Kippschalter | Ersatzteile für 1273 DVS | 3607000677
Hersteller: BOSCH
Artikelnummer: EB-0601273734-3607000677
nur Informationsartikel
Nie mehr lieferbar
keine Alternativen
Pos.
54
BOSCH Getriebedeckel | Ersatzteile für 1273 DVS | 2610993630
Hersteller: BOSCH
Artikelnummer: EB-0601273734-2610993630
Netto: 21,16 € zzgl. MwSt.
zzgl. 6,90 € Versand (brutto)
einmalig pro Bestellung

Lieferzeit: 5 Werktage

Pos.
55
BOSCH Anpressleiste | Ersatzteile für 1273 DVS | 3601321527
Hersteller: BOSCH
Artikelnummer: EB-0601273734-3601321527
Netto: 12,98 € zzgl. MwSt.
zzgl. 6,90 € Versand (brutto)
einmalig pro Bestellung

Lieferzeit: 5 Werktage

Pos.
57
BOSCH Bürstenhalter | Ersatzteile für 1273 DVS | 3600492504
Hersteller: BOSCH
Artikelnummer: EB-0601273734-3600492504
Netto: 14,36 € zzgl. MwSt.
zzgl. 6,90 € Versand (brutto)
einmalig pro Bestellung

Lieferzeit: 5 Werktage

Pos.
58
BOSCH Schraubkappe | Ersatzteile für 1273 DVS | 2610994437
Hersteller: BOSCH
Artikelnummer: EB-0601273734-2610994437
nur Informationsartikel
Nie mehr lieferbar
keine Alternativen
Pos.
60
BOSCH Ausgleichscheibe | Ersatzteile für 1273 DVS | 3600100504
Hersteller: BOSCH
Artikelnummer: EB-0601273734-3600100504
Netto: 4,53 € zzgl. MwSt.
zzgl. 6,90 € Versand (brutto)
einmalig pro Bestellung

Lieferzeit: 5 Werktage

Pos.
61
BOSCH Lüfterdeckel BLAU | Ersatzteile für 1273 DVS | 3605500579
Hersteller: BOSCH
Artikelnummer: EB-0601273734-3605500579
Netto: 7,30 € zzgl. MwSt.
zzgl. 6,90 € Versand (brutto)
einmalig pro Bestellung

Lieferzeit: 5 Werktage

Pos.
62
BOSCH Griffschale BLAU | Ersatzteile für 1273 DVS | 2610994470
Hersteller: BOSCH
Artikelnummer: EB-0601273734-2610994470
nur Informationsartikel
Nie mehr lieferbar
keine Alternativen
Pos.
63
BOSCH Gehäusedeckel | Ersatzteile für 1273 DVS | 3605500578
Hersteller: BOSCH
Artikelnummer: EB-0601273734-3605500578
nur Informationsartikel
Nie mehr lieferbar
keine Alternativen
Pos.
64
BOSCH Gummiring | Ersatzteile für 1273 DVS | 3600206502
Hersteller: BOSCH
Artikelnummer: EB-0601273734-3600206502
Netto: 4,32 € zzgl. MwSt.
zzgl. 6,90 € Versand (brutto)
einmalig pro Bestellung

Lieferzeit: 5 Werktage

Pos.
66
BOSCH Laufrolle LINKSGEWINDE | Ersatzteile für 1273 DVS | 3606625540
Hersteller: BOSCH
Artikelnummer: EB-0601273734-3606625540
nur Informationsartikel
Nie mehr lieferbar
keine Alternativen
Pos.
67
BOSCH Laufrolle | Ersatzteile für 1273 DVS | 3606625533
Hersteller: BOSCH
Artikelnummer: EB-0601273734-3606625533
nur Informationsartikel
Nie mehr lieferbar
keine Alternativen
Pos.
68
BOSCH Linsenschraube | Ersatzteile für 1273 DVS | 2910641082
Hersteller: BOSCH
Artikelnummer: EB-0601273734-2910641082
Netto: 3,63 € zzgl. MwSt.
zzgl. 6,90 € Versand (brutto)
einmalig pro Bestellung

Lieferzeit: 5 Werktage

Pos.
69
BOSCH Schraube 4x13 MM | Ersatzteile für 1273 DVS | 3603415540
Hersteller: BOSCH
Artikelnummer: EB-0601273734-3603415540
Netto: 4,53 € zzgl. MwSt.
zzgl. 6,90 € Versand (brutto)
einmalig pro Bestellung

Lieferzeit: 5 Werktage

Pos.
70
BOSCH Schraube 4x25 MM | Ersatzteile für 1273 DVS | 3603429514
Hersteller: BOSCH
Artikelnummer: EB-0601273734-3603429514
Netto: 3,94 € zzgl. MwSt.
zzgl. 6,90 € Versand (brutto)
einmalig pro Bestellung

Lieferzeit: 5 Werktage

Pos.
71
BOSCH Unterlegscheibe DIN 125-A4,3-ST | Ersatzteile für 1273 DVS | 2916011010
Hersteller: BOSCH
Artikelnummer: EB-0601273734-2916011010
nur Informationsartikel
Nie mehr lieferbar
keine Alternativen
Pos.
72
BOSCH Blechschraube | Ersatzteile für 1273 DVS | 3603435507
Hersteller: BOSCH
Artikelnummer: EB-0601273734-3603435507
Netto: 3,95 € zzgl. MwSt.
zzgl. 6,90 € Versand (brutto)
einmalig pro Bestellung

Lieferzeit: 5 Werktage

Pos.
73
BOSCH Schraube 4x35 MM | Ersatzteile für 1273 DVS | 3603429513
Hersteller: BOSCH
Artikelnummer: EB-0601273734-3603429513
Netto: 3,94 € zzgl. MwSt.
zzgl. 6,90 € Versand (brutto)
einmalig pro Bestellung

Lieferzeit: 5 Werktage

Pos.
74
BOSCH Hinweisschild DOPPELT ISOLIERT | Ersatzteile für 1273 DVS | 1601110058
Hersteller: BOSCH
Artikelnummer: EB-0601273734-1601110058
Netto: 3,94 € zzgl. MwSt.
zzgl. 6,90 € Versand (brutto)
einmalig pro Bestellung

Lieferzeit: 5 Werktage

Pos.
75
BOSCH Klebeschild | Ersatzteile für 1273 DVS | 3601119679
Hersteller: BOSCH
Artikelnummer: EB-0601273734-3601119679
nur Informationsartikel
Nie mehr lieferbar
keine Alternativen
Pos.
77
BOSCH Zylinderschraube | Ersatzteile für 1273 DVS | 3603429512
Hersteller: BOSCH
Artikelnummer: EB-0601273734-3603429512
nur Informationsartikel
Nie mehr lieferbar
keine Alternativen
Pos.
79
BOSCH Rundgummi | Ersatzteile für 1273 DVS | 3600305500
Hersteller: BOSCH
Artikelnummer: EB-0601273734-3600305500
nur Informationsartikel
Nie mehr lieferbar
keine Alternativen
Pos.
80
BOSCH Anschlussklemme | Ersatzteile für 1273 DVS | 3601353500
Hersteller: BOSCH
Artikelnummer: EB-0601273734-3601353500
nur Informationsartikel
Nie mehr lieferbar
keine Alternativen
Pos.
81
BOSCH Zylinderschraube | Ersatzteile für 1273 DVS | 3603433506
Hersteller: BOSCH
Artikelnummer: EB-0601273734-3603433506
nur Informationsartikel
Nie mehr lieferbar
keine Alternativen
Pos.
82
BOSCH Regelgerät 110-115V | Ersatzteile für 1273 DVS | 3607230506
Hersteller: BOSCH
Artikelnummer: EB-0601273734-3607230506
nur Informationsartikel
Nie mehr lieferbar
keine Alternativen
Pos.
84
BOSCH Schalterdeckel | Ersatzteile für 1273 DVS | 3605510512
Hersteller: BOSCH
Artikelnummer: EB-0601273734-3605510512
Netto: 5,67 € zzgl. MwSt.
zzgl. 6,90 € Versand (brutto)
einmalig pro Bestellung

Lieferzeit: 5 Werktage

Pos.
91
BOSCH Anschlussklemme | Ersatzteile für 1273 DVS | 3600685500
Hersteller: BOSCH
Artikelnummer: EB-0601273734-3600685500
Netto: 5,21 € zzgl. MwSt.
zzgl. 6,90 € Versand (brutto)
einmalig pro Bestellung

Lieferzeit: 5 Werktage

Pos.
94
BOSCH Leitungsführung | Ersatzteile für 1273 DVS | 3604680500
Hersteller: BOSCH
Artikelnummer: EB-0601273734-3604680500
nur Informationsartikel
Nie mehr lieferbar
keine Alternativen
Pos.
96
BOSCH Hinweisschild | Ersatzteile für 1273 DVS | 3601119591
Hersteller: BOSCH
Artikelnummer: EB-0601273734-3601119591
Netto: 5,19 € zzgl. MwSt.
zzgl. 6,90 € Versand (brutto)
einmalig pro Bestellung

Lieferzeit: 5 Werktage

Pos.
110
BOSCH Typschild ACHTUNG | Ersatzteile für 1273 DVS | 1601110449
Hersteller: BOSCH
Artikelnummer: EB-0601273734-1601110449
nur Informationsartikel
Nie mehr lieferbar
keine Alternativen
Pos.
111
BOSCH Mutter | Ersatzteile für 1273 DVS | 3603301523
Hersteller: BOSCH
Artikelnummer: EB-0601273734-3603301523
Netto: 4,82 € zzgl. MwSt.
zzgl. 6,90 € Versand (brutto)
einmalig pro Bestellung

Lieferzeit: 5 Werktage

Pos.
651
BOSCH Staubbeutel | Ersatzteile für 1273 DVS | 2610994480
Hersteller: BOSCH
Artikelnummer: EB-0601273734-2610994480
Netto: 35,77 € zzgl. MwSt.
zzgl. 6,90 € Versand (brutto)
einmalig pro Bestellung

Lieferzeit: 5 Werktage

Pos.
801
BOSCH Kohlebürstensatz | Ersatzteile für 1273 DVS | 3607014507
Hersteller: BOSCH
Artikelnummer: EB-0601273734-3607014507
nur Informationsartikel
Nie mehr lieferbar
keine Alternativen
Pos.
810
BOSCH Typschild | Ersatzteile für 1273 DVS | 3601119590
Hersteller: BOSCH
Artikelnummer: EB-0601273734-3601119590
nur Informationsartikel
Nie mehr lieferbar
keine Alternativen
Pos.
812
BOSCH Grundplatte | Ersatzteile für 1273 DVS | 3601010516
Hersteller: BOSCH
Artikelnummer: EB-0601273734-3601010516
nur Informationsartikel
Nie mehr lieferbar
keine Alternativen

Angaben zur Produktsicherheit

Hersteller:
Robert Bosch Power Tools GmbH
Postfach 30 02 20
70442 Stuttgart

E-Mail:
kontakt@bosch.de