BOSCH Halteband | Ersatzteile für 1332.4 | 1604700002

Artikelnummer: EB-0601332462-1604700002

Position: 151

Marke: BOSCH


Bitte Kompatibilität prüfen!

Bitte prüfen Sie unbedingt die 10-stellige Typennummer Ihrer Maschine / Ihres Gerätes. Das Ersatzteil ist nur kompatibel, wenn Sie die Typennummer Ihrer Maschine in der unten stehenden Produktbeschreibung finden.

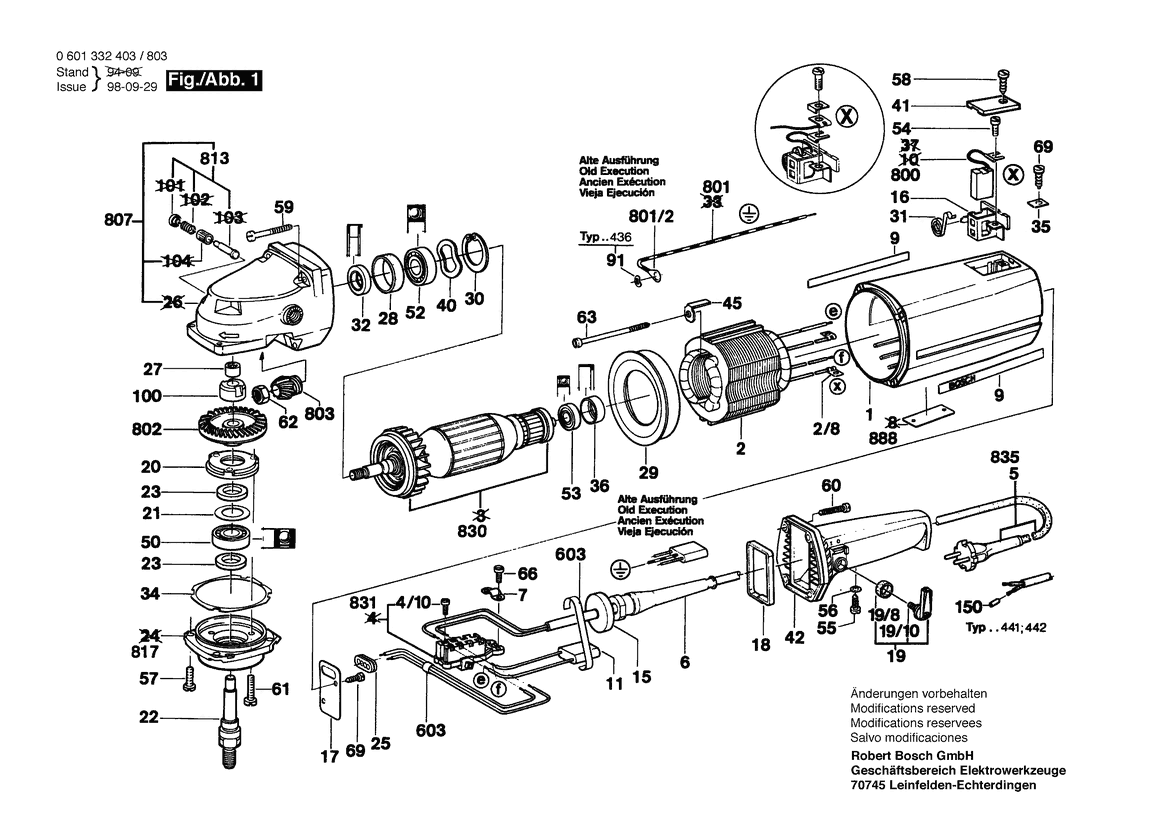
Bitte prüfen Sie ebenfalls detailliert die Explosionszeichnung mit Ihrem Artikelwunsch und der jeweiligen Pos-Nummer.

Alle Elemente, welche vom schwarzen Strich der Pos-Nummer ausgehend berührt / erfasst werden, gehören zu dieser Pos-Nummer und somit zu diesem Artikel. Jede Pos-Nummer ist ein eigenständiger Artikel, welchen Sie in der Auflistung finden.

Sie erhalten stets die aktuellste, neueste Produktversion zu der gewählten Pos-Nummer seitens des Herstellers. Es kann daher je nach Gerätealter vorkommen, dass Sie ggf. weitere, zugehörige Elemente, welche an diese Pos-Nummer grenzen, ebenfalls mittauschen müssen.

Nähere Informationen finden Sie unter dem Link
Hinweise zu Ihrer BOSCH Ersatzteilsuche

Preisübersicht

Einzelpreis: 1,18 €* (Brutto: 1,40 €)
Gesamtpreis: 1,18 €* 
Position:

Lieferzeit: 5 Werktage


Beschreibung

  • Halteband
  • Original Bosch Zubehör / BOSCH Ersatzteil (1604700002)
  • im Gerät verbaut: 1
Dieses BOSCH Ersatzteil ist mit folgendem Gerät und Modell kompatibel:
  • BOSCH Gerätename: 1332.4
  • BOSCH Explosionszeichnung: Position 151
  • BOSCH Typennummer: 0601332462
  • BOSCH Typennummer alternative Schreibweisen: 0 601 332 462, 0601 332 462, 0.601.332.462, 0-601-332-462
    Bitte prüfen Sie diese Typennummer auf Ihrem Gerät um die Kompatibilität des BOSCH Ersatzteils zu gewährleisten.
Weitere BOSCH Ersatzteile des Gerätes 1332.4 (Winkelschleifer) mit der Typennummer 0601332462 finden Sie in der nachfolgenden Darstellung und im Dropdown zu Ihrer Auswahl:

Pos.
1
BOSCH Motorgehäuse BLAU | Ersatzteile für Winkelschleifer | 1605108124
Hersteller: BOSCH
Artikelnummer: EB-0601332462-1605108124
nur Informationsartikel
Nie mehr lieferbar
keine Alternativen
Pos.
19/10
BOSCH Filzring | Ersatzteile für Winkelschleifer | 1600205019
Hersteller: BOSCH
Artikelnummer: EB-0601332462-1600205019
nur Informationsartikel
Nie mehr lieferbar
keine Alternativen
Pos.
2/8
BOSCH Kabelschuh 1,5-4x4 | Ersatzteile für Winkelschleifer | 1901350003
Hersteller: BOSCH
Artikelnummer: EB-0601332462-1901350003
Netto: 3,60 € zzgl. MwSt.
zzgl. 6,90 € Versand (brutto)
einmalig pro Bestellung

Lieferzeit: 5 Werktage

Pos.
3/60
BOSCH Lüfter | Ersatzteile für 1332.4 | 1606610124
Hersteller: BOSCH
Artikelnummer: EB-0601332462-1606610124
Netto: 2,71 € zzgl. MwSt.
zzgl. 6,90 € Versand (brutto)
einmalig pro Bestellung

Lieferzeit: 5 Werktage

Pos.
4/1
BOSCH Ein/Aus-Schalter | Ersatzteile für Winkelschleifer | 1607200089
Hersteller: BOSCH
Artikelnummer: EB-0601332462-1607200089
nur Informationsartikel
Nie mehr lieferbar
keine Alternativen
Pos.
55/1
BOSCH Blechschraube DIN 7971-ST3,9x22-F | Ersatzteile für Winkelschleifer | 2910211021
Hersteller: BOSCH
Artikelnummer: EB-0601332462-2910211021
Netto: 3,94 € zzgl. MwSt.
zzgl. 6,90 € Versand (brutto)
einmalig pro Bestellung

Lieferzeit: 5 Werktage

Pos.
650/10
BOSCH Zusatzhandgriff | Ersatzteile für 1332.4 | 160202509Z
Hersteller: BOSCH
Artikelnummer: EB-0601332462-16020250A1
Netto: 13,81 € zzgl. MwSt.
zzgl. 6,90 € Versand (brutto)
einmalig pro Bestellung

Lieferzeit: 5 Werktage

Pos.
650/11
BOSCH Winkelschraubendreher DIN 911-4 | Ersatzteile für 1332.4 | 2607950004
Hersteller: BOSCH
Artikelnummer: EB-0601332462-2607950004
Netto: 3,94 € zzgl. MwSt.
zzgl. 6,90 € Versand (brutto)
einmalig pro Bestellung

Lieferzeit: 5 Werktage

Pos.
650/13
BOSCH Rundmutter M14 | Ersatzteile für 1332.4 | 2603345004
Hersteller: BOSCH
Artikelnummer: EB-0601332462-2603345004
Netto: 7,26 € zzgl. MwSt.
zzgl. 6,90 € Versand (brutto)
einmalig pro Bestellung

Lieferzeit: 5 Werktage

Pos.
650/14
BOSCH Winkelschraubendreher DIN 911 SW6 | Ersatzteile für 1332.4 | 1907950007
Hersteller: BOSCH
Artikelnummer: EB-0601332462-1907950007
Netto: 6,27 € zzgl. MwSt.
zzgl. 6,90 € Versand (brutto)
einmalig pro Bestellung

Lieferzeit: 5 Werktage

Pos.
702/10
BOSCH Flügelmutter DIN 315-M8-GT-C | Ersatzteile für 1332.4 | 2915191007
Hersteller: BOSCH
Artikelnummer: EB-0601332462-2915191007
Netto: 5,17 € zzgl. MwSt.
zzgl. 6,90 € Versand (brutto)
einmalig pro Bestellung

Lieferzeit: 5 Werktage

Pos.
702/11
BOSCH Unterlegscheibe DIN 125-A 8,4-ST | Ersatzteile für 1332.4 | 2916011016
Hersteller: BOSCH
Artikelnummer: EB-0601332462-2916011016
Netto: 3,60 € zzgl. MwSt.
zzgl. 6,90 € Versand (brutto)
einmalig pro Bestellung

Lieferzeit: 5 Werktage

Pos.
702/20
BOSCH Innensechskantschraube DIN 912-M8X18-8.8 | Ersatzteile für 1332.4 | 2910141240
Hersteller: BOSCH
Artikelnummer: EB-0601332462-2910141240
Netto: 3,95 € zzgl. MwSt.
zzgl. 6,90 € Versand (brutto)
einmalig pro Bestellung

Lieferzeit: 5 Werktage

Pos.
703/11
BOSCH Sechskantschraube M14X16X1,5 MM | Ersatzteile für 1332.4 | 2603450007
Hersteller: BOSCH
Artikelnummer: EB-0601332462-2603450007
Netto: 6,75 € zzgl. MwSt.
zzgl. 6,90 € Versand (brutto)
einmalig pro Bestellung

Lieferzeit: 5 Werktage

Pos.
83/1
BOSCH Aderendhülse | Ersatzteile für Winkelschleifer | 3604477008
Hersteller: BOSCH
Artikelnummer: EB-0601332462-3604477008
Netto: 3,60 € zzgl. MwSt.
zzgl. 6,90 € Versand (brutto)
einmalig pro Bestellung

Lieferzeit: 5 Werktage

Pos.
2
BOSCH Polschuh 115V | Ersatzteile für Winkelschleifer | 1604220247
Hersteller: BOSCH
Artikelnummer: EB-0601332462-1604220247
nur Informationsartikel
Nie mehr lieferbar
keine Alternativen
Pos.
5
BOSCH Netzanschlussleitung GB 110V 4,15m 2 x 2,5mm H07 RN-F | Ersatzteile für Winkelschleifer | 1604460202
Hersteller: BOSCH
Artikelnummer: EB-0601332462-1604460202
Netto: 26,41 € zzgl. MwSt.
zzgl. 6,90 € Versand (brutto)
einmalig pro Bestellung

Lieferzeit: 5 Werktage

Pos.
6
BOSCH Tülle Ø11,5-Ø15,0x150 MM | Ersatzteile für Winkelschleifer | 1600703009
Hersteller: BOSCH
Artikelnummer: EB-0601332462-1600703009
Netto: 6,75 € zzgl. MwSt.
zzgl. 6,90 € Versand (brutto)
einmalig pro Bestellung

Lieferzeit: 5 Werktage

Pos.
7
BOSCH Befestigungsschelle | Ersatzteile für Winkelschleifer | 1601302013
Hersteller: BOSCH
Artikelnummer: EB-0601332462-1601302013
nur Informationsartikel
Nie mehr lieferbar
keine Alternativen
Pos.
9
BOSCH Firmenschild | Ersatzteile für Winkelschleifer | 1601110003
Hersteller: BOSCH
Artikelnummer: EB-0601332462-1601110003
nur Informationsartikel
Nie mehr lieferbar
keine Alternativen
Pos.
11
BOSCH Entstörfilter | Ersatzteile für Winkelschleifer | 1607328034
Hersteller: BOSCH
Artikelnummer: EB-0601332462-1607328034
Netto: 5,65 € zzgl. MwSt.
zzgl. 6,90 € Versand (brutto)
einmalig pro Bestellung

Lieferzeit: 5 Werktage

Pos.
16
BOSCH Bürstenhalter | Ersatzteile für Winkelschleifer | 1604336008
Hersteller: BOSCH
Artikelnummer: EB-0601332462-1604336008
nur Informationsartikel
Nie mehr lieferbar
keine Alternativen
Pos.
17
BOSCH Abdeckplatte | Ersatzteile für Winkelschleifer | 1601037006
Hersteller: BOSCH
Artikelnummer: EB-0601332462-1601037006
nur Informationsartikel
Nie mehr lieferbar
keine Alternativen
Pos.
18
BOSCH Profilstreifen 3,4x7x240 MM | Ersatzteile für Winkelschleifer | 1601014005
Hersteller: BOSCH
Artikelnummer: EB-0601332462-1601014005
nur Informationsartikel
Nie mehr lieferbar
keine Alternativen
Pos.
20
BOSCH Lagerdeckel | Ersatzteile für Winkelschleifer | 1605808054
Hersteller: BOSCH
Artikelnummer: EB-0601332462-1605808054
nur Informationsartikel
Nie mehr lieferbar
keine Alternativen
Pos.
21
BOSCH Abdeckscheibe | Ersatzteile für Winkelschleifer | 1600102012
Hersteller: BOSCH
Artikelnummer: EB-0601332462-1600102012
nur Informationsartikel
Nie mehr lieferbar
keine Alternativen
Pos.
22
BOSCH Schleifspindel M14, L=101 MM | Ersatzteile für Winkelschleifer | 1603523090
Hersteller: BOSCH
Artikelnummer: EB-0601332462-1603523090
nur Informationsartikel
Nie mehr lieferbar
keine Alternativen
Pos.
23
BOSCH Dichtscheibe | Ersatzteile für Winkelschleifer | 1600108055
Hersteller: BOSCH
Artikelnummer: EB-0601332462-1600108055
nur Informationsartikel
Nie mehr lieferbar
keine Alternativen
Pos.
27
BOSCH Nadellager Ø14 MM | Ersatzteile für Winkelschleifer | 2600910001
Hersteller: BOSCH
Artikelnummer: EB-0601332462-2600910001
nur Informationsartikel
Nie mehr lieferbar
keine Alternativen
Pos.
28
BOSCH Gummiring Ø41xØ37x11 MM | Ersatzteile für Winkelschleifer | 1600206028
Hersteller: BOSCH
Artikelnummer: EB-0601332462-1600206028
nur Informationsartikel
Nie mehr lieferbar
keine Alternativen
Pos.
29
BOSCH Leitscheibe | Ersatzteile für Winkelschleifer | 1600502013
Hersteller: BOSCH
Artikelnummer: EB-0601332462-1600502013
nur Informationsartikel
Nie mehr lieferbar
keine Alternativen
Pos.
30
BOSCH Sicherungsring | Ersatzteile für Winkelschleifer | 1600119004
Hersteller: BOSCH
Artikelnummer: EB-0601332462-1600119004
Netto: 4,80 € zzgl. MwSt.
zzgl. 6,90 € Versand (brutto)
einmalig pro Bestellung

Lieferzeit: 5 Werktage

Pos.
31
BOSCH Spiralfeder | Ersatzteile für Winkelschleifer | 1604652015
Hersteller: BOSCH
Artikelnummer: EB-0601332462-1604652015
nur Informationsartikel
Nie mehr lieferbar
keine Alternativen
Pos.
32
BOSCH Radial-Wellendichtring 18,7 MM ROT | Ersatzteile für Winkelschleifer | 1600290013
Hersteller: BOSCH
Artikelnummer: EB-0601332462-1600290013
Netto: 4,56 € zzgl. MwSt.
zzgl. 6,90 € Versand (brutto)
einmalig pro Bestellung

Lieferzeit: 5 Werktage

Pos.
34
BOSCH Ausgleichscheibe 0,1 MM DICK | Ersatzteile für Winkelschleifer | 1600190004
Hersteller: BOSCH
Artikelnummer: EB-0601332462-1600190004
nur Informationsartikel
Nie mehr lieferbar
keine Alternativen
Pos.
34
BOSCH Ausgleichscheibe 0,2 MM DICK | Ersatzteile für Winkelschleifer | 1600190005
Hersteller: BOSCH
Artikelnummer: EB-0601332462-1600190005
nur Informationsartikel
Nie mehr lieferbar
keine Alternativen
Pos.
35
BOSCH Sicherungsblech | Ersatzteile für Winkelschleifer | 1601030022
Hersteller: BOSCH
Artikelnummer: EB-0601332462-1601030022
nur Informationsartikel
Nie mehr lieferbar
keine Alternativen
Pos.
36
BOSCH Gummiring | Ersatzteile für Winkelschleifer | 1600206015
Hersteller: BOSCH
Artikelnummer: EB-0601332462-1600206015
Netto: 4,36 € zzgl. MwSt.
zzgl. 6,90 € Versand (brutto)
einmalig pro Bestellung

Lieferzeit: 5 Werktage

Pos.
38
BOSCH Kegelrad Z=14 | Ersatzteile für 1332.4 | 1606333222
Hersteller: BOSCH
Artikelnummer: EB-0601332462-1606333222
Netto: 48,85 € zzgl. MwSt.
zzgl. 6,90 € Versand (brutto)
einmalig pro Bestellung

Lieferzeit: 5 Werktage

Pos.
40
BOSCH Federscheibe Ø32,3xØ43,5x0,6 MM | Ersatzteile für Winkelschleifer | 1600150009
Hersteller: BOSCH
Artikelnummer: EB-0601332462-1600150009
Netto: 4,80 € zzgl. MwSt.
zzgl. 6,90 € Versand (brutto)
einmalig pro Bestellung

Lieferzeit: 5 Werktage

Pos.
41
BOSCH Verschlussdeckel BLAU | Ersatzteile für Winkelschleifer | 1605500089
Hersteller: BOSCH
Artikelnummer: EB-0601332462-1605500089
nur Informationsartikel
Nie mehr lieferbar
keine Alternativen
Pos.
45
BOSCH Haltewinkel | Ersatzteile für Winkelschleifer | 1601331032
Hersteller: BOSCH
Artikelnummer: EB-0601332462-1601331032
nur Informationsartikel
Nie mehr lieferbar
keine Alternativen
Pos.
50
BOSCH Rillenkugellager 6203-2 Z DIN 625 | Ersatzteile für Winkelschleifer | 1900905227
Hersteller: BOSCH
Artikelnummer: EB-0601332462-1900905227
nur Informationsartikel
Nie mehr lieferbar
keine Alternativen
Pos.
52
BOSCH Rillenkugellager 37x12x12 | Ersatzteile für Winkelschleifer | 1600900028
Hersteller: BOSCH
Artikelnummer: EB-0601332462-1600900028
nur Informationsartikel
Nie mehr lieferbar
keine Alternativen
Pos.
53
BOSCH Rillenkugellager | Ersatzteile für Winkelschleifer | 1600900029
Hersteller: BOSCH
Artikelnummer: EB-0601332462-1600900029
nur Informationsartikel
Nie mehr lieferbar
keine Alternativen
Pos.
54
BOSCH Zylinderschraube DIN 84-AM4x8-8.8 | Ersatzteile für Winkelschleifer | 2910021118
Hersteller: BOSCH
Artikelnummer: EB-0601332462-2910021118
nur Informationsartikel
Nie mehr lieferbar
keine Alternativen
Pos.
57
BOSCH Zylinderschraube DIN 84-AM5x15-5.8 | Ersatzteile für Winkelschleifer | 2910011157
Hersteller: BOSCH
Artikelnummer: EB-0601332462-2910011157
nur Informationsartikel
Nie mehr lieferbar
keine Alternativen
Pos.
58
BOSCH Blechschraube DIN 7971-BZ3,9x19 | Ersatzteile für Winkelschleifer | 2910211020
Hersteller: BOSCH
Artikelnummer: EB-0601332462-2910211020
Netto: 4,36 € zzgl. MwSt.
zzgl. 6,90 € Versand (brutto)
einmalig pro Bestellung

Lieferzeit: 5 Werktage

Pos.
59
BOSCH Schraube B 4,8x45 MM | Ersatzteile für Winkelschleifer | 3603415560
Hersteller: BOSCH
Artikelnummer: EB-0601332462-3603415560
Netto: 3,60 € zzgl. MwSt.
zzgl. 6,90 € Versand (brutto)
einmalig pro Bestellung

Lieferzeit: 5 Werktage

Pos.
60
BOSCH Blechschraube DIN 7971-ST4,8x25-F | Ersatzteile für Winkelschleifer | 2910211036
Hersteller: BOSCH
Artikelnummer: EB-0601332462-2910211036
Netto: 3,60 € zzgl. MwSt.
zzgl. 6,90 € Versand (brutto)
einmalig pro Bestellung

Lieferzeit: 5 Werktage

Pos.
61
BOSCH Zylinderschraube DIN 84-AM5x20-5.8 | Ersatzteile für Winkelschleifer | 2910011162
Hersteller: BOSCH
Artikelnummer: EB-0601332462-2910011162
Netto: 3,60 € zzgl. MwSt.
zzgl. 6,90 € Versand (brutto)
einmalig pro Bestellung

Lieferzeit: 5 Werktage

Pos.
62
BOSCH Sechskantmutter M12x1,5 MM | Ersatzteile für Winkelschleifer | 1603300009
Hersteller: BOSCH
Artikelnummer: EB-0601332462-1603300009
nur Informationsartikel
Nie mehr lieferbar
keine Alternativen
Pos.
63
BOSCH Blechschraube B4,8x85 MM | Ersatzteile für Winkelschleifer | 1603429001
Hersteller: BOSCH
Artikelnummer: EB-0601332462-1603429001
nur Informationsartikel
Nie mehr lieferbar
keine Alternativen
Pos.
69
BOSCH Blechschraube DIN 7971-BZ3,5x13 | Ersatzteile für Winkelschleifer | 2910211011
Hersteller: BOSCH
Artikelnummer: EB-0601332462-2910211011
Netto: 3,60 € zzgl. MwSt.
zzgl. 6,90 € Versand (brutto)
einmalig pro Bestellung

Lieferzeit: 5 Werktage

Pos.
100
BOSCH Nutring | Ersatzteile für Winkelschleifer | 1600390011
Hersteller: BOSCH
Artikelnummer: EB-0601332462-1600390011
nur Informationsartikel
Nie mehr lieferbar
keine Alternativen
Pos.
105
BOSCH Hinweisschild | Ersatzteile für 1332.4 | 1601110240
Hersteller: BOSCH
Artikelnummer: EB-0601332462-1601110240
nur Informationsartikel
Nie mehr lieferbar
keine Alternativen
Pos.
150
BOSCH Aderendhülse DIN 46 228-A2,5-7 | Ersatzteile für Winkelschleifer | 1900452003
Hersteller: BOSCH
Artikelnummer: EB-0601332462-1900452003
Netto: 4,56 € zzgl. MwSt.
zzgl. 6,90 € Versand (brutto)
einmalig pro Bestellung

Lieferzeit: 5 Werktage

Pos.
151
BOSCH Halteband | Ersatzteile für 1332.4 | 1604700002
Hersteller: BOSCH
Artikelnummer: EB-0601332462-1604700002
Netto: 1,18 € zzgl. MwSt.
zzgl. 6,90 € Versand (brutto)
einmalig pro Bestellung

Lieferzeit: 5 Werktage

Pos.
652
BOSCH Schutzhaube Ø230 MM | Ersatzteile für 1332.4 | 1605510198
Hersteller: BOSCH
Artikelnummer: EB-0601332462-1605510198
nur Informationsartikel
Nie mehr lieferbar
keine Alternativen
Pos.
702
BOSCH Schutzhaube Ø230 MM | Ersatzteile für Winkelschleifer | 1605510180
Hersteller: BOSCH
Artikelnummer: EB-0601332462-1605510180
Netto: 145,13 € zzgl. MwSt.
zzgl. 6,90 € Versand (brutto)
einmalig pro Bestellung

Lieferzeit: 5 Werktage

Pos.
702
BOSCH Verbindungsstutzen Ø32,3xØ34,9x75 MM | Ersatzteile für Winkelschleifer | 1600309009
Hersteller: BOSCH
Artikelnummer: EB-0601332462-1600309009
nur Informationsartikel
Nie mehr lieferbar
keine Alternativen
Pos.
703
BOSCH Teilesatz | Ersatzteile für 1332.4 | 1607000140
Hersteller: BOSCH
Artikelnummer: EB-0601332462-1607000140
Nie mehr lieferbar
keine Alternativen
Pos.
800
BOSCH Kohlebürstensatz | Ersatzteile für Winkelschleifer | 1607014103
Hersteller: BOSCH
Artikelnummer: EB-0601332462-1607014103
nur Informationsartikel
Nie mehr lieferbar
keine Alternativen
Pos.
802
BOSCH Tellerrad Z=59 | Ersatzteile für Winkelschleifer | 1606333200
Hersteller: BOSCH
Artikelnummer: EB-0601332462-1606333200
nur Informationsartikel
Nie mehr lieferbar
keine Alternativen
Pos.
807
BOSCH Teilesatz | Ersatzteile für Winkelschleifer | 1607000913
Hersteller: BOSCH
Artikelnummer: EB-0601332462-1607000917
nur Informationsartikel
Nie mehr lieferbar
keine Alternativen
Pos.
813
BOSCH Teilesatz | Ersatzteile für Winkelschleifer | 1607000161
Hersteller: BOSCH
Artikelnummer: EB-0601332462-1607000161
nur Informationsartikel
Nie mehr lieferbar
keine Alternativen
Pos.
817
BOSCH Lagerflansch | Ersatzteile für Winkelschleifer | 1607000229
Hersteller: BOSCH
Artikelnummer: EB-0601332462-1607000229
nur Informationsartikel
Nie mehr lieferbar
keine Alternativen
Pos.
828
BOSCH Haltering | Ersatzteile für 1332.4 | 1600206019
Hersteller: BOSCH
Artikelnummer: EB-0601332462-1600206019
Netto: 1,18 € zzgl. MwSt.
zzgl. 6,90 € Versand (brutto)
einmalig pro Bestellung

Lieferzeit: 5 Werktage

Pos.
830
BOSCH Anker 110-115V | Ersatzteile für Winkelschleifer | 1604012055
Hersteller: BOSCH
Artikelnummer: EB-0601332462-1604012055
nur Informationsartikel
Nie mehr lieferbar
keine Alternativen
Pos.
842
BOSCH Teilesatz | Ersatzteile für Winkelschleifer | 1607000187
Hersteller: BOSCH
Artikelnummer: EB-0601332462-1607000187
nur Informationsartikel
Nie mehr lieferbar
keine Alternativen
Pos.
888
BOSCH Typschild | Ersatzteile für Winkelschleifer | 160111A3H3
Hersteller: BOSCH
Artikelnummer: EB-0601332462-160111A3H3
Netto: 4,56 € zzgl. MwSt.
zzgl. 6,90 € Versand (brutto)
einmalig pro Bestellung

Lieferzeit: 5 Werktage

Angaben zur Produktsicherheit

Hersteller:
Robert Bosch Power Tools GmbH
Postfach 30 02 20
70442 Stuttgart

E-Mail:
kontakt@bosch.de