BOSCH Dichtungssatz | Ersatzteile für 1335.4 | 1607000138

Artikelnummer: EB-0601335450-1607000138

Position: 810

Marke: BOSCH


Bitte Kompatibilität prüfen!

Bitte prüfen Sie unbedingt die 10-stellige Typennummer Ihrer Maschine / Ihres Gerätes. Das Ersatzteil ist nur kompatibel, wenn Sie die Typennummer Ihrer Maschine in der unten stehenden Produktbeschreibung finden.

Bitte prüfen Sie ebenfalls detailliert die Explosionszeichnung mit Ihrem Artikelwunsch und der jeweiligen Pos-Nummer.

Alle Elemente, welche vom schwarzen Strich der Pos-Nummer ausgehend berührt / erfasst werden, gehören zu dieser Pos-Nummer und somit zu diesem Artikel. Jede Pos-Nummer ist ein eigenständiger Artikel, welchen Sie in der Auflistung finden.

Sie erhalten stets die aktuellste, neueste Produktversion zu der gewählten Pos-Nummer seitens des Herstellers. Es kann daher je nach Gerätealter vorkommen, dass Sie ggf. weitere, zugehörige Elemente, welche an diese Pos-Nummer grenzen, ebenfalls mittauschen müssen.

Nähere Informationen finden Sie unter dem Link
Hinweise zu Ihrer BOSCH Ersatzteilsuche

Preisübersicht

Einzelpreis: 4,08 €* (Brutto: 4,86 €)
Gesamtpreis: 4,08 €* 
Position:

Lieferzeit: 5 Werktage


Beschreibung

  • Dichtungssatz
  • Original Bosch Zubehör / BOSCH Ersatzteil (1607000138)
  • im Gerät verbaut: 1
Dieses BOSCH Ersatzteil ist mit folgendem Gerät und Modell kompatibel:
  • BOSCH Gerätename: 1335.4
  • BOSCH Explosionszeichnung: Position 810
  • BOSCH Typennummer: 0601335450
  • BOSCH Typennummer alternative Schreibweisen: 0 601 335 450, 0601 335 450, 0.601.335.450, 0-601-335-450
    Bitte prüfen Sie diese Typennummer auf Ihrem Gerät um die Kompatibilität des BOSCH Ersatzteils zu gewährleisten.
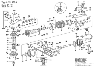
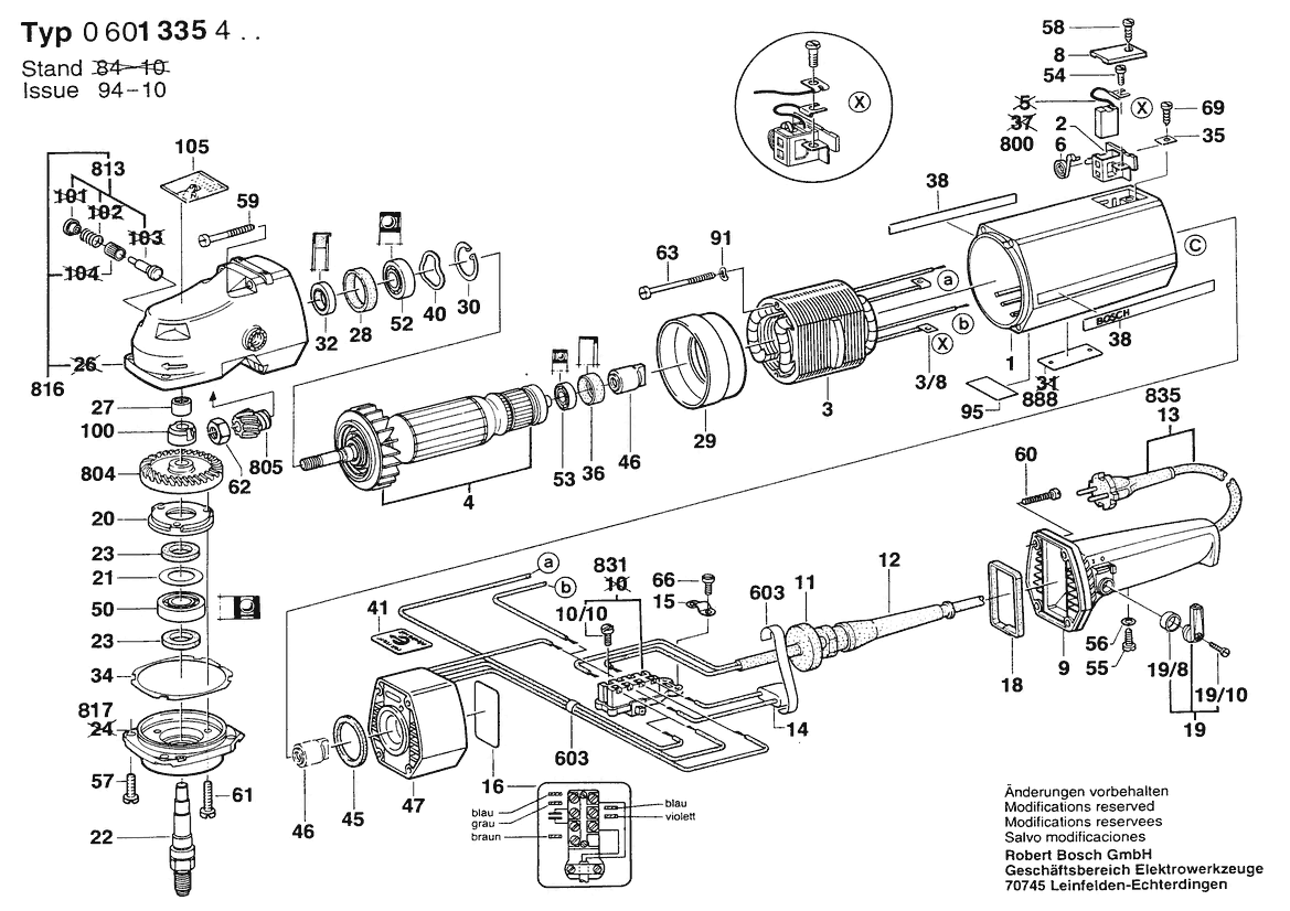
Weitere BOSCH Ersatzteile des Gerätes 1335.4 (Winkelschleifer) mit der Typennummer 0601335450 finden Sie in der nachfolgenden Darstellung und im Dropdown zu Ihrer Auswahl:

Pos.
1
BOSCH Motorgehäuse | Ersatzteile für Winkelschleifer | 1605108141
Hersteller: BOSCH
Artikelnummer: EB-0601335450-1605108141
nur Informationsartikel
Nie mehr lieferbar
keine Alternativen
Pos.
10/10
BOSCH Flachkopfschraube DIN 85-AM4x8-4.8 | Ersatzteile für Winkelschleifer | 2910091118
Hersteller: BOSCH
Artikelnummer: EB-0601335450-2910091118
Netto: 3,60 € zzgl. MwSt.
zzgl. 6,90 € Versand (brutto)
einmalig pro Bestellung

Lieferzeit: 5 Werktage

Pos.
19/8
BOSCH Filzring | Ersatzteile für Winkelschleifer | 1600205019
Hersteller: BOSCH
Artikelnummer: EB-0601335450-1600205019
nur Informationsartikel
Nie mehr lieferbar
keine Alternativen
Pos.
3/8
BOSCH Kabelschuh 1,5-4x4 | Ersatzteile für Winkelschleifer | 1901350003
Hersteller: BOSCH
Artikelnummer: EB-0601335450-1901350003
Netto: 3,60 € zzgl. MwSt.
zzgl. 6,90 € Versand (brutto)
einmalig pro Bestellung

Lieferzeit: 5 Werktage

Pos.
650/1
BOSCH Zusatzhandgriff | Ersatzteile für 1335.4 | 160202509Z
Hersteller: BOSCH
Artikelnummer: EB-0601335450-16020250A1
Netto: 13,81 € zzgl. MwSt.
zzgl. 6,90 € Versand (brutto)
einmalig pro Bestellung

Lieferzeit: 5 Werktage

Pos.
650/2
BOSCH Zweilochmutterndreher | Ersatzteile für 1335.4 | 1607950061
Hersteller: BOSCH
Artikelnummer: EB-0601335450-1607950061
Netto: 5,60 € zzgl. MwSt.
zzgl. 6,90 € Versand (brutto)
einmalig pro Bestellung

Lieferzeit: 5 Werktage

Pos.
650/4
BOSCH Rundmutter M14 | Ersatzteile für 1335.4 | 1603345025
Hersteller: BOSCH
Artikelnummer: EB-0601335450-1603345025
Netto: 13,26 € zzgl. MwSt.
zzgl. 6,90 € Versand (brutto)
einmalig pro Bestellung

Lieferzeit: 5 Werktage

Pos.
650/5
BOSCH Winkelschraubendreher DIN 911 SW6 | Ersatzteile für 1335.4 | 1907950007
Hersteller: BOSCH
Artikelnummer: EB-0601335450-1907950007
Netto: 6,27 € zzgl. MwSt.
zzgl. 6,90 € Versand (brutto)
einmalig pro Bestellung

Lieferzeit: 5 Werktage

Pos.
652/2
BOSCH Innensechskantschraube DIN 912-M8x18-8.8 | Ersatzteile für Winkelschleifer | 2910141240
Hersteller: BOSCH
Artikelnummer: EB-0601335450-2910141240
nur Informationsartikel
Nie mehr lieferbar
keine Alternativen
Pos.
702/20
BOSCH Verbindungsstutzen Ø32,3XØ34,9X75 MM | Ersatzteile für 1335.4 | 1600309009
Hersteller: BOSCH
Artikelnummer: EB-0601335450-1600309009
Netto: 17,03 € zzgl. MwSt.
zzgl. 6,90 € Versand (brutto)
einmalig pro Bestellung

Lieferzeit: 5 Werktage

Pos.
703/11
BOSCH Sechskantschraube M14x16x1,5 MM | Ersatzteile für Winkelschleifer | 2603450007
Hersteller: BOSCH
Artikelnummer: EB-0601335450-2603450007
Netto: 6,75 € zzgl. MwSt.
zzgl. 6,90 € Versand (brutto)
einmalig pro Bestellung

Lieferzeit: 5 Werktage

Pos.
712/20
BOSCH Führungsschlitten | Ersatzteile für 1335.4 | 1608135003
Hersteller: BOSCH
Artikelnummer: EB-0601335450-1608135003
Nie mehr lieferbar
keine Alternativen
Pos.
750/10
BOSCH Zusatzhandgriff M14X1,5 MM SCHWARZ | Ersatzteile für 1335.4 | 2602025075
Hersteller: BOSCH
Artikelnummer: EB-0601335450-2602025075
Netto: 15,34 € zzgl. MwSt.
zzgl. 6,90 € Versand (brutto)
einmalig pro Bestellung

Lieferzeit: 5 Werktage

Pos.
817/029
BOSCH O-Ring 79,0X1,78 MM | Ersatzteile für 1335.4 | 1600210033
Hersteller: BOSCH
Artikelnummer: EB-0601335450-1600210033
Netto: 3,94 € zzgl. MwSt.
zzgl. 6,90 € Versand (brutto)
einmalig pro Bestellung

Lieferzeit: 5 Werktage

Pos.
2
BOSCH Bürstenhalter | Ersatzteile für Winkelschleifer | 1604336008
Hersteller: BOSCH
Artikelnummer: EB-0601335450-1604336008
nur Informationsartikel
Nie mehr lieferbar
keine Alternativen
Pos.
3
BOSCH Polschuh 220V | Ersatzteile für Winkelschleifer | 1604220153
Hersteller: BOSCH
Artikelnummer: EB-0601335450-1604220153
nur Informationsartikel
Nie mehr lieferbar
keine Alternativen
Pos.
4
BOSCH Anker 220V | Ersatzteile für Winkelschleifer | 1604011140
Hersteller: BOSCH
Artikelnummer: EB-0601335450-1604011140
nur Informationsartikel
Nie mehr lieferbar
keine Alternativen
Pos.
6
BOSCH Spiralfeder | Ersatzteile für Winkelschleifer | 1604652015
Hersteller: BOSCH
Artikelnummer: EB-0601335450-1604652015
nur Informationsartikel
Nie mehr lieferbar
keine Alternativen
Pos.
8
BOSCH Verschlussdeckel BLAU | Ersatzteile für Winkelschleifer | 1605500089
Hersteller: BOSCH
Artikelnummer: EB-0601335450-1605500089
nur Informationsartikel
Nie mehr lieferbar
keine Alternativen
Pos.
9
BOSCH Handgriff | Ersatzteile für Winkelschleifer | 1605132093
Hersteller: BOSCH
Artikelnummer: EB-0601335450-1605132093
nur Informationsartikel
Nie mehr lieferbar
keine Alternativen
Pos.
11
BOSCH Dichtung | Ersatzteile für Winkelschleifer | 1600113002
Hersteller: BOSCH
Artikelnummer: EB-0601335450-1600113002
Netto: 3,94 € zzgl. MwSt.
zzgl. 6,90 € Versand (brutto)
einmalig pro Bestellung

Lieferzeit: 5 Werktage

Pos.
12
BOSCH Tülle Ø9,2-Ø12x120 MM | Ersatzteile für Winkelschleifer | 3600703011
Hersteller: BOSCH
Artikelnummer: EB-0601335450-3600703011
Netto: 4,80 € zzgl. MwSt.
zzgl. 6,90 € Versand (brutto)
einmalig pro Bestellung

Lieferzeit: 5 Werktage

Pos.
13
BOSCH Elektr Leitung | Ersatzteile für Winkelschleifer | 1604460079
Hersteller: BOSCH
Artikelnummer: EB-0601335450-1604460079
nur Informationsartikel
Nie mehr lieferbar
keine Alternativen
Pos.
14
BOSCH Entstörfilter | Ersatzteile für Winkelschleifer | 1607328034
Hersteller: BOSCH
Artikelnummer: EB-0601335450-1607328034
Netto: 5,65 € zzgl. MwSt.
zzgl. 6,90 € Versand (brutto)
einmalig pro Bestellung

Lieferzeit: 5 Werktage

Pos.
15
BOSCH Befestigungsschelle | Ersatzteile für Winkelschleifer | 1601302013
Hersteller: BOSCH
Artikelnummer: EB-0601335450-1601302013
nur Informationsartikel
Nie mehr lieferbar
keine Alternativen
Pos.
16
BOSCH Klebeschild | Ersatzteile für Winkelschleifer | 1601110363
Hersteller: BOSCH
Artikelnummer: EB-0601335450-1601110363
nur Informationsartikel
Nie mehr lieferbar
keine Alternativen
Pos.
18
BOSCH Profilstreifen 3,4x7x240 MM | Ersatzteile für Winkelschleifer | 1601014005
Hersteller: BOSCH
Artikelnummer: EB-0601335450-1601014005
nur Informationsartikel
Nie mehr lieferbar
keine Alternativen
Pos.
19
BOSCH Schalthebel | Ersatzteile für Winkelschleifer | 1602026058
Hersteller: BOSCH
Artikelnummer: EB-0601335450-1602026058
nur Informationsartikel
Nie mehr lieferbar
keine Alternativen
Pos.
20
BOSCH Lagerdeckel | Ersatzteile für Winkelschleifer | 1605808054
Hersteller: BOSCH
Artikelnummer: EB-0601335450-1605808054
nur Informationsartikel
Nie mehr lieferbar
keine Alternativen
Pos.
21
BOSCH Abdeckscheibe | Ersatzteile für Winkelschleifer | 1600102012
Hersteller: BOSCH
Artikelnummer: EB-0601335450-1600102012
nur Informationsartikel
Nie mehr lieferbar
keine Alternativen
Pos.
22
BOSCH Schleifspindel M14, L=101 MM | Ersatzteile für Winkelschleifer | 1603523090
Hersteller: BOSCH
Artikelnummer: EB-0601335450-1603523090
nur Informationsartikel
Nie mehr lieferbar
keine Alternativen
Pos.
23
BOSCH Dichtscheibe | Ersatzteile für Winkelschleifer | 1600108055
Hersteller: BOSCH
Artikelnummer: EB-0601335450-1600108055
nur Informationsartikel
Nie mehr lieferbar
keine Alternativen
Pos.
27
BOSCH Nadellager Ø14 MM | Ersatzteile für Winkelschleifer | 2600910001
Hersteller: BOSCH
Artikelnummer: EB-0601335450-2600910001
nur Informationsartikel
Nie mehr lieferbar
keine Alternativen
Pos.
28
BOSCH Gummiring 7 MM BREIT | Ersatzteile für Winkelschleifer | 1600206020
Hersteller: BOSCH
Artikelnummer: EB-0601335450-1600206020
Netto: 3,94 € zzgl. MwSt.
zzgl. 6,90 € Versand (brutto)
einmalig pro Bestellung

Lieferzeit: 5 Werktage

Pos.
29
BOSCH Luftleitring | Ersatzteile für Winkelschleifer | 1600502017
Hersteller: BOSCH
Artikelnummer: EB-0601335450-1600502017
nur Informationsartikel
Nie mehr lieferbar
keine Alternativen
Pos.
30
BOSCH Sicherungsring DIN 472 38X1,5MM | Ersatzteile für Winkelschleifer | 2916660017
Hersteller: BOSCH
Artikelnummer: EB-0601335450-2916660017
Netto: 5,65 € zzgl. MwSt.
zzgl. 6,90 € Versand (brutto)
einmalig pro Bestellung

Lieferzeit: 5 Werktage

Pos.
32
BOSCH Radial-Wellendichtring 18,7 MM ROT | Ersatzteile für Winkelschleifer | 1600290013
Hersteller: BOSCH
Artikelnummer: EB-0601335450-1600290013
Netto: 4,56 € zzgl. MwSt.
zzgl. 6,90 € Versand (brutto)
einmalig pro Bestellung

Lieferzeit: 5 Werktage

Pos.
34
BOSCH Ausgleichscheibe 0,1 MM DICK | Ersatzteile für Winkelschleifer | 1600190004
Hersteller: BOSCH
Artikelnummer: EB-0601335450-1600190004
nur Informationsartikel
Nie mehr lieferbar
keine Alternativen
Pos.
34
BOSCH Ausgleichscheibe 0,2 MM DICK | Ersatzteile für Winkelschleifer | 1600190005
Hersteller: BOSCH
Artikelnummer: EB-0601335450-1600190005
nur Informationsartikel
Nie mehr lieferbar
keine Alternativen
Pos.
35
BOSCH Sicherungsblech | Ersatzteile für Winkelschleifer | 1601030022
Hersteller: BOSCH
Artikelnummer: EB-0601335450-1601030022
nur Informationsartikel
Nie mehr lieferbar
keine Alternativen
Pos.
36
BOSCH Gummiring | Ersatzteile für Winkelschleifer | 1600206015
Hersteller: BOSCH
Artikelnummer: EB-0601335450-1600206015
Netto: 4,36 € zzgl. MwSt.
zzgl. 6,90 € Versand (brutto)
einmalig pro Bestellung

Lieferzeit: 5 Werktage

Pos.
38
BOSCH Firmenschild | Ersatzteile für Winkelschleifer | 1601110003
Hersteller: BOSCH
Artikelnummer: EB-0601335450-1601110003
nur Informationsartikel
Nie mehr lieferbar
keine Alternativen
Pos.
40
BOSCH Federscheibe Ø27,5x38,4 MM | Ersatzteile für Winkelschleifer | 1600150007
Hersteller: BOSCH
Artikelnummer: EB-0601335450-1600150007
nur Informationsartikel
Nie mehr lieferbar
keine Alternativen
Pos.
41
BOSCH Hinweisschild | Ersatzteile für Winkelschleifer | 1601110310
Hersteller: BOSCH
Artikelnummer: EB-0601335450-1601110310
nur Informationsartikel
Nie mehr lieferbar
keine Alternativen
Pos.
45
BOSCH Gummiring | Ersatzteile für Winkelschleifer | 1600206016
Hersteller: BOSCH
Artikelnummer: EB-0601335450-1600206016
nur Informationsartikel
Nie mehr lieferbar
keine Alternativen
Pos.
46
BOSCH Überdrehsicherung | Ersatzteile für Winkelschleifer | 1607233018
Hersteller: BOSCH
Artikelnummer: EB-0601335450-1607233018
nur Informationsartikel
Nie mehr lieferbar
keine Alternativen
Pos.
47
BOSCH Drehzahlregler 220V | Ersatzteile für Winkelschleifer | 1607233017
Hersteller: BOSCH
Artikelnummer: EB-0601335450-1607233017
nur Informationsartikel
Nie mehr lieferbar
keine Alternativen
Pos.
50
BOSCH Rillenkugellager 6203-2 Z DIN 625 | Ersatzteile für Winkelschleifer | 1900905227
Hersteller: BOSCH
Artikelnummer: EB-0601335450-1900905227
nur Informationsartikel
Nie mehr lieferbar
keine Alternativen
Pos.
52
BOSCH Rillenkugellager 15x35x11 | Ersatzteile für Winkelschleifer | 1900905234
Hersteller: BOSCH
Artikelnummer: EB-0601335450-1900905234
Netto: 26,41 € zzgl. MwSt.
zzgl. 6,90 € Versand (brutto)
einmalig pro Bestellung

Lieferzeit: 5 Werktage

Pos.
53
BOSCH Rillenkugellager | Ersatzteile für Winkelschleifer | 1600900029
Hersteller: BOSCH
Artikelnummer: EB-0601335450-1600900029
nur Informationsartikel
Nie mehr lieferbar
keine Alternativen
Pos.
54
BOSCH Zylinderschraube DIN 84-AM4x8-8.8 | Ersatzteile für Winkelschleifer | 2910021118
Hersteller: BOSCH
Artikelnummer: EB-0601335450-2910021118
nur Informationsartikel
Nie mehr lieferbar
keine Alternativen
Pos.
55
BOSCH Blechschraube DIN 7971-BZ2,9x13 | Ersatzteile für Winkelschleifer | 2910211006
Hersteller: BOSCH
Artikelnummer: EB-0601335450-2910211006
Netto: 3,60 € zzgl. MwSt.
zzgl. 6,90 € Versand (brutto)
einmalig pro Bestellung

Lieferzeit: 5 Werktage

Pos.
57
BOSCH Zylinderschraube DIN 84-AM5x15-5.8 | Ersatzteile für Winkelschleifer | 2910011157
Hersteller: BOSCH
Artikelnummer: EB-0601335450-2910011157
nur Informationsartikel
Nie mehr lieferbar
keine Alternativen
Pos.
58
BOSCH Blechschraube DIN 7971-BZ3,9x19 | Ersatzteile für Winkelschleifer | 2910211020
Hersteller: BOSCH
Artikelnummer: EB-0601335450-2910211020
Netto: 4,36 € zzgl. MwSt.
zzgl. 6,90 € Versand (brutto)
einmalig pro Bestellung

Lieferzeit: 5 Werktage

Pos.
59
BOSCH Blechschraube ST-4,8x57,5-TORX,T20 | Ersatzteile für Winkelschleifer | 1613435009
Hersteller: BOSCH
Artikelnummer: EB-0601335450-1613435009
Netto: 3,94 € zzgl. MwSt.
zzgl. 6,90 € Versand (brutto)
einmalig pro Bestellung

Lieferzeit: 5 Werktage

Pos.
60
BOSCH Blechschraube BZ4,8x63 MM | Ersatzteile für Winkelschleifer | 1603435008
Hersteller: BOSCH
Artikelnummer: EB-0601335450-1603435008
Netto: 3,95 € zzgl. MwSt.
zzgl. 6,90 € Versand (brutto)
einmalig pro Bestellung

Lieferzeit: 5 Werktage

Pos.
61
BOSCH Zylinderschraube DIN 84-AM5x20-5.8 | Ersatzteile für Winkelschleifer | 2910011162
Hersteller: BOSCH
Artikelnummer: EB-0601335450-2910011162
Netto: 3,60 € zzgl. MwSt.
zzgl. 6,90 € Versand (brutto)
einmalig pro Bestellung

Lieferzeit: 5 Werktage

Pos.
62
BOSCH Sechskantmutter | Ersatzteile für Winkelschleifer | 1603300018
Hersteller: BOSCH
Artikelnummer: EB-0601335450-1603300018
nur Informationsartikel
Nie mehr lieferbar
keine Alternativen
Pos.
63
BOSCH Blechschraube B4,8x90 MM | Ersatzteile für Winkelschleifer | 1603435006
Hersteller: BOSCH
Artikelnummer: EB-0601335450-1603435006
nur Informationsartikel
Nie mehr lieferbar
keine Alternativen
Pos.
66
BOSCH Blechschraube DIN 7971-ST3,9x13-F | Ersatzteile für Winkelschleifer | 2910211018
Hersteller: BOSCH
Artikelnummer: EB-0601335450-2910211018
Netto: 3,60 € zzgl. MwSt.
zzgl. 6,90 € Versand (brutto)
einmalig pro Bestellung

Lieferzeit: 5 Werktage

Pos.
66
BOSCH Zylinderschraube DIN 84-AM4x6-8.8 | Ersatzteile für Winkelschleifer | 2910021116
Hersteller: BOSCH
Artikelnummer: EB-0601335450-2910021116
Netto: 4,36 € zzgl. MwSt.
zzgl. 6,90 € Versand (brutto)
einmalig pro Bestellung

Lieferzeit: 5 Werktage

Pos.
69
BOSCH Blechschraube DIN 7971-BZ3,5x13 | Ersatzteile für Winkelschleifer | 2910211011
Hersteller: BOSCH
Artikelnummer: EB-0601335450-2910211011
Netto: 3,60 € zzgl. MwSt.
zzgl. 6,90 € Versand (brutto)
einmalig pro Bestellung

Lieferzeit: 5 Werktage

Pos.
91
BOSCH Federscheibe DIN 137-A5-FST | Ersatzteile für Winkelschleifer | 2916060006
Hersteller: BOSCH
Artikelnummer: EB-0601335450-2916060006
nur Informationsartikel
Nie mehr lieferbar
keine Alternativen
Pos.
100
BOSCH Nutring | Ersatzteile für Winkelschleifer | 1600390011
Hersteller: BOSCH
Artikelnummer: EB-0601335450-1600390011
nur Informationsartikel
Nie mehr lieferbar
keine Alternativen
Pos.
105
BOSCH Klebeschild | Ersatzteile für Winkelschleifer | 1601110240
Hersteller: BOSCH
Artikelnummer: EB-0601335450-1601110240
nur Informationsartikel
Nie mehr lieferbar
keine Alternativen
Pos.
652
BOSCH Schutzhaube Ø 230 MM | Ersatzteile für Winkelschleifer | 2605510082
Hersteller: BOSCH
Artikelnummer: EB-0601335450-2605510082
nur Informationsartikel
Nie mehr lieferbar
keine Alternativen
Pos.
702
BOSCH Schutzhaube Ø230 MM | Ersatzteile für Winkelschleifer | 1605510180
Hersteller: BOSCH
Artikelnummer: EB-0601335450-1605510180
Netto: 145,13 € zzgl. MwSt.
zzgl. 6,90 € Versand (brutto)
einmalig pro Bestellung

Lieferzeit: 5 Werktage

Pos.
703
BOSCH Teilesatz | Ersatzteile für Winkelschleifer | 1607000140
Hersteller: BOSCH
Artikelnummer: EB-0601335450-1607000140
nur Informationsartikel
Nie mehr lieferbar
keine Alternativen
Pos.
800
BOSCH Kohlebürstensatz | Ersatzteile für Winkelschleifer | 1607014115
Hersteller: BOSCH
Artikelnummer: EB-0601335450-1607014115
nur Informationsartikel
Nie mehr lieferbar
keine Alternativen
Pos.
804
BOSCH Tellerrad Z=59 | Ersatzteile für Winkelschleifer | 1606333144
Hersteller: BOSCH
Artikelnummer: EB-0601335450-1606333144
nur Informationsartikel
Nie mehr lieferbar
keine Alternativen
Pos.
805
BOSCH Kegelrad Z=15 | Ersatzteile für Winkelschleifer | 1606333229
Hersteller: BOSCH
Artikelnummer: EB-0601335450-1606333229
nur Informationsartikel
Nie mehr lieferbar
keine Alternativen
Pos.
810
BOSCH Dichtungssatz | Ersatzteile für 1335.4 | 1607000138
Hersteller: BOSCH
Artikelnummer: EB-0601335450-1607000138
Netto: 4,08 € zzgl. MwSt.
zzgl. 6,90 € Versand (brutto)
einmalig pro Bestellung

Lieferzeit: 5 Werktage

Pos.
813
BOSCH Teilesatz | Ersatzteile für Winkelschleifer | 1607000161
Hersteller: BOSCH
Artikelnummer: EB-0601335450-1607000161
nur Informationsartikel
Nie mehr lieferbar
keine Alternativen
Pos.
816
BOSCH Teilesatz | Ersatzteile für Winkelschleifer | 1607000905
Hersteller: BOSCH
Artikelnummer: EB-0601335450-1607000905
nur Informationsartikel
Nie mehr lieferbar
keine Alternativen
Pos.
817
BOSCH Lagerflansch | Ersatzteile für Winkelschleifer | 1607000229
Hersteller: BOSCH
Artikelnummer: EB-0601335450-1607000229
nur Informationsartikel
Nie mehr lieferbar
keine Alternativen
Pos.
831
BOSCH Ein/Aus-Schalter | Ersatzteile für Winkelschleifer | 1607200093
Hersteller: BOSCH
Artikelnummer: EB-0601335450-1607200093
nur Informationsartikel
Nie mehr lieferbar
keine Alternativen
Pos.
888
BOSCH Typschild | Ersatzteile für Winkelschleifer | 160111A3H3
Hersteller: BOSCH
Artikelnummer: EB-0601335450-160111A3H3
Netto: 4,56 € zzgl. MwSt.
zzgl. 6,90 € Versand (brutto)
einmalig pro Bestellung

Lieferzeit: 5 Werktage

Angaben zur Produktsicherheit

Hersteller:
Robert Bosch Power Tools GmbH
Postfach 30 02 20
70442 Stuttgart

E-Mail:
kontakt@bosch.de