BOSCH Gummiring | Ersatzteile für 1346 A | 1600206025

Artikelnummer: EB-0601346039-1600206025

Position: 27

Marke: BOSCH


Bitte Kompatibilität prüfen!

Bitte prüfen Sie unbedingt die 10-stellige Typennummer Ihrer Maschine / Ihres Gerätes. Das Ersatzteil ist nur kompatibel, wenn Sie die Typennummer Ihrer Maschine in der unten stehenden Produktbeschreibung finden.

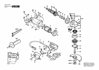
Bitte prüfen Sie ebenfalls detailliert die Explosionszeichnung mit Ihrem Artikelwunsch und der jeweiligen Pos-Nummer.

Alle Elemente, welche vom schwarzen Strich der Pos-Nummer ausgehend berührt / erfasst werden, gehören zu dieser Pos-Nummer und somit zu diesem Artikel. Jede Pos-Nummer ist ein eigenständiger Artikel, welchen Sie in der Auflistung finden.

Sie erhalten stets die aktuellste, neueste Produktversion zu der gewählten Pos-Nummer seitens des Herstellers. Es kann daher je nach Gerätealter vorkommen, dass Sie ggf. weitere, zugehörige Elemente, welche an diese Pos-Nummer grenzen, ebenfalls mittauschen müssen.

Nähere Informationen finden Sie unter dem Link
Hinweise zu Ihrer BOSCH Ersatzteilsuche

Preisübersicht

Einzelpreis: 4,36 €* (Brutto: 5,19 €)
Gesamtpreis: 4,36 €* 
Position:

Lieferzeit: 5 Werktage


Beschreibung

  • Gummiring
  • Original Bosch Zubehör / BOSCH Ersatzteil (1600206025)
  • im Gerät verbaut: 1
Dieses BOSCH Ersatzteil ist mit folgendem Gerät und Modell kompatibel:
  • BOSCH Gerätename: 1346 A
  • BOSCH Explosionszeichnung: Position 27
  • BOSCH Typennummer: 0601346039
  • BOSCH Typennummer alternative Schreibweisen: 0 601 346 039, 0601 346 039, 0.601.346.039, 0-601-346-039
    Bitte prüfen Sie diese Typennummer auf Ihrem Gerät um die Kompatibilität des BOSCH Ersatzteils zu gewährleisten.
Weitere BOSCH Ersatzteile des Gerätes 1346 A (Winkelschleifer) mit der Typennummer 0601346039 finden Sie in der nachfolgenden Darstellung und im Dropdown zu Ihrer Auswahl:

Pos.
1
BOSCH Motorgehäuse | Ersatzteile für 1346 A | 2610911076
Hersteller: BOSCH
Artikelnummer: EB-0601346039-2610911076
nur Informationsartikel
Nie mehr lieferbar
keine Alternativen
Pos.
23/2
BOSCH Sperrhebel | Ersatzteile für 1346 A | 2610911075
Hersteller: BOSCH
Artikelnummer: EB-0601346039-2610911075
nur Informationsartikel
Nie mehr lieferbar
keine Alternativen
Pos.
23/3
BOSCH Spannstift | Ersatzteile für 1346 A | 2917760021
Hersteller: BOSCH
Artikelnummer: EB-0601346039-2917760021
nur Informationsartikel
Nie mehr lieferbar
keine Alternativen
Pos.
23/4
BOSCH Feder | Ersatzteile für 1346 A | 2610990012
Hersteller: BOSCH
Artikelnummer: EB-0601346039-2610990012
nur Informationsartikel
Nie mehr lieferbar
keine Alternativen
Pos.
3/5
BOSCH Lüfter | Ersatzteile für 1346 A | 2610911079
Hersteller: BOSCH
Artikelnummer: EB-0601346039-2610911079
nur Informationsartikel
Nie mehr lieferbar
keine Alternativen
Pos.
4/1
BOSCH Schraube | Ersatzteile für 1346 A | 2610991349
Hersteller: BOSCH
Artikelnummer: EB-0601346039-2610991349
nur Informationsartikel
Nie mehr lieferbar
keine Alternativen
Pos.
5/1
BOSCH Flachstecker | Ersatzteile für 1346 A | 2601355008
Hersteller: BOSCH
Artikelnummer: EB-0601346039-2601355008
Netto: 3,94 € zzgl. MwSt.
zzgl. 6,90 € Versand (brutto)
einmalig pro Bestellung

Lieferzeit: 5 Werktage

Pos.
5/2
BOSCH Anschlussklemme | Ersatzteile für 1346 A | 3601353500
Hersteller: BOSCH
Artikelnummer: EB-0601346039-3601353500
nur Informationsartikel
Nie mehr lieferbar
keine Alternativen
Pos.
650/2
BOSCH Flansch 5/8"-11 | Ersatzteile für 1346 A | 2610910341
Hersteller: BOSCH
Artikelnummer: EB-0601346039-2610910341
nur Informationsartikel
Nie mehr lieferbar
keine Alternativen
Pos.
650/3
BOSCH Flansch 5/8"-11 | Ersatzteile für 1346 A | 2610992248
Hersteller: BOSCH
Artikelnummer: EB-0601346039-2610992248
nur Informationsartikel
Nie mehr lieferbar
keine Alternativen
Pos.
650/4
BOSCH Zweilochmutterndreher | Ersatzteile für 1346 A | 1607950052
Hersteller: BOSCH
Artikelnummer: EB-0601346039-1607950052
Netto: 5,17 € zzgl. MwSt.
zzgl. 6,90 € Versand (brutto)
einmalig pro Bestellung

Lieferzeit: 5 Werktage

Pos.
821/1
BOSCH Druckknopf SCHWARZ | Ersatzteile für 1346 A | 1607000253
Hersteller: BOSCH
Artikelnummer: EB-0601346039-1607000253
Netto: 4,36 € zzgl. MwSt.
zzgl. 6,90 € Versand (brutto)
einmalig pro Bestellung

Lieferzeit: 5 Werktage

Pos.
2
BOSCH Polschuh 120V | Ersatzteile für 1346 A | 2610990002
Hersteller: BOSCH
Artikelnummer: EB-0601346039-2610990002
nur Informationsartikel
Nie mehr lieferbar
keine Alternativen
Pos.
3
BOSCH Anker 120V | Ersatzteile für 1346 A | 2610990001
Hersteller: BOSCH
Artikelnummer: EB-0601346039-2610990001
nur Informationsartikel
Nie mehr lieferbar
keine Alternativen
Pos.
4
BOSCH Ein/Aus-Schalter | Ersatzteile für 1346 A | 2610994467
Hersteller: BOSCH
Artikelnummer: EB-0601346039-2610994467
nur Informationsartikel
Nie mehr lieferbar
keine Alternativen
Pos.
5
BOSCH Netzanschlussleitung USA/CDN 2,15m 2 x 0,82mm SJ 18/2 | Ersatzteile für 1346 A | 3604460555
Hersteller: BOSCH
Artikelnummer: EB-0601346039-3604460555
Netto: 10,62 € zzgl. MwSt.
zzgl. 6,90 € Versand (brutto)
einmalig pro Bestellung

Lieferzeit: 5 Werktage

Pos.
6
BOSCH Tülle Ø7,6-Ø8,2x95 MM | Ersatzteile für 1346 A | 2600703013
Hersteller: BOSCH
Artikelnummer: EB-0601346039-2600703013
Netto: 4,56 € zzgl. MwSt.
zzgl. 6,90 € Versand (brutto)
einmalig pro Bestellung

Lieferzeit: 5 Werktage

Pos.
7
BOSCH Leitungshalter | Ersatzteile für 1346 A | 2601035001
Hersteller: BOSCH
Artikelnummer: EB-0601346039-2601035001
Netto: 3,94 € zzgl. MwSt.
zzgl. 6,90 € Versand (brutto)
einmalig pro Bestellung

Lieferzeit: 5 Werktage

Pos.
9
BOSCH Firmenschild | Ersatzteile für 1346 A | 2610968266
Hersteller: BOSCH
Artikelnummer: EB-0601346039-2610968266
nur Informationsartikel
Nie mehr lieferbar
keine Alternativen
Pos.
13
BOSCH Kugellager 7x19x6 | Ersatzteile für 1346 A | 2600905032
Hersteller: BOSCH
Artikelnummer: EB-0601346039-2600905032
Netto: 6,27 € zzgl. MwSt.
zzgl. 6,90 € Versand (brutto)
einmalig pro Bestellung

Lieferzeit: 5 Werktage

Pos.
14
BOSCH Kugellager | Ersatzteile für 1346 A | 1619P01511
Hersteller: BOSCH
Artikelnummer: EB-0601346039-1619P01511
Netto: 7,26 € zzgl. MwSt.
zzgl. 6,90 € Versand (brutto)
einmalig pro Bestellung

Lieferzeit: 5 Werktage

Pos.
16
BOSCH Bürstenhalter MIT ABSCHALTORGAN | Ersatzteile für 1346 A | 1601323023
Hersteller: BOSCH
Artikelnummer: EB-0601346039-1601323023
Netto: 5,17 € zzgl. MwSt.
zzgl. 6,90 € Versand (brutto)
einmalig pro Bestellung

Lieferzeit: 5 Werktage

Pos.
17
BOSCH Spiralfeder | Ersatzteile für 1346 A | 1604652013
Hersteller: BOSCH
Artikelnummer: EB-0601346039-1604652013
Netto: 3,94 € zzgl. MwSt.
zzgl. 6,90 € Versand (brutto)
einmalig pro Bestellung

Lieferzeit: 5 Werktage

Pos.
20
BOSCH Warnschild | Ersatzteile für 1346 A | 2610968267
Hersteller: BOSCH
Artikelnummer: EB-0601346039-2610968267
nur Informationsartikel
Nie mehr lieferbar
keine Alternativen
Pos.
23
BOSCH Hebel | Ersatzteile für 1346 A | 2610994469
Hersteller: BOSCH
Artikelnummer: EB-0601346039-2610994469
nur Informationsartikel
Nie mehr lieferbar
keine Alternativen
Pos.
25
BOSCH Gehäusedeckel | Ersatzteile für 1346 A | 2610911078
Hersteller: BOSCH
Artikelnummer: EB-0601346039-2610911078
nur Informationsartikel
Nie mehr lieferbar
keine Alternativen
Pos.
27
BOSCH Gummiring | Ersatzteile für 1346 A | 1600206025
Hersteller: BOSCH
Artikelnummer: EB-0601346039-1600206025
Netto: 4,36 € zzgl. MwSt.
zzgl. 6,90 € Versand (brutto)
einmalig pro Bestellung

Lieferzeit: 5 Werktage

Pos.
28
BOSCH Lagerflansch SCHWARZ | Ersatzteile für 1346 A | 1605805079
Hersteller: BOSCH
Artikelnummer: EB-0601346039-1605805079
Netto: 15,15 € zzgl. MwSt.
zzgl. 6,90 € Versand (brutto)
einmalig pro Bestellung

Lieferzeit: 5 Werktage

Pos.
29
BOSCH Abweiser | Ersatzteile für 1346 A | 2610911080
Hersteller: BOSCH
Artikelnummer: EB-0601346039-2610911080
nur Informationsartikel
Nie mehr lieferbar
keine Alternativen
Pos.
30
BOSCH Luftleitring | Ersatzteile für 1346 A | 1600591014
Hersteller: BOSCH
Artikelnummer: EB-0601346039-1600591014
Netto: 4,56 € zzgl. MwSt.
zzgl. 6,90 € Versand (brutto)
einmalig pro Bestellung

Lieferzeit: 5 Werktage

Pos.
31
BOSCH Spannfeder | Ersatzteile für 1346 A | 1601290007
Hersteller: BOSCH
Artikelnummer: EB-0601346039-1601290007
nur Informationsartikel
Nie mehr lieferbar
keine Alternativen
Pos.
32
BOSCH Schleifspindel | Ersatzteile für 1346 A | 1607000D6B
Hersteller: BOSCH
Artikelnummer: EB-0601346039-1607000D6B
Netto: 8,23 € zzgl. MwSt.
zzgl. 6,90 € Versand (brutto)
einmalig pro Bestellung

Lieferzeit: 5 Werktage

Pos.
32
BOSCH Schleifspindel 5/8" | Ersatzteile für 1346 A | 1603523122
Hersteller: BOSCH
Artikelnummer: EB-0601346039-1603523122
nur Informationsartikel
Nie mehr lieferbar
keine Alternativen
Pos.
33
BOSCH O-Ring 46,0x1,1 MM ROT | Ersatzteile für 1346 A | 3600210124
Hersteller: BOSCH
Artikelnummer: EB-0601346039-3600210124
Netto: 4,80 € zzgl. MwSt.
zzgl. 6,90 € Versand (brutto)
einmalig pro Bestellung

Lieferzeit: 5 Werktage

Pos.
35
BOSCH Ausgleichscheibe 0,1 MM DICK | Ersatzteile für 1346 A | 1600136013
Hersteller: BOSCH
Artikelnummer: EB-0601346039-1600136013
nur Informationsartikel
Nie mehr lieferbar
keine Alternativen
Pos.
35
BOSCH Ausgleichscheibe 0,2 MM DICK | Ersatzteile für 1346 A | 1600136014
Hersteller: BOSCH
Artikelnummer: EB-0601346039-1600136014
nur Informationsartikel
Nie mehr lieferbar
keine Alternativen
Pos.
35
BOSCH Ausgleichscheibe 0,3 MM DICK | Ersatzteile für 1346 A | 1600136015
Hersteller: BOSCH
Artikelnummer: EB-0601346039-1600136015
nur Informationsartikel
Nie mehr lieferbar
keine Alternativen
Pos.
38
BOSCH Tellerrad Z=38 | Ersatzteile für 1346 A | 1606333616
Hersteller: BOSCH
Artikelnummer: EB-0601346039-1606333616
nur Informationsartikel
Nie mehr lieferbar
keine Alternativen
Pos.
39
BOSCH Kegelrad Z=11 | Ersatzteile für 1346 A | 1606333617
Hersteller: BOSCH
Artikelnummer: EB-0601346039-1606333617
nur Informationsartikel
Nie mehr lieferbar
keine Alternativen
Pos.
40
BOSCH Sicherungsbügel | Ersatzteile für 1346 A | 1600119011
Hersteller: BOSCH
Artikelnummer: EB-0601346039-1600119011
Netto: 4,36 € zzgl. MwSt.
zzgl. 6,90 € Versand (brutto)
einmalig pro Bestellung

Lieferzeit: 5 Werktage

Pos.
41
BOSCH Nadelhülse Ø8xØ12x8 MM | Ersatzteile für 1346 A | 1600910018
Hersteller: BOSCH
Artikelnummer: EB-0601346039-1600910018
Netto: 6,27 € zzgl. MwSt.
zzgl. 6,90 € Versand (brutto)
einmalig pro Bestellung

Lieferzeit: 5 Werktage

Pos.
45
BOSCH Sechskantmutter M7, SW10 | Ersatzteile für 1346 A | 1603300016
Hersteller: BOSCH
Artikelnummer: EB-0601346039-1603300016
Netto: 3,94 € zzgl. MwSt.
zzgl. 6,90 € Versand (brutto)
einmalig pro Bestellung

Lieferzeit: 5 Werktage

Pos.
47
BOSCH Schraube | Ersatzteile für 1346 A | 2610990024
Hersteller: BOSCH
Artikelnummer: EB-0601346039-2610990024
nur Informationsartikel
Nie mehr lieferbar
keine Alternativen
Pos.
48
BOSCH Schraube | Ersatzteile für 1346 A | 2610990022
Hersteller: BOSCH
Artikelnummer: EB-0601346039-2610990022
nur Informationsartikel
Nie mehr lieferbar
keine Alternativen
Pos.
49
BOSCH Gewindefurchschraube | Ersatzteile für 1346 A | 2610990004
Hersteller: BOSCH
Artikelnummer: EB-0601346039-2610990004
nur Informationsartikel
Nie mehr lieferbar
keine Alternativen
Pos.
51
BOSCH Torx-Zylinderschraube | Ersatzteile für 1346 A | 2610990010
Hersteller: BOSCH
Artikelnummer: EB-0601346039-2610990010
nur Informationsartikel
Nie mehr lieferbar
keine Alternativen
Pos.
53
BOSCH Verbindungsleitung 95 MM | Ersatzteile für 1346 A | 2610990005
Hersteller: BOSCH
Artikelnummer: EB-0601346039-2610990005
nur Informationsartikel
Nie mehr lieferbar
keine Alternativen
Pos.
54
BOSCH Verbindungsleitung 100 MM | Ersatzteile für 1346 A | 2610990006
Hersteller: BOSCH
Artikelnummer: EB-0601346039-2610990006
nur Informationsartikel
Nie mehr lieferbar
keine Alternativen
Pos.
55
BOSCH Torx-Zylinderschraube | Ersatzteile für 1346 A | 2610990007
Hersteller: BOSCH
Artikelnummer: EB-0601346039-2610990007
nur Informationsartikel
Nie mehr lieferbar
keine Alternativen
Pos.
59
BOSCH Verschlussstück | Ersatzteile für 1346 A | 2610911074
Hersteller: BOSCH
Artikelnummer: EB-0601346039-2610911074
nur Informationsartikel
Nie mehr lieferbar
keine Alternativen
Pos.
60
BOSCH Sicherungsring DIN 471-8x0,8 FSt | Ersatzteile für 1346 A | 2916640005
Hersteller: BOSCH
Artikelnummer: EB-0601346039-2916640005
nur Informationsartikel
Nie mehr lieferbar
keine Alternativen
Pos.
652
BOSCH Schutzhaube Ø 115 MM | Ersatzteile für 1346 A | 1605510230
Hersteller: BOSCH
Artikelnummer: EB-0601346039-1605510230
nur Informationsartikel
Nie mehr lieferbar
keine Alternativen
Pos.
653
BOSCH Zusatzhandgriff M10 | Ersatzteile für 1346 A | 1602025027
Hersteller: BOSCH
Artikelnummer: EB-0601346039-1602025027
Netto: 7,26 € zzgl. MwSt.
zzgl. 6,90 € Versand (brutto)
einmalig pro Bestellung

Lieferzeit: 5 Werktage

Pos.
808
BOSCH Typschild | Ersatzteile für 1346 A | 3601119595
Hersteller: BOSCH
Artikelnummer: EB-0601346039-3601119595
Netto: 5,17 € zzgl. MwSt.
zzgl. 6,90 € Versand (brutto)
einmalig pro Bestellung

Lieferzeit: 5 Werktage

Pos.
810
BOSCH Kohlebürstensatz | Ersatzteile für 1346 A | 1607014176
Hersteller: BOSCH
Artikelnummer: EB-0601346039-1607014176
Netto: 11,58 € zzgl. MwSt.
zzgl. 6,90 € Versand (brutto)
einmalig pro Bestellung

Lieferzeit: 5 Werktage

Pos.
821
BOSCH Getriebegehäuse | Ersatzteile für 1346 A | 2610990017
Hersteller: BOSCH
Artikelnummer: EB-0601346039-2610990017
nur Informationsartikel
Nie mehr lieferbar
keine Alternativen

Angaben zur Produktsicherheit

Hersteller:
Robert Bosch Power Tools GmbH
Postfach 30 02 20
70442 Stuttgart

E-Mail:
kontakt@bosch.de