BOSCH Kugel DIN 5401-6 G28 | Ersatzteile für 1405 VSR | 1903230011

Artikelnummer: EB-0601405739-1903230011

Position: 89

Marke: BOSCH


Bitte Kompatibilität prüfen!

Bitte prüfen Sie unbedingt die 10-stellige Typennummer Ihrer Maschine / Ihres Gerätes. Das Ersatzteil ist nur kompatibel, wenn Sie die Typennummer Ihrer Maschine in der unten stehenden Produktbeschreibung finden.

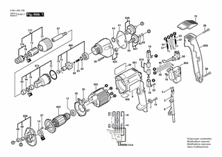
Bitte prüfen Sie ebenfalls detailliert die Explosionszeichnung mit Ihrem Artikelwunsch und der jeweiligen Pos-Nummer.

Alle Elemente, welche vom schwarzen Strich der Pos-Nummer ausgehend berührt / erfasst werden, gehören zu dieser Pos-Nummer und somit zu diesem Artikel. Jede Pos-Nummer ist ein eigenständiger Artikel, welchen Sie in der Auflistung finden.

Sie erhalten stets die aktuellste, neueste Produktversion zu der gewählten Pos-Nummer seitens des Herstellers. Es kann daher je nach Gerätealter vorkommen, dass Sie ggf. weitere, zugehörige Elemente, welche an diese Pos-Nummer grenzen, ebenfalls mittauschen müssen.

Nähere Informationen finden Sie unter dem Link
Hinweise zu Ihrer BOSCH Ersatzteilsuche

Preisübersicht

Einzelpreis: 4,53 €* (Brutto: 5,39 €)
Gesamtpreis: 4,53 €* 
Position:

Lieferzeit: 5 Werktage


Beschreibung

  • Kugel DIN 5401-6 G28
  • Original Bosch Zubehör / BOSCH Ersatzteil (1903230011)
  • im Gerät verbaut: 1
Dieses BOSCH Ersatzteil ist mit folgendem Gerät und Modell kompatibel:
  • BOSCH Gerätename: 1405 VSR
  • BOSCH Explosionszeichnung: Position 89
  • BOSCH Typennummer: 0601405739
  • BOSCH Typennummer alternative Schreibweisen: 0 601 405 739, 0601 405 739, 0.601.405.739, 0-601-405-739
    Bitte prüfen Sie diese Typennummer auf Ihrem Gerät um die Kompatibilität des BOSCH Ersatzteils zu gewährleisten.
Weitere BOSCH Ersatzteile des Gerätes 1405 VSR (Gw-Schrauber) mit der Typennummer 0601405739 finden Sie in der nachfolgenden Darstellung und im Dropdown zu Ihrer Auswahl:

Pos.
5/1
BOSCH Aderendhülse DIN 46 228-A1-6 | Ersatzteile für 1405 VSR | 1900452012
Hersteller: BOSCH
Artikelnummer: EB-0601405739-1900452012
Netto: 3,94 € zzgl. MwSt.
zzgl. 6,90 € Versand (brutto)
einmalig pro Bestellung

Lieferzeit: 5 Werktage

Pos.
5
BOSCH Netzanschlussleitung | Ersatzteile für 1405 VSR | 2604460555
Hersteller: BOSCH
Artikelnummer: EB-0601405739-2604460555
nur Informationsartikel
Nie mehr lieferbar
keine Alternativen
Pos.
6
BOSCH Tülle Ø7,6-Ø8,2x95 MM | Ersatzteile für 1405 VSR | 2600703013
Hersteller: BOSCH
Artikelnummer: EB-0601405739-2600703013
Netto: 4,53 € zzgl. MwSt.
zzgl. 6,90 € Versand (brutto)
einmalig pro Bestellung

Lieferzeit: 5 Werktage

Pos.
7
BOSCH Leitungshalter | Ersatzteile für 1405 VSR | 2601035001
Hersteller: BOSCH
Artikelnummer: EB-0601405739-2601035001
Netto: 3,94 € zzgl. MwSt.
zzgl. 6,90 € Versand (brutto)
einmalig pro Bestellung

Lieferzeit: 5 Werktage

Pos.
9
BOSCH Firmenschild | Ersatzteile für 1405 VSR | 2610906827
Hersteller: BOSCH
Artikelnummer: EB-0601405739-2610906827
nur Informationsartikel
Nie mehr lieferbar
keine Alternativen
Pos.
13
BOSCH Kugellager 7x22x7 | Ersatzteile für 1405 VSR | 1900905018
Hersteller: BOSCH
Artikelnummer: EB-0601405739-1900905018
Netto: 15,75 € zzgl. MwSt.
zzgl. 6,90 € Versand (brutto)
einmalig pro Bestellung

Lieferzeit: 5 Werktage

Pos.
14
BOSCH Rillenkugellager | Ersatzteile für 1405 VSR | 1610905013
Hersteller: BOSCH
Artikelnummer: EB-0601405739-1610905013
nur Informationsartikel
Nie mehr lieferbar
keine Alternativen
Pos.
16
BOSCH Bürstenhalter | Ersatzteile für 1405 VSR | 2604337003
Hersteller: BOSCH
Artikelnummer: EB-0601405739-2604337003
Netto: 4,32 € zzgl. MwSt.
zzgl. 6,90 € Versand (brutto)
einmalig pro Bestellung

Lieferzeit: 5 Werktage

Pos.
18
BOSCH Zylinderschraube M3x6,5-4.8 | Ersatzteile für 1405 VSR | 2603410001
Hersteller: BOSCH
Artikelnummer: EB-0601405739-2603410001
Netto: 3,94 € zzgl. MwSt.
zzgl. 6,90 € Versand (brutto)
einmalig pro Bestellung

Lieferzeit: 5 Werktage

Pos.
19
BOSCH Blechschraube DIN 7981-ST3,9x16-C-H | Ersatzteile für 1405 VSR | 2910611019
Hersteller: BOSCH
Artikelnummer: EB-0601405739-2910611019
nur Informationsartikel
Nie mehr lieferbar
keine Alternativen
Pos.
20
BOSCH Hinweisschild | Ersatzteile für 1405 VSR | 2610906850
Hersteller: BOSCH
Artikelnummer: EB-0601405739-2610906850
Netto: 5,21 € zzgl. MwSt.
zzgl. 6,90 € Versand (brutto)
einmalig pro Bestellung

Lieferzeit: 5 Werktage

Pos.
26
BOSCH Torx-Linsenschraube 4x30 | Ersatzteile für 1405 VSR | 2603490025
Hersteller: BOSCH
Artikelnummer: EB-0601405739-2603490025
Netto: 3,63 € zzgl. MwSt.
zzgl. 6,90 € Versand (brutto)
einmalig pro Bestellung

Lieferzeit: 5 Werktage

Pos.
29
BOSCH Abdeckscheibe | Ersatzteile für 1405 VSR | 3600590505
Hersteller: BOSCH
Artikelnummer: EB-0601405739-3600590505
Netto: 3,94 € zzgl. MwSt.
zzgl. 6,90 € Versand (brutto)
einmalig pro Bestellung

Lieferzeit: 5 Werktage

Pos.
30
BOSCH Gummipuffer | Ersatzteile für 1405 VSR | 3602391503
Hersteller: BOSCH
Artikelnummer: EB-0601405739-3602391503
nur Informationsartikel
Nie mehr lieferbar
keine Alternativen
Pos.
37
BOSCH Blechschraube | Ersatzteile für 1405 VSR | 2610914380
Hersteller: BOSCH
Artikelnummer: EB-0601405739-2610914380
Netto: 3,63 € zzgl. MwSt.
zzgl. 6,90 € Versand (brutto)
einmalig pro Bestellung

Lieferzeit: 5 Werktage

Pos.
38
BOSCH Blechschraube DIN 7981-ST3,9x25C-H | Ersatzteile für 1405 VSR | 2910615022
Hersteller: BOSCH
Artikelnummer: EB-0601405739-2910615022
nur Informationsartikel
Nie mehr lieferbar
keine Alternativen
Pos.
40
BOSCH Verbindungskabel L=110 MM WEISS | Ersatzteile für 1405 VSR | 2604448146
Hersteller: BOSCH
Artikelnummer: EB-0601405739-2604448146
Netto: 3,94 € zzgl. MwSt.
zzgl. 6,90 € Versand (brutto)
einmalig pro Bestellung

Lieferzeit: 5 Werktage

Pos.
41
BOSCH Flachdichtring | Ersatzteile für 1405 VSR | 3601016502
Hersteller: BOSCH
Artikelnummer: EB-0601405739-3601016502
nur Informationsartikel
Nie mehr lieferbar
keine Alternativen
Pos.
44
BOSCH Sicherungsring DIN 471-12x1-FSt | Ersatzteile für 1405 VSR | 2916650003
Hersteller: BOSCH
Artikelnummer: EB-0601405739-2916650003
Netto: 3,94 € zzgl. MwSt.
zzgl. 6,90 € Versand (brutto)
einmalig pro Bestellung

Lieferzeit: 5 Werktage

Pos.
49
BOSCH Nadelbüchse | Ersatzteile für 1405 VSR | 3600910505
Hersteller: BOSCH
Artikelnummer: EB-0601405739-3600910505
nur Informationsartikel
Nie mehr lieferbar
keine Alternativen
Pos.
50
BOSCH Nadelhülse Ø8xØ12x10 MM | Ersatzteile für 1405 VSR | 1610910057
Hersteller: BOSCH
Artikelnummer: EB-0601405739-1610910057
nur Informationsartikel
Nie mehr lieferbar
keine Alternativen
Pos.
52
BOSCH Blechschraube | Ersatzteile für 1405 VSR | 2610914920
Hersteller: BOSCH
Artikelnummer: EB-0601405739-2610914920
Netto: 3,63 € zzgl. MwSt.
zzgl. 6,90 € Versand (brutto)
einmalig pro Bestellung

Lieferzeit: 5 Werktage

Pos.
53
BOSCH Verbindungsleitung L=78 MM WEISS | Ersatzteile für 1405 VSR | 2604448137
Hersteller: BOSCH
Artikelnummer: EB-0601405739-2604448137
nur Informationsartikel
Nie mehr lieferbar
keine Alternativen
Pos.
54
BOSCH Verbindungskabel L=68 MM WEISS | Ersatzteile für 1405 VSR | 2604448100
Hersteller: BOSCH
Artikelnummer: EB-0601405739-2604448100
Netto: 3,63 € zzgl. MwSt.
zzgl. 6,90 € Versand (brutto)
einmalig pro Bestellung

Lieferzeit: 5 Werktage

Pos.
57
BOSCH Verbindungsleitung L=63 MM WEISS | Ersatzteile für 1405 VSR | 2604448104
Hersteller: BOSCH
Artikelnummer: EB-0601405739-2604448104
Netto: 3,94 € zzgl. MwSt.
zzgl. 6,90 € Versand (brutto)
einmalig pro Bestellung

Lieferzeit: 5 Werktage

Pos.
58
BOSCH Umschalter | Ersatzteile für 1405 VSR | 2607200231
Hersteller: BOSCH
Artikelnummer: EB-0601405739-2607200231
Netto: 14,36 € zzgl. MwSt.
zzgl. 6,90 € Versand (brutto)
einmalig pro Bestellung

Lieferzeit: 5 Werktage

Pos.
62
BOSCH Ausgleichscheibe 0,3 MM | Ersatzteile für 1405 VSR | 2600101654
Hersteller: BOSCH
Artikelnummer: EB-0601405739-2600101654
Netto: 3,94 € zzgl. MwSt.
zzgl. 6,90 € Versand (brutto)
einmalig pro Bestellung

Lieferzeit: 5 Werktage

Pos.
63
BOSCH Ausgleichscheibe 0,5 MM | Ersatzteile für 1405 VSR | 2600100628
Hersteller: BOSCH
Artikelnummer: EB-0601405739-2600100628
Netto: 3,94 € zzgl. MwSt.
zzgl. 6,90 € Versand (brutto)
einmalig pro Bestellung

Lieferzeit: 5 Werktage

Pos.
70
BOSCH Geräteclip | Ersatzteile für 1405 VSR | 3600690505
Hersteller: BOSCH
Artikelnummer: EB-0601405739-3600690505
nur Informationsartikel
Nie mehr lieferbar
keine Alternativen
Pos.
71
BOSCH O-Ring | Ersatzteile für 1405 VSR | 3600210506
Hersteller: BOSCH
Artikelnummer: EB-0601405739-3600210506
nur Informationsartikel
Nie mehr lieferbar
keine Alternativen
Pos.
72
BOSCH Distanzhülse SCHWARZ | Ersatzteile für 1405 VSR | 3600360505
Hersteller: BOSCH
Artikelnummer: EB-0601405739-3600360505
nur Informationsartikel
Nie mehr lieferbar
keine Alternativen
Pos.
74
BOSCH Kugel DIN 5401-3,5 MM-III-ST | Ersatzteile für 1405 VSR | 1903230006
Hersteller: BOSCH
Artikelnummer: EB-0601405739-1903230006
Netto: 4,32 € zzgl. MwSt.
zzgl. 6,90 € Versand (brutto)
einmalig pro Bestellung

Lieferzeit: 5 Werktage

Pos.
75
BOSCH Kugelhalter | Ersatzteile für 1405 VSR | 3600034504
Hersteller: BOSCH
Artikelnummer: EB-0601405739-3600034504
nur Informationsartikel
Nie mehr lieferbar
keine Alternativen
Pos.
76
BOSCH Lagerbuchse | Ersatzteile für 1405 VSR | 3600301508
Hersteller: BOSCH
Artikelnummer: EB-0601405739-3600301508
nur Informationsartikel
Nie mehr lieferbar
keine Alternativen
Pos.
77
BOSCH Verriegelungsbuchse SCHWARZ | Ersatzteile für 1405 VSR | 3600390502
Hersteller: BOSCH
Artikelnummer: EB-0601405739-3600390502
Netto: 6,75 € zzgl. MwSt.
zzgl. 6,90 € Versand (brutto)
einmalig pro Bestellung

Lieferzeit: 5 Werktage

Pos.
78
BOSCH Dichtring | Ersatzteile für 1405 VSR | 3600290502
Hersteller: BOSCH
Artikelnummer: EB-0601405739-3600290502
Netto: 5,19 € zzgl. MwSt.
zzgl. 6,90 € Versand (brutto)
einmalig pro Bestellung

Lieferzeit: 5 Werktage

Pos.
82
BOSCH Sprengring | Ersatzteile für 1405 VSR | 3600200516
Hersteller: BOSCH
Artikelnummer: EB-0601405739-3600200516
Netto: 3,60 € zzgl. MwSt.
zzgl. 6,90 € Versand (brutto)
einmalig pro Bestellung

Lieferzeit: 5 Werktage

Pos.
83
BOSCH Feder | Ersatzteile für 1405 VSR | 3604613507
Hersteller: BOSCH
Artikelnummer: EB-0601405739-3604613507
Netto: 3,63 € zzgl. MwSt.
zzgl. 6,90 € Versand (brutto)
einmalig pro Bestellung

Lieferzeit: 5 Werktage

Pos.
87
BOSCH Werkzeughalter 1/4" | Ersatzteile für 1405 VSR | 3603008500
Hersteller: BOSCH
Artikelnummer: EB-0601405739-3603008500
nur Informationsartikel
Nie mehr lieferbar
keine Alternativen
Pos.
89
BOSCH Kugel DIN 5401-6 G28 | Ersatzteile für 1405 VSR | 1903230011
Hersteller: BOSCH
Artikelnummer: EB-0601405739-1903230011
Netto: 4,53 € zzgl. MwSt.
zzgl. 6,90 € Versand (brutto)
einmalig pro Bestellung

Lieferzeit: 5 Werktage

Pos.
94
BOSCH Dichtring | Ersatzteile für 1405 VSR | 3600290503
Hersteller: BOSCH
Artikelnummer: EB-0601405739-3600290503
Netto: 4,36 € zzgl. MwSt.
zzgl. 6,90 € Versand (brutto)
einmalig pro Bestellung

Lieferzeit: 5 Werktage

Pos.
95
BOSCH Lagerbuchse | Ersatzteile für 1405 VSR | 3600301510
Hersteller: BOSCH
Artikelnummer: EB-0601405739-3600301510
Netto: 4,36 € zzgl. MwSt.
zzgl. 6,90 € Versand (brutto)
einmalig pro Bestellung

Lieferzeit: 5 Werktage

Pos.
777
BOSCH Tiefenanschlag | Ersatzteile für 1405 VSR | 3600552509
Hersteller: BOSCH
Artikelnummer: EB-0601405739-3600552509
nur Informationsartikel
Nie mehr lieferbar
keine Alternativen
Pos.
779
BOSCH Tiefenanschlag | Ersatzteile für 1405 VSR | 2610906321
Hersteller: BOSCH
Artikelnummer: EB-0601405739-2610906321
nur Informationsartikel
Nie mehr lieferbar
keine Alternativen
Pos.
801
BOSCH Motorgehäuse DUNKELBLAU | Ersatzteile für 1405 VSR | 3605108557
Hersteller: BOSCH
Artikelnummer: EB-0601405739-3605108557
Netto: 21,16 € zzgl. MwSt.
zzgl. 6,90 € Versand (brutto)
einmalig pro Bestellung

Lieferzeit: 5 Werktage

Pos.
802
BOSCH Polschuh 115V | Ersatzteile für 1405 VSR | 2610910309
Hersteller: BOSCH
Artikelnummer: EB-0601405739-2610910309
Netto: 19,18 € zzgl. MwSt.
zzgl. 6,90 € Versand (brutto)
einmalig pro Bestellung

Lieferzeit: 5 Werktage

Pos.
803
BOSCH Anker 115V | Ersatzteile für 1405 VSR | 2610910307
Hersteller: BOSCH
Artikelnummer: EB-0601405739-2610910307
Netto: 42,86 € zzgl. MwSt.
zzgl. 6,90 € Versand (brutto)
einmalig pro Bestellung

Lieferzeit: 5 Werktage

Pos.
804
BOSCH Ein/Aus-Schalter | Ersatzteile für 1405 VSR | 2610994891
Hersteller: BOSCH
Artikelnummer: EB-0601405739-2610994891
nur Informationsartikel
Nie mehr lieferbar
keine Alternativen
Pos.
808
BOSCH Typschild | Ersatzteile für 1405 VSR | 3601119718
Hersteller: BOSCH
Artikelnummer: EB-0601405739-3601119718
nur Informationsartikel
Nie mehr lieferbar
keine Alternativen
Pos.
810
BOSCH Kohlebürstensatz | Ersatzteile für 1405 VSR | 2604321914
Hersteller: BOSCH
Artikelnummer: EB-0601405739-2604321914
nur Informationsartikel
Nie mehr lieferbar
keine Alternativen
Pos.
825
BOSCH Getriebegehäuse SCHWARZ | Ersatzteile für 1405 VSR | 3605190518
Hersteller: BOSCH
Artikelnummer: EB-0601405739-3605190518
nur Informationsartikel
Nie mehr lieferbar
keine Alternativen
Pos.
828
BOSCH Lagerbrücke | Ersatzteile für 1405 VSR | 3605806537
Hersteller: BOSCH
Artikelnummer: EB-0601405739-3605806537
Netto: 23,72 € zzgl. MwSt.
zzgl. 6,90 € Versand (brutto)
einmalig pro Bestellung

Lieferzeit: 5 Werktage

Pos.
839
BOSCH Gehäusedeckel DUNKELBLAU | Ersatzteile für 1405 VSR | 3605133521
Hersteller: BOSCH
Artikelnummer: EB-0601405739-3605133521
Netto: 8,33 € zzgl. MwSt.
zzgl. 6,90 € Versand (brutto)
einmalig pro Bestellung

Lieferzeit: 5 Werktage

Pos.
846
BOSCH Antriebswelle Z=33 | Ersatzteile für 1405 VSR | 3606120566
Hersteller: BOSCH
Artikelnummer: EB-0601405739-3606120566
nur Informationsartikel
Nie mehr lieferbar
keine Alternativen
Pos.
847
BOSCH Zahnwelle Z=41/17 | Ersatzteile für 1405 VSR | 3606319522
Hersteller: BOSCH
Artikelnummer: EB-0601405739-3606319522
Netto: 32,85 € zzgl. MwSt.
zzgl. 6,90 € Versand (brutto)
einmalig pro Bestellung

Lieferzeit: 5 Werktage

Pos.
873
BOSCH Kupplungsgehäuse | Ersatzteile für 1405 VSR | 3605190519
Hersteller: BOSCH
Artikelnummer: EB-0601405739-3605190519
nur Informationsartikel
Nie mehr lieferbar
keine Alternativen
Pos.
886
BOSCH Kupplungswelle | Ersatzteile für 1405 VSR | 3606441502
Hersteller: BOSCH
Artikelnummer: EB-0601405739-3606441502
nur Informationsartikel
Nie mehr lieferbar
keine Alternativen

Angaben zur Produktsicherheit

Hersteller:
Robert Bosch Power Tools GmbH
Postfach 30 02 20
70442 Stuttgart

E-Mail:
kontakt@bosch.de