BOSCH Messerschärfvorrichtung | Ersatzteile für 1571 | 1619PA2321

Artikelnummer: EB-F015157123-1619PA2321

Position: 62

Marke: BOSCH


Bitte Kompatibilität prüfen!

Bitte prüfen Sie unbedingt die 10-stellige Typennummer Ihrer Maschine / Ihres Gerätes. Das Ersatzteil ist nur kompatibel, wenn Sie die Typennummer Ihrer Maschine in der unten stehenden Produktbeschreibung finden.

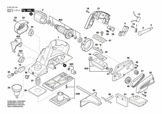
Bitte prüfen Sie ebenfalls detailliert die Explosionszeichnung mit Ihrem Artikelwunsch und der jeweiligen Pos-Nummer.

Alle Elemente, welche vom schwarzen Strich der Pos-Nummer ausgehend berührt / erfasst werden, gehören zu dieser Pos-Nummer und somit zu diesem Artikel. Jede Pos-Nummer ist ein eigenständiger Artikel, welchen Sie in der Auflistung finden.

Sie erhalten stets die aktuellste, neueste Produktversion zu der gewählten Pos-Nummer seitens des Herstellers. Es kann daher je nach Gerätealter vorkommen, dass Sie ggf. weitere, zugehörige Elemente, welche an diese Pos-Nummer grenzen, ebenfalls mittauschen müssen.

Nähere Informationen finden Sie unter dem Link
Hinweise zu Ihrer BOSCH Ersatzteilsuche

Preisübersicht

Einzelpreis: 7,76 €* (Brutto: 9,23 €)
Gesamtpreis: 7,76 €* 
Position:

Lieferzeit: 5 Werktage


Beschreibung

  • Messerschärfvorrichtung
  • Original Bosch Zubehör / BOSCH Ersatzteil (1619PA2321)
  • im Gerät verbaut: 1
Dieses BOSCH Ersatzteil ist mit folgendem Gerät und Modell kompatibel:
  • BOSCH Gerätename: 1571
  • BOSCH Explosionszeichnung: Position 62
  • BOSCH Typennummer: F015157123
  • BOSCH Typennummer alternative Schreibweisen: F 015 157 123, F015 157 123, F.015.157.123, F-015-157-123
    Bitte prüfen Sie diese Typennummer auf Ihrem Gerät um die Kompatibilität des BOSCH Ersatzteils zu gewährleisten.
Weitere BOSCH Ersatzteile des Gerätes 1571 (Hobel/Elektrowerkzeug) mit der Typennummer F015157123 finden Sie in der nachfolgenden Darstellung und im Dropdown zu Ihrer Auswahl:

Pos.
1
BOSCH Motorgehäuse | Ersatzteile für 1571 | 1619PA2287
Hersteller: BOSCH
Artikelnummer: EB-F015157123-1619PA2287
Netto: 14,36 € zzgl. MwSt.
zzgl. 6,90 € Versand (brutto)
einmalig pro Bestellung

Lieferzeit: 5 Werktage

Pos.
2
BOSCH Polschuh 240V | Ersatzteile für 1571 | 1619PA2286
Hersteller: BOSCH
Artikelnummer: EB-F015157123-1619PA2286
nur Informationsartikel
Nie mehr lieferbar
keine Alternativen
Pos.
4
BOSCH Schalter | Ersatzteile für 1571 | 1619PA2277
Hersteller: BOSCH
Artikelnummer: EB-F015157123-1619PA2277
Netto: 7,76 € zzgl. MwSt.
zzgl. 6,90 € Versand (brutto)
einmalig pro Bestellung

Lieferzeit: 5 Werktage

Pos.
5
BOSCH Netzanschlussleitung | Ersatzteile für 1571 | 1619PA2397
Hersteller: BOSCH
Artikelnummer: EB-F015157123-1619PA2397
nur Informationsartikel
Nie mehr lieferbar
keine Alternativen
Pos.
6
BOSCH Tülle | Ersatzteile für 1571 | 1619PA2273
Hersteller: BOSCH
Artikelnummer: EB-F015157123-1619PA2273
Netto: 3,94 € zzgl. MwSt.
zzgl. 6,90 € Versand (brutto)
einmalig pro Bestellung

Lieferzeit: 5 Werktage

Pos.
7
BOSCH Kabelklemme | Ersatzteile für 1571 | 1619PA2275
Hersteller: BOSCH
Artikelnummer: EB-F015157123-1619PA2275
nur Informationsartikel
Nie mehr lieferbar
keine Alternativen
Pos.
10
BOSCH Kohlebürstensatz | Ersatzteile für 1571 | 1619PA2292
Hersteller: BOSCH
Artikelnummer: EB-F015157123-1619PA2292
Netto: 8,33 € zzgl. MwSt.
zzgl. 6,90 € Versand (brutto)
einmalig pro Bestellung

Lieferzeit: 5 Werktage

Pos.
12
BOSCH Entstörfilter | Ersatzteile für 1571 | 1619PA2276
Hersteller: BOSCH
Artikelnummer: EB-F015157123-1619PA2276
nur Informationsartikel
Nie mehr lieferbar
keine Alternativen
Pos.
16
BOSCH Kohlebürstenhalter | Ersatzteile für 1571 | 1619PA2291
Hersteller: BOSCH
Artikelnummer: EB-F015157123-1619PA2291
Netto: 3,92 € zzgl. MwSt.
zzgl. 6,90 € Versand (brutto)
einmalig pro Bestellung

Lieferzeit: 5 Werktage

Pos.
19
BOSCH Schraube | Ersatzteile für 1571 | 1619PA2271
Hersteller: BOSCH
Artikelnummer: EB-F015157123-1619PA2271
nur Informationsartikel
Nie mehr lieferbar
keine Alternativen
Pos.
22
BOSCH Schraube | Ersatzteile für 1571 | 1619PA2266
Hersteller: BOSCH
Artikelnummer: EB-F015157123-1619PA2266
nur Informationsartikel
Nie mehr lieferbar
keine Alternativen
Pos.
23
BOSCH Endkappe | Ersatzteile für 1571 | 1619PA2267
Hersteller: BOSCH
Artikelnummer: EB-F015157123-1619PA2267
nur Informationsartikel
Nie mehr lieferbar
keine Alternativen
Pos.
24
BOSCH Lagerdeckel | Ersatzteile für 1571 | 1619PA2268
Hersteller: BOSCH
Artikelnummer: EB-F015157123-1619PA2268
Netto: 4,82 € zzgl. MwSt.
zzgl. 6,90 € Versand (brutto)
einmalig pro Bestellung

Lieferzeit: 5 Werktage

Pos.
25
BOSCH Knopf | Ersatzteile für 1571 | 1619PA2269
Hersteller: BOSCH
Artikelnummer: EB-F015157123-1619PA2269
Netto: 7,76 € zzgl. MwSt.
zzgl. 6,90 € Versand (brutto)
einmalig pro Bestellung

Lieferzeit: 5 Werktage

Pos.
27
BOSCH Griffschale | Ersatzteile für 1571 | 1619PA2272
Hersteller: BOSCH
Artikelnummer: EB-F015157123-1619PA2272
Netto: 5,67 € zzgl. MwSt.
zzgl. 6,90 € Versand (brutto)
einmalig pro Bestellung

Lieferzeit: 5 Werktage

Pos.
28
BOSCH Feder | Ersatzteile für 1571 | 1619PA2278
Hersteller: BOSCH
Artikelnummer: EB-F015157123-1619PA2278
nur Informationsartikel
Nie mehr lieferbar
keine Alternativen
Pos.
29
BOSCH Hebel | Ersatzteile für 1571 | 1619PA2279
Hersteller: BOSCH
Artikelnummer: EB-F015157123-1619PA2279
nur Informationsartikel
Nie mehr lieferbar
keine Alternativen
Pos.
30
BOSCH Luftleitring | Ersatzteile für 1571 | 1619PA2280
Hersteller: BOSCH
Artikelnummer: EB-F015157123-1619PA2280
nur Informationsartikel
Nie mehr lieferbar
keine Alternativen
Pos.
35
BOSCH Kappe | Ersatzteile für 1571 | 1619PA2293
Hersteller: BOSCH
Artikelnummer: EB-F015157123-1619PA2293
Netto: 3,63 € zzgl. MwSt.
zzgl. 6,90 € Versand (brutto)
einmalig pro Bestellung

Lieferzeit: 5 Werktage

Pos.
36
BOSCH Schraube M Drehsicherung | Ersatzteile für 1571 | 1619PA2294
Hersteller: BOSCH
Artikelnummer: EB-F015157123-1619PA2294
Netto: 4,32 € zzgl. MwSt.
zzgl. 6,90 € Versand (brutto)
einmalig pro Bestellung

Lieferzeit: 5 Werktage

Pos.
37
BOSCH Feder | Ersatzteile für 1571 | 1619PA2295
Hersteller: BOSCH
Artikelnummer: EB-F015157123-1619PA2295
nur Informationsartikel
Nie mehr lieferbar
keine Alternativen
Pos.
38
BOSCH Unterlage | Ersatzteile für 1571 | 1619PA2296
Hersteller: BOSCH
Artikelnummer: EB-F015157123-1619PA2296
nur Informationsartikel
Nie mehr lieferbar
keine Alternativen
Pos.
40
BOSCH Schraube | Ersatzteile für 1571 | 1619PA2298
Hersteller: BOSCH
Artikelnummer: EB-F015157123-1619PA2298
nur Informationsartikel
Nie mehr lieferbar
keine Alternativen
Pos.
47
BOSCH Gummistopfen | Ersatzteile für 1571 | 1619PA2305
Hersteller: BOSCH
Artikelnummer: EB-F015157123-1619PA2305
nur Informationsartikel
Nie mehr lieferbar
keine Alternativen
Pos.
48
BOSCH Lagerflansch | Ersatzteile für 1571 | 1619PA2306
Hersteller: BOSCH
Artikelnummer: EB-F015157123-1619PA2306
Netto: 9,05 € zzgl. MwSt.
zzgl. 6,90 € Versand (brutto)
einmalig pro Bestellung

Lieferzeit: 5 Werktage

Pos.
49
BOSCH Riemenscheibe | Ersatzteile für 1571 | 1619PA2307
Hersteller: BOSCH
Artikelnummer: EB-F015157123-1619PA2307
Netto: 7,30 € zzgl. MwSt.
zzgl. 6,90 € Versand (brutto)
einmalig pro Bestellung

Lieferzeit: 5 Werktage

Pos.
50
BOSCH Riemenscheibe | Ersatzteile für 1571 | 1619PA2308
Hersteller: BOSCH
Artikelnummer: EB-F015157123-1619PA2308
Netto: 5,67 € zzgl. MwSt.
zzgl. 6,90 € Versand (brutto)
einmalig pro Bestellung

Lieferzeit: 5 Werktage

Pos.
51
BOSCH Keilriemen | Ersatzteile für 1571 | 1619PA2309
Hersteller: BOSCH
Artikelnummer: EB-F015157123-1619PA2309
Netto: 5,67 € zzgl. MwSt.
zzgl. 6,90 € Versand (brutto)
einmalig pro Bestellung

Lieferzeit: 5 Werktage

Pos.
52
BOSCH Getriebedeckel | Ersatzteile für 1571 | 1619PA2310
Hersteller: BOSCH
Artikelnummer: EB-F015157123-1619PA2310
nur Informationsartikel
Nie mehr lieferbar
keine Alternativen
Pos.
53
BOSCH Schraube | Ersatzteile für 1571 | 1619PA2311
Hersteller: BOSCH
Artikelnummer: EB-F015157123-1619PA2311
nur Informationsartikel
Nie mehr lieferbar
keine Alternativen
Pos.
54
BOSCH Hobelmesser | Ersatzteile für 1571 | 1619PA2313
Hersteller: BOSCH
Artikelnummer: EB-F015157123-1619PA2313
Netto: 9,18 € zzgl. MwSt.
zzgl. 6,90 € Versand (brutto)
einmalig pro Bestellung

Lieferzeit: 5 Werktage

Pos.
55
BOSCH Anschlaghalterung | Ersatzteile für 1571 | 1619PA2314
Hersteller: BOSCH
Artikelnummer: EB-F015157123-1619PA2314
Netto: 4,82 € zzgl. MwSt.
zzgl. 6,90 € Versand (brutto)
einmalig pro Bestellung

Lieferzeit: 5 Werktage

Pos.
56
BOSCH Schraube | Ersatzteile für 1571 | 1619PA2315
Hersteller: BOSCH
Artikelnummer: EB-F015157123-1619PA2315
Netto: 3,63 € zzgl. MwSt.
zzgl. 6,90 € Versand (brutto)
einmalig pro Bestellung

Lieferzeit: 5 Werktage

Pos.
57
BOSCH Spannbacken | Ersatzteile für 1571 | 1619PA2316
Hersteller: BOSCH
Artikelnummer: EB-F015157123-1619PA2316
Netto: 5,67 € zzgl. MwSt.
zzgl. 6,90 € Versand (brutto)
einmalig pro Bestellung

Lieferzeit: 5 Werktage

Pos.
58
BOSCH Spannschraube | Ersatzteile für 1571 | 1619PA2317
Hersteller: BOSCH
Artikelnummer: EB-F015157123-1619PA2317
Netto: 3,94 € zzgl. MwSt.
zzgl. 6,90 € Versand (brutto)
einmalig pro Bestellung

Lieferzeit: 5 Werktage

Pos.
59
BOSCH Führungsbügel | Ersatzteile für 1571 | 1619PA2318
Hersteller: BOSCH
Artikelnummer: EB-F015157123-1619PA2318
Netto: 5,19 € zzgl. MwSt.
zzgl. 6,90 € Versand (brutto)
einmalig pro Bestellung

Lieferzeit: 5 Werktage

Pos.
60
BOSCH Spanner | Ersatzteile für 1571 | 1619PA2319
Hersteller: BOSCH
Artikelnummer: EB-F015157123-1619PA2319
Netto: 3,94 € zzgl. MwSt.
zzgl. 6,90 € Versand (brutto)
einmalig pro Bestellung

Lieferzeit: 5 Werktage

Pos.
61
BOSCH Fühlerlehre | Ersatzteile für 1571 | 1619PA2320
Hersteller: BOSCH
Artikelnummer: EB-F015157123-1619PA2320
Netto: 4,32 € zzgl. MwSt.
zzgl. 6,90 € Versand (brutto)
einmalig pro Bestellung

Lieferzeit: 5 Werktage

Pos.
62
BOSCH Messerschärfvorrichtung | Ersatzteile für 1571 | 1619PA2321
Hersteller: BOSCH
Artikelnummer: EB-F015157123-1619PA2321
Netto: 7,76 € zzgl. MwSt.
zzgl. 6,90 € Versand (brutto)
einmalig pro Bestellung

Lieferzeit: 5 Werktage

Pos.
803
BOSCH Anker 240V | Ersatzteile für 1571 | 1619PA2379
Hersteller: BOSCH
Artikelnummer: EB-F015157123-1619PA2379
Netto: 32,74 € zzgl. MwSt.
zzgl. 6,90 € Versand (brutto)
einmalig pro Bestellung

Lieferzeit: 5 Werktage

Pos.
824
BOSCH Lagerdeckel | Ersatzteile für 1571 | 1619PA2377
Hersteller: BOSCH
Artikelnummer: EB-F015157123-1619PA2377
Netto: 4,82 € zzgl. MwSt.
zzgl. 6,90 € Versand (brutto)
einmalig pro Bestellung

Lieferzeit: 5 Werktage

Pos.
833
BOSCH Entlüfter | Ersatzteile für 1571 | 1619PA2383
Hersteller: BOSCH
Artikelnummer: EB-F015157123-1619PA2383
nur Informationsartikel
Nie mehr lieferbar
keine Alternativen
Pos.
839
BOSCH Grundplatte | Ersatzteile für 1571 | 1619PA2384
Hersteller: BOSCH
Artikelnummer: EB-F015157123-1619PA2384
Netto: 14,36 € zzgl. MwSt.
zzgl. 6,90 € Versand (brutto)
einmalig pro Bestellung

Lieferzeit: 5 Werktage

Pos.
843
BOSCH Messerschutz | Ersatzteile für 1571 | 1619PA2385
Hersteller: BOSCH
Artikelnummer: EB-F015157123-1619PA2385
nur Informationsartikel
Nie mehr lieferbar
keine Alternativen
Pos.
845
BOSCH Schneidkopf | Ersatzteile für 1571 | 1619PA2386
Hersteller: BOSCH
Artikelnummer: EB-F015157123-1619PA2386
Netto: 24,13 € zzgl. MwSt.
zzgl. 6,90 € Versand (brutto)
einmalig pro Bestellung

Lieferzeit: 5 Werktage

Angaben zur Produktsicherheit

Hersteller:
Robert Bosch Power Tools GmbH
Postfach 30 02 20
70442 Stuttgart

E-Mail:
kontakt@bosch.de